首页 > 城镇建设行业标准(CJ) > CJ/T 3046.2-1995 城市公共交通主要经济技术指标综合统计报表 出租汽车
CJ/T 3046.2-1995

基本信息

标准号: CJ/T 3046.2-1995

中文名称:城市公共交通主要经济技术指标综合统计报表 出租汽车

标准类别:城镇建设行业标准(CJ)

标准状态:现行

发布日期:1996-01-03

实施日期:1994-12-01

出版语种:简体中文

下载格式:.rar.pdf

下载大小:70910

相关标签: 城市 公共交通 主要 经济 技术指标 综合 统计 报表 出租汽车

标准分类号

中标分类号:车辆>>车辆综合>>T02经济管理

关联标准

出版信息

出版社:中国标准出版社

页数:4页

标准价格:8.0 元

出版日期:1994-12-01

相关单位信息

起草人:张培禧、刘东健、徐元、唐丽华、王梳秋

起草单位:上海市公共交通总公司、上海市出租汽车公司

提出单位:建设部标准定额研究所

发布部门:中华人民共和国建设部

标准简介

本标准规定了城市出租汽车企业主要经济技术指标综合统计报表的项目名称、格式和统计要求。本标准适用于城市出租汽车企业。 CJ/T 3046.2-1995 城市公共交通主要经济技术指标综合统计报表 出租汽车 CJ/T3046.2-1995 标准下载解压密码:www.bzxz.net

标准图片预览

CJ/T 3046.2-1995 城市公共交通主要经济技术指标综合统计报表 出租汽车
CJ/T 3046.2-1995 城市公共交通主要经济技术指标综合统计报表 出租汽车
CJ/T 3046.2-1995 城市公共交通主要经济技术指标综合统计报表 出租汽车
CJ/T 3046.2-1995 城市公共交通主要经济技术指标综合统计报表 出租汽车

标准内容

中华人民共和国城镇建设行业标准城市公共交通主要经济技术指标综合统计报表出租汽车
Urban public transport-The comprehensivestatistical table of the main economicand technical indexes--Taxi
1主题内容与适用范围
CJ/T 3046. 2—1995
本标准规定了城市出租汽车企业主要经济技术指标综合统计报表的项目名称、格式和统计要求。本标准适用于城市出租汽车企业。2引用标准
CJ39.2城市公共交通经济技术指标计算方法出租汽车3主要经济技术指标计算方法
3.1本标准第4章所列指标名称与CJ39.2的规定相-致,其定义与计算公式应符合CJ39.2的规定。资产净值、在册司机数和全员劳动生产率按3.2~~3.4条的规定进行计算。3.2资产净值
企业拥有的能以货币计量的经济资源。3.2.1计算单位:万元。
3.2.2计算公式
中华人民共和国建设部1996-01-03批准68
1996-06-01实施
CJ/T3046.2—1995
资产净值一资产总值(万元)一流动负债合计(万元)长期负债合计(万元)
3.3在册司机数
企业全部在册运营司机人数。
3.3.1计算单位:人。
3.3.2计算方法:按职工人员分类有关规定执行。3.4全员劳动生产率
企业每个经营出租汽车职工产出的运营里程。3.4.1计算单位:车公里/人。
3.4.2计算公式
全员劳动生产率(车公里/人).(1)
运营里程
平均职工人数一与经营出汽车无关人员平均人数+++++.( 2)
4城市公共交通主要经济技术指标综合统计报表(出租汽车企业)成
CJ/T 3046. 2-1995wwW.bzxz.Net
城市公共交通主要经济技术指标综合统计报表(出租汽车企业通用)
199年
单位全称(盖章):
全业代群nn自Cn口-口 单位详细地址指标名称
、运誉指标
1.客运量
2.载客车次
3.运营车数
4.总行驶里程
5.运营里程
6.载客里程
工作车率
工作车日
运营车日
二、安全服务指标
1.行车责任率故频率
行车责任事故次数
2.行车责任死亡事故频率
行车责任死亡事故次数
3.行车责任事故死亡人数
4.服务遵纪合格率
服务遵纪合格车辆
被检车辆总数
5.车辆服务设施合格率
车辆服务设施合格车辆
被检车辆总数
三、技术与消耗指标
省(市)
计算单位
万人次
行车次
万车公里
万车公里
万车公里
次/百万车公里
欧/百万车公里
制表机关:
邮政编码:00000
月!本月止累计:
指标名称
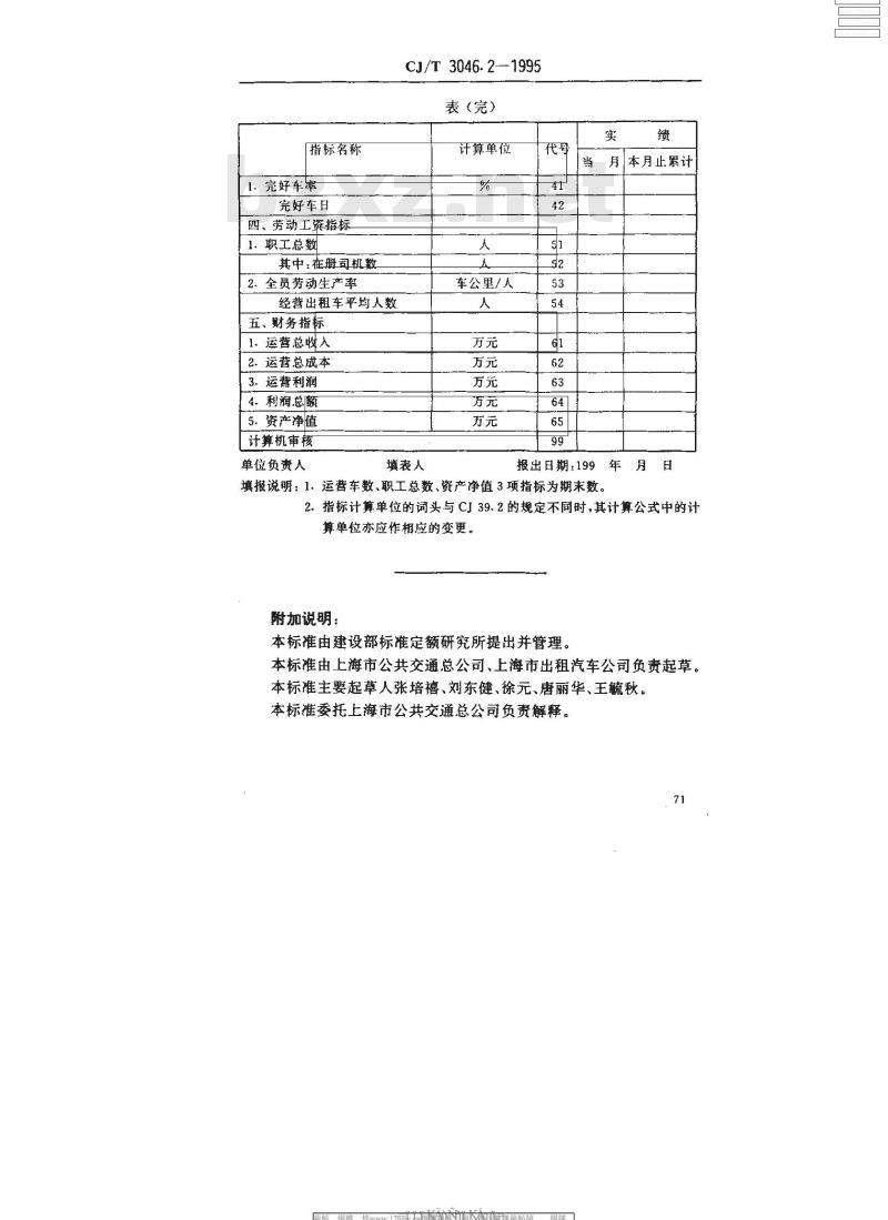
1.完好车率
完好车日
四、劳动工资指标
1.职工总数
其中:在册司机数
2.全员劳动生产率
经营出租车平均人数
五、财务指标
1.运营总收入
2.运营总成本
3、运营利润
4.利润总额
5资产净值
计算机审核
单位负责人
CJ/T3046.2--1995
表(完)
计算单位
车公里/人
填表人
报出日期:199
月|本月止累计
填报说明:1.运营车数、职工总数、资产净值3项指标为期末数。2.指标计算单位的词头与CJ39.2的规定不同时,其计算公式中的计算单位亦应作相应的变更。
附加说明:
本标准由建设部标准定额研究所提出并管理。本标准由上海市公共交通总公司、上海市出租汽车公司负责起草。本标主要起草人张培禧、刘东健、徐元、唐丽华、王毓秋。本标准委托上海市公共交通总公司负责解释。7
重褐告
小提示:此标准内容仅展示完整标准里的部分截取内容,若需要完整标准请到上方自行免费下载完整标准文档。