首页 > 石油天然气行业标准(SY) > SY/T 5250-2008 油田用背罐车
SY/T 5250-2008

基本信息

标准号: SY/T 5250-2008

中文名称:油田用背罐车

标准类别:石油天然气行业标准(SY)

标准状态:现行

发布日期:2008-06-16

实施日期:2008-12-01

出版语种:简体中文

下载格式:.rar.pdf

下载大小:519047

相关标签: 油田 罐车

标准分类号

标准ICS号:石油及相关技术>>石油和天然气工业设备>>75.180.10勘探和钻采设备

中标分类号:石油>>石油勘探、开发、集输设备>>E92石油钻采设备与仪器

关联标准

替代情况:替代SY/T 5250-1991

出版信息

出版社:石油工业出版社

标准价格:0.0 元

出版日期:2008-12-01

相关单位信息

起草单位:四川石油管理局南充机械厂、重庆汽车研究所

归口单位:全国石油钻采设备和工具标准化技术委员会

发布部门:中华人民共和国国家发展和改革委员会

标准简介

本标准适用于石油天然气勘探和开发用背罐车的设计、制造和质量验收。 SY/T 5250-2008 油田用背罐车 SY/T5250-2008 标准下载解压密码:www.bzxz.net

标准图片预览

SY/T 5250-2008 油田用背罐车
SY/T 5250-2008 油田用背罐车
SY/T 5250-2008 油田用背罐车
SY/T 5250-2008 油田用背罐车
SY/T 5250-2008 油田用背罐车

标准内容

Ks 75. 180. 10
备案号:24313—2008
中华人民共和国石油天然气行业标准SY/T 5250—2008
代替$Y/T52501991
油田用背罐车
Oilfield special tank-carring truck2008—06—16 发布
国家发展和改革委员会
2008—12—01实施
规范性引用文件
3术语和定义
试验方法
检验规则
标志、包装、运输和忙存
SY/T5250—2008
SY/T 5250—2008
本标准代替SY/T5250-·1991≤YBG-250)型液压背罐车技术条件本标准与SY/T5250一199相比,主要变化如下:·--标准名称更改为家油山用背懿车》:主要性能指标更改为基本参数:在5.2整车”中增加了“侧下部及后下部防护要求”(必5.2.7)等:在第6旁“试验方法”中增加了广“油箱在涂漆前盛油试验”(见6.6)、“高压答路压力试验”(见6.7)、“液压倾卸系统耐压性能试验”(见6.8):在第7章“检验规则”中增加了“液压倾卸系统耐压性能试验”、“加速噪声测定”等检验项月:将“照明和信导装置”,“制动性能”、“转向操作稳定性”政为出厂检验项H:一删除了SY/I52501991中的质量保证和附加说明;·在第8章“标志、包装、运输和贮存”中列出了标牌的休内容;一在8.1中增加了“外部标识”(见8.1.2)和“车身反光标识”(见8.1.3);对标准的其他内荠进行了修订。本标准由个国油钻案设备和工具标化技术委员会(SAC/TC9)提出I本标准负责起单位:四川右油管理局成都总机械厂,本标准参加起草单位:国家望型汽车质量监督检验中心、南阳一机石油装备(集团)有限公司,本标准主要起草人:马太清、刘有平、李华川、占亦秦、余德方本标准所代替标准的历次版本发布情记为:SY/T 5250—1901,
1范围
油田用背罐车
SY/T 52502008
不标准规定了油田用背罐车的要求,试验方法,检验规则、标志、包装、运输与忙存本标准适用丁石油天然气勘探和开发用背罐车(以下简称背罐车)的设计、制造和质量验收。2规范性引用文件
下列义件中的条款通过本标准的引而而成为本标准的条款。凡是注口期的引用文件,其随后所有的修政单(不包括勘误的内容)或修订版均不适用于本标准,然而,鼓励根据本标准达成协议的各方研究是否河使用这此文件的最新版本,凡是不注口期的引用文件,其最新版本适用于本标准。GB1495汽车加速行驳车外噪声限值及测量方法(GB14952002,ECEReg.No.51,NEQ)GB:58道路4辆外尺小、轴荷及质限值GIB/T3766激压系统通用技术条件(GB/T3766-20)01:[SO4413:1998.CV)GR4094汽车操纵件、指示器及信号装置的标志GB4785车没挂车外部照明利光信号装宵的安装规定(GR478520K17,FCENo.48:10>5,IV)G3 725H
机动车运行安全技术条件
GB/7350)防水包装
GB:T 7933
GB/T 9174
G 11517. 1
液斥儿件迅用技术条件
-般货物运输他装通用技术条件
汽车利托车侧而防护要求[GI311567.1—2H)1,FFR73(1588),IDT汽车和托年后下部防护要求GB11567.220U1,ECE R58(1983)、NEQIGB 11567.2
(B/T2467.2焊接质登要求金属材料的熔化焊第2部分:完整质量要求焊接质翌要求金属材料的熔化焊第3部分:一般质量要求GH/T 12467. 3
CB/T 12467. 4
焊接质量要求金属材料的熔化焊第4部分:基本质量要求机动车辆及挂车分类,
GR/T 1SU89 3
GB/T:735专用汽车和专用半挂车术语和代号道路车辆产品标牌
B19151机动车用角警告牌(GB15151—2003,FCFR27:1992,NEQ)SY/T55.31油气压专用车通H技术条件(A车身反光标识
1997白御汽车性能试验方汰
Q01 223
QC/T 252
QC/T 319
QQ/ 46
专州汽车定型试验规程
白御卸汽车取力器技术条件
卸汽车液流技术条件
启卸汽车一次向技术条件
QCT484汽车池涂涂层
3术语和定义
下列术语和定义适用:本标滩。SY/T 52502008
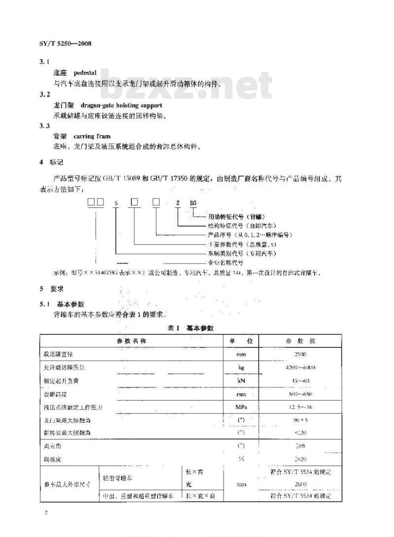
底座 Fedestal
与汽车底盘连接用以支承龙门架或起升滑动箱体的构件3.2
龙门架dragon gate hoisting support承载储罐与底座铰链连接的回转构架。3.3
carringframbzxz.net
底座、龙门架及压系统组合成的背卸总休构件。4标记
产品型号标记按(GB/T15089利GB/T-17350的规定,由制造厂商名称代号与品编号组成。共表尔法如下:
用特征代号(背罐)
结构特征代号(自卸汽车)
产品序号(从0,1,2-顺序编号)#要参数代号(总质量,t)
车辆类别代号(专用汽车)
企业名称代号
示例:型××51407B:表示××或公可制造、专汽车、总质量141、第一次设计的白别式背嫌,5要求
5. 1 基本参数
背罐车的基本参数成符合表1的要求表 1 基本参数
藝数名称
载运直径
允许载运蟀质
额逆起外负荷
促懿产度
液压系统额定工作压力
龙门架最大倾翘角
转架最大倾翻角
离云市
轻型背车
车晟大外形尺小
中型、更型和超型背链车
长×高
长x宽x高
参数值
4210 ~61
45~-60)
500--65
12. 5~-16
符分 SY/T 5534的规能
符会SY/T5531的期定
5.2整车
5.2.1背罐车质量及轴荷分配成符合(B1589和SY/T5534的规定。5.2.2背罐车整车行驶性能应符合GT7258和SY/T55.34的现定5.2.3背罐车外部照明及信号装置的数量、位置和光色应符合GB4785的规定5.2.4螺纹连接部能应紧固可靠,并成采取有效的防松措施。SY/T 5250—2008
5.2.5起套的外购件、外协件应符合相关标准的规定,并有制造厂的介格证,经总装厂检验合格后方能使用、所有白制今件经检查合格后才能装。5.2.6所右黑色金属结悔件的表面应作防锈处理,产品外表装饰应符个QC/T484中TQ3中的规定。
5.2.7背继车侧面下部防护要求应符合GB11567.1的规定,后下部防护按B11567.2的规定达行:
5.2.8背车的:角警告牌应符合GB19151的规定,并妥善放置。:5.2.9背罐车操纵件指示器及信号装置应标患明显,并符含GB404的规定,5.2.10背罐乍的加速唤声应符合GI1495的规定。轻型背罐车车外曝声应小于或等于:31dB(A):型。重型和超重型背巍年个外噪声应小于或等于84dB(A)。5.3背架(背箱)
5.3.1背架(背箱)构件焊接质量应符台GB/T12467.2,GB/T124(7.3和(G13/T12467.+的规定。
5.3.2龙门架孤形架圆孤形状应一致:与检查样板的间蒙不应人下3mm,减震垫块应安装中、标准罐你或样板检,每道弧形梁上长接触的垫块:不应多于块,问隙不成人十3m。5.3.3法钩钢约绳应选用起重钢丝绝,其破断效力不小最人工作拉力的九倍:5.3.4龙门架边梁及底座两侧面应保持平直,其校线的直线度不应太于2.5mm/m,在全长范国内不应人于12
5.3.5取力器应符台Q℃/T319的规定,系统作应平稳可靠,蒙运转正常,无卡滞、异啊和谚谢。取力器速比应保证油泵在额定转速时,发动机处于经济转速范谢内:取力按纵托合机构操作成灵活:维修方便。
5.3.6链体作业时龙门架变形量不碰影响垫块的接触和龙门架支摔的配介,5.4液压系统
5.4.1液压系统及液压元件应符合G1/T3766和GB/T7935的概定。5.4.2节路排列齐、卡装牢固、设1}-底座下部及安全可靠的位置。活动软管在工作中不应发生机门涉、擦碰和打转:
5.4.3液!管路不应右漏油、管路部膨胀或接头松动脱落现象,5.4.4液压油箱应有油位指示器和呼吸器。油箱不应有现象。5.4.5液压系统滤泊装置的过滤精度不应低于40um15.4,6各液压泊过应符合QC/T460的规定。作业时变幅油缸差存辆缸的伸缩应致。左右两支缸和在右挂钩油缸应能根据储罐位胃进行单动或联动,动作应协调,作准确可靠。5.4.7各个油台在般大负倚下内泄蒲量不应超过下列规定:a)龙门架位于乘古位置,支腿持钩汕起活案轩沈降总最不应大于【r:h)龙门架边起离支承槽Iorir附,变筛油缸活塞沉隧总量不应人」1mm。5.4.8液示锁成锁止可带,在额定压力不高渗漏,5.4.9换向阀的选择应符合Q℃/T161的规定,手动换问阀手辆操作应轻便灵活,无卡弧现象5.4.10液压倾卸系统操纵虚炎流、准确、可靠。5.4.11龙门案空载举升至最人领有的时间不超过1.5min3
S1/T5250—2008
5.4.12龙门架空载从最大举升下降到与龙门架支撑贴合的间不超过1.5min6试验方法
6.1性能试验前、应按本标准的规定进行外规质量、装配质量检查,并测定整车尺小和质量参数。6.2照明和信号装置的安装按GB4785的规定逊行检测,整车性能试验和技术参数的测定按QC/T252的规定进行6.3
自卸性能试验和泄漏试验按QC/T2231997中4.3:4.4的规定进行。6.4
背罐车的噪测定按(GI3145的规定进行。6.5
6.油箱准涂漆前盛油试验:在涂漆前油箱内盛满煤油,保持5min,无渗漏现象.h.7高压管路压力试验:试验力为系统额定工作压力的1.5倍,进行稳压3min无渗漏,6.8
液压倾卸系统耐压性能试验:而额定T作压力的1.5倍(额定1作力=15MPa)或1.25倍(额定工作压力大于1SMPa),保压5min:不应出现渗、破裂、局部膨服及接头脱开现象6.9行驶试验的里程和试验方法按SY/T5534的规定进行,7检验规则
7.1检验分类
7.1.1型式检验
有下例情说之一时,应避行型式检验:a)新产品战产品转厂产时,
b)停产:年以上,核复生产吋。c)正常生产产量累计250台时。d)产品结构、工&、材料有较大改变时e)山厂检验结果和型式检验结果有较人差异时。7.1.2出厂检验
每台车都应进行出厂检验。
7.2检验项目
检验的项口符合表2的规定。
7.3检验抽样
7.3.1型式检验的抽样
型式检验的抽样如卜:
a)同批产品抽查10兴,仙不能少于2台b)对专用装置任选台进行检验、可在单独的试验装置上试验,过允许随整车试验进行。7.3.2出厂检验的抽样
出厂捡验的抽样为:每台车必检,7.4判定规则
7.4.1型式检验
划式检验按以下现测进行判定:)如所抽样的产品均不合格,则判定型式试验末通过:如右台不合格,加倍抽查,如仍有不个格,则判定该批产品型或检验末通过。b)如产品及专用装置应格检项H中有项不合格,则判定该产品的型式检验不合格。7.4.2出厂检验
出厂恰验,如有不合格:购判楚检验未通过按验所
外规质
装剂质量
在尺整数
量参效
作业性能
整4生能试购
行骏试验
检验项目及要求
险验内齐
简线布置及排列
连接与调整
车外形于,轴唱、轮皓
双形染和块形状,传置接触尚菌防护装置
禁本整备质量和最大总质量
轴载成量
取力控制系新操作的可带性及灵活性液压油第渗漏情况
液压系经各节路港漏情泓
各洲缸仲缩灵括性
各液厌锁锁止可靠性
液倾御系统时示性能试验
提罐高度
起升负荷
龙门架最大倾翻角
各泊缸负载沉降量
龙门架空载举形牟最大倾距角的时间北门穿载从最大举升角下降到与龙门架支拳贴合内问
照明利信号装置
加速性能
滑行性能
制动性能
转向操件稳定性
近速染卢迎道
检查起动、转间、变速操作的灵活性检动的可性
价查各销车逆及运动湿店
道路行驶里程
拉成按验
茫:表凸\-}”表示应进行检验的项H:“二”表示不需要进行检验的项H出厂埃验
SY/T 5250-2008
技术要求
5. +. 4, 6.6
5. 4. 3. 6. 7
5. 4. 10,0.8
5. 4.7, 6. 4
5. 4. 11. 6. 4
5. 4. 22. 0. 4
5. 2. 3, 6. 2
5. 2. 2, 6.3
5. 2. 2, 6.31
5. 2. 2, 6. 3
5. 2. 2, 6.
5. 2. 10. 6. 5
5. 2. 2、 6. 9
5.2.2. 6.9
5. 2. 2. 6. 0
5. 2. 2. (h. 9
SY/T 5250—2008
8标志、包装,运输和购存
8.1棕志
8.1.1经检验合格的产品应在明品部位固定永久性保持的产品标牌,H标牌应符合B7258及G3/T18411的规定。标牌应包括以下内容:a)产品名称与型号:
b)底盘型号。
)发动机型号。
dl)发动机功率:
e)最大排量,
!)整备质量。
g)总质量,
h)车辆识别代号(VIN)。
”外形足。
j)出厂编号及日期
k)制造厂名称、厂址。
1)执行标准:
8.1.2外部标认有以下内容:
a)背罐车在车身前部外表前的易见部位上应至少装置一个能永久保持的商品商标。h)背護车在车身显著位胃成设胃水久性标识标制造厂的名称(可为简称)、商标、车型名称等信息如果标注商品圈形商标代结均充许的情况下,该标认应设置在车身尾部外表询的左右中间位置。)哲罐车应保留原底盘的商品商标、生产企业名称等。d)背罐车外部标识标江的内容应与车辆产品标牌、车辆整车出厂个格证明等文件标注的内容一致:8.1.3车穿反光标识规定如下:
a)总质量超过350kg的背罐车应在车后部设置车身反光标识,后部的车身反光标识应能体现格车后部宽度。车长不小于10m的背车应在侧面设置车身反光标识,侧面车身反光标识的总长度不应小于车长的0:
1)车身反光标认的粘贴技术规范及车身反光标认材料应符合GA406的规定。8.2包装
8.2.1产品采用裸装方式,随车技术文件及备件按CB/T7350防水包装;易脱落零件,易损件及随车工具按 GB/T 9174 的要来装人包装箱8.2.2每辆背罐车均应带下刻随车文件:a)产品合格证和底盘合格证。
h)使用说明。
c)随车备件、附件清单。
d)合同规定的其他技术文件:
8.3运输
背罐车采用裸装运输,在运输时,应能以凸驾驶的方式上,下车(船)。使用吊装方法装卸时:应采用专用币具。
8.4贮存
背罐车应停放在下燥通风的场地,存政期间及存放场所应采取和具备防水、防火、防冻、防锈蚀、防滑移等措施及设施,并按使用说明书的规定进行定期保养。
小提示:此标准内容仅展示完整标准里的部分截取内容,若需要完整标准请到上方自行免费下载完整标准文档。