首页 > 铁路运输行业标准(TB) > TB/T 3199.1-2018 电气化铁路接触网用绝缘子第1部分:棒形瓷绝缘子
TB/T 3199.1-2018

基本信息

标准号: TB/T 3199.1-2018

中文名称:电气化铁路接触网用绝缘子第1部分:棒形瓷绝缘子

标准类别:铁路运输行业标准(TB)

标准状态:现行

出版语种:简体中文

下载格式:.zip .pdf

下载大小:1970174

相关标签: 电气化铁路 接触网 绝缘子

标准分类号

关联标准

出版信息

相关单位信息

标准简介

TB/T 3199.1-2018.Insulators for overhead contact system of electrified railways-Part 1 :Long rod ceramic insulators.
1范围
TB/T 3199.1规定了工频单相交流25 kV电气化铁路接触网用棒形瓷绝缘子的使用环境,分类和型号,技术要求,检验方法,检验规则,标志、包装、运输和储存。
TB/T 3199.1适用于电气化铁路接触网用棒形瓷绝缘子(以下简称绝缘子)。
2规范性引用文件
下列文件对于本文件的应用是必不可少的。凡是注日期的引用文件,仅注日期的版本适用于本文件。凡是不注日期的引用文件,其最新版本(包括所有的修改单)适用于本文件。
GB/T 191包装 储运图示标志( eqv ISO 780: 1997)
GB/T311.1绝缘配合第1部分:定义、原则和规则
GB/T 772-2005高 压绝缘子瓷件技术条件
GB/T 1001.1-2003标称电压高于1000V的架空线路绝缘子第1部分:交流系统用瓷和玻璃绝缘子元件一定 义、试验方法和判定准则
GB/T 2900.8电工术语绝缘子
GB/T4585交流系统用高压绝缘子的人工污秽试验(IEC60507:1991,IDT)
GB/T 16927.1高电压试验技术第1部分:一般定义及试验要求
JB/T 9673绝缘子产 品包装
JB/T9674超声波探测瓷件内部缺陷
TB/T 2073电气化铁路接触网零部件技术 条件
TB/T 2074电气化铁路接触网零部件试验方法
3术语和定义
GB/T 772-2005. GB/T 1001. 1-2003、GB/T 2900. 8界定的术语和定义适用于本文件。
4使用环境
4.1 海拔小于或等于1 000 m,环境温度范围为-40℃~40℃
4.2当海拔大于1000m或环境温度高于40℃时,绝缘子的外绝缘特性应按照GB/T 311.1的规定进行修正。

标准图片预览

TB/T 3199.1-2018 电气化铁路接触网用绝缘子第1部分:棒形瓷绝缘子
TB/T 3199.1-2018 电气化铁路接触网用绝缘子第1部分:棒形瓷绝缘子
TB/T 3199.1-2018 电气化铁路接触网用绝缘子第1部分:棒形瓷绝缘子
TB/T 3199.1-2018 电气化铁路接触网用绝缘子第1部分:棒形瓷绝缘子
TB/T 3199.1-2018 电气化铁路接触网用绝缘子第1部分:棒形瓷绝缘子

标准内容

ICS29.280
中华人民共和国铁道行业标准
TB/T3199.1—2018
代替TB/T3199.1-2008
电气化铁路接触网用绝缘子
第1部分:棒形瓷绝缘子
Insulators for overhead contact system of electrified railways-Part 1:Long rod ceramic insulators2018-07-31发布
国家铁路局
2019-02-01实施
2规范性引用文件
术语和定义
使用环境
分类和型号
技术要求
检验方法
检验规则
标志、包装、运输和储存
TB/T3199.1—2018
TB/T3199《电气化铁路接触网用绝缘子》分为两个部分:第1部分:棒形瓷绝缘子;
第2部分:棒形复合绝缘子。
本部分为TB/T3199的第1部分。
本部分按照GB/T1.1一2009给出的规则起草。TB/T3199.1—2018
本部分代替TB/T3199.1一2008《电气化铁路接触网用绝缘子第1部分:棒形瓷绝缘子》。本部分与TB/T3199.1—2008相比,除编辑性修改外主要技术变化如下:修改了适用海拔范围(见第4章,2008年版的表2);修改了绝缘子分类与型号(见5.1、5.2,2008年版的3.1、3.2);一修改了人工污移试验要求(见表6.4,2008年版的表2);修改了检验规则的分类(见7.2,2008年版的6.2);一修改了检验项目(见表8,2008年版的表4、表5、表7);删除了弯曲破坏负荷4kN的棒形腕臂瓷绝缘子相关要求(见2008年版的3.1):-删除了瓷件的性能要求(见2008年版的4.3.1、4.3.2、4.3.3);删除了金属附件的性能要求(见2008年版4.3.7);一删除了绝缘子端部金属附件结构尺寸及偏差(见2008年版附录A);一删除了金属附件射线探伤检查方法(见2008年版附录B):一删除了绝缘子高海拔额定电压的校验(见2008年版附录C);增加了弯曲破坏负荷20kN、25kN,爬电距离1400mm、1600mm的棒形腕臂瓷绝缘子(见6.2.1、6.3.16.4);
增加了弯曲破坏负荷16kN、20kN,爬电距离1200mm、1400mm、1600mm的棒形支柱瓷绝缘子要求(见6.2.2、6.3.2、6.4);一增加了拉伸破坏负荷70kN、100kN爬电距离1400mm、1600mm的棒形悬式瓷绝缘子要求(见6.2.3、6.3.3、6.4)。
本标准由中铁电气化局集团有限公司提出并归口。本部分起草单位:中国铁路设计集团有限公司、中国铁道科学研究院集团有限公司机车车辆研究所、中铁电气化局集团有限公司、中铁电气化勘测设计研究院有限公司、江苏南瓷绝缘子股份有限公司、江西新航电气化绝缘子制造有限公司。本部分主要起草人:韩凌青、郭晨曦、高、杨广英、黄岳群、主作祥、刘少华、郭伟功。本部分所代替标准的历次版本发布情况为:TB/T2076—1989TB/T2076—1998;TB/T3199.1—2008。
1范围
电气化铁路接触网用绝缘子
第1部分:棒形瓷绝缘子
TB/T3199.1-2018
本部分规定了工频单相交流25V电气化铁路接触网用棒形瓷绝缘子的便用环境,分类和型号技术要求,检验方法,检验规则,标志、包装、运输和储存。本部分适用于电气化铁路接触网用棒形瓷绝缘子(以下简称绝缘子)。2规范性引用文件
下列文件对于本文件的应用是必不可少的。凡是注日期的引用文件,仅注日期的版本适用于本文件。凡是不注日期的引用文件,其最新版本(包括所有的修改单)适用于本文件。GB/T191包装储运图示标志(eqvIS0780:1997)GB/T311.1绝缘配合第1部分:定义、原则和规则GB/T772一2005高压绝缘子瓷件技术条件GB/T1001.1一2003标称电压高于1000V的架空线路绝缘子第1部分:交流系统用瓷和玻璃绝缘子元件一定义、试验方法和判定准则GB/T2900.8电工术语绝缘子
交流系统用高压绝缘子的人工污移试验(EC60507:1991,IDT)GB/T4585
GB/T16927.1高电压试验技术第1部分:一般定义及试验要求绝缘子产品包装
JB/T9673
JB/T9674
4超声波探测瓷件内部缺陷
TB/T2073
电气化铁路接触网零部件技术条件TB/T2074电气化铁路接触网零部件试验方法3术语和定义
GB/T772—2005、GB/T1001.1—2003、CB/T2900.8界定的术语和定义适用于本文件。4使用环境
4.1海拔小于或等于1000m,环境温度范围为-40℃~40℃。4.2当海拨大于1000m或环境温度高于40℃时,绝缘子的外绝缘特性应按照CB/T311.1的规定进行修正。
4.3其他特殊使用环境条件下的绝缘子要求由供需双方协商确定。5分类和型号
5.1分类
绝缘子按结构形式分为棒形腕臂瓷绝缘子、棒形支柱瓷绝缘子、棒形悬式瓷绝缘子三类。5.2型号
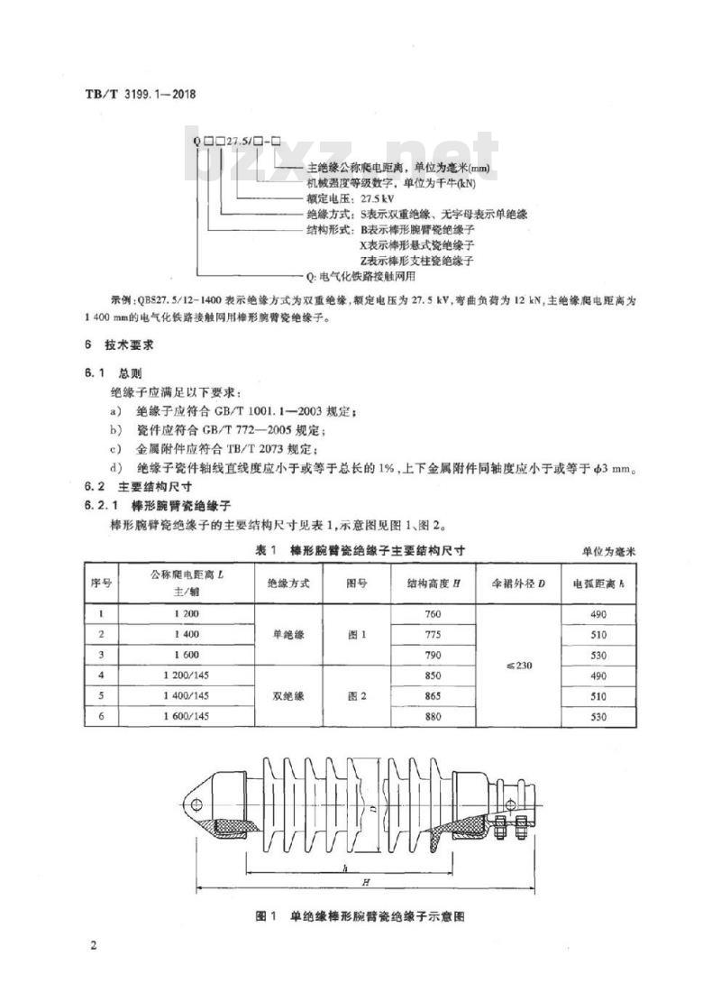
绝缘子型号表示方法如下:
TB/T3199.1—2018
Q口□27.5/0-0
主绝缘公称爬电距离,单位为毫米(mm)机械强度等级数字,单位为千牛(kN)额定电压:27.5kV
绝缘方式:S表示双重绝缘、无字母表示单绝缘结构形式:B表示棒形腕臂瓷绝缘子X表示棒形悬式瓷绝缘子
Z表示棒形支柱瓷绝缘子
Q:电气化铁路接触网用
示例:QBS27.5/12-1400表示绝缘方式为双重绝缘,额定电压为27.5kV,弯曲负荷为12kN,主绝缘爬电距离为1400mm的电气化铁路接触网用棒形腕臀瓷绝缘子。6技术要求
6.1总则
绝缘子应满足以下要求:
绝缘于应符合GB/T1001.1—2003规定;a)
瓷件应符合GB/T772—2005规定;b)
c)金属附件应符合TB/T2073规定:d)绝缘子瓷件轴线直线度应小于或等于总长的1%,上下金属附件同轴度应小于或等于Φ3mm。6.2主要结构尺寸
6.2.1棒形腕臂瓷绝缘子
棒形腕臂瓷绝缘子的主要结构尺寸见表1,示意图见图1、图2。表1棒形腕臂瓷绝缘子主要结构尺寸序号
公称鹿电距离L
主/辅
1200/145
1400/145
1600/145
绝缘方式
单绝缘
双绝缘
结构高度H
图1单绝缘棒形腕臂瓷绝缘子示意图伞裙外径D
≤230
单位为毫米
电弧距离
898888888
6.2.2棒形支柱瓷绝缘子
图2双绝缘棒形腕臂瓷绝缘子示意图棒形支柱瓷绝缘子的主要结构尺寸见表2,示意图见图3。表2棒形支柱瓷绝缘子主要结构尺寸序号
公称爬电距离L
结构高度H
伞裙外径D
≤230
注:导线孔直径及数量、底座孔间距及数量、伞裙正装、倒装等结构形式按需要确定。RM
图3棒形支柱瓷绝缘子示意图
6.2.3棒形悬式瓷绝缘子
棒形悬式瓷绝缘子的主要结构尺寸见表3,示意图见图4。表3棒形悬式瓷绝缘子主要尺寸
公称爬电距离L
结构高度H
伞裙外径D
≤230
图4棒形悬式瓷绝缘子示意图
TB/T3199.1—2018
单位为毫米
电弧距离h
单位为毫米
电弧距离h
TB/T3199.1—2018
6.3机械性能
6.3.1棒形腕臂瓷绝缘子
棒形腕臂瓷绝缘子机械性能见表4。表4棒形腕臂瓷绝缘子机械性能
机械强度等级
棒形支柱瓷绝缘子
棒形支柱瓷绝缘子机械性能见表5。最小机核破坏负荷
低温弯曲
表5棒形支柱瓷绝缘子机械性能
机械强度等级
棒形悬式瓷绝缘子
棒形悬式瓷绝缘子机械性能见表6。弯曲
低温拉伸
最小机械破坏负荷
低温弯曲
棒形悬式瓷绝缘子机械性能
机械强度等级
6.4电气性能
最小拉伸破坏负荷
绝缘子的电气性能应符合表7规定。表7
棒形瓷绝缘子电气性能
标准雷电
肥电距离
1200mm
1400mm
1600mm
冲击酮受电压
(峰值)
工频耐受电压(有效值)
灰密1mg/em
单位为于牛
最小清动负荷
单位为于牛
单位为千牛
最小低温拉伸破坏负荷
单位为千伏
人工污移工频耐受电压
灰密2mg/cm
盐密0.1mg/cm
盐密0.3mg/cm
灰密2mg/cm
盐密0.35mg/cm
7检验方法
7.1外观、尺寸、形位公差、爬电距离及孔隙性检验按CB/T1001.1—2003进行。TB/T3199.1-2018
7.2工频干耐受电压试验、工频湿耐受电压试验、标准雷电冲击耐受电压试验按GB/T16927.1进行,人工污移的试验按GB/T4585进行。7.3温度循环试验按GB/T1001.1—2003中24.1进行。7.4弯曲负荷试验:进行弯曲负荷试验时,首先将上金属附件插孔安装在相应的金具上固定,然后在下金属附件单耳上施加弯曲负载,加载到额定破坏负荷的80%保持10再卸载。将绝缘子转90°方向,按上述步骤再做一次弯曲负载试验,加载到额定破坏负荷或直到破坏。7.5拉伸负荷试验:将绝缘子上金属附件插孔安装在相应直径的金具上固定,然后在单耳销孔上施加拉伸负载进行拉伸负荷试验。
7.6滑动负荷试验:将绝缘子上金属附件(凸台压板或销钉连接结构)安装在相应的金具上固定施加拉伸负载进行滑动负荷试验。
7.7低温弯曲及拉伸负荷试验:将绝缘子置于低温试验箱内,并降温至-40℃,稳定静置保持8h,立即按7.4进行低温弯曲负荷试验;或立即按7.5进行低温拉伸负荷试验。7.8锌层试验按TB/T2074的要求进行。7.9逐只机械负荷试验机械负荷为额定负荷的60%。瓷件超声波检验按JB/T9674的要求执行。7.10
金属附件探伤按TB/T2074的要求进行。8检验规则
8.1出厂检验
出厂检验包括逐个检验及抽样检验,抽样检验的试品应从逐个检验合格的批次中随机抽取。8.2型式检验
绝缘子在如下情况之一时应进行型式检验:a)新产品试制定型鉴定;
正式生产后,产品的结构、原材料配方、工艺有较大改变,可能影响产品性能时:出厂检验结果与上次型式检验结果有较大差异时;c)
d)连续生产满五年;
e)产品停产满两年,恢复生产时。若有等效的机械或电气试验报告,可以不进行机械或电气型式检验:等效的含义参照GB/T1001.1—2003的规定执行。
8.3检验项目
绝缘子的检验项目见表8,机械破坏负荷实验计量一次抽样接收常数见表9,抽样检验抽样数量见表10,型式检验抽样数量见表11。表8
尽寸检查
检验项目
外观检查
尺寸及形位公差检查
爬电距高检查
棒形瓷绝缘子检验项目
出厂检验
抽样试验
逐个试验
技术要求
对应条款
检验方法
对应条款
TB/T3199.1—2018
电气试验
机械试验
孔隙性试验
检验项目
棒形瓷绝缘子检验项目(续)
标准雷电冲击耐受电压试验
工频干耐受电压试验
工频湿耐受电压试验
人工污移工颗耐受电压试验
温度循环试验
逐只机械负荷试验\
弯曲破坏负荷试验
拉伸破坏负荷试验
清动负荷试验
低温弯曲负荷试验”
低温拉伸负荷试验
瓷件超声波检验
金属附件探伤*
锌层试验此内容来自标准下载网
出厂检验
抽样试验
注:“V\表示需进行此项试验;“一\表示不需进行此项试验。“逐只机械负荷为额定负荷的60%。仅适用于棒形腕臂瓷绝缘子和形支柱瓷绝缘子。“仅适用于棒形腕臂瓷绝缘子和棒形悬式瓷绝缘子。滑动负荷试验适用于棒形腕肾瓷绝缘子。逐个试验
使用环境温度低于-20℃时进行低温试验,其他情况由供需双方协商。“适用于装配前的瓷件。
“适用于装配前的铸造金属附件。表9机械破坏负荷实验计量一次抽样接收常数K值接收常数
检验项目
尺寸及形位公差检查
温度循环试验
拉伸破环负荷试验
样本容量
表10·棒形瓷绝缘子抽样试验抽样数量批量小于或等于500个时的样本容量4(8)
4(8)
技术要求
对应条款
检验方法
对应条款
批量为501个~1200个时的样本容量6(12)
检验项目
弯曲破坏负荷试验
孔隙性试验
锌层试验
滑动负荷试验
低温弯曲负荷试验
低温拉伸负荷试验
棒形瓷绝缘子抽样试验抽样数量(续)批量小于或等于500个时的样本容量2
注:括号内数值为含低温试验时抽样数量。表11
检验项目
外观、尺寸及形位公差检查
标准雷电冲击耐受电压试验
工频干耐受电压试验
工频湿耐受电压试验
人工污移工频耐受电压试验
温度循环试验
拉伸破坏负荷试验
弯曲破坏负荷试验
孔隙性试验
锌层试验
滑动负荷试验
低温弯曲负荷试验
低温拉伸负荷试验
金属附件探伤
标志、包装、运输和储存
9.1.1绝缘子上标志
绝缘子上应清晰永久标明:
制造商名称或商标;
额定机械负荷;
制造年份、批号。
外包装标志
绝缘子的外包装应标明:
制造商名称或商标;
额定机械负荷;
制造年份、批号;
包装体总重量;
TB/T3199.1-2018
批量为501个~1200个时的样本容量3
棒形瓷绝缘子型式试验抽样数量试品数量
需绝缘子12个
经项目1试验后的3个
经项目2试验后的3个
经项目3试验后的3个
经项目4试验后的3个
全部绝缘子12个
经项目6试验后的3个
经项目6试验后的3个
经项目7、8试验后瓷块各一块
单独金属附件3个
单独绝缘子3个
单独绝缘子3个
单独绝缘子3个
TB/T3199.1-2018
e)“小心轻放”“瓷件”等字样或指示标记。9.2包装、运输和储存
绝缘子的包装应符合CB/T191及JB/T9673绝缘子产品包装的有关规定,绝缘子的包装应保证在正常运输过程中不致因包装不良而使绝缘子损坏。绝缘子应储存在通风良好、干燥的仓库或场地上,不宜放在潮湿或有腐蚀性气体附近,以防止附件镀锌层被腐蚀。
中华人民共和国
铁道行业标准
电气化铁路接触网用绝缘子
第1部分:棒形瓷绝缘子
Insulators for overhead contact system of electrified railways-Partl:Longrod ceramicinsulatorsTB/T3199.12018
中国铁道出版社出版、发行
(100054,北京市西城区右安门西街8号)读者服务部电话:市电(010)51873174,路电(021)73174北京虎彩文化传播有限公司
版权专有慢权必究
开本:880mmx1230mm
2018年12月第1版
印张:1字数:17千字
2018年12月第1次印刷
51135573
定价:10.00元
小提示:此标准内容仅展示完整标准里的部分截取内容,若需要完整标准请到上方自行免费下载完整标准文档。