首页 > 铁路运输行业标准(TB) > TB/T 2809-2017 电气化铁路用铜及铜合金接触线
TB/T 2809-2017

基本信息

标准号: TB/T 2809-2017

中文名称:电气化铁路用铜及铜合金接触线

标准类别:铁路运输行业标准(TB)

标准状态:现行

出版语种:简体中文

下载格式:.zip .pdf

下载大小:4209653

相关标签: 电气化铁路 铜合金 接触

标准分类号

关联标准

出版信息

相关单位信息

标准简介

TB/T 2809-2017.Copper and copper alloy contact wires for electric railway.
1范围
TB/T 2809规定了电气化铁路用铜及铜合金接触线(简称接触线)产品的术语和定义、产品分类、技术要求、检验方法、检验规则、包装及标志和储运。
TB/T 2809适用于电气化铁路接触网用的铜及铜合金接触线。
城市轨道交通及工矿企业架空接触网用的接触线也可参照使用本标准。
2规范性引用文件
下列文件对于本文件的应用是必不可少的。凡是注日期的引用文件,仅注日期的版本适用于本文件。凡是不注日期的引用文件,其最新版本(包括所有的修改单)适用于本文件。
GB/T 467-2010阴极
3术语和定义
下列术语和定义适用于本文件。
接触线contact wire
电气化铁路架空接触网中与机车受电弓滑板相接触并传输电流的导线。
4产品分类
4.1 型号
接触线产品型号按铜及其合金元素类别、抗拉强度等级及标称截面积分类,用下列形式表示。
4.2标记
产品标记以型号、材料名称、“接触线”及本标准号组成。
示例:CTA120铜银合金接触线TB/T 2809-2017。
5材料
接触线用铜应采用不低于GB/T467--2010中的标准阴极铜(Cu-CATH-2)。
铜及铜合金接触线应由铜及相应的合金元素制成,其化学成分范围应符合表1的规定。
6技术要求
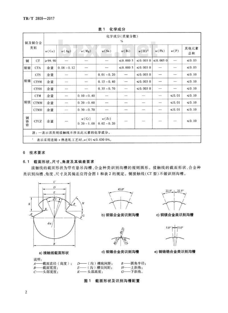
6.1 截面形状、尺寸、角度及其偏差要求
接触线的截面形状为带有悬吊沟槽、合金种类识别沟槽的规则圆形。接触线的截面形状、合金种类识别沟槽、角度、尺寸及其偏差应符合图1和表2的规定。铜接触线(CT型)不做识别沟槽。

标准图片预览

TB/T 2809-2017 电气化铁路用铜及铜合金接触线
TB/T 2809-2017 电气化铁路用铜及铜合金接触线
TB/T 2809-2017 电气化铁路用铜及铜合金接触线
TB/T 2809-2017 电气化铁路用铜及铜合金接触线
TB/T 2809-2017 电气化铁路用铜及铜合金接触线

标准内容

ICS29.280
中华人民共和国铁道行业标准
TB/T2809-2017
代替TB/T2809—2005
电气化铁路用铜及铜合金接触线Copper and copper alloy contact wires for electric railway2017-10-12发布
国家铁路局
2018-05-01实施
规范性引用文件
术语和定义
产品分类
技术要求
检验方法
检验规则及结果判定
包装及标志
参考文献
..a....a..4.
TB/T2809—2017
TB/T2809-2017
本标准按照GB/T1.1一2009给出的规则起草。本标准代替TB/T2809—2005《电气化铁道用铜及铜合金接触线》。与TB/T2809—2005相比,除编辑性修改外,本标准主要技术变化如下:一删除了普通强度铜银合金接触线品种(见2005年版的表3);删除了铜及铜合金接触线中85mm2、110mm2的规格(见2005年版的表3);删除了振动、疲劳试验的试验张力值(见2005年版的6.2.2);删除了制造长度(见2005年版的6.4);删除了数值修约间隔(见2005年版的7.1.5);删除了验收(见2005年版的7.2);删除了线盘(见2005年版的8.1);修改了型号编订规则(见4.1,2005年版的4.1);-增加了铜铬锆合金接触线品种(见表1):修改了铜银、铜锡、铜镁合金接触线的机电性能(见表3,2005年版的表3);增加了铜锡合金接触线品种(见表3);增加了铜镁合金接触线品种(见表3):增加了室内载流量要求(见6.6);增加了室内平直度要求(见6.7);增加了室内磨耗要求(见6.8);增加了内部质量要求(见6.9):修改了接触线的检验方法(见第7章,2005年版的第7章);修改了接触线的检验规则及结果判定(见第8章,2005年版的第8章)。本标准由中铁电气化局集团有限公司提出并归口。本标准主要起草单位:中国铁道科学研究院标准计量研究所、中铁电气化局集团有限公司、北京赛尔克瑞特电工有限公司、中铁建电气化局集团康远新材料有限公司。本标准参加起草单位:沈阳北恒新材料有限公司、江阴市电工合金有限公司、烟台金晖铜业有限公司。
本标准起草人:杨广英、徐超、宋瑞、张海波、高鸣、王作祥、张强。本标准所代替标准的历次版本发布情况:TB/T2809—1997,TB/T2809—2005;TB/T2810—1997;
TB/T2821-1997。
1范围
电气化铁路用铜及铜合金接触线TB/T2809-2017
本标准规定了电气化铁路用铜及铜合金接触线(简称接触线)产品的术语和定义、产品分类、技术要求、检验方法、检验规则、包装及标志和储运。本标准适用于电气化铁路接触网用的铜及铜合金接触线。城市轨道交通及工矿企业架空接触网用的接触线也可参照使用本标准。2规范性引用文件
下列文件对于本文件的应用是必不可少的。凡是注日期的引用文件,仅注日期的版本适用于本文件。凡是不注日期的引用文件,其最新版本(包括所有的修改单)适用于本文件。GB/T467—2010阴极铜
3术语和定义
下列术语和定义适用于本文件。接触线contact wire
电气化铁路架空接触网中与机车受电弓滑板相接触并传输电流的导线。4产品分类
4.1型号
接触线产品型号按铜及其合金元素类别、抗拉强度等级及标称截面积分类,用下列形式表示。cOOO
规格:标称截面积数值(平方毫米)。强度等级:铜、铜银合金、铜铬锆合金:省略;铜锡合金、铜镁合金:低一(省略);中一M;高一H。材料:铜—T:铜银合金一TA;铜锡合金一TS铜镁合金一TM;铜铬锆合金一TCZ。接触线。
示例1:120mm2铜接触线表示为CT120;示例2:120mm2铜银合金接触线表示为CTA120;示例3:120mm2低强度铜锡合金接触线表示为CTS120;示例4:150mm2中强度铜锡合金接触线表示为CTSM150;示例5:150mm2高强度铜镁合金接触线表示为CTMH150;示例6:150mm铜铬锆合金接触线表示为CTCZ150。4.2标记
产品标记以型号、材料名称、“接触线”及本标准号组成。示例:CTA120铜银合金接触线TB/T2809—2017。5材料
接触线用铜应采用不低于GB/T467—2010中的标准阴极铜(Cu-CATH-2)。铜及铜合金接触线应由铜及相应的合金元素制成,其化学成分范围应符合表1的规定。1
TB/T2809—2017
铜及铜合金
0.08~0.12
0.10~0.40
0.20~0.60
0.30~0.70
0.20~1.00
表1化学成分
化学成分(质量分数)
0.01~0.20
0.15~0.40
0.35~0.70
0.02-0.20
注:一表示该类别接触线不涉及此元素的化学成分。表示采用连铸+热连轧工艺时,w(0)≤0.0300%。技术要求
6.1截面形状、尺寸、角度及其偏差要求w(Bi)
≤0.0005
≤0.0005
≤0.0030
≤0.0030Www.bzxZ.net
≤0.0030
≤0.0030
≤0.0050
其他元素
接触线的截面形状为带有悬吊沟槽、合金种类识别沟槽的规则圆形。接触线的截面形状、合金种类识别沟槽、角度、尺寸及其偏差应符合图1和表2的规定。铜接触线(CT型)不做识别沟槽。45.09
b)铜银合金类识别沟槽
a)接触线截面形状
说明:
一截面直径(高度):
一截面宽度;
头部宽度:
d)铜锡合金类识别沟槽
(沟)槽底间距;
一(沟)槽尖间距;
头部高度:
圆角半径:
一上斜角;
下斜角。
截面形状及识别沟槽配置
c)铜镁合金类识别沟槽
e)铜铬锆合金类识别沟槽
标称截面积
计算截面积
12.908.13
14.40*0.1
12.90±8.28
14.40*0.29
实际面积允许偏差为计算截面积的±2%6.2
常规机电性能
规格、尺寸、角度
尺寸及公差
9.76 8.28
9.71-8.19
接触线的常规机电性能应符合表3的规定。表3
抗拉强度
≥360
≥370
≥380
≥430
≥500
≥530
≥560
软化率
≥90%
≥90%
≥90%
≥90%
≥90%
≥95%
伸长率
(未软化)
反复弯曲
7.24 8.72
常规机电性能
扭转圈数
(至断开)
卷绕圈数
导电率
(20℃)%
表中抗拉强度均为150mm截面时的规格,120mm截面抗拉强度增加2%:接触线最小拉断力=抗拉强度×计算截面积的98%;R
TB/T2809-2017
角度及公差
279±10
27°±1°
电阻率(20℃)
≤0.01777
≤0.01777
≤0.01854
≤0.02155
≤0.02535
≤0.02653
≤0.02299
51°±1°
51°±1°
电阻温度
单位质量=密度x计算截面积,铜、铜银合金、铜镁合金密度为8.89g/cm,铜锡合金,铜铬锆合金密度为8.92/cm6.3
振动,疲劳试验要求
试样在规定的试验张力(根据接触线额定工作张力或用户要求确定)条件下,经受振动和疲劳试验,试验后应无断裂,且拉断力值不应小于最小拉断力的95%。6.4横向晶粒尺寸要求
接触线的横向晶粒尺寸因坏杆制造工艺不同而不同,应符合表4的规定。用户对此如有明确要求应在订货合同中予以注明
表4横向晶粒尺寸
铜及铜合金
铜、铜银、铜锡、铜镁
铜、铜银、铜铝
铜、铜银、铜锡、铜镁
铜铬锆
坏杆制造工艺
上引或水平连铸+连续挤压或其他细化晶粒工艺连铸+热连轧
上引或水平连铸
水平连铸+热连轧+析出强化
注:横向晶粒尺寸值为晶粒平均面积折算为等值圆的直径值。横向晶粒尺寸
TB/T2809—2017
5线膨胀系数及杨氏模量
各种型号接触线在20℃时的线膨胀系数为1.7×10-51/K,杨氏模量为120GPa。6.6
载流量要求
载流量试验包括持续载流量试验和20min过载载流量试验,室内载流量值应符合表5的规定,室外载流量值宜参照表5。
表5持续载流量室内值及室外值
铜合金
接触线型号
接触线规格
铜铬锆
注:一表示此项不需要考核。
6.7平直度要求
最高允许工作温度
150℃
单位为安
接触线应平直,不应有硬点和硬弯,平直度平均值小于或等于0.10mm,最大值小于或等于0.20mm。
6.8磨耗性能要求
接触线要有良好的耐磨性能,其性能指标应符合表6的规定。表6
磨耗性能要求
检验项目
接触线磨耗比
滑板重量磨耗比
内部质量要求
mm2/万弓架次
8/万机车公里
试验用纯碳滑板
≤200
试验用浸金属碳滑板
或其他复合基碳滑板
≤350
接触线不应有焊接接头,内部不应有夹层、冷隔、疏松、缩孔、气孔或夹杂等缺陷。6.10外观及卷取要求
接触线表面应清洁、光滑,无裂纹,伤痕、毛刺,折边,硬弯,扭曲等缺陷。接触线应大圆弧面面向盘芯整齐紧密地卷绕在线盘上,接触线断面垂直中心线应与线盘轴线垂直,每一层的匝间不应有间隙,不应有扭转、交叉、跳线现象,层间应垫衬电缆纸。接触线的内端头应伸出侧板或筒体,牢固固定在线盘上;外端应固定在线盘侧板内侧。4
7检验方法
7.1外观质量检查
以目力检查为主,必要时使用10倍放大镜察看试样。7.2尺寸、角度、横截面积、密度检测7.2.1尺寸与角度检测
接触线尺寸测量参照GB/T4909.2进行。TB/T2809—2017
应将制好的接触线横截面薄片在工具显微镜、投影仪或其他设备上测量角度及尺寸。7.2.2密度与横截面积检测
参照GB/T3048.2,制备长度为40mm的试样,用浮力法测量接触线的密度,然后计算横截面积。7.3电阻率、导电率试验
参照GB/T3048.2,采用双臂电桥用四端法测量。测量前将试样在20℃±0.5℃恒温环境静置24h。测量时,试样装在夹具上,施加8A电流。为消除热电势的影响,采用倒换电源正负极性取平均值的方法测量。若试样表面有脏污或锈蚀,需用酒精棉或细砂纸处理后再测量。若环境温度不满足20℃±0.5℃(但环境温度仍需控制在20℃±5℃范围内),应按照电阻温度系数换算至20℃时的电阻、电阻率或导电率,电阻温度系数如表3所示。7.4拉断力、抗拉强度及伸长率试验参照GB/T4909.3,试样标距长度为250mm,以20mm/min的速度单向拉伸直至拉断,记录拉断力值,计算抗拉强度。拉断力值是指接触线拉断过程中的最大力值。将断后接触线两断口对齐后用游标卡尺测量断后长度,然后计算伸长率。7.5软化后拉断力试验
将试样放置温度为300℃±5℃的恒温箱中保温2h后,取出试样,自然冷却至室温,按7.4试验方法进行拉断力试验。
7.6扭转试验
参照CB/T4909.4,试样标距为250mm,试验过程中施加张力为额定拉断力的1%,扭转试验速度为1r/min~10r/min,单方向扭转360°为1圈,直至达到规定的圈数或试样扭断为止,记录扭转圈数。7.7反复弯曲试验
参照CB/T4909.5,将试样安装并夹紧,使弯曲点固定,弯曲半径为30mm。开始试验时先弯向小圆弧面,以试样弯曲180°(即从原始位置开始再回到原始位置)计为1次,试验速度不大于30次/min。试验过程中仔细观察弯曲点,记录试样出现长度约为5mm、深度约为1mm裂纹时的次数为“裂的次数”,试样完全断开时的次数为“断的次数”。7.8卷绕试验
参照GB/T4909.7,铜及铜银合金接触线的卷绕芯棒直径为ΦA,铜锡、铜镁及铜铬锆合金接触线的卷绕芯棒直径为2ΦA。开始试验时小圆弧面朝外,大圆弧面向内均匀卷绕3圈,试样表面应无裂纹、起皮、开裂等现象。试验速度不大于10r/min。7.9载流量试验
试验在室内进行,无风、无日照,周围应无影响散热的物体。持续载流量1:将长度为6m的试样安装在试验架上,施加10kN张力,采用带补偿的热电偶作测温传感器,将热电偶(不少于5只)均勾敷设在接触线上,施加试验电流,每隔30min测量一次温度,连续3次测量的温度与最高允许工作温度T之差不大于1℃时,此时电流值即为该环境温度下持续载流量「。若测量接触线上温度与最高允许工作温度T相差较大时,需降至室温调整电流后重新再做试验。20min过载载流量12o:对试样先施加60%的持续载流量电流值,经0.5h后按照约1.13倍持续载流量电流施加过载电流,待20min后,且温度达到同样最高允许工作温度T,此时电流值即为该环境温5
TB/T2809—2017
度下20min过载载流量120若测量接触线上温度与最高允许工作温度T相差较大时,需降至室温调整电流后重新再做试验。
将测量结果换算为环境温度40℃下的相应值1。。换算按式(1)~式(3)进行。I=kla
式中:
环境温度40℃下的持续载流量;1一室温T。条件下测定的持续载流量;k—温度换算系数。
120 = k/20
式中:
120—环境温度40℃下的过载载流量;120
室温T。条件下测定的过载载流量。k
式中:
T——最高允许工作温度;
T。室温。
7.10振动、疲劳试验
T-T。
(2)
参照TB/T2074,振动试验与疲劳试验采用同一试样长度6m,试验顺序不分先后。将长度为6m的试样通过终端锚固线夹安装在振动试验场、疲劳试验台,张力F应符合规定。振动参数为:当张力小于或等于25kN施加的试验张力为1.10F,张力大于25kN施加的试验张力为1.05F;也可采用用户推荐值。振幅A=35mm、频率f=2Hz~4Hz、波形为正弦波。振动试验次数为2×10°次。疲劳试验参数为:动态试验张力F±30%F,频率f=1Hz~3Hz、波形为正弦波。疲劳试验次数为5×10°次。试验过程中定期巡视,发现有断线、表面出现开裂等异常情况应停止试验。7.11平直度检测
采用非接触式图像测量装置连续测量接触线工作面平直度值,首先标定测量平台基线,然后用高速摄像头连续测量试样上各点的相对高度,通过数据处理测量接触线距基线的距离,即为平直度。也可将试样安装在卧式拉力机或专用试验台上,安装时应将其自然拉直,防止人为造成硬点、硬弯。按照额定工作张力或用户要求对试样施加试验张力,并保持此张力。从距离试验机夹头约0.5m处开始做标记,每隔200mm一个标记,共20个测量点。用量程为600mm的水平尺、塞尺等测量平直度值。测量时,水平尺两个端点与相距600mm的两个标记点重合,测量中间两标记点的平直度值,水平尺顺次移动一个标记点连续测量。7.12磨耗试验
参照TB/T1842,磨耗试验宜在高速弓网关系试验台上进行,试验条件应满足表7的规定。表7试验条件
接触线
CT,CTA
适用速度等级
≥200
试验电流
参照表5室内持续
载流量值
弓线间静态正压力
70±10
试验弓架次数
2×105
试验用滑板
纯碳滑板
浸金属碳滑板或其他
复合基碳滑板
接触线
适用速度等级
≥300
试验电流
参照表5室内持续
载流量值
3横向晶粒尺寸检验
表7(续)
弓线间静态正压力
70±10
试验弓架次数
2×105
TB/T2809—2017
试验用滑板
纯碳滑板
浸金属碳滑板或其他
复合基碳滑板
参照YS/T347,制取垂直于接触线轴线方向的横向金相试样,在放大100倍的显微镜下进行全面观察,选择有代表性的视场与YS/T347标准评级图片比较,或采用面积法或截距法得出试样的横向晶粒尺寸值。
7.14化学成分检测
参照GB/T5121中的相应部分进行分析测定。7.15内部质量检验
通过观察试样破坏后断口判断接触线是否存在夹层、冷隔、疏松、缩孔、气孔或夹杂等缺陷,必要时可进行扫描电镜检查:也可参照TB/T2074对接触线试样进行射线探伤检验。8检验规则及结果判定
检验规则
应按表8的规定对接触线进行检验。表8检验内容
检验项目
外观及卷取
拉断力
抗拉强度
伸长率
软化后拉断力
反复弯曲
振动、疲劳试验后的
拉断力
电阻率
检验类型
型式检验
出厂检验
技术要求
对应条款
6.1、表2
6.1、表2
6.2、表3
6.2、表3
6.2、表3
6.2、表3
6.2、表3
6.2、表3
6.2、表3
6.2、表3
检验方法
对应条款
TB/T2809—2017
检验项目
导电率
横向晶粒尺寸
化学成分
室内载流量
平直度
接触线磨耗比
内部质量
表8(续)
检验类型
型式检验
注:V表示此项需要检验,一表示此项不需要检验。8.2检验分类
产品检验分为型式检验和出厂检验。出厂检验
技术要求
对应条款
6.2、表3
6.4、表4
5、表1
6.6、表5
6.8、表6
检验方法
对应条款
型式检验:规定为每3年至5年进行一次:有下列情形之一时,一般应进行型式检验:a)产品定型;
正式生产后,如结构、材料、工艺等有较大改变可能影响产品性能时:b)
停产一年及以上,恢复生产时;c)
出厂检验结果与上次型式试验有较大差异时。d)
出厂检验:对全部产品进行的试验。8.3检验结果的判定
A类不合格项点判定数为[0,1],其中角度判定为[4;1,2];B类不合格项点判定数为[2,3],其中尺寸判定为[4;2,3];在A类、B类分别判定基础上进行综合判定,判定方案为[0,1]。包装及标志
9.1包装
9.1.1包装要求
成盘的接触线外面应包覆防潮、防腐、防水材料,然后用硬质材料包装牢固,应能承受正常吊装、运输中可能出现的碰撞。
除非合同注明,每个线盘只允许卷绕一根接触线。9.1.2随带文件
每盘接触线应附有以下随带文件:产品合格证;
出厂检验报告。
上述文件中应标明:产品的名称、型号、本标准号、长度、净重、出厂编号、生产日期、锚段号(合同如有要求)。
9.2标志
每盘接触线线盘上应有产品铭牌,标明以下内容:产品名称:
产品型号;
制造标准号:
长度:
毛重及净重(kg);
出厂编号及生产日期(年、月、日);一产品锚段号(如合同有要求);制造厂名、地址、网址、电话;收线张力;
-线盘外侧应标有接触线放出的箭头。储运
运输中不应从高处抛下装有接触线的线盘,严禁机械损伤产品表面。TB/T2809—2017
线盘不允许平放及平放方式吊装及运输,应有防止运输时线盘滚动的措施,以防线盘损坏及接触线排序混乱。
线盘滚动方向应与放线箭头方向相反。9
小提示:此标准内容仅展示完整标准里的部分截取内容,若需要完整标准请到上方自行免费下载完整标准文档。