首页 > 铁路运输行业标准(TB) > TB/T 2333-2010 液压复轨器
TB/T 2333-2010

基本信息

标准号: TB/T 2333-2010

中文名称:液压复轨器

标准类别:铁路运输行业标准(TB)

标准状态:现行

出版语种:简体中文

下载格式:.zip .pdf

下载大小:2395682

相关标签: 液压

标准分类号

关联标准

出版信息

相关单位信息

标准简介

TB/T 2333-2010.Hydraulic rerailer.
1范围
TB/T 2333规定了液压复轨器的系列,性能参数、技术要求、检查内容与试验方法、标志及包装等内容。
TB/T 2333适用于自行式轨道作业机械脱轨后恢复其运行状态时复轨用手动或机动液压复轨器。铁路机车、车辆可参照使用。
2规范性引用文件
下列文件对于本文件的应用是必不可少的。凡是注8期的引用文件,仅所注日期的版本适用于本文件。凡是不注日期的引用文件,其最新版本(包括所有的修改单)适用于本文件。
GB/T 3766液压 系统通用技术条件
CB/T 7631. 2润滑剂、工业用油和有关产品(L类)的分类第2 部分:H组(液压系统)
TB/T 1580新造机车车辆焊接技术条件
TB/T 1854铁路线 路机械产品型号编制方法
3术语与定义
本文件采用下列术语和定义。
3.1复轨器rerailer
自行式轨道作业机械脱轨后恢复其运行状态的自行救授设备。
3.2顶举高度jack height
复轨器垂直顶起重物的高度。
3.3横移距离traverse distance
复轨器水平移动重物的距离。
4型号编制、系列和性能参数
4.1 液压复轨器的型号编制应符合TB/T 1854的规定。
4.2液压复轨器的系列见表 1。
4.3液压复轨器各型号的性能参数见表2。
5技术要求
5.1使用环境条件
液压复轨器应能在下列条件下正常工作:
a)环境温度为-20℃~40℃,超过此范围应更换液压油;
b)作业时,底座平面倾斜度不应大于5°;
c)作业时,底座应垫坚实。
5.2一般要求
5.2.1液压复轨器使用应方便快捷,安全、可靠。
5.2.2液压复轨器应按经规定程序批准的图样和技术文件制造生产。

标准图片预览

TB/T 2333-2010 液压复轨器
TB/T 2333-2010 液压复轨器
TB/T 2333-2010 液压复轨器
TB/T 2333-2010 液压复轨器
TB/T 2333-2010 液压复轨器

标准内容

ICS45.120www.bzxz.net
中华人民共和国铁道行业标准
TB/T2333-2010
代替TB/T2333—1992
液压复轨器
Hydraulicrerailer
2010-10-10发布
2011-04-01实施
中华人民共和国铁道部发布
规范性引用文件
术语与定义
型号编制、系列和性能参数
技术要求
活进产光
检查内容与试验方法
检验规则
标志、包装和贮存
TB/T2333—2010
TB/T2333--2010
本标准按照GB/T1.1一2009给出的规则起草。本标准替代TB/T2333—1992《液压复轨器技术条件》。与TB/T2333—1992《液压复轨器技术条件》相比,本标准主要技术变化如下:修改增加了规范性引用文件(见第2章);修改增加了术语与定义一章(见第3章);删除了配套工具附件及文件章(见1992版的第7章);修改了系列和性能参数一章,增加了型号编制的内容(见4.2、4.3,1992版的3.1、3.2);对技术要求一章,做出了更加详细和严格的规定,增加了应急装置和安全装置(见第5章);修改了检查内容与试验方法一章,增加了部件检查、应急试验、安全试验(见6.7、6.8和1992版的第5章、第6章)。
本标准由中铁科工集团有限公司归口。本标准主要起草单位:宝鸡南车时代工程机械有限公司、成都铁路局、中铁科工集团有限公司。本标准主要起草人:张殿军、李玲、赵力、梁译如、黄宁、杨文浩、王燕芳。本标准所替代标准的历次版本发布情况:TB/T2333—1992。
1范围
液压复轨器
TB/T2333—2010
本标准规定了液压复轨器的系列、性能参数、技术要求、检查内容与试验方法、标志及包装等内容。本标准适用于自行式轨道作业机械脱轨后恢复其运行状态时复轨用手动或机动液压复轨器。铁路机车、车辆可参照使用。
2规范性引用文件
下列文件对于本文件的应用是必不可少的。凡是注日期的引用文件,仅所注日期的版本适用于本文件。凡是不注日期的引用文件,其最新版本(包括所有的修改单)适用于本文件。GB/T3766液压系统通用技术条件第2部分:H组(液压系统)
GB/T7631.2润滑剂、工业用油和有关产品(L类)的分类TB/T1580新造机车车辆焊接技术条件TB/T1854铁路线路机械产品型号编制方法3术语与定义
本文件采用下列术语和定义。
复轨器
rerailer
自行式轨道作业机械脱轨后恢复其运行状态的自行救援设备。3.2
jackheight
顶举高度
复轨器垂直项起重物的高度。
横移距离
traverse distance
复轨器水平移动重物的距离。
4型号编制、系列和性能参数
液压复轨器的型号编制应符合TB/T1854的规定。4.1
4.2液压复轨器的系列见表1。
额定起升力
液压复轨器各型号的性能参数见表2。4.3
液压复轨器的系列
液压复轨器各型号的性能参数
额定起升力
最大顶举高度
≥280
≥280
≥280
≥280
TB/T2333-2010
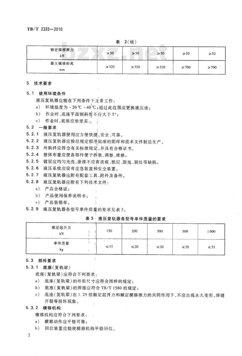
额定横移推力
最大横移距离
5技术要求
使用环境条件
表2(续)
≥320
≥320
液压复轨器应能在下列条件下正常工作:环境温度为-20℃~40'℃i超过此范围应更换液压油;a)
作业时,底座平面倾斜度不应大于5°;b)
作业时,底座应垫坚实。
一般要求
液压复轨器使用应方便快捷,安全、可靠。≥50
≥320
液压复轨器应按经规定程序批准的图样和技术文件制造生产。外购件应符合有关标准规定,并具有合格证书。整体布置应使各部件便于拆装、调整、维修。镀层应均匀光亮,涂漆不应有流痕、脱层、鼓泡、裂纹等缺陷。液压系统应设有应急装置和安全装置。液压复轨器应附有配套工具、附件及备件。液压复轨器应附有下列技术文件:产品合格证;
产品使用保养说明书;
产品装箱单。
液压复轨器各型号单件质量的要求见表3。表3,
液压复轨器各型号单件质量的要求额定起升力
单件质量
5.3部件要求
5.3.1底座(复轨梁)
底座(复轨梁)应符合下列要求:150
底座(复轨梁)的外形尺寸应符合图样的规定:a)
底座(复轨梁)的焊接应符合TB/T1580的规定;300
≥700
≥700
底座(复轨梁)在1.25倍额定起升力和额定横移推力的共同作用下,不应出现永久变形,焊缝c)
开裂等损坏现象。
5.3.2横移机构
横移机构应符合下列要求:
a)横移动作应平稳可靠;
回位装置应能使横移机构平稳回位。b)【
5.3.3液压系统
TB/T2333--2010
5.3.3.1系统的组装应符合CB/T3766的规定,检查与实验应按照本标准6.2.3的规定进行。5.3.3.2系统应工作平稳,不应有异常振动和噪声。5.3.3.3系统应设置应急装置,在作业时液压系统故障的情况下,应急装置应在2min内将液压复轨器回位,放下车辆。
5.3.3.4系统应设置安全装置,在作业时液压系统快速泄露的情况下,安全装置应保证液压复轨器的短期5min支撑,不应显著下降。5.3.3.5系统的阀、油泵、油缸、接头、管路等部件在处于1.25倍额定载荷的情况下,固定结合面不应渗油,运动结合面不应滴油。
5.3.3.6系统的最大工作压力不应大于63MPa。5.3.3.7
系统的常连接管接头应采用快速管接头。5.3.3.8
工作介质应符合下列要求:
液压复轨器工作介质应选用GB/T7631.2中L-HM类液压油;液压油使用前应过滤,过滤精度不应低于100μm。b)
油泵应符合下列要求:
可采用手动油泵或机动油泵;
b)手动油泵操作应轻便可靠。
油缸应符合下列要求:
油缸伸缩应平稳,无卡滞现象;a)
油缸应设置作业时防止柱塞下降的安全装置。b)
高压软管应符合下列要求:
应选用耐油、耐挤压、耐老化高压软管;a
管接头应采用快速管接头;
管接头应带有防尘帽。
机动油泵的动力装置
机动油泵的动力装置应采用电动装置,电压宜采用AC220V。5.3.4.1
电动装置应设置可靠的安全保护设施,防止操作人员触电,保证电机可靠运行。电动装置取电宜取工频单相交流电或取柴油发电机组,但不应取汽油发电机组。5.3.4.4
由柴油发电机组供电的电动装置,其柴油发电机组应符合下列要求:满足液压复轨器使用环境要求;a
启动方便、可靠;
发电质量满足工频交流电要求。c)
5.3.5转向架捆绑装置
5.3.5.1转向架捆绑装置应具有足够的强度,每根绳索的工作拉力应大于20kN。5.3.5.2转向架捆绑装置应使用方便,捆扎牢固。5.3.5.3转向架捆绑装置应抗压、耐磨,使用寿命符合设计要求。5.3.6手动油泵装置
5.3.6.1手动油泵装置的设置应便于安装与拆卸。5.3.6.2在液压复轨器顶举相当于额定起升力的重物载荷情况下,人力操纵手动油泵装置应能在10min内将油缸顶升到上止点并横移到最大横移位置。3
TB/T2333—2010
6检查内容与试验方法
6.1一般要求检查
采用目测和手工检查方式,检查本标准5.2中要求的各项目。6.2部件检查
6.2.1底座(复轨梁)检查
底座(复轨梁)检查应按照以下方法进行:使用通用量具测量底座尺寸,并与设计图样比对;a)
b)底座焊缝的检查按照TB/T1580的规定进行。6.2.2横移机构检查
横移机构的检查应按照以下方法进行:a)结合空载试验检查横移机构的运动平稳性和可靠性;b)结合空载试验测量最大横移距离,并根据本标准表2的规定验证相关数据。6.2.3液压系统检查
液压系统的检查按照GB/T3766规定的进行。6.2.4机动油泵的动力装置检查
机动油泵的动力装置检查应按照以下方法进行:a)接通电源,启动机动油泵满载使油缸运行到上止点,然后返回,往返三次,检查油泵和油缸是否运行平稳、可靠;
b)试验中检查是否有漏油、渗油现象;c
由柴油发电机组供电的电动装置,柴油发电机组的检查按照以下方法进行:1)检查每次启动能否在三次以内启动成功;连续三次启动柴油发电机,检查启动是否正常;2
柴油发电机组启动后,在空载和满载负荷下,检查其发电频率和电压能否调整到标准值。3)
6.2.5转向架捆绑装置检查
转向架捆绑装置检查应按照以下方法进行:a)检查转向架捆绑装置的拉力试验报告,并与设计要求进行对比分析;b)检查外观、涂层、活动部位。6.3空载试验
6.3.1空载试验是在液压复轨器进行空载运行,以检查各机构能否在规定的工作范围内正常动作。6.3.2
试验过程如下:
在平实地面上或铁道线路上架好底座(复轨梁);将液压复轨器顶举到最高高度,然后横移到最大横移位置处,缓慢完全落下;b)
测量最大顶举高度和最大横移距离,将实验结果与表2规定值进行比对;c)
空载试验共做三次,查看试验时每次动作是否灵活、平稳、可靠,查看液压系统是否无渗漏。d)
6.4额定载荷试验
额定载荷试验是在液压复轨器顶举相当于额定起升力的重物载荷(也可以用车辆作为载荷)情况下,检查各机构能否在规定的工作范围内正常动作。6.4.2试验过程如下:
在平实地面上或铁道线路上架好底座(复轨梁);a)
液压复轨器将载有相当于额定起升力的重物顶举到最高高度,然后横移到最大横移位置处,b)
缓慢完全落下;
c)测量最大顶举高度、最大横移距离,用测力装置测量实际最大横移推力,将试验结果与表2规4
定值进行比较;
TB/T2333—2010
d)额定载荷试验共做二次,检查每次动作是否灵活、平稳、可靠,液压系统是否无渗漏;e)试验时,检查各机构有无损坏现象。6.5静载试验
6.5.1静载试验是在液压复轨器顶举相当于额定起升力1.25倍的重物载荷(也可以用车辆作为载荷)情况下,检查各机构的超载能力。6.5.2试验过程如下:
a)在平实地面上或铁道线路上架好底座(复轨梁);b)
液压复轨器将载有相当于额定起升力1.25倍的重物顶举到最高高度,然后横移到最大横移位置处,缓慢完全落下;
测量最大顶举高度和最大横移距离,用测力装置测量实际最大横移推力,将试验结果与表2c
规定值进行比较;
超载试验共做二次,检查每次动作是否灵活、平稳、可靠,液压系统是否无渗漏;d
e)试验时,检查各部件及结构是否产生裂纹、永久变形及其他损坏现象。6.6保压试验
液压复轨器顶举相当于额定起升力的载荷,活塞伸出全行程的三分之二,保压5min,活塞下降不应大于10mm。
6.7应急试验
在平实地面上或铁道线路上架好底座(复轨梁),液压复轨器满载顶举到最大顶举高度时,关闭机动油泵或停止操纵手动油泵,检查应急装置能否在2min内将重物平稳放下。6.8安全试验
试验工况同额定载荷试验工况,液压复轨器满载顶举到最大顶举高度时,关闭机动油泵或停止操纵手动油泵,断开油缸进油管,检查液压复轨器能否保持位置,不明显下降,在5min内,油缸下降不应大于10mm。
7检验规则
液压复轨器的检验分为型式检验和出厂检验。7.2
液压复轨器出厂时,应逐台进行出厂检验,检验按表4中带“S”的项目进行。7.3液压复轨器属于下列情况之一时应进行型式检验,试验按表4中带“T”的项目进行:新设计的产品;
b)产品停产两年后恢复生产:
结构、材料、工艺的改变影响产品性能:c)
出厂检验结果与上次型式检验有较大差异;e)
国家质量监督机构提出进行型式检验的要求时。表4液压复轨器检验
一般要求检查
部件检查
检查与实验项目
底座(复轨)检查
横移机构检查
液压系统检查
检验内容
检验项目
TB/T2333-2010
检查与实验项目
机动油泵的动力装置检查
转向架捆绑装置检查
空载试验
额定载荷试验
静载试验
保压试验
应急试验
安全试验
注:T指型式检验项目,S指出厂检验项目8
标志、包装和贮存
表4(续)
液压复轨器应装订标牌,标牌内容应包括以下内容:a)
产品名称、型号;
主要性能参数;
出厂编号及出厂日期;
制造厂名称。
液压复轨器应包装牢固,外露加工表面应涂防锈油。8.2
配套工具、附件及备件应装箱。8.3
8.4技术文件应用防潮材料包装。检验内容
检验项目
8.5液压复轨器应贮存在干燥、无腐蚀金属和破坏绝缘的气体的场所,并参照说明书对贮存的液压复轨器进行保养。
中华人民共和国
铁道行业标准
液压复轨器
Hydraulic rerailer
TB/T2333—2010
中国铁道出版社出版、发行
(100054,北京市宣武区右安门西街8号)读者服务部电话:市电(010)51873174,路电(021)73174中国铁道出版社印刷厂印刷
版权专有
侵权必究
开本:880mm×1230mm
2010年12月第1版
印张:0.75
字数:12千字
2010年12月第1次印刷
价:7.50元
小提示:此标准内容仅展示完整标准里的部分截取内容,若需要完整标准请到上方自行免费下载完整标准文档。