首页 > 铁路运输行业标准(TB) > TB/T 3112.5-2017 铁路车站电码化设备第5部分:设备柜
TB/T 3112.5-2017

基本信息

标准号: TB/T 3112.5-2017

中文名称:铁路车站电码化设备第5部分:设备柜

标准类别:铁路运输行业标准(TB)

标准状态:现行

出版语种:简体中文

下载格式:.zip .pdf

下载大小:2323048

相关标签: 铁路 车站 电码 设备

标准分类号

关联标准

出版信息

相关单位信息

标准简介

TB/T 3112.5-2017.Coding equipment in railway station-Part 5: Equipment cabinet.
1范围
TB/T 3112.5规定了铁路车站电码化设备所用的设备柜的分类与命名、技术要求、试验方法、检验规则,标志、包装、运输和储存。
TB/T 3112.5适用于铁路车站电码化设备所用的设备柜的设计、制造和检验。
2规范性引用文件
下列文件对于本文件的应用是必不可少的。凡是注8期的引用文件,仅注日期的版本适用于本文件。凡是不注日期的引用文件,其最新版本(包括所有的修改单)适用于本文件。
GB 191包装 储运图示标志(GB/T 191- -2008 , IS0 780:1997 , MOD)
GB/T1804--2000--般公差未注公差的线性和角度尺寸的公差(eqvIs02768-1:1989)
CB/T2423.17- -2008电工电子产 品环境试验第2 部分:试验方法试验 Ka:盐雾(IEC 60068-2-11:1981 ,IDT)
GB/T5169. 16- 2008 电工电子产品着火危险试验第 16部分:50 w水平与垂直火焰试验方法(IEC 60695-11-10 :2003 , IDT)
TB/T 1447-2015信号产 品的绝缘电阻
TB/T 1448-1982通 信信号产品的绝缘耐压
TB/T 1498-1984 铁路通 信信号产品包装技术条件
TB/T3112.1-2017铁路车站电码化设备 第1 部分:通用技术条件
3分类与命名
3.1设备分类
电码化设备柜包括发送柜检测柜、集中柜、综合柜、站内移频机柜(以下简称机柜)。
3.2设备命名
3.2.1设备代号含义及型号示例
设备代号含义、型号示例见TB/T3112.1- -2017。

标准图片预览

TB/T 3112.5-2017 铁路车站电码化设备第5部分:设备柜
TB/T 3112.5-2017 铁路车站电码化设备第5部分:设备柜
TB/T 3112.5-2017 铁路车站电码化设备第5部分:设备柜
TB/T 3112.5-2017 铁路车站电码化设备第5部分:设备柜
TB/T 3112.5-2017 铁路车站电码化设备第5部分:设备柜

标准内容

ICS45.020
中华人民共和国铁道行业标准
TB/T3112.5-—2017
铁路车站电码化设备
第5部分:设备柜
Coding equipment in railway station-Part5:Equipment cabinet
2017-09-29发布
国家铁路局
2018-04-01实施
规范性引用文件
分类与命名
技术要求
试验方法
检验规则
标志、包装、运输及储存
s..e.t...e.Eeio
TB/T3112.5—2017
TB/T3112《铁路车站电码化设备》分为五个部分:第1部分:通用技术条件;
第2部分:发码、检测、调整器;第3部分:隔离器;
一第4部分:元器件;
第5部分:设备柜。
本部分为TB/T3112的第5部分。
本部分按照GB/T1.1—2009给出的规则起草。本部分由西安全路通号器材研究有限公司归口。TB/T3112.5-2017
本部分起草单位:北京全路通信信号研究设计院集团有限公司、北京铁路信号有限公司、固安信通信号技术股份有限公司、黑龙江瑞兴科技股份有限公司。本部分起草人:安海君、于树永、殷惠媛、邓迎宏、潘广明。1范围
铁路车站电码化设备
第5部分:设备柜
TB/T3112.5—2017
TB/T3112的本部分规定了铁路车站电码化设备所用的设备柜的分类与命名、技术要求、试验方法、检验规则、标志、包装、运输和储存。本部分适用于铁路车站电码化设备所用的设备柜的设计、制造和检验。2规范性引用文件
下列文件对于本文件的应用是必不可少的。凡是注日期的引用文件,仅注日期的版本适用于本文件。凡是不注日期的引用文件,其最新版本(包括所有的修改单)适用于本文件。GB191包装储运图示标志(GB/T191-2008,ISO780:1997,MODGB/T1804—2000
一般公差未注公差的线性和角度尺寸的公差(eqvIS02768-1:1989)GB/T2423.17—2008电工电子产品环境试验第2部分:试验方法试验Ka:盐雾(IEC60068-2-11:1981,IDT)
GB/T5169.16—2008
电工电子产品着火危险试验第16部分:50W水平与垂直火焰试验方法(IEC60695-11-10:2003,IDT)
TB/T1447—2015信号产品的绝缘电阻TB/T1448—1982通信信号产品的绝缘耐压TB/T1498—1984
铁路通信信号产品包装技术条件TB/T3112.1—20174
铁路车站电码化设备第1部分:通用技术条件3分类与命名
3.1设备分类
电码化设备柜包括发送柜、检测柜、集中柜、综合柜、站内移频机柜(以下简称机柜)。3.2设备命名
3.2.1设备代号含义及型号示例
设备代号含义、型号示例见TB/T3112.1—2017。3.2.2设备型号及名称
机柜型号及名称见表1。
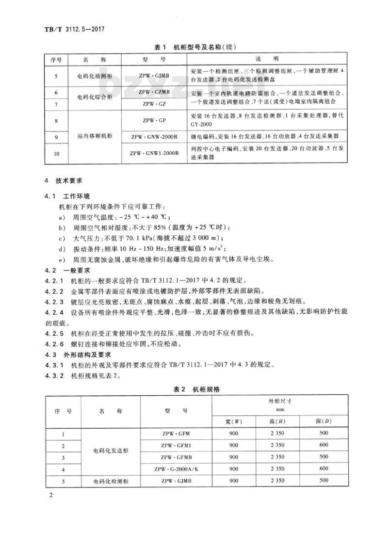
表1机柜型号及名称
电码化发送柜
ZPW-GFM
ZPW-GFM1
ZPW·GFMB
ZPW·G-2000A/K
安装10台发送器,5台发送检测器或采集发送检测器安装20台ZPW·F-K型客专发送器、10台ZPW·RS-K型衰耗允余控制器
TB/T3112.5—2017
电码化检测柜
电码化综合柜
站内移频机柜
4技术要求
4.1工作环境
机柜型号及名称(续)
ZPW·GJMB
ZPW·GZ
ZPW·GP
ZPW-GNW-2000R
ZPW·GNW1-2000R
机柜在下列环境条件下应可靠工作:a)
周围空气温度:-25℃~+40℃;
安装一个检测组厘、三个检测调整组、一个辅助管理匣4台发送器、2台电码化发送检测盘安装一个室内轨道电路防雷组合、一个道岔发送调整组合一个股道发送调整组合、7个送(或受)电端室内隔离组合安装16台发送器、8台发送检测器、1台采集处理器,替代GY-2000
继电编码,安装16台发送器、16台功放器、4台发送采集器列控中心电子编码,安装20台发送器、20台功放器、5台发送采集器
周围空气相对湿度:不大于85%(温度为+25℃时):大气压力:不低于70.1kPa(海拔不超过3000m);振动条件:频率10Hz~150Hz;加速度幅值5m/s;周围无腐蚀金属、破坏绝缘和引起爆炸危险的有害气体及导电尘埃。一般要求
机柜的一般要求应符合TB/T3112.1—2017中4.2的规定。金属零部件表面应有喷涂或电镀防护层,外部零部件无表面缺陷。镀层应光亮致密,无斑点、腐蚀麻点、水痕、起层、剥落、气泡,边缘和棱角无划痕。设备所有喷涂件外观应平整、光滑,色泽一致,无显著的修整痕迹及其他缺陷,无影响防护性能的瑕疵。
4.2.5机柜在经受正常使用中发生的拉压、碰撞、冲击时不应有损伤。4.2.6
螺钉连接和铆接处应牢固,不应松动。4.3外形结构及要求下载标准就来标准下载网
机柜的外观及零部件要求应符合TB/T3112.1一2017中4.3的规定。机柜规格见表2。
表2机柜规格
外形尺寸
电码化发送柜
电码化检测柜
ZPW·GFM
ZPW-GFMI
ZPW-GFMB
ZPW·G-2000A/K
ZPW·GJMB
宽(W)
高(H))
深(D)
电码化综合柜
站内移频机柜
表2机柜规格(续)
宽(W)
ZPW·GZ
ZPW·GP
ZPW-GNW-2000R
ZPW·GNW1-2000R
TB/T3112.5-2017
外形尺寸
高(H)
深(D)
4.3.3机柜外形尺寸见图1~图4且未注公差应符合GB/T1804—2000中公差等级最粗v的规定。应统一各设备使用端子的用途及排列规定。图1ZPW·GFM.ZPW·GFMB、ZPW·GJMB、ZPW·GZMB型机柜外形尺寸4.4绝缘电阻
设备的绝缘电阻应符合以下规定:a)在试验用标准大气条件下,其绝缘电阻不应小于500MQ(DC500V):b)经湿热试验后,其潮湿绝缘电阻不应小于1.5MQ(DC500V)。4.5绝缘耐压
在大气压力不低于89.9kPa条件下(相当于海拔1000m以下),引线端子对机壳间(接地端子除外)应能承受直流1500V,漏流1mA,历时1min耐压试验,应无击穿,表面无闪络、绝缘介质显著发热或接人电路的电压表读数突然下降等现象。3
TB/T3112.5—2017
图2ZPW·GFM1、ZPW·G-2000A/K型机柜外形尺寸W
图3ZPW·GZ.ZPW·GP型机柜外形尺寸4.6阻燃
TB/T3112.5—2017
图4ZPW·GNW-2000R、ZPW·GNW1-2000R型机柜外形尺寸非金属材料防火等级不应小于GB/T5169.16—2008中的V-2级要求。4.7盐雾
机柜金属件试品经96h的盐雾试验后,镀锌件的表面应无白色或灰黑色腐蚀物:镀镍或高锡青铜件的表面不应有灰色或浅绿色腐蚀物,其他金属件不应有腐蚀物。5试验方法
5.1试验条件
在产品和技术要求没有明确规定试验条件时,则试验应在下列条件下进行:a)温度:+15℃~+35℃;
b)相对湿度:25%~75%;
c)气压:86kPa~106kPa。
5.2试验用仪表要求
试验用仪表的准确度等级不应低于0.5级。5.3外观及结构检查
机柜外观及结构应采用目测及相应量具进行检验,其结果应符合4.2、4.3的规定。5.4绝缘电阻试验
按TB/T1447一2015的规定进行。各端子(除接地端子)对机壳进行绝缘电阻试验,试验结果应符合4.4的规定。
5.5绝缘耐压试验
按TB/T1448—1982的规定进行。将耐压测试仪的输出调到1500V,施加于各端子(接地端子除外)与机壳之间,漏流1mA,历时1min,上述过程测试装置应无声光报警,设备无闪络现象,试验结果应符合4.5的规定。
TB/T3112.5—2017
本试验一般只允许进行一次,重复试验时的电压为原试验电压值的80%。5.6阻燃试验
按GB/T5169.16—2008中第9章进行,试验结果应符合4.6的要求。5.7盐雾试验
按GB/T2423.17—2008进行,并符合以下规定:初始检测:按本部分的规定对试品进行外观检查,试品表面应干净、无油污,无临时性的保护a)
层和其他弊病;
条件试验:试品应按正常使用状态进行试验,试品之间不应有接触,也不能与其他金属部件接触;
持续时间:96h;
恢复:试验结束后,应在自来水下冲洗5min,然后在蒸馏水中漂洗,洗涤水温不应超过35℃,然后在标准的恢复大气条件下放置1h~2h;最后检测:恢复后对试品应及时检查,试验结果应符合4.7的要求。e)
6检验规则
6.1检验分类
设备的检验分为出厂检验和型式检验两种。6.2出厂检验
每台设备应经制造商技术检验部门检验合格后,并附有产品合格证,方可出厂。6.2.2
出厂检验应符合以下要求:
测试环境:
周围空气温度:+15℃~+35℃;
周围空气相对湿度:25%~75%;
被测产品在测试环境中存放时间不应小于12h。3)
b)出厂检验应按照表3的规定逐台进行检验。c)检验指标应符合第4章的要求。6.3型式检验
凡属下列情况之一者,应进行型式检验:新产品或老产品转场生产时;
正式生产后,如结构、材料、工艺有较大改变,可能影响产品性能时:正常生产时,3年~5年进行一次:停产3年及以上恢复生产时;
出厂检验结果与上次型式检验有较大差异时。型式检验项目应包括产品标准的全部项目。经过型式检验的设备,不应作为合格产品出厂。表3型式检验及出厂检验项目
检验项目
外观、结构
绝缘电阻
绝缘耐压
技术要求
注:“●\表示应检验项目;“\表示不必检验项目。6
检验方法
出厂检验
型式检验
7标志、包装、运输及储存
7.1标志
7.1.1设备的标志
TB/T3112.5—2017
每台产品均应在明显的位置装有铭牌,铭牌应清晰,易于识别,不易磨损。铭牌应标明下列内容:a)产品名称、型号;
b)出厂编号:
产品硬件、软件版本标识:
制造日期;
制造商名称。
设备外包装标志
设备包装箱外应用不褪色涂料清晰地标出下列标志:正面:产品名称、型号、数量、到站及收、发货单位名称、地址:a)
侧面:应按GB/T191的规定标明“易碎物品”、“向上”、“怕雨”等标志及发站和制造商名称;b)
在外包装正面左上角注明箱号。c)
7.2包装
7.2.1设备应按TB/T1498一1984的规定制定包装工艺,并按相应的包装工艺进行包装。7.2.2随机应提供产品的用户手册、产品合格证、装箱单、专用工具。7.3运输
设备在搬运过程中,应轻拿轻放,避免摔碰,不应无包装运输。7.4储存
7.4.1产品应储存于空气流通、无腐蚀性气体或尘埃的环境中,储存条件如下:a)
温度下限为-25℃;
温度上限为+55℃,短时间内(不超过24h)温度上限可为+70℃:相对湿度不大于90%(+25℃时),无凝露;e)
周围无带酸、碱或其他有害气体。7.4.2产品在上述极限温度下不应遭受任何不可恢复的损伤,且在正常条件下应能正常工作。储存期超过半年,应开箱通风;储存期超过一年,应按6.2的规定进行复查。
小提示:此标准内容仅展示完整标准里的部分截取内容,若需要完整标准请到上方自行免费下载完整标准文档。