首页 > 铁路运输行业标准(TB) > TB/T 1715-2006 机车柴油机柱塞偶件密封性试验台技术条件
TB/T 1715-2006

基本信息

标准号: TB/T 1715-2006

中文名称:机车柴油机柱塞偶件密封性试验台技术条件

标准类别:铁路运输行业标准(TB)

标准状态:现行

出版语种:简体中文

下载格式:.zip .pdf

下载大小:1890563

相关标签: 机车 柴油机 柱塞 偶件 密封性 试验台 技术

标准分类号

关联标准

出版信息

相关单位信息

标准简介

TB/T 1715-2006.Technical specification of pressure testing experiment for plunger and barred assembly of locomotive diesel engine.
1范围
TB/T 1715规定了机车柴油机柱塞偶件密封性试验台(以下简称试验台)的技术要求、试验方法检验规则及标志、包装、运输和贮存。
TB/T 1715适用于以等压法进行柱塞偶件密封性试验的试验台。
2规范性引用文件
下列文件中的条款通过本标准的引用而成为本标准的条款。凡是注日期的引用文件,其随后所有的修改单(不包括勘误的内容)或修订版均不适用于本标准,然而,鼓励根据本标准达成协议的各方研究是否可使用这些文件的最新版本。凡是不注日期的引用文件,其最新版本适用于本标准。
GB/T 191包装储运图示标志
GB/T 3766液压系统通用技术条件
GB 5226.1- -2002 机械安全机械电气设备 第1部分:通用技术条件
GB/T 7935液压元件通 用技术条件
TB/T 2715- -2005机车 、动车用柴油机喷油泵
3技术要求
3.1 基本要求
3.1.1试验台应按照经规定程序批准的图样和技术文件制造,并符合本标准的规定。
3.1.2 试验台应能满足TB/T 2715- -2005 中检验柱塞偶件密封性能的试验要求。
3.1.3 试验台的液压系统及液压元件应符合GB/T 3766 GB/T 7935的有关规定。
3.1.4液压系统在试验工作范围内不应发生振动、爬行停滞和明显的冲击,并应保证密封良好,不应有渗漏现象。
3.1.5液压系统应有足够容积的液压油,并保证工作时油温不应超过55℃。
3.1.6试验台应设置调压装置,并应灵敏可靠。

标准图片预览

TB/T 1715-2006 机车柴油机柱塞偶件密封性试验台技术条件
TB/T 1715-2006 机车柴油机柱塞偶件密封性试验台技术条件
TB/T 1715-2006 机车柴油机柱塞偶件密封性试验台技术条件
TB/T 1715-2006 机车柴油机柱塞偶件密封性试验台技术条件
TB/T 1715-2006 机车柴油机柱塞偶件密封性试验台技术条件

标准内容

ICS45.060.10
中华人民共和国铁道行业标准
TB/T1715—2006
代替TB/T1715—1986、TB/T1841—198720062652
机车柴油机柱塞偶件密封性
试验台技术条件
Technical specification of pressure testing experimentfor plunger and barred assembly of locomotive diesel engine2006-06-21发布
2006-11-01实施
中华人民共和国铁道部发布
规范性引用文件
技术要求
试验方法
5检验规则
标志、包装、运输、贮存
机车柴油机柱塞偶件密封性试验方法附录A(规范性附录)
TB/T1715—2006
TB/T1715—2006
本标准代替TB/T1715—1986《柱塞偶件密封性试验台技术条件》、TB/T1841-1987《东风型机车柱塞偶件密封性试验技术条件》。本标准与TB/T1715—1986、TB/T1841—1987相比主要变化如下:修改了适用范围(见第1章);
-增加了规范性引用文件的内容(见第2章);技术要求明确了试验台压力测量与计时应采用数字显示的要求,并增加了压力传感器、工作噪声、试验胎具的内容(见第3章);-试验方法增加了试验台功能试验的内容(见第4章);一增加了附录A《机车柴油机柱塞偶件密封性试验方法》见附录A)。本标准的附录A为规范性附录。
本标准由铁道部经济规划研究院提出并归口。本标准由中国北车集团南口机车车辆机械厂、唐山百川智能机器有限公司、铁道部经济规划研究院起草。
本标准主要起草人:王丙军、冯焰、张逸凡、王洪海、桑翠江、刘建英。本标准历次版本发布情况:
TB/T1715—1986,TB/T1841—1987。I
1范围
TB/T1715-2006
机车柴油机柱塞偶件密封性试验台技术条件本标准规定了机车柴油机柱塞偶件密封性试验台(以下简称试验台)的技术要求、试验方法、检验规则及标志、包装、运输和贮存。本标准适用于以等压法进行柱塞偶件密封性试验的试验台。2规范性引用文件
下列文件中的条款通过本标准的引用而成为本标准的条款。凡是注日期的引用文件,其随后所有的修改单(不包括勘误的内容)或修订版均不适用于本标准,然而,鼓励根据本标准达成协议的各方研究是否可使用这些文件的最新版本。凡是不注日期的引用文件,其最新版本适用于本标准。GB/T191包装储运图示标志
GB/T3766液压系统通用技术条件GB5226.1-2002机械安全机械电气设备第1部分:通用技术条件GB/T7935液压元件通用技术条件TB/T2715—2005机车、动车用柴油机喷油泵3技术要求
3.1基本要求
3.1.1试验台应按照经规定程序批准的图样和技术文件制造,并符合本标准的规定。3.1.2试验台应能满足TB/T2715一2005中检验柱塞偶件密封性能的试验要求。3.1.3试验台的液压系统及液压元件应符合GB/T3766、GB/T7935的有关规定。3.1.4液压系统在试验工作范围内不应发生振动、爬行、停滞和明显的冲击,并应保证密封良好,不应有渗漏现象。
液压系统应有足够容积的液压油,并保证工作时油温不应超过55℃。3.1.5
3.1.6试验台应设置调压装置,并应灵敏可靠。3.1.7试验台压力测量与计时应采用数字显示,压力传感器精度不应低于0.5级,计时误差不应大于0.6%。
试验台工作系统的重复密封精度误差不应大于6%。3.1.8
3.1.9试验台电器部分应符合GB5226.1的有关规定。3.1.10试验台密封压块密封面的平面度不应大于0.0009mm,表面粗糙度R,上限值为0.05μm;试验台定位平台应保持水平。密封压块热处理的硬度应为60HRC~64HRC。3.1.11试验台应布置合理、外形美观、便于保养和操作。3.1.12试验台工作时,其噪声应小于65dB。3.2试验胎具
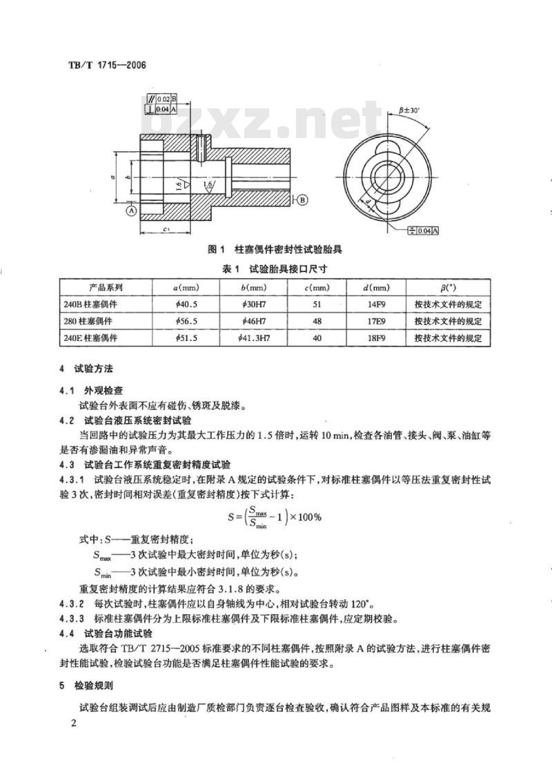
3.2.1试验胎具材质硬度为60HRC~64HRC。3.2.2试验胎具表面应经发蓝或镀铬处理。3.2.3常用试验胎具与柱塞偶件接口尺寸见图1表1。其他型号柴油机柱塞偶件的试验胎具及接口尺寸要求应按有关技术文件的规定。1
TB/T1715—2006
产品系列
240B柱塞偶件
280柱塞偶件
240E柱塞偶件
试验方法
4.1外观检查
图1柱塞偶件密封性试验胎具
表1试验胎具接口尺寸
试验台外表面不应有碰伤、锈斑及脱漆。4.2试验台液压系统密封试验
按技术文件的规定
按技术文件的规定
按技术文件的规定
当回路中的试验压力为其最大工作压力的1.5倍时,运转10min,检查各油管、接头、阀、泵、油缸等是否有渗漏油和异常声音。
4.3试验台工作系统重复密封精度试验4.3.1试验台液压系统稳定时,在附录A规定的试验条件下,对标准柱塞偶件以等压法重复密封性试验3次,密封时间相对误差(重复密封精度)按下式计算:X100%
式中:S-重复密封精度:
Smx——3次试验中最大密封时间,单位为秒(s);Smin—3次试验中最小密封时间,单位为秒(s)。重复密封精度的计算结果应符合3.1.8的要求。4.3.2每次试验时,柱塞偶件应以自身轴线为中心,相对试验台转动120°。4.3.3标准柱塞偶件分为上限标准柱塞偶件及下限标准柱塞偶件,应定期校验。4.4试验台功能试验
选取符合TB/T2715—2005标准要求的不同柱塞偶件,按照附录A的试验方法,进行柱塞偶件密封性能试验,检验试验台功能是否满足柱塞偶件性能试验的要求。5检验规则
试验台组装调试后应由制造厂质检部门负责逐台检查验收,确认符合产品图样及本标准的有关规2
定,并附有合格证明后方可出厂。6标志、包装、运输、贮存
6.1标志
试验台上应有铭牌,铭牌上应标明:a)。制造厂名称;
b)产品名称、型号;
c)产品制造编号;
d)产品制造日期;
e)执行标准。
6.2包装、运输和贮存
TB/T1715—2006
6.2.1试验台的包装应保证产品在运输过程中不发生锈蚀及损坏。包装箱内应附有装箱单、产品使用说明书及相关技术资料。产品包装箱外(或发货单上)应标明:a)产品名称(或代号);:
装箱数量、重量;
制造厂名称(或制造厂标记):
按GB/T191的规定标明“小心轻放”“防湿”等运输保护字样和标志。d)
试验台贮存时应置于空气流通、千燥的库房中。3
TB/T1715—2006
A.1外观检查
附录A
(规范性附录)
机车柴油机柱塞偶件密封性试验方法A.1.1被试柱塞偶件不应有裂纹。A.1.2柱塞与柱塞套的配合工作面及柱塞套顶平面不应有划痕、偏磨、剥离及锈蚀,起配油作用的边缘(柱塞端面、斜槽及柱塞套配油孔)应为锐边,并不应有凹痕、倒棱及剥落。A.2滑动性试验
A.2.1试验用油为轻柴油,使用前,油液应经5μm微孔滤膜过滤和沉淀。A.2.2柱塞偶件经清洗和润滑后,提出油面,并置于45倾斜位置,从柱塞套内抽出柱塞至圆柱工作面长度的三分之一,柱塞围绕自身轴线转至任何位置放手后,均应借自重自由地滑动落下,不应有阻滞现象。
A.3圆柱工作面密封性试验
A.3.1试验采用油液等压法。
A.3.2试验用油:可用轻柴油与机械油的混合油,20℃时的运动黏度为(10.2~10.7)×10-6m2/s(E20=1.85~1.90),试验用油应经过5um微孔滤膜过滤。A.3.3油温和环境温度:20℃±2℃。A.3.4试验规范:
试验前,柱塞偶件应用轻柴油清洗干净;a)
b)试验时,柱塞套端面应密封,不应有渗油;c
柱塞相对于柱塞套油孔的角度位置,原则上应相当于喷油泵标定供油工况位置,角度值的允差为土30试验计时过程中,柱塞顶部空腔内的油压按产品图样和设计文件的规定,但保持的油压极限偏差应为±0.3MPa;
d)柱塞偶件的密封时间及计时统计方法按照产品图样和设计文件的规定:新造国产机车喷油泵柱塞偶件密封试验压力及密封时间值范围见表A.1;e)用密封性标准样品做比较法试验时,试验用油的黏度和温度可以不作严格要求。表A.1柱塞偶件密封试验压力及密封时间值范围名称
280喷油泵柱塞偶件
240B喷油泵柱塞偶件
240E喷油泵柱塞偶件
柱塞偶件密封试验压力
17.5±0.3
密封时间值范围
IB-T1715-20Ca
中华人民共和国
铁道行业标准
机车柴油机柱塞偶件密封性试验台技术条件Technical specification of pressure testing experiment forplunger and barred assembly of locomotive diesel engineTB/T1715—2006
中国铁道出版社出版、发行
(100054,北京市宣武区右安门西街8号)读者服务部电话:市电(010)51873174,路电(021)73174北京市兴顺印刷厂印刷
版权专有免费标准bzxz.net
侵权必究
开本:880mm×1230mm
2006年10月第1版
印张:0.75字数:8千字
2006年10月第1次印刷
统—书号:15113·2315
定价:7.20元
小提示:此标准内容仅展示完整标准里的部分截取内容,若需要完整标准请到上方自行免费下载完整标准文档。