首页 > 其他行业标准 > YS/T 751-2011钽及钽合金牌号和化学成分
YS/T 751-2011

基本信息

标准号: YS/T 751-2011

中文名称:钽及钽合金牌号和化学成分

标准类别:其他行业标准

英文名称:Designation and composition of tantalum and tantalum alloy

标准状态:已作废

发布日期:2011-12-20

实施日期:2012-07-01

作废日期:2025-05-01

出版语种:简体中文

下载格式:.pdf .zip

相关标签: 合金 牌号 化学成分

标准分类号

标准ICS号:冶金>>77.120有色金属

中标分类号:冶金>>有色金属及其合金产品>>H63稀有高熔点金属及其化合物

关联标准

替代情况:被YS/T 751-2024代替

出版信息

出版社:中国标准出版社

页数:8页

标准价格:14.0

出版日期:2012-07-01

相关单位信息

起草单位:西部金属材料股份有限公司、西安诺博尔稀贵金属材料有限公司、西北有色金属研究院

归口单位:全国有色金属标准化技术委员会(SAC/TC 243)

发布部门:中华人民共和国工业和信息化部

主管部门:全国有色金属标准化技术委员会(SAC/TC 243)

标准简介

本标准规定了钽及钽合金加工产品的牌号和化学成分要求、取样及化学成分分析。 本标准适用于各种钽及钽合金加工产品(包括铸锭、烧结坯料、半成品和成品)


标准图片预览

YS/T 751-2011钽及钽合金牌号和化学成分
YS/T 751-2011钽及钽合金牌号和化学成分
YS/T 751-2011钽及钽合金牌号和化学成分
YS/T 751-2011钽及钽合金牌号和化学成分
YS/T 751-2011钽及钽合金牌号和化学成分

标准内容

ICS 77. 120
中华人民共和国有色金属行业标准YS/T 751—2011
钼及钮合金牌号和化学成分
Designation and composition of tantalum and tantalum alloy2011-12-20 发布
中华人民共和国工业和信息化部2012-07-01实施
本标准由全国有色金属标准化技术委员会(SAC/TC243)归口。YS/T751—2011
本标准起草单位:西部金属材料股份有限公司、西安诺博尔稀贵金属材料有限公司、西北有色金属研究院。免费标准bzxz.net
本标准主要起草人:宜楠、张录强、武宇、韩吉庆、艾建玲、赵鸿磊、唐进,1范围
钼及合金牌号和化学成分
YS/T751—2011
本标准规定了钼及钼合金加工产品的牌号和化学成分要求、取样及化学成分分析。本标准适用于各种钼及钼合金加工产品(包括铸锭、烧结坏料、半成品和成品)。规范性引用文件
下列文件对于本文件的应用是必不可少的。凡是注日期的引用文件,仅注日期的版本适用于本文件。凡是不注日期的引用文件,其最新版本(包括所有的修改单)适用于本文件。GB/T15076(所有部分)
3要求
牌号和化学成分
钼化学分析方法
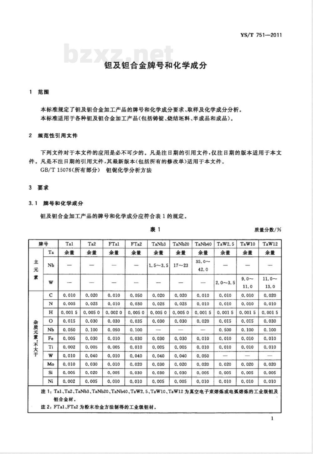
钼及钼合金加工产品的牌号和化学成分应符合表1的规定。表1
TaNb20
TaNb40
质量分数/%
.0.010
注1:Tal、Ta2、TaNb3、TaNb20、TaNb40、TaW2.5、TaW10、TaW12为真空电子束熔炼或电弧熔炼的工业级钼及钼合金材。
注2:FTal、FTa2为粉末冶金方法制得的工业级钼材。1
YS/T 751--2011
3.2取样
3.2.1产品中用于取样的部位,应将表面影响成分分析结果的氧化层等物质去除。3.2.2取样工具应洁净。
3.2.3试样切取时应防止氧化
3.2.4除产品标准中另有规定外,供方可在铸锭或烧结坏料上取样进行化学成分分析。4
化学成分分析
4.1钼及钼合金加工产品的化学成分仲裁分析按GB/T15076进行。超出GB/T15076中各方法测定范围规定的元素,其分析方法由供需双方协商确定。4.2化学成分分析报告中的分析数值,其有效位数应与化学成分表中相应数值的有效位数一致。2
YS/T751-2011
中华人民共和国有色金属
行业标准
钼及铝合金牌号和化学成分
YS/T751—2011
中国标准出版社出版发行
北京市朝阳区和平里西街甲2号(100013)北京市西城区三里河北街16号(100045)网址www.spc.net.cn
总编室:(010)64275323
发行中心:(010)51780235
读者服务部:(010)68523946
中国标准出版社秦皇岛印刷厂印刷各地新华书店经销
开本880×1230
2012年6月第一版
印张0.5
字数4千字
2012年6月第一次印刷
书号:155066·2-23598
如有印装差错
由本社发行中心调换
版权专有
侵权必究
举报电话:(010)68510107
小提示:此标准内容仅展示完整标准里的部分截取内容,若需要完整标准请到上方自行免费下载完整标准文档。