首页 > 其他行业标准 > FZ/T 93051-2016纺纱准备和纺纱机械 上罗拉包覆物用胶管
FZ/T 93051-2016

基本信息

标准号: FZ/T 93051-2016

中文名称:纺纱准备和纺纱机械 上罗拉包覆物用胶管

标准类别:其他行业标准

英文名称:Spinning preparatory and spinning machinery—Rubber tubes of the coverings for the top rollers

标准状态:现行

发布日期:2016-10-22

实施日期:2017-04-01

出版语种:简体中文

下载格式:.pdf .zip

相关标签: 纺纱 准备 机械 罗拉 包覆 胶管

标准分类号

标准ICS号:纺织和皮革技术>>纺织机械>>59.120.30织机、织造机器

中标分类号:纺织>>纺织机械与器具>>W94织部机械与器具

关联标准

替代情况:替代FZ/T 93051-1998;

出版信息

出版社:中国标准出版社

页数:12页

标准价格:16.0

出版日期:2017-04-01

相关单位信息

起草人:秋黎凤、展盛仙、华文亮、倪俊龙、吴国轩、沈林源、张桂、赵玉生、陈亮、肖国华、李长亮、徐耘、李巍峰、陈丽

起草单位:无锡二橡胶股份有限公司、安徽八一纺织器材有限公司、安徽华茂纺织股份有限公司、如东纺织橡胶有限公司、无锡市振华纺织橡胶器材厂、天津市顺兴纺织橡胶有限公司、陕西纺织器材研究所

归口单位:全国纺织机械与附件标准化技术委员会纺织器材分技术委员会(SAC/TC 215/SC 2)全国纺织机械与附件标准化技术委员会纺织器材分技术委员会(SAC/TC 215/SC 2)

提出单位:中国纺织工业联合会

发布部门:中华人民共和国工业和信息化部

主管部门:全国纺织机械与附件标准化技术委员会纺织器材分技术委员会(SAC/TC 215/SC 2)

标准简介

本标准规定了纺纱准备和纺纱机械上罗拉包覆物用胶管的分类和标记、要求、试验方法、检验规则、包装、标志、运输和贮存。本标准适用于纺纱准备和纺纱机械用邵尔A硬度为(60~90)度的上罗拉包覆物用胶管。


标准图片预览

FZ/T 93051-2016纺纱准备和纺纱机械 上罗拉包覆物用胶管
FZ/T 93051-2016纺纱准备和纺纱机械 上罗拉包覆物用胶管
FZ/T 93051-2016纺纱准备和纺纱机械 上罗拉包覆物用胶管
FZ/T 93051-2016纺纱准备和纺纱机械 上罗拉包覆物用胶管
FZ/T 93051-2016纺纱准备和纺纱机械 上罗拉包覆物用胶管

标准内容

ICS59.120.30
中华人民共和国纺织行业标准
FZ/T93051—2016
代替FZ/T93051—1998
纺纱准备和纺纱机械
上罗拉包覆物用胶管
Spinning preparatory and spinning machineryRubber tubes of the coverings for the top rollers2016-10-22发布
中华人民共和国工业和信息化部发布
2017-04-01实施
本标准按照GB/T1.1一2009给出的规则起草FZ/T93051—2016
本标准代替FZ/T93051—1998《前纺和细纱机械上罗拉包覆物胶管》。与FZ/T93051—1998相比,除编辑性修改外的主要技术变化如下:修改了标准名称“前纺和细纱机械上罗拉包覆物胶管”为“纺纱准备和纺纱机械上罗拉包覆物用胶管”;
删除了根据纺纱机械的类别对胶管进行分类的规则(1998年版的3.1);一在“分类和标记“一章中,增加了“铝衬管胶管”的结构型式(见3.1,1998年版的3.2);删除了胶管“长度L”和“壁厚s”参数系列(1998年版的3.3);修改了对胶管标记方法的规定(见3.2,1998年版的3.4);增加了不同结构型式胶管内径d的公称尺寸系列值(见4.1);增加了胶管“宽度6”的极差和“粗磨外径d。”及其极限偏差,修改了“胶管内径d”的极限偏差(见4.2,1998年版的4.1)。
本标准由中国纺织工业联合会提出本标准由全国纺织机械与附件标准化技术委员会纺织器材分技术委员会(SAC/TC215/SC2)归口。
本标准起草单位:无锡二橡胶股份有限公司、安徽八一纺织器材有限公司、安徽华茂纺织股份有限公司、如东纺织橡胶有限公司、无锡市振华纺织橡胶器材厂、天津市顺兴纺织橡胶有限公司、陕西纺织器材研究所。
本标准主要起草人:秋黎凤、展盛仙、华文亮、倪俊龙、吴国轩、沈林源、张桂、赵玉生、陈亮、肖国华、李长亮、徐耘、李巍峰、陈丽。本标准所代替标准的历次版本发布情况为:FJ1022—1979;
—FZ/T93014—1992;Www.bzxZ.net
FZ/T93051—1998。
1范围
纺纱准备和纺纱机械
上罗拉包覆物用胶管
FZ/T93051—2016
本标准规定了纺纱准备和纺纱机械上罗拉包覆物用胶管的分类和标记、要求、试验方法、检验规则、包装、标志、运输和储存。
本标准适用于纺纱准备和纺纱机械用邵尔A硬度为60~90度的上罗拉包覆物用胶管(以下简称“胶管”)。
规范性引用文件
下列文件对于本文件的应用是必不可少的。凡是注日期的引用文件,仅注日期的版本适用于本文件。凡是不注日期的引用文件,其最新版本(包括所有的修改单)适用于本文件。GB/T191包装储运图示标志
GB/T531.1一2008硫化橡胶或热塑性橡胶压人硬度试验方法第1部分:邵氏硬度计法(邵尔硬度)(ISO7619-1)
GB/T2828.1计数抽样检验程序第1部分:按接收质量限(AQL)检索的逐批检验抽样计划周期检验计数抽样程序及表(适用于对过程稳定性的检验)GB/T2829
GB/T24376一2009纺织机械与附件纺纱准备和纺纱机械上罗拉包覆物的主要尺寸3分类和标记
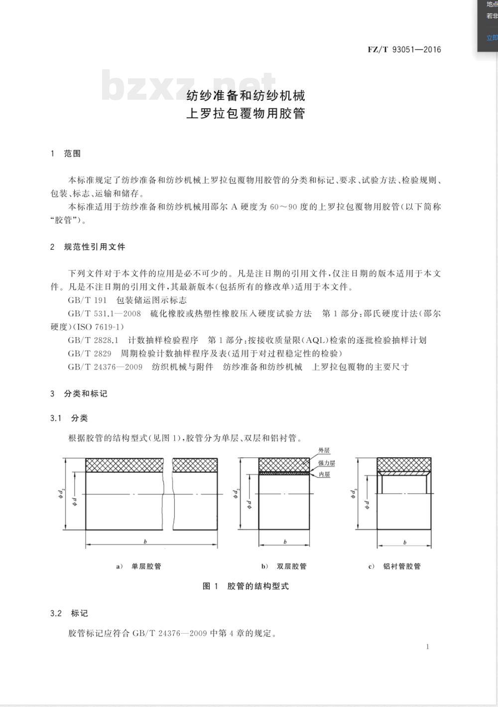
3.1分类
根据胶管的结构型式(见图1),胶管分为单层、双层和铝衬管。外层
强力层
3.2标记
单层胶管
b)双层胶管
图1胶管的结构型式
胶管标记应符合GB/T24376一2009中第4章的规定。c)铝衬管胶管
FZ/T93051—2016
示例:
按照GB/T24376—2009的上罗拉包覆物尺寸d1=19mm、d2=30mm、b=28mm,邵尔A硬度为65度,D型,上罗拉压力为16daN,铝衬管胶管,其标记为:铝衬管胶管GB/T24376-19×30×28-65-D-16。要求
胶管内径d的公称尺寸系列值应符合表1规定,4.1
表1胶管内径d的公称尺寸系列值胶管的结构型式
铝衬管
15.0,16.0,16.5,17.0,19.0,21.0,22.017.0.17.5,18.0,21.0,24.0
13.0,16.0,18.0,19.0,22.0,23.0,25.0,26.0,30.0,40.0,45.0,55.0胶管宽度6的极差、内径d和粗磨外径d2的极限偏差分别应符合表2、表3的规定。表2胶管宽度b的极差
>40~80
>80~200
尺寸范围
d2(粗磨后)
>20~30
胶管内径d和粗磨外径d2的极限偏差极差
极限偏差
单层胶管
双层胶管
单位为毫米
单位为毫米
单位为毫米
铝衬管胶管
4.3单层、双层胶管应内孔圆整、内表面无缺胶;铝衬管胶管应内孔光滑、圆整;胶管两端外倒角型式应符合GB/T24376一2009中第2章的规定,内、外倒角尺寸应遵照订货方要求。4.4胶管外表面应无裂纹和明显的凹陷,磨砺后胶管表面应滑爽,无气孔、砂眼和杂质。4.5双层胶管或铝衬管胶管应层间结合牢固、两端面平整,无双边刀痕;双层胶管应无线头外露。4.6同批胶管邵尔A硬度偏差应为士3度,其硬度极差不应大于3度。2
4.7同批胶管色泽应一致。
5试验方法
胶管宽度应用普通计量器具测量,5.1
FZ/T93051—2016
5.2胶管内径和外径应用普通计量器具或专用量具测量,仲裁时用投影仪放大测量。5.3磨砺后胶管的外观质量应在照度不小于1001x光线下目测。5.4测定胶管邵尔A硬度应按GB/T531.1一2008规定,采用A标尺的邵氏A型硬度计,在符合其第5章规定的试样上进行。
6检验规则
6.1总则
胶管应通过以下类别的检验:
型式检验;
出厂检验。
6.1.2型式检验和出厂检验应由制造厂质量检验部门负责进行,订货方也可按本标准中的出厂检验规定在1个月内对购进的胶管进行验收;根据订货方要求,制造厂应提供出厂检验所在周期的型式检验报告。
6.1.3在型式检验或出厂检验中,被检验的样本单位若有不符合本标准表4、表5对检验项目的有关规定时,即为不合格;有一个或一个以上不合格,即为不合格品。6.2检验
型式检验
6.2.1.1连续生产的胶管应以生产过程稳定的时间为周期进行型式检验,当停止生产一个周期以上又恢复生产,或者产品的设计、结构、制造工艺、材料有较大变动时,也应进行型式检验。6.2.1.2
型式检验应按GB/T2829中判别水平ⅡI的一次抽样方案,型式检验方案由表4给出。表4胶管型式检验方案
检验项目名称
内径d
外径d(粗磨后)
内孔、内表面、倒角
外表面
层间、端面
试样硬度
宽度6
要求的章条号
试验方法的章条号
不合格质量水平
不合格分类
FZ/T 93051—2016
6.2.2出厂检验
每批胶管都应进行出厂检验,经型式检验合格后方可进行出厂检验。每批胶管以只为样本单位进行出厂检验,出厂检验应按GB/T2828.1中一般检验水平的一6.2.2.2
次抽样方案,从正常检验开始,出厂检验方案由表5给出。表5胶管出厂检验方案
检验项目名称
内径d
外径d2(粗磨后)
内孔、内表面、倒角
外表面
层间、端面
宽度6
包装、标志、运输和储存
要求的章条号
试验方法的章条号
胶管应经检验合格并附有合格证,方可进行包装。胶管应采用适宜的内包装
成箱后宜采用粘合方法封箱,粘合用胶带宽度宜为50mm。7.1.4
运输包装宜采用双瓦楞纸箱或普通木箱。7.2标志
产品标志
胶管初始包装上应有清晰的产品标记。7.2.2
包装标志
接收质量限
不合格分类
胶管运输包装箱上应有包装标志(运输包装收发货标志和包装储运图示标志),其内容应符合以下规定:
7.2.2.1.1运输包装收发货标志
运输包装收发货标志上应标明:制造厂名和商标;
产品标记;
数量;
d)毛重;
生产批号或生产日期;
出厂日期;
体积(长×宽×高=m2)。
7.2.2.1.2包装储运图示标志
“怕热”“怕湿”等标志应符合GB/T191规定。FZ/T 93051—2016
运输包装收发货标志和包装储运图示标志应分别位于包装箱的侧面和端面。标志应用油漆、油墨等印色材料涂打或印刷,标志应清晰、耐久7.2.2.3
7.3运输
在运输过程中应加盖遮篷
7.4储存
胶管存放时应远离热源,免受日光直射和雨雪浸袭,并不应接触酸、碱、油等有损橡胶的物质。7.4.2
胶管自制成之日起至使用前的贮存时间不应大于18个月。5
小提示:此标准内容仅展示完整标准里的部分截取内容,若需要完整标准请到上方自行免费下载完整标准文档。