首页 > 石油天然气行业标准(SY) > SY 5041-1992 吊卡
SY 5041-1992

基本信息

标准号: SY 5041-1992

中文名称:吊卡

标准类别:石油天然气行业标准(SY)

标准状态:已作废

发布日期:1992-09-17

实施日期:1993-02-01

出版语种:简体中文

下载格式:.rar.pdf

下载大小:399454

标准分类号

中标分类号:石油>>石油勘探、开发、集输设备>>E92石油钻采设备与仪器

关联标准

替代情况:SY 5041-1983;被SY/T 5035-2004代替

出版信息

页数:7页

标准价格:15.0 元

相关单位信息

标准简介

SY 5041-1992 吊卡 SY5041-1992 标准下载解压密码:www.bzxz.net

标准图片预览

SY 5041-1992 吊卡
SY 5041-1992 吊卡
SY 5041-1992 吊卡
SY 5041-1992 吊卡
SY 5041-1992 吊卡

标准内容

中华人民共和国石油天然气行业标准SY5041--92
1992-09-17发布
中华人民共和国能源部发布
1993-02-01实施
主题内容与适用范围
中华人民共和国石油天然气行业标准吊卡 
SY 5041-92
代替SY5041—83
本标准规定了吊卡的型武、基本参数和技术条件本标准适用十石油及大然气钻井:修井作业中川以起下管柱的钻杆吊卡、套管吊卡和油管吊卡。引用标准
7合金结构钢技术条件
GB 3077
公差与配合未注公差尺小的极限偏差GB1804
GB5677铸钢件射线照相及底片等级分类方法GB6402
SY5288
钢锻材超声纵波探伤方法
钻采提升设备主要连接尺寸
型式和基本参数
吊卡的型式应符合表1的规定。
钻杆吊卡
套管吊卡
油管吊卡
『台阶
32品卡型号表尔方法
侧开式
锥形台阶
平台阶
最人载荷,kM;
对并式
钒彤台阶
筷mm(大孔为下孔×i孔:mm
结构特征代号:之表承鞋形台阶,平台阶背略;产品名称代:P表示吊卡
闭锁环武
平台阶
型式代号:C表示侧开式,D表示对开式,B表示闭锁环式例如侧开式平台阶吊卡,下孔孔径131mm,上孔孔径134mm,最大载荷1350kN,那么它可以表示为:
中华人民共和国能源部1992-09-17批准1993-02-01实施
CD131×134/1350
钻杆的卡的规格应符合表2的规定。3.3
钻托公称尺
及加厚型式
mm(in)
60.3 (23 / 8) EU
73.0 (2' / ) EU
88.9 (3' / 2) HL
101.6 (4) )
101.6 (4) EU
114.3 (4'/ 2) IU
114.3(4'/)EU
127.0 (5) [EU
139.7 (5'/ 2) IU
139.7 (5: /2) 1FL
钻托接头焊接www.bzxz.net
部位最大外径
SY 5041—92
平台阶吊卡孔径
锥形台阶
吊下礼径
注:TIU表示内加厚钻杆,EU表示外加厚钻杆,IEU表示内外加厚钻杆。(2表第二栏内106.4mm和119.1mm仅指锥形台阶接头焊接部位的最大外径。3.4套管吊卡的规格符个丧3的规定。表3
套管吊卡
mm (in)
114.3 (4 / 2)
139.7 (5' / 2)
168.3 (65/g)
177.8 (7)
193.7 (75/ )
219.1 (83/)
244.5 (95 / )
273.0 (10°/4)
298.4 (113/4)
325.0 (12/2)
339.7(133/)
406.4 (16)
473.1(185/8)
508.0 (20)
吊卡孔径
吊卡最人载荷
吊卡最
大载荷
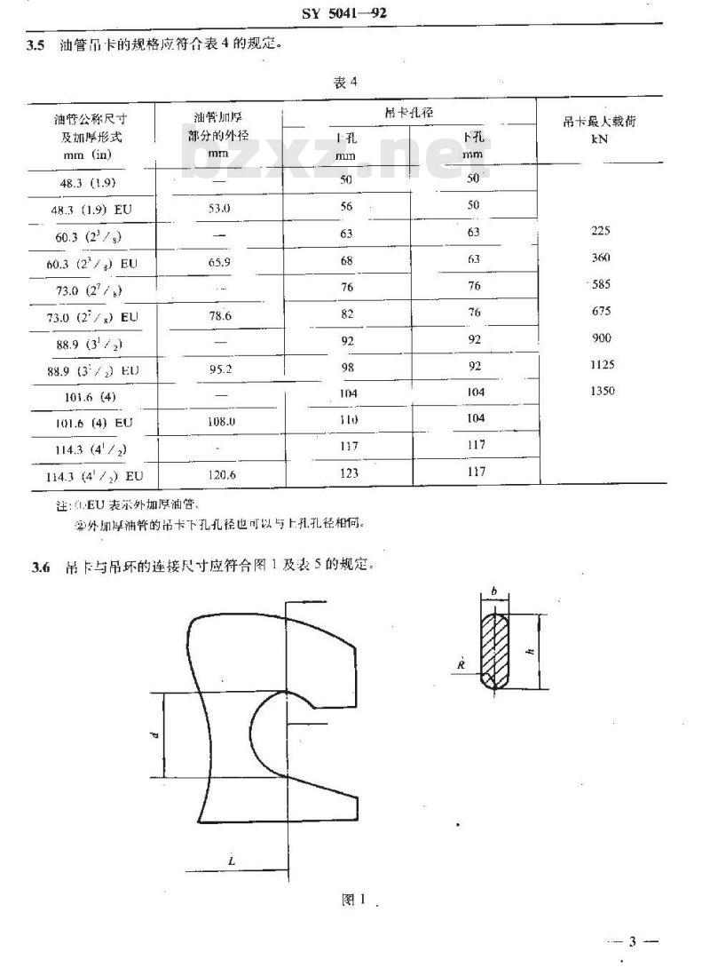
3.5油管卡的规格应符合表4的规定。油管公称尺寸
及厚形式
mm (in)
48.3(1.9)
48.3 (1.9) EU
60.3 (2° / s)
60.3 (2° / ) EU
73.0 (27 / )
73.0 (2° / ) EU
88.9 (3' / 2)
88.9 (3 /2) EU
101.6 (4)
101.6 (4) EU
114.3 (4°/ 2)
114.3 (4' / 2) EU
汕管加厚
部分的外径
注:CIEU表示外加厚油管
SY 5041—92
吊卡孔径
外加享油管的吊卡下孔孔径也可以与上孔孔径相同。3.6吊卡与吊环的连接尺寸应符合图1及表5的规定。图1
吊卡最人载荷
吊卡的
最大载荷
4技术要求
适用吊环最人
载荷的范围
225~2250
360~2250
585~2250
675-2250
9(K)~2250
1350~3150
1350~3150
2250~4500
3150-4500
4500-8750
SY 5041—92
侧开式钻杆吊
卡应大于或等
手:380
4.1产品应符合本标准要求,并按照经规定程序批准的图样和技术文件制造4.2吊卡主体(或左右体)、销轴和侧开式锥形台阶吊卡的活门材料最终热处理后的机械性能应不低「表6的要求。
材料爽别
4.3吊卡的主婴承载零件(即侧开式平台阶吊卡的主体,锥形台阶吊卡的主体和活门,对开式吊与的左右体)的变力部位按图样和技术文件规定进行无损探伤。吊卡的主要承载零件为锻件时,应逐件逃行超声波探伤检查。超声波探伤按GB6402的规定,探伤结果评定不得低于血级。
吊卡的主要承载零件为铸件时,应进行射线探伤检查。探伤结果评定等级不得低丁GB5677标准规定的Ⅲ级;对于批量生产的产品应灿取批量的2%进行射线探伤检查,但不得少于两套,4.4钻杆吊卡平台阶面承载区的表面必须进行淬火处理,硬度为HRC48~58,深度不小于2mm。4.5吊卡孔径尺寸的公差等级,应不低于GB1804巾规定的H15。4.6吊卡两耳孔端至台阶面的垂直距离,两边之差俏应小于或等于2mm。4.7吊卡两耳孔轴线相对于吊卡孔径的对称度公差为3mm。4.8吊卡全开时,开口的宽度应大卡通孔;侧开式叫卡的活门全开时,活门口的最大张开角垃不人于110。
SY 5041--92
4.9吊下装配后应开合灵活,无卡阻,锁紧机构功能良好。4.10吊卡经最人试验载荷试验,测得的最人残余变形不得大于0.2%,但其与试验装置的接触区允许有局部屈服。
最太试验载荷P=0.8pmax:na:但不得小于2pnaxs式中P——最大试验载荷,kN;
一届卡最大载荷:kN;
一屈服强度设计安全系数,其值按表7的规定。表7
最人载荷(pmau)
Pmax1350
1350≤pmax4500
屈服强度设计安全系数(n)
4.11用卡的非加工表面涂红色或枯黄色油漆,加.工表面涂防锈油脂5试验方法
5.1试验装置
进行载荷试验时:吊卡应以两耳孔孔顶悬架在支座上,用压力试验机向吊卡上平面垂直加载。5.2最大试验载荷试验
对吊卡加载到其最大载荷、停留3min。御载后检查吊卡,不得有功能削弱的情况。然后,在吊扌受力较大部位粘贴应变计,加载到最大试验载荷。卸载斥停留3min,记求电阻应变仪显示的应变值。试验结果应符合第4.10条的要求,允许进行不超过三次的重复加载试验。5.3出厂载荷试验
出厂载荷试验的载荷是最人载荷的1.5倍。试验后品卡应符合第4.9条的要求,6检验规则
6.1出厂检验
产品须经制造厂检验部门检验合格并附有合格证明文件方可出」。山」前按第4.4~4.9条的要求检验有关项目。并按第5.3条的要求进行出载荷试验。出厂载荷试验为抽检项目,抽样数量为批量的2%。但不得少于两套。试验产品中有一套不合格,则加倍抽样。若再有不合格考:则需逐套试验,合格者准予出厂。
6.2型式检验
6.2.1试制的吊卡或结构、材料、工艺有重大改变的吊卡均须进行型式试验。正常生产满三年时,也应进行型式检验、
6.2.2、吊卡的最人载荷、材料、结构和工艺相间,而孔径不同,可用接近中间孔径的产品进行型式检验其结论适用于该系列的全部吊卡。6.2.3型式检验的试验项目包括出厂检验备项日及最人试验载荷试验。检验完成后需提交无损检测合格报告。
7标志、包装、购存
SY504192
7.1每套吊卡应以永久性的方法在明显位置(台阶面除外)标示以下内容:最大载荷、型号、生产许可证号、制造!名或商标、出厂编号,制造年月,7.2产品包装须保护好台阶面和锁紧机构。使之在运输过程中不受损坏。包装外表而须标志产品名称、制造厂名。毛重(或同时标净重)。7.3产品应存放在下燥通风的地方。7.4在正常保管和使用(-吊一下)条件下,出」‘11起·什半内或产品使用一年内:因制造质量不良而损坏或影响正常使用时,制造!应负贡无偿更换或返修(不包括除主体活门外的易损件)附加说明:
本标准由全国钻采设备和工具标准化技术委员会提出并归口。本标准由上海第兰石油机械厂和宝鸡石油机械厂负责起草,本标准主要起草人翁平,刘良、朱立人。自本标准实施之口起,原中华人民其和国油部部标准SY5041一83《吊卡型式,基本参数与技术条件》作废。
小提示:此标准内容仅展示完整标准里的部分截取内容,若需要完整标准请到上方自行免费下载完整标准文档。