首页 > 石油天然气行业标准(SY) > SY 5215-1987 钻具止回阀
SY 5215-1987

基本信息

标准号: SY 5215-1987

中文名称:钻具止回阀

标准类别:石油天然气行业标准(SY)

标准状态:已作废

发布日期:1988-04-01

实施日期:1988-07-01

出版语种:简体中文

下载格式:.rar.pdf

下载大小:462523

相关标签: 钻具 止回阀

标准分类号

中标分类号:石油>>石油勘探、开发、集输设备>>E92石油钻采设备与仪器

关联标准

替代情况:被SY/T 5215-2005代替

出版信息

页数:10页

标准价格:15.0 元

相关单位信息

标准简介

SY 5215-1987 钻具止回阀 SY5215-1987 标准下载解压密码:www.bzxz.net

标准图片预览

SY 5215-1987 钻具止回阀
SY 5215-1987 钻具止回阀
SY 5215-1987 钻具止回阀
SY 5215-1987 钻具止回阀
SY 5215-1987 钻具止回阀

标准内容

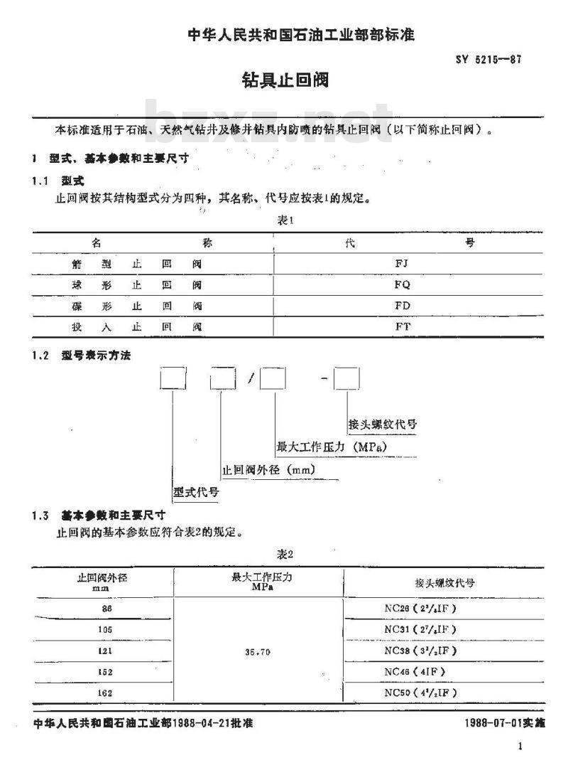
中华人民共和国石油工业部部标准SY 5215--87
钻具止回阀
1988-04-21发布
中华人民共和国石油工业部
1988-07-01实施
中华人民共和国石油工业部部标准钻具止回阀
SY 5215-87
本标准适用于石油、天然气钻井及修井钻具内防喷的钻具止回阀(以下简称止可阀)。型式,基本餐教和主要尺寸
1.1型式
止回阀按其结构型式分为四种,其名称,代号应按表1的规定。表1
型号表示方法
型式代号
1.3基本参数和主要尺寸
接头螺纹代号
最大工作压力(MPa)
止回阀外径(mm)
止回阀的基本参数应符合表2的规定。表2
止回阅外径
最大工作压力
中华人民共和面石油工业部1988-04-21批准号bZxz.net
接头螺纹代号
NC28(2/IF)
NC31(2/,IF)
NC38(3/.IF)
NC46(4IF)
NC50(4/2IF )
1988-07-01实施
SY 5215-—87
1.3.1箭形止回阀(FJ)的阀体可为上、下接头组合式(如图1)或整体式,其主要尺寸应符合表3的规定。
180±5
上接头
FJ88/35-NC26
FJ86/70-NC26
FJ105/35-NC31
FJ105/70-NC31
FJ121/35-NC38
FJ12L/70-NC38
FJ152/35-NC48
FJ152/70-NC46
FI162/36-NC60
FJ162/70-NC60
下接头
“形密封圈
1.3.2球形止回阀(FQ)的阀体可为.上、下接头组合式(如图2)或整体式,主要尺寸应符合表4的规定。T
180±5
上接头
下接买
密封球
弹黄座
调节垫片
FQ86/35-NC26
FQ86/70-NC28
FQ105/35-NC31
FQ105/70-NC31
FQ121/35-NC38
FQ121/70-NC38
FQ152/95-XC46
FQ152/70-NC46
FQ162/35-NC50
FQ162/70-NC50
SY 5215---87
碟形止回阀(FD)的主要尺寸应符合图3和表5的规定。1.3.3
FD86/35-NC26
FD86/70-NC2G
FD105/35-NC31
FD105/70-NC31
FD121/35-NC38
FD121/70-NC38
FD152/35-NC46
FD152/70-NC46
FD162/35-NC50
FD162/70-NC50
调位压帽
扶正套
SY 5215—87
1.3.4投入止回阀(FT)仅适用于数字型(NC)钻杆接头的钻柱,其主要尺寸应符合图4和表6的规定。
FT86/35-NC26
FT86/70-NC26
FT105/35-NC31
FT105/70-NC31
FT121/35-NC38
FT121/70-NC38
FT152/35-NC46
FT152/70-NC46
FT162/35-NC50
FT162/70-NC50
技术要求
2.1材料
D±0-5
SY 5215—87
2.1.1制造各种型式止回阀的阀体(上接头、下接头、工作筒)和阀瓣(阀瓣、阀座,心轴、卡瓦牙座、挂管)所用钢材的硫、磷含量均不得大于0,04%。2.1.2止回阀阀体的机械性能及硬度应符合表7的规定。表7
抗拉强度
屈服强度
律长率
产品应符合本标准的要求,并按照经规定程序批准的图样及技术义件制造。2.2.1
止回阀接头螺纹应符合GB4775--84《石油钻杆接头》的规定。長硬度
止回阀阀瓣工作密封表而的度应高于阀座密封表面的硬度,其差值应大于HRC5。投入让回阀阀心总成上的卡瓦牙块应均布配置。卡记牙加二成形后火表面硬度应在HRC40~45范围内。
2.2.5密封面(接头螺纹除外)的表面粗糙度:a:金属表面对金属表面,其表面粗糙度为Ra0.40μmsb.金属表面对非金属表面,其表面粗糙度为Ral.60um。2.2.6每只止回阀阀体在调质处理或粗加工后,必须进行无损检验,不允许有裂纹和降低强度及影5
响密封性能的缺陷存在。
$Y 5215—87
2.2.7各零件内、外表面不允许有裂纹、剥落,过热、凹凸等缺陷。2.2.8止回阀各零件的工作密封面和接头螺纹表面。端面和台肩面,不允许打印任何标记。3试验方法与捡验规则
3.1止回阀所用钢材的化学成份按质量保证书验收;并附材料化验单,无化验单的材料必须按GB222—63《钢的化学分析用试样采取法》获取试屑,再按GB22381《钢铁及合金化学分析方法进行化学分析检验。
3.2止回阀阀体的机械性能试验应按2.1.2的规定和GB4775中3.3条有关规定的试验方法进行。3.3止回阀阀体应按2.1.2的规定和GB231一84《金属布氏硬度试验法》进行硬度试验。检验部位应在阀体的外圆装面上距公接头台肩面或母接头端面25~30mm范圖内进行。3.4组装完的每只止回阀必须用清水进行密封试验。3,5试压步骤与方法如下
a,压力从零缓慢升压,直至最大工作压力,b.试压级别按表8规定
止回阀最大工作压力
c,试验中各零部件不得有永久变形;压力稳定后,稳压35min不得渗漏。3.6止回阀应符合本标准的规定,每套产品须经检验部门检验合格后方能出厂,并应附产品合格证。
3.8对止回阀的下列各项内容应全部进行检验a:止回阙外径
b。止画阀接头螺纹:
c。止回阀的内外各处工作密封表面采取的防蚀保护措施:d,投入止回阀的卡瓦牙在卡瓦牙座的燕尾槽内应滑动灵活,无卡阻。3.9用户有权根据本标准的规定对产品质量进行非破坏性检查。4、标志、包装、运输、贮存
4.1止回阀阀体外圆而上的标记槽应符合图5利表9的规定。表9
接头螺纹
4.2标记槽内应作如下标记,
a,制造厂名称或代号:
b.止回阀型号;
c,出厂编号:
d.出广期。
4.3标记示例:
$Y 5215--87
标记换
AB厂于1985年按本标准生产第2批阀体外径为121mm,最大工作压力为35MPa,接头螺纹NC38的投入止回阀,标记为:
AB ZT121/35-NC3885
4.4产品应带下列技术文件:
a。使用说明书:
b.产品装箱单:
C,产品合格证。
4.5金属备件与橡胶备件应分箱包装,不得混装。接头螺纹应配戴护箍。产品包装还应符合SY5309一87《包装通用技术条件》的规定。4.6包装箱外应标志:
a,收货单位及地址:
b.制造厂名称
心。产品名称及规格
d。数量;
e.净重及毛重:
f.包装箱外形尺寸(长×宽×高);9.出厂年,月。
4.了产品应在干爆通风条件下运输与贮存。在正常运输与贮存条件下,自发货之日起12个月内如发生锈蚀和质量问题而影响使用性能时,由制造厂负资。7
附加说明
SY5215—87
本标准由石油工业部石油勘探开发科学研究院提出。本标准由四川石油管理局钻采工艺研究所负责起草。本标准主要起草人正经、杨国宰。o
小提示:此标准内容仅展示完整标准里的部分截取内容,若需要完整标准请到上方自行免费下载完整标准文档。