首页 > 石油天然气行业标准(SY) > SY/T 5767-2002 管输原油降凝剂
SY/T 5767-2002

基本信息

标准号: SY/T 5767-2002

中文名称:管输原油降凝剂

标准类别:石油天然气行业标准(SY)

标准状态:已作废

发布日期:2002-05-28

实施日期:2002-08-01

作废日期:2005-11-01

出版语种:简体中文

下载格式:.rar.pdf

下载大小:752596

相关标签: 原油

标准分类号

标准ICS号:75.010

中标分类号:>>>>E1 石油>>石油勘探、开发与集输>>E16油、气集输

关联标准

替代情况:SY/T 5767-1995 SY/T 5887-1993;被SY/T 5767-2005代替

出版信息

页数:14页

标准价格:16.0 元

相关单位信息

标准简介

SY/T 5767-2002 管输原油降凝剂 SY/T5767-2002 标准下载解压密码:www.bzxz.net

标准图片预览

SY/T 5767-2002 管输原油降凝剂
SY/T 5767-2002 管输原油降凝剂
SY/T 5767-2002 管输原油降凝剂
SY/T 5767-2002 管输原油降凝剂
SY/T 5767-2002 管输原油降凝剂

标准内容

KS 75.010
备案号:10445--2002
中华人民共和国石油天然气行业标准SYT 5767--2002
代替 SY/T 5767—1995,$Y/T 5887—93管输原油降凝剂
Pour point depressant for pipelining crude oil2002 -05-28 发布
国家经济贸易委员会
2002- 08- 01实施
SY/T 5767—2002
本标准是对SY/T5767—1995管输原油降凝剂逆用技术系件》SYT5887.--93《原油降凝剂效果评定方法》的修订,并由原来的两项标准合并为一:修i时保留了SY57671995和SY/I5887一93中仍然适用的内容,国时根科学技术与生产发展情况做了划卜主要修收:、增川了前言的专用部分。修政了其基本部分一、在第「章“范封”,删去了对原油降凝剂的品种限制和对谅润胶质沥背质含量的适门限制
,在第4章“技术条件”中,增加广4.」“降凝剂不应含有对管输和炼制设备产生腐蚀及对洒品质量带来不良影响的组分和杂质:使用者有要求时,供货方应提供必要的愉验数据”:瑕消源表,其内容与原4.1、4.2合为本版本4.2的文字叙述:项月和指标均有修改,--些指标改为规定池用、由供货方提供实际数据:增加了验收充许范用的规定,并给出可能产生产品质量纠纷时相成的处理办法:对不同含蜡量原洲不叫规定不同指标:叫,将SY/5887-93技术要素的准本部分(第4章第10章)编人第5章“效果评是”:增加了粘温曲线的测楚和稳楚性试验,其原油与改性原油的凝点测定改用SY/T054原油凝点测庭法》方法;屈服值的测定改刃SY/T7547《原洒屈服值的测定旋转粘度计法》方法五,增加了第(章“实验模拟实验”本标准的附录A、附录B、附录C部是规范性附录:本标准自实施之H起、同时代替SY/T5767—1995和SY/T5887—93.本标准由油气储运专业标推化技术委员会提出并本标准起草单位:中国石油天然气股份有限公司管道分公司管道科技研究中心,中国在汕人然管道科学研究院。
本标滩主婴起草人:时京、权忠朗、赵丽英本标证委托国右汕大然气股份有限公司道分公司管道科技研究中心负货解释不标准的历次版本发布情说为:: .—SY/T5767—1995。
1范围
管输原油降凝剂
SY/T 576722
本标准规定了管输原汕降避剂的技术条件、以及刘其试验方法、检验规则、他装、标志,运输贮存等方而的要求,
本标准适用于管输原油用降凝剂2规范性引用文件
下列文位中的条款通过本标准的非用而成为本标谁的条款:凡是注口期的引而文件,其随后所有的修改单(不包括勘误的内容)或修订版均不适用」本标难,然而,發勋根据本标雅达成协议的各方研究足否可使用这些文件的最新版本。凡是不注期的引川文件,H最新版本适用于本标准。G3252200)轻柴油
CB253—1989煤油
G13/1'261—[983石汕产品闪点测定法(口杯法)G3/T 3781964
发动机燃料铜片腐蚀试验法
GB/I 510- -1983
右油产品凝点测定法
CB/I4756—1998石油液体于T取样法GlT 6003.11997金属丝编织网试验GB/T66791986固体化上产品采样通则GB/r668)--1986液体化工产品采样道则G8/I17039-1997利而试验数据确定产品质量与规格相符性的实用方2原洲粘度测定旋转粘度计平衡法SY/ 0520---93
SY052293原油析蜡点测定艇转粘度计法SY/T0541--94
原油凝点测定法
原油降凝剂采购规定
SY/I 6005—941
源油据服值测定凝转粘度计法
3Y/r 7547--1996
SY/T 7549—2000
3术语和定义
原油粘温曲线的确定旋转粘度计法下列术语和定义适而」不标雅,3.1
管输原油pipeliningcrudeoil
经悦水、稳定、混合店,含水量不高于1.5%、在管道输送过程中物性基本保持稳定的原油。本标准以下提到的“原汕”均指“管输原汕”3.2
改性原油
modified crude nil
经添加降凝剂处理后,流动特性有所改变的原泄:3.3
终冷温度final cooling lemperatureSY/T 5767—2002
在降凝剂效果评定试验中,原润添加降凝剂处理过程的最低温度,同时也足处理过程结束取样、测试的温度:般取原油凝点或凝点以下5T的温度作为终冷温度。3.4
降凝幅度 magnitude of pour point depression按本标准规定测得的膜油凝点与改性原油凝点的差值。3.5
降粘率ratiu of viscusity reduction在终冷温度和相同剪划速率下,原油与改性踪油的表观粘度(或粘度)之差值对原油表观粘度的百分比。
届服值下降率 ratiu of vield value reduction 在终冷温度下,原油与改性原油的属服值之差值对原油屈服值的百分比。4 技术条件
4.1降凝剂不应含有对筐输和炼制设备产生腐蚀及对油品质量带来不良影响的组分和杂质。使用者有要求时,供货方应提供必要的检验数据。4.2降凝剂物性应符合表1要求,如为固态产品:成是树脂状均匀颗粒,需按附录A进行邪溶性试验,技术指标应达到合格,油溶后产品,其物性也成符合表1要求:表「中指标项由供货方提供实际的具体数据:
当事双方出于验收试验结果落在允诈范田之外而产生纠纷时、应接GB/T17039一1997处理表1原油降凝剂物性要求及试验方法项日
表观粘度
闪点(明口)
有效组分的质量分数()
锅片腐蚀
均匀、无沉淀、不分层
满足使用要求
满足使用要求
满足使用要求
如供需双方同意,可用其它方法试验,或免去此项要求。验收允许范围
试验方法
GB/T51G
SY/T (520
GB/T 261
附录 Be
G1371 378
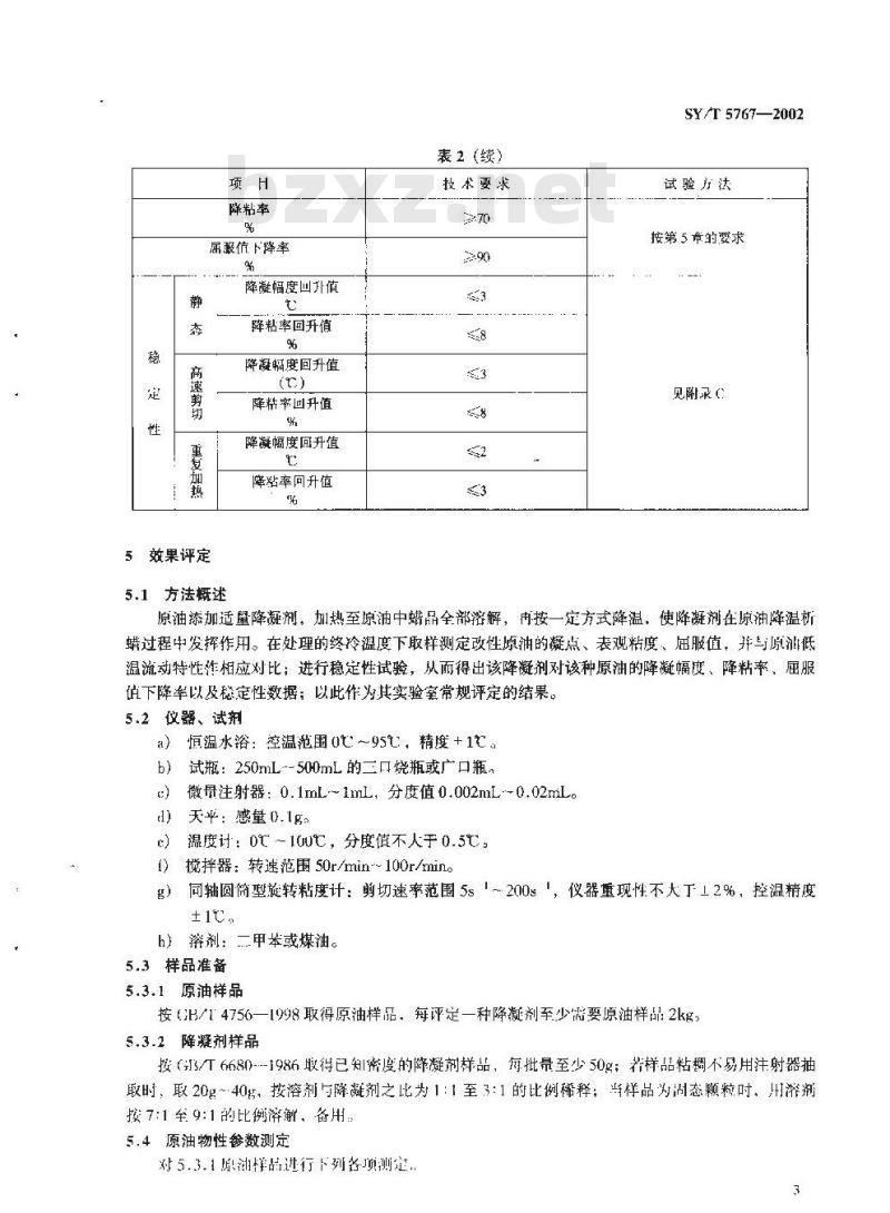
4.3实验空效果评定要求:降凝剂实验室效果评定的各项指标要求列于表2。实际数据由供货方提供,衰2降凝剂的实验室效果评定要求项目
加剂处理最高温度
加剂量(折合纯量)
mg/kgy
降凝度
技术要求
试验方法
按第5章的要求
降粘率
属服值下降率
降凝幅度凹升值
降粘率回升值
高遂剪切
重复加热
5效果评定
5.1方法概述
降凝幅度回升值
降粘率回升值
降凝幅度回升值
降站率回升值
表2(续)
技术要求
SY/T 5767—2002
试验力法
按第5章的要求
见附录(
原油添加适量降凝剂,加热至原油中蜡品全部溶解,再按一定方式降温,使降凝剂在原油降温析蜡过程中发挥作用。在处理的终冷温度下取样测定改性原油的凝点、表观粘度、屈服值,并与原油低温流动特性作相应对比;进行稳定性试验,从而得出该降凝剂对该种原油的降凝幅度、降粘率,屈服值下降率以及稳定性数据:以此作为其实验室常规评定的结果。5.2 仪器、试剂
a)恒温水浴:控温范围ot~5t,精度+1元。b)试瓶:250mL-500mL的三口烧瓶或广口瓶,e
微母注射器:0.1mL~1mL,分度值0.002mL-0.02mL。)
天平:感量0.1ga
温度计:0℃~100℃,分度值不人于0.5℃搅拌器:转速范围50r/min~100r/min。(
同轴圆简型旋转粘度计:剪切速率范围5s1~200s!,仪器重现性不大丁12%,控温精度±ic.
h)溶剂:甲苯或煤油。
5.3样品准备
5.3.1原油样品
按CB/14756一1998取得原油样品,每评定一种降凝剂至少需要原油样品:2kg,5.3.2降凝剂样品
按(罚3/T6680---1986取得已知密度的降凝剂样品,每批量至少50g:格样品粘稠不易用注射器抽取时,取20g~40g,按溶剂与降凝剂之比为1:1至3:1的比例稀释;当样品为闹态颗粒时、川剂按7:1至9:1的比例溶解、备用:5.4原油物性参数测定
对5.3.1原谢样品进行下列各项测定3
SY/T 5767—2002
5.4.1析蜡点
按 SY/T 0522—93 测定
5.4.2凝点
按SY/T(154194测定
5.4.3表观粘度
按SY/T05201—93测定原洲在加剂处理终冷温度下的表规粘度,剪切速率范围5%1~80%5.4.4粘温曲线
按SY/T7549—2000确定70℃至加剂处理终冷温度范围的原油粘温曲线,剪切速率范围5s-1-80s1
5.4.5屈服值
拨5.6,1测定改性晾油凝点质,在改性原汕凝点以L.3C温度下按SY/T75471996测定原池的屈服值,
5.5改性原油制备
5.5.1收5.3.1原油样品150g装人清洁十燥试瓶,5.5.2用微量注射器按所筋量排取5.3.2制备的降凝剂,注入5.5.1试瓶中。降凝剂添加量以每干克源油添加降凝剂毫克计
5.5.3将试瓶固定1水浴中,在瓶1内装好温度计及搅拌桨,适当密封。启动水浴加热,加热最高温度应高于原油析蜡点10t以上,通常为50t70t,恒温5min,同时启动搅拌器适度搅拌:5.5.4将溶温降至原油析蜡点以下5℃,使试油从处理最高温度起,以约1℃/min的降温速率降个原油析蜡点激度。
5.5.5控制浴温,使试汕降温速率为0.3/min~0.5C/min,降至加剂处理的终冷温度:如有特殊要求时,该温度巾供需双方协商确:5.6改性原油物性参数测定
在加剂处理的终冷温度下,取改性原油试样逃行下列各项测定。5.6.1凝点
按 5Y/I 054I—94 测。
5.6.2表观粘度[或粘度]
按SY/T0520—93,白接测定终冷温度下的表观粘度,前切速率范围5s-1~.80s-15.6.3屈服值
按SY/T7547—1996,不经预热,直接测定终冷温度下的屈服值:5.6.4稳定性
按附录C测定:
5.6.5粘温曲线
按SY/T75492000确定从加剂处理最高温度至终冷温度范的改性原油粘温曲线,剪切速率范围 5s-1 ~ 80s-1。
5.7 结果计算
按5.5进行两次重复试验,取山5.4和5.6测得的凝点、表观粘度及屏服值的算术平均值,按下列备式进行计算。
5.7.1降凝幅度
AT=TNO-TN
式中;
降凝幅度,七;
原油凝点,;
TN——改性原油凝点,C
5.7.2降粘率
, = 40= × 100%
武中:
降粘率;
-原油表观粘度,mPa*s;
SY/T 57672002
A1—改性原油表观粘度(或粘),inl'a*s两及应取5s~80-1范用内相同前切速率条件下的测定值。若找不出相同剪切速率下的测定值,可按几个剪切速率下测定值的叫归方程,计算出所需剪切速率下试样的表规粘度(或粘度),5.7.3属服值下降率
一届服值下降率:
o--—·原洲用服值,I'a:
#01×100%
改性原油丽服值,Pa
5.8报告
必需内容包括表2各项的实际数据及5.4.4与5.6.6确定的粘温面线。6实验室模拟试验
(.1应依据拟使川降凝剂的管道实际运行工况进行实验室模拟试验。模拟试验内容可包括:
a)经过管道输送全过程的剪切和热历史条件,包括经历过录、温度升、重复加热以及静止等,改性原的流动特性
b)掺和木加降凝剂的原汕或原油组分改变导敛效果的变化,6.2向使用者提交的试验报告应注明模拟方法及具体的模拟试验条件。7采样、检验
7.1采样
固态降凝剂的采样应符合GB/T6679.1986中2.3.1.1对袋装小颗粒物料的采样规定:非固态降凝剂的采样应符合GB/T668019862.1.3对流动态液体的大桶装产品(不大」2001.)和第3竞对稍加热即可成为流动态的粘稠液休产品的采样规定。7.2检验
降凝剂的检验规则应符合 SY/T 6005—94第 5章的规定8包装、标志、运输、贮存
8.1包装
固态降凝剂应使用牛皮纸袋或聚乙烯塑料袋密封,外包聚内烯编织袋保护;非固态降凝剂宜使历200L铁确或适当的容器包装,容器盖应密封不泄漏。8.2标志
包装或铁桶外应印有生产厂名、产品名称及代号、标雅编号、生产日期、批号、有效期和净质量等标志。
SY/T 5767—2002
在运输降凝剂产品时成注意防火,避免晒和包装件损坏8.4贮存
贮存时应置放在防火、通风、「燥的仓库内。降凝剂产品应在有效期内使用。过期应复检,性能符合第4章要求仍可使用。
A.1原理
附录A
(规范性附录)
固态降凝剂油溶性试验
SY/T 5767—2002
将固态降凝剂在指定条件下配制成指定浓度的轻柴油或原溶液,观测降凝剂济解状况并评定其油溶性。
A.2仪器和试剂
A.2.1水浴:室温~30℃,措度±1t:A.2.2搅拌器:转速50r/nin-120r/minoA.2.3天平:感量0.2gg
A.2.4温度计:0C~100℃,分度值不大于0.5℃。A.2.5试瓶:250mL广口瓶。
A.2.6轻柴油:符合G乃252—2000中对0号或-10号轻柴油的要求。4.2.7原油:拟添加降凝剂进行改性处理的原油。A,3轻柴油油溶性试验
A.3.1试瓶内加人轻柴油75g,置于恒温70℃:+1的水浴中,向试瓶内加固态降凝剂25g,装好搅拌器并将瓶口合适密封,以80r/min~120r/min搅拌,观察其溶解状况并记录从开始搅拌个完全溶解的时间。
A.3.2将A.3.1制备的溶液在室温下静置24h,目测溶液足否分层。A.3.3溶解时问不人于5h,且A.3.2目测溶液的结果不分层,认为固态降凝剂的轻柴冲油辫性试验合格。
A.4原油油溶性试验
A.4.1试瓶内加人原油30g,置于恒温80℃土1℃的水浴中,向试瓶内加入固态降凝剂10g,装好搅拌器并将瓶口合适密调,以80r/nin~120t/min搅拌至8hcA.4.2将A.4.1制备的溶液趋热用滤网过滤,滤网规格为SSW0.40/.25(符合GB/T60031的规定)。目测,筛网1和试瓶壁是否有颗粒或胶状附着物:A.4.3筛网上和试瓶壁无颗粒或胶状附着物,认为固态降凝剂的原油油溶性试验合格。A.5试验报告
根据A.3.3或A,4.3结果,报告固态降凝剂油溶性:试验结果。7
$Y/T 5767--2002
B.1原理
附录R
(规范性附录)
降凝剂浓度的测定
选择种能与降凝剂溶液中的煤油或轻柴油等溶剂充分立游,似!义不溶解降凝剂中的高分子盒物的溶剂(如乙醇),将降凝剂中的有效成分一一高分子聚合物沉析出来,将沉析物过滤,烘下、恒量,引算非固态降凝剂的浓度:B.2仪器和试剂
烘箱:控温35℃=5℃。
B.2.2天半:感量0.1g
晟筒:50mL
烧杯:100mL,400ml
玻璃表面血:直径100mms
定性滤纸:直径125mme
无水乙醇:化学纯
煤油:符合GB253--1989中对煤油的要求。B.2.8
B.3样品处理
将皱璃瓶内的降凝剂样品(不超过窄积的3/4)摇勾:对粘稠样品成预热至50℃:60℃,用玻璃释揽拌后摇列:
B.4测定
B.4.1用记知质量的100mL烧杯,称取降凝剂样品15g20g(精确至0.1g),煤汕20ml25l,搅拌均匀.
B,4.2量敢无水乙醇200ml.,倒人400ml.烧杯F,B.4.3将3.4.1制备的降凝剂溶液,以细线流状缓慢倒人13.4.2烧杯内的无水乙醇寸,倒入过程川致棒快速搅拌,倒人完毕继续搅拌约1nin。如沉析物晕人块胶讯状,叮用不锈钢前力剪碎,继续用玻璃棒搅拌、静置各3mi:1~Sumil:B.4.4将烧杯内上层清液倒人B3.4.1的100mL烧杯,用坡璃棒溯洗残留的降凝剂溶液。然后缓慢倒人13.4.2烧杯内,搅拌、静胃各3min-5min。B.4.5将烧杯内t层清液倒人已知质量的定性滤纸过滤:对烧杯内的沉析物机人约500rnl无水乙醇,用玻离择挤斥搅拌【min~2minaB.4.布依次将烧杯内的清液和沉析物入B.4.5的定性滤纸「过滤。B.4.7将滤纸和滤出的沉析物放在表面正上,放人30~·401的烘箱内烘干至恒量(前后两次称量之差不大于0.g)
B.5 计算
B.5.1降避剂的质量分数按式(13.1)讨算:W
式中:
降凝剂质量分数;
W.沉析物质量,g;
Wr——降凝剂样品质量,g。
取平行测定两个结果的算术平均值作为试样的浓度。H.5.2
B.6精密度
-操作考平行测定两个结果之差应不大12%。SY/T 5767—2(M02
SX /T 5767—2002
C.1原理
附录C
【规范性附录】
改性原油稳定性试验
将按5.5制备的改性原油分别经静置、高速剪切及重复加热处理,测定H降凝幅度和降粘率的叫值,以评定改性原油的静置、高逆剪切及重复加热的稳定性C.2仪器和试剂
C.2.1 水浴:0℃80精度11℃。
C.2.2搅拌器:转速 50r/tmin~1500r/min,聚ll-65rrum×17rmmC.2.3天平:感量0.1g
C.2.4间轴圆简型旋转粘度让:剪切速率范围5s1--2001,仪器重现性不大下±2%,控温精度=it.
C,2.5试瓶:250ml--500mlL的三1烧瓶或广可瓶C.2.6微量注:射器:量程0.1ml--1ml,分度值0.002ml.--0.02mL:C.2.7温度讨:-100,分度值不大于(.5C.2.8煤汕:符合(B253—1589对煤油的要求。C.3静置稳定性试验
C.3.1按5.5处理原油,并按5.6.1,5.6.2测定终冷温度下的凝点T及表观粘度\1:C.3.2将C.3.1剩余样品在终冷温度密静置72h,按5.6.1,5.6.2测定凝点T及表观粘度u2C.3.3按C.6计算经静置稳定性试验后降凝幅度和降粘率的同升值。C.4高速剪切稳定性试验
c.4.1 间 c.3.1,
C.4.2另取油样,执行5.5.1-5.5.4,当温降至原油凝点以上5c时,用搅拌器以1200r/min~1500r/min搅拌1min,然后以0.3t/min--0.5T/min降至终冷温度,测定其凝点及表观粘度。C.4.3按C.6让算经高速剪切稳定性试验后降凝幅度和降粘率的回升值。C.5重复加热稳定性试验
C.5.1间(.3.1
C.5.2将(..5.1得到的改原油,重复5.5.3~5.5.4次,测定其凝点及表规粘度:(.5.3按(..6计算经重复加热稳定试验店降凝幅度及降粘率的图刊值:C.6结果计算www.bzxz.net
C6,1稳定性试验要求做平行试验,两次试验的凝点、表观粘度的测定结果成符食其相成测定方法的误养规定,并取两次的算术平均值作为测试结果:(.6.2降幅度回升值按式(.1)计算:AT - TN2 -- TNI
式中:
小提示:此标准内容仅展示完整标准里的部分截取内容,若需要完整标准请到上方自行免费下载完整标准文档。