首页 > 电力行业标准(DL) > DL/T 682-1999 母线金具用沉头螺钉
DL/T 682-1999

基本信息

标准号: DL/T 682-1999

中文名称:母线金具用沉头螺钉

标准类别:电力行业标准(DL)

标准状态:现行

发布日期:2000-02-24

实施日期:2000-07-01

出版语种:简体中文

下载格式:.rar.pdf

下载大小:1181242

相关标签: 母线 沉头 螺钉

标准分类号

中标分类号:电工>>输变电设备>>K47输电线路器材

关联标准

出版信息

出版社:中国电力出版社

页数:3页

标准价格:8.0 元

出版日期:2000-07-01

相关单位信息

起草人:骆忆祖、刘锡敏

起草单位:长春水利电力高等专科学校电力金具厂

归口单位:全国架空线路(电力金具)标准化技术委员会

提出单位:国家电力公司科技司

发布部门:中华人民共和国国家经济贸易委员会

标准简介

本标准规定了螺纹规格为M12-M18的开槽沉头螺钉。本标准只适用于电力金具中母线金具的配套使用。 DL/T 682-1999 母线金具用沉头螺钉 DL/T682-1999 标准下载解压密码:www.bzxz.net

标准图片预览

DL/T 682-1999 母线金具用沉头螺钉
DL/T 682-1999 母线金具用沉头螺钉
DL/T 682-1999 母线金具用沉头螺钉
DL/T 682-1999 母线金具用沉头螺钉
DL/T 682-1999 母线金具用沉头螺钉

标准内容

备案号:6761—2000
中华人民共和国电力行业标准
DL/T 682 — 1999
20007470
母线金具用沉头螺钉
Countersunk head screws for bus-bar fittingQ
2000-02-24发布
中华人民共和国国家经济贸易委员会2000-07-01实施
DL/T682—1999
根据GB68—85《开槽沉头螺钉》标准的规定,其规格范围为M1.6~M10,而母线金具为了与GB8287.1.2一87《高压支柱瓷绝缘子》配合,在过去、现在和将来,都必须用M12及以上的沉头螺钉,为此制定本标准,以适应我国金具发展的需要。本标准按照GB1.3一87《标准化工作导则、产品标准编写规定》编制。本标准规定的各项规则,用来保证母线金具和相应的高压支柱瓷绝缘子的紧固配合,不论其内容如何改进,都尽可能以相同尺寸,互换更新。本标准由国家电力公司科技司提出。本标准由全国架空线路(电力金具)标准化技术委员会归口。本标准起草单位:长春水利电力高等专科学校电力金具厂本标准主要起草人:骆忆祖、刘锡敏DL/T 682—1992
1范围
引用标准
3尺寸
技术条件
标记·
·范围
中华人民共和国电力行业标准
母线金具用沉头螺钉
Countersunk head screws for bus-bar fitting本标准规定了螺纹规格为M12~M18的开槽沉头螺钉。本标准只适用于电力金具中母线金具的配套使用。引用标准
DL/T682—1999
下列标准所包含的条文,通过在本标准中引用而构成为本标准的条文。本标准出版时,所示版本均为有效。所有标准都会被修订,使用本标准的各方应探讨使用下列标准最新版本的可能性。GB196一81普通螺纹基本尺寸
GB197—81
普通螺纹
公差与配合
紧固件机械性能螺栓、螺钉和螺柱GB3098.1—82
GB3098.6—86
GB3103.1—82
GB5267-85
GB5279—85
紧固件机械性能不锈钢螺栓、螺钉、螺柱和螺母紧固件公差螺栓、螺钉和螺母
螺纹紧固件电镀层
·沉头螺钉头部形状和测量
紧固件表面缺陷螺栓、螺钉和螺柱一般要求GB5779.1-86
GB90—85
紧固件验收检查、标志与包装
见图1和表1的规定。
的或平的
图1沉头螺钉
镶制末端
表1沉头螺钉尺寸
规格d
理论值
实际值
最大值
最大值
最大值
最小值
最大值
最小值
最大值
最小值
最小值
最大值
注:d的理论值按GB5279—85规定中华人民共和国国家经济贸易委员会2000-02-24批准M12
2000-07-01实施
技术条件
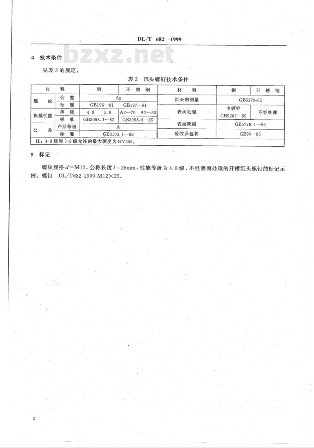
见表2的规定。
机械性能
产品等级
GB196—81
DL/T·682—1999
表2沉头螺钉技术条件
不锈钢
GB19781
A2—70A2--50
GB3098.1——82
GB3098.685
GB3103.1—82
注:4.8级和5.8级允许的最大硬度为HV255。0
材·料
沉头的测量
表面处理
表面缺陷
验收及包装
GB5279-85
电镀锌
GB5267—85
不经处理
GB5779.1-86
GB90—85
螺纹规格-d=M12,公称长度1=25mm,性能等级为4.8级,不经表面处理的开槽沉头螺钉的标记示例:螺钉DL/T682-1999-M12X25。中华人民共和国
电力行业标准
母线金具用沉头螺钉
DL/T682—1999
中国电力出版社出版、发行
(北京三里河路6号100044http://www.cepp.com。cn)园印刷厂印刷
2000年5月第一版2000年5月北京第一次印刷880毫米×1230毫米16开本0.25印张6千字印数0001—4000册
书号155083·124
版权专有
定价5.00元wwW.bzxz.Net
翻印必究
(本书如有印装质量问题,我社发行部负责退换)
小提示:此标准内容仅展示完整标准里的部分截取内容,若需要完整标准请到上方自行免费下载完整标准文档。