首页 > 铁路运输行业标准(TB) > TB 1549.10-1984 冷冲模托料滚道装置 升降滚道轴
TB 1549.10-1984

基本信息

标准号: TB 1549.10-1984

中文名称:冷冲模托料滚道装置 升降滚道轴

标准类别:铁路运输行业标准(TB)

标准状态:已作废

发布日期:1984-12-24

实施日期:1985-07-01

出版语种:简体中文

下载格式:.rar.pdf

下载大小:60251

相关标签: 冷冲模 装置 升降

标准分类号

中标分类号:机械>>工艺装备>>J46模具

关联标准

出版信息

页数:1页

标准价格:8.0 元

相关单位信息

标准简介

TB 1549.10-1984 冷冲模托料滚道装置 升降滚道轴 TB1549.10-1984 标准下载解压密码:www.bzxz.net

标准图片预览

TB 1549.10-1984 冷冲模托料滚道装置 升降滚道轴

标准内容

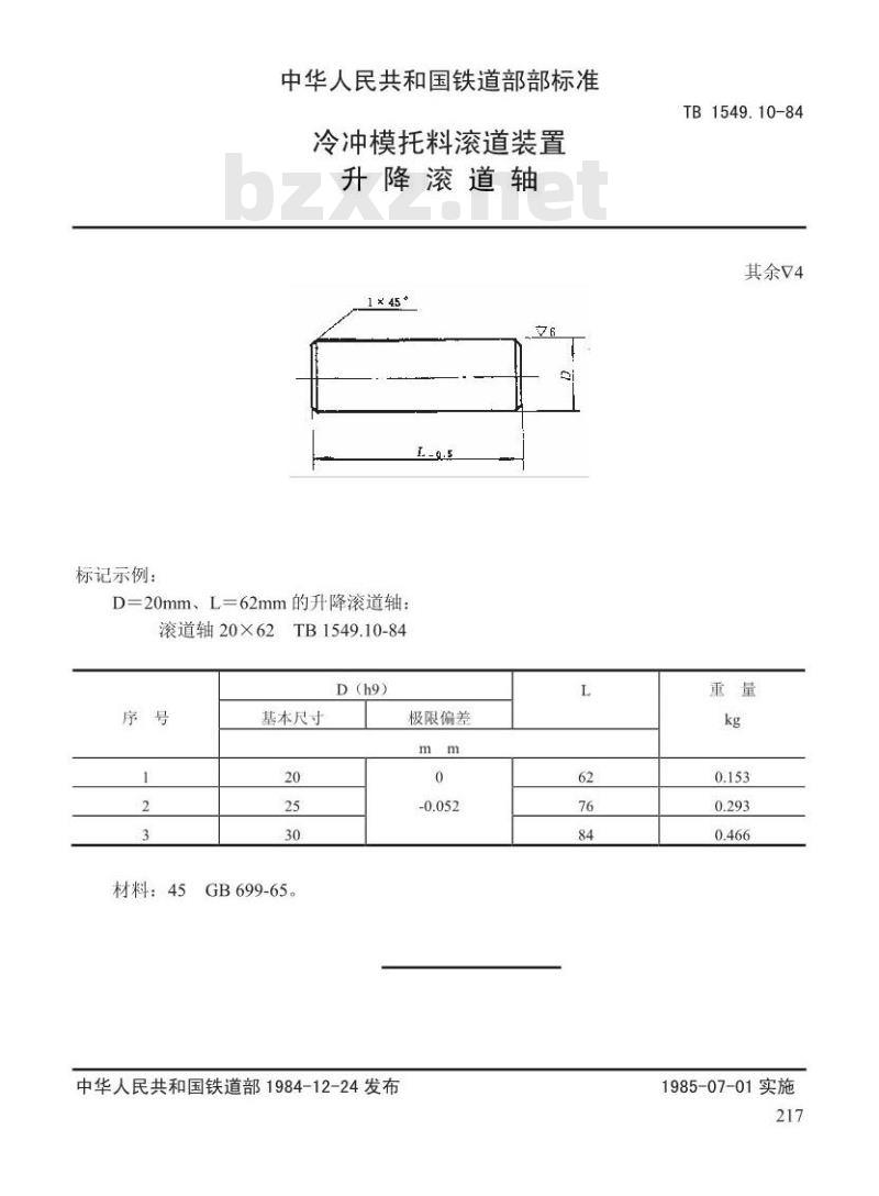
标记示例:
中华人民共和国铁道部部标准
冷冲模托料滚道装置
升降滚道轴
1 × 45 *wwW.bzxz.Net
D=20mm、L=62mm的升降滚道轴:滚道轴20×62
TB1549.10-84
材料:45
基本尺寸
GB699-65。
中华人民共和国铁道部1984-12-24发布极限偏差
TB1549.10-84
其余V4
1985-07-01实施
小提示:此标准内容仅展示完整标准里的部分截取内容,若需要完整标准请到上方自行免费下载完整标准文档。