首页 >  铁路运输行业标准(TB) >  TB/T 2485-1994 高锰钢辙叉弯曲疲劳试验方法

基本信息

标准号: TB/T 2485-1994

中文名称:高锰钢辙叉弯曲疲劳试验方法

标准类别:铁路运输行业标准(TB)

标准状态:现行

发布日期:1994-08-01

实施日期:1995-04-01

出版语种:简体中文

下载格式:.rar.pdf

下载大小:1.24 MB

相关标签: 高锰钢 辙叉 弯曲 疲劳 试验 方法

标准分类号

中标分类号:铁路>>铁路建筑设备>>S13桥涵与隧道构件

关联标准

出版信息

出版社:中国铁道出版社

页数:6页

标准价格:12.0 元

出版日期:1995-04-01

相关单位信息

起草人:顾培雄、田吉临、林吉生、浦学湘

起草单位:铁路部标准计量研究所、铁路部科学研究院铁道建筑研究所

提出单位:铁路部标准计量研究所

标准简介

本标准规定了各种型号高锰钢辙叉在竖向荷载作用下的弯曲疲劳试验方法。本标准适用于高猛钢辙叉的疲劳检验、定期型式试验等疲劳抗力对比考核。本标准适用于新生产的和工艺变更较大时生产的高猛钢辙叉疲劳性能是否达到实用程度的评价。 TB/T 2485-1994 高锰钢辙叉弯曲疲劳试验方法 TB/T2485-1994

标准内容

中华人民共和国铁道行业标准
TB/T2485—94
高锰钢辙叉弯曲疲劳试验方法
1994-08--01发布
中华人民共和国铁道部发布
1995-04-01实施
中华人民共和国铁道行业标准
高锰钢辙叉弯曲疲劳试验方法
1主题内容与适用范围
TB/T 2485-94
本标准规定了各种型号高锰钢辙叉在竖向荷载作用下的弯曲疲劳试验方法。本标准适用于高锰钢辙叉的疲劳检验、定期型式试验等疲劳抗力对比考核。本标准适用于对新生产的和工艺变更较大时生产的高锰钢撤叉疲劳性能是否达到实用程度的评价。
·2试验设备
2.1采用脉冲疲劳试验机,加载能力应不小于500kN,并由国家计量部门定期检验标定。在检定合格日期范围内的试验为有效。2.2静力法检查时,试验机表盘示值允许偏差不大于土1%。2.3疲劳试验机动荷载应进行标定。2.4疲劳试验机加载头与试件间应设置半径为420mm的圆柱形专用加载装置。3试件
3.1试验辙叉应符合TB/T447的规定。并附有冶炼炉号、试样冶炼成份、机械性能、外形尺寸及表面质量报告。
3.2试验辙叉应经无损探伤。
3.3试件数量
3.3.1辙叉的疲劳检验、定期型式试验等疲劳抗力对比考核,每次一根。3.3.2评价新生产的和工艺变更较大时生产的辙叉的弯曲疲劳试验,每次三根。4试验步骤和方法
4.1随机抽取不少于三个检验断面。通常选取咽喉、心轨宽50mm及跟(趾)端变截面处三个断面。对于不同辙又断面,通过计算得出相应断面系数。4.2选用三点弯曲疲劳图式,见图1。疲劳荷载循环特征值取0.2。中华人民共和国铁道部199408—01批准1995-04-01实施
TB/T 2485--94
4.3疲劳循环次数n取2×10°次。循环加载频率采用250次/分。国产高锰钢撤叉的平均疲劳持久极限(co.2)取157MPa。4.4根据弯曲疲劳图式选择支点与荷载之间的距离,并计算所需荷载值上限Pmx和下限P:计算公式见(1)、(2)、(3)式其中:Mp-
Mp=[oo.]· W.
[oo.2] . Wp.]
Pmin-0.2·Pmx
被检断面的弯矩,N·mm
一高锰钢辙叉的疲劳持久极限,MPa;Lao.
W—被检断面的断面系数,mm;
一荷载值上限,N;
一支点A,B间距离,mm;
一支点A至被检断面的距离,mm;一支点B至被检断面的距离,mm;一趾端至支点A的距离,mm;
荷载值下限,N。
4.5将选定的检验断面和支点位置标注在辙叉上,然后将辙叉放在支座上,并使疲劳试验机加载头的中线和检验断面对中;支座中线和辙叉上的支点位置标注线对中。4.6经检查试件放置合格后,施加疲劳荷载。待试验机运转稳定后,记录循环次数。每次试验需一次完成规定疲劳循环次数,不得中途行歇。试验中途因特殊情况行歇试验者其结果仅供参考。
5试验结果评定
5.1对辙叉的疲劳检验、定期型式试验等疲劳抗力对比考核,在计算荷载作用下,凡经2×10°次疲劳循环未出现裂纹者,评为合格;若未达到2×10°次疲劳循环出现裂纹时,再抽两根,并均须达到210°次疲劳循环未出现裂纹,方可评为合格。5.2新生产的和工艺变更较大时生产的高锰钢辙叉疲劳性能试验必须有两根经2×10°次疲劳循环未出现裂纹者,方可评为达到实用程度。6试验记录表及报告单
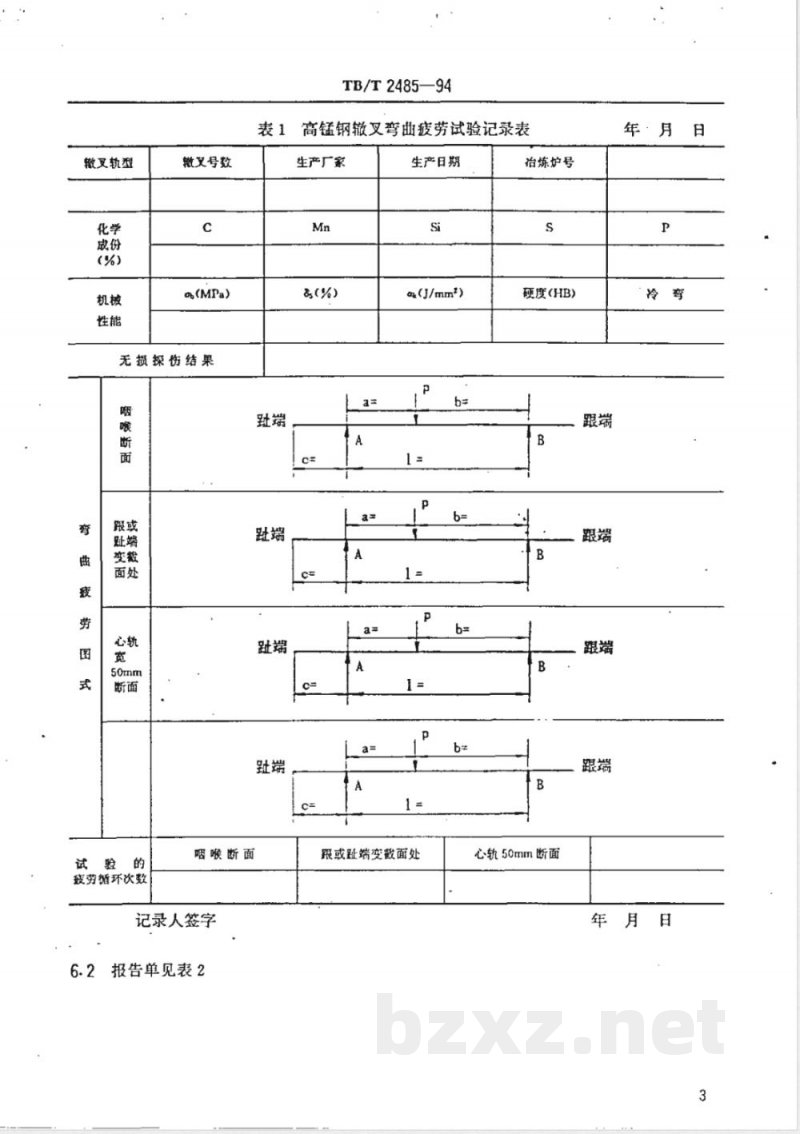
6.1试验记录见表1
教叉轨型
撤又号数
o(MPa)
无损探伤结果
咽曦断面
玻劳循环次数
TB/T2485—94
表1高锰钢辙叉弯曲疲劳试验记录表生产厂家
咽喉断面
记录人签字
6.2报告单见表2
生产日期
a(J/mm2)
跟或趾端变散面处
冶炼炉号
硬度(HB)
心软50mm断面
年·月 
辙叉型号
特征值
弯曲疫劳图式
特征值
弯曲疲劳图式
特征值
TB/T2485-94
表2高锰钢辙叉弯曲疲劳试验报告单冶炼炉号
断面系数(mm*)
断面系数(mm2)
生产厂家
最大应力
最大应力
断面系数(mm2)
弯曲疲劳图式
试验人签字
最大应力
生产日期
载荷上限
载荷下限
载荷上限
载荷下限
载荷上限
载荷下限
实物试验
循环次数
实物试验
循环次数
实物试验
循环次数此内容来自标准下载网
TB/T 2485—94
附录A
关于抽样批的规定
(补充件)
高锰钢撤叉的定期型式试验按生产累计每5000根送检一次年产不足5000根的工厂每年送检一次。由质量监督检验部门试验评定附加说明:
本标准由铁道部标准计量研究所提出、归口。本标准由铁道部科学研究院铁道建筑研究所、铁道部标准计量研究所起草,本标准主要起草人顾培雄、田吉临、林吉生、蒲学湘。

小提示:此标准内容仅展示完整标准里的部分截取内容,若需要完整标准请到上方自行免费下载完整标准文档。

标准图片预览

TB/T 2485-1994 高锰钢辙叉弯曲疲劳试验方法 TB/T 2485-1994 高锰钢辙叉弯曲疲劳试验方法 TB/T 2485-1994 高锰钢辙叉弯曲疲劳试验方法 TB/T 2485-1994 高锰钢辙叉弯曲疲劳试验方法 TB/T 2485-1994 高锰钢辙叉弯曲疲劳试验方法