首页 > 医药行业标准(YY) > YY 1120-1999 口腔灯
YY 1120-1999

基本信息

标准号: YY 1120-1999

中文名称:口腔灯

标准类别:医药行业标准(YY)

标准状态:现行

发布日期:1999-06-07

实施日期:1999-10-01

出版语种:简体中文

下载格式:.rar.pdf

下载大小:185810

相关标签: 口腔

标准分类号

中标分类号:医药、卫生、劳动保护>>医疗器械>>C33口腔科器械、设备与材料

关联标准

替代情况:ZB K73005-1985

采标情况:ISO 9680-1993 NEQ

出版信息

出版社:中国标准出版社

书号:155066.2-13329

页数:8页

标准价格:10.0 元

出版日期:1999-10-01

相关单位信息

起草人:刘滢

起草单位:全国口腔材料和器械设备标准化技术委员会

归口单位:全国口腔材料和器械设备标准化技术委员会

发布部门:国家药品监督管理局

标准简介

YY 1120-1999 口腔灯 YY1120-1999 标准下载解压密码:www.bzxz.net

标准图片预览

YY 1120-1999 口腔灯
YY 1120-1999 口腔灯
YY 1120-1999 口腔灯
YY 1120-1999 口腔灯
YY 1120-1999 口腔灯

标准内容

备索号:3046—1999
中华人民共和国医药行业标准
YY1120—1999
腔,灯
Dental operatinglight
1999-06-07发布
国家药品监督管理局发布
1999-10-01实施wwW.bzxz.Net
YY1120-1999
本标准非等效采用了ISO9680:1993《牙科治疗灯》。本标准是在原专业标准ZBK73005-1985《口腔灯》的基础上修订的,对口腔灯的照度、色温、温升指标等进行了修改。
本标准的电气安全性能要求执行了GB9706.1—1995的要求,环境要求执行了GB/T14710—1993的要求。
本标准从实施之日起代替ZBK73005—1985《口腔灯》。本标准由国家药品监督管理局提出。本标准由全国口腔材料和器械设备标准化技术委员会归口。本标准由上海医疗器械五厂起草。本标准主要起草人:刘璞。
本标准于1985年6月首次发布。
1范围
中华人民共和国医药行业标准
Dental operating light
YY1120—1999
代替ZBK73005-1985
本标准规定了口腔灯的产品分类、要求、试验方法、检验规则、标志、使用说明书、包装、运输和贮存等要求。
本标准适用于口腔灯,该产品为牙科治疗机的配套件,供口腔科诊断、治疗及手术时照明用。2引用标准
下列标准所包含的条文,通过在本标准中引用而构成为本标准的条文。本标准出版时,所示版本均为有效。所有标准都会被修订,使用本标准的各方应探讨使用下列标准最新版本的可能性。GB191-1990包装储运图示标志
GB/T2828—1987逐批检查计数抽样程序及抽样表(适用于连续批的检查)GB/T2829—1987
周期检查计数抽样程序及抽样表(适用于生产过程稳定性的检查)GB9706.1一1995医用电气设备第一部分:安全通用要求GB9969.1—1998工业产品使用说明书总则GB/T14710--1993医用电气设备环境要求及试验方法3分类
3.1型式
a)可调式:连续可调或至少三档的有级可调;b)不可调式。
3.2基本参数:口腔灯的质不大于3kg。4要求
口腔灯在下列环境下应能正常工作:a)环境温度:5℃40℃;
b)相对湿度:≤80%;
c)电网电压:220V士10%;频率:50Hz土1Hz;灯内电源由生产厂家规定。4.1口腔灯应能在灯架上灵活动作,并能稳定地停留在所规定的位置上,在不受外力时.不应改变原来的位。
4.2口腔灯的转动范围应不小于120°。4.3口腔灯的玻璃反射器的反射面应无明显的擦伤痕迹,并不得有影响膜层的缺损和边。4.4口腔灯的照度:可调式的调节范围应为80001x~150001x,不可调式的应不小于150001x。4.5口腔灯的光斑在相距灯面800mm处照明区域,中心为最大光照度,光斑中心照度左右两旁25mm处的照度应不小于额定照度的70%。国家药品监督管理局1999-06-07批准1999-10-01实施
YY1120—1999
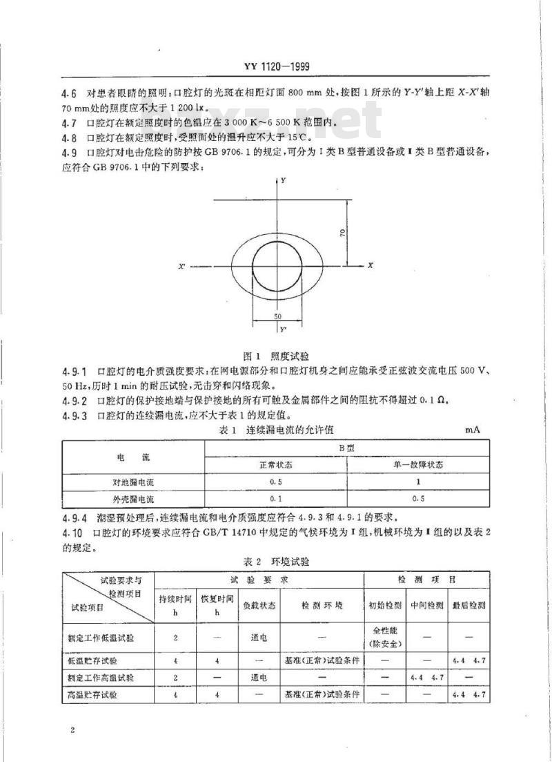
4.6对患者眼晴的照明:口腔灯的光斑在相距灯面800mm处,按图1所示的Y-Y轴上距X-X轴70mm处的照度应不大于1200lx。4.7口腔灯在额定照度时的色温应在3000K6500K范围内。4.8口腔灯在额定照度时,受照面处的温升应不大于15℃。4.9口腔灯对电击危险的防护按GB9706.1的规定,可分为I类B型普通设备或I类B型普通设备,应符合GB9706.1中的下列要求:Y
图1照度试验
4.9.1口腔灯的电介质强度要求:在网电源部分和口腔灯机身之间应能承受正弦波交流电压500V、50Hz,历时1min的耐压试验,无击穿和闪络现象。4.9.2口腔灯的保护接地端与保护接地的所有可触及金属部件之间的阻抗不得超过0.12。口腔灯的连续漏电流,应不大于表1的规定值。4.9.3
表1连续漏电流的允许值
正常状态
对地漏电流
外壳漏电流
单一故障状态
4.9.4潮湿预处理后,连续漏电流和电介质强度应符合4.9.3和4.9.1的要求。mA
4.10口腔灯的环境要求应符合GB/T14710中规定的气候环境为I组,机械环境为1组的以及表2的规定。
环境试验
试验要求与
检测项目
试验项目
额定工作低温试验
低温贮存试验
额定工作高温试验
高温贮存试验
持续时间
试验要
恢复时间
负载状态
检测环境
基准(正常)试验条件
基准(正带)试验条件
检测项目
初始检测
全性能
(除安全)
中间检测
最后检测
试验要求与
检测项目
试验项目
额定工作湿热试验
湿热贮存试验
振动碰撞试验
持续时间
YY1120-1999
表2(完)
试验要求
恢复时间
负载状态
检测环境
基准(正常)试验条件
基准(正常)试验条件
1口腔灯在做振动试验时.可把玻璃制品(如果有)取下。2口腔灯的碰撞试验不做。
检测项
初始捡测
中间检测
3由于口腔灯是供牙科治疗机配套,不与网电源直接相连,故对电源的适应能力试验不做。5试验方法
5.1试验条件
a)额定照度为150001x(不可调式为灯的实际照度):b)测量屏幕离灯面距离为800mm:5.2外观
以目力观察应符合4.3的规定。
5.3性能试验
5.3.1定位稳定性能试验:在口腔灯的转动范围内转动灯头,应符合4.1的规定。5.3.2转动范围试验:用角度尺测量灯头的转动范围,应符合4.2的规定。最后检测
5.3.3照度试验:在距口腔灯正下方800mm处,用照度计测量光斑中心的照度,应符合4.4的规定。5.3.4照度均匀性试验:如图1所示,将照度计沿X-X轴左右移动,测量光斑中心两势25mm处的照度应符合4.5的规定(矩型光斑长端落在X轴)。5.3.5对患者眼内照明检验:按图1所示,在Y-Y轴上距X-X轴70mm处,用照度计测盘,应符合4.6的规定,
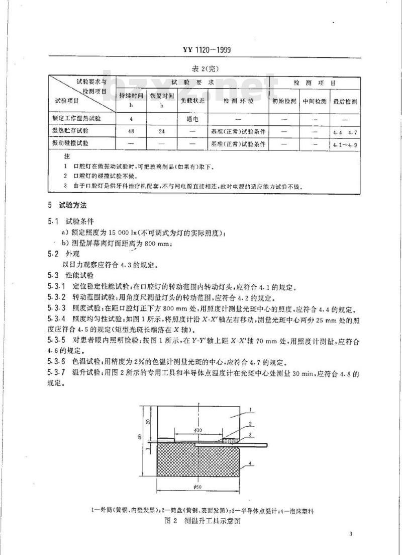
5.3.6色温试验:用精度为2%的色温计测量光斑的中心,应符合4.7的规定。5.3.7温升试验:用图2所示的专用工具和半导体点温度计在光斑中心处测量30min,应符合4.8的规定。
1一外简(费铜、内壁发黑);2一简盘(黄铜、表面发黑);3一半导体点温计:4一泡沫塑料图2测温升工具示意图
YY1120—1999
5.3.8对电击危险的防护试验
5.3.8.1电介质强度试验:按GB9706.1—1995中的20.4进行试验,应符合4.9.1的要求。5.3.8.2保护接地阻抗试验:按GB9706.1—1995中的18f)的规定,应符合4.9.2的规定。5.3.8.3连续漏电流试验:按GB9706.1—1995中的19.4的规定,应符合4.9.3的规定。5.3.8.4潮湿预处理按GB9706.1-1995中4.10的要求,连续漏电流和电介质强度按GB9706.1-1995中19.4.a)1和20.4.a)的方法进行,试验后应符合4.9.4的规定5.3.9口腔灯的环境试验:按GB/T14710-1993中第8章的试验顺序和第10章的试验方法及本标准表2的试验要求进行试验,试验后的性能及外观应符合4.10的规定。6检验规则
6.1口腔灯由制造厂质量检验部门检查、合格后方可提交验收。6.2口腔灯必须成批提交检查,检查分为逐批检查(出厂检查)和周期检查(型式试验或例行试验)。6.3逐批检查
6.3.1逐批检查应按GB/T2828的规定进行。6.3.2抽样方案类型采用一次抽样,抽样方案严格性从正常检查抽样方案开始,其分类、检查项目、检查水平和合格质量水平(AQL)按照表3的规定(批质量以每百单位产品不合格数表示)。表3逐批检查
检查分类
检查分类组
检查项目
检查水平
6.4周期检查
全部合格
6.4.1在下列情况下应进行周期检查:a)新产品投产前(包括老产品转厂生产);b)连续生产中每年不少于一次;e)间隔一年以上再投产时;
d)在设计、工艺或材料有重大改变时。6.4.2周期检查按GB/T2829的规定进行,B
4.6、4.7
6.4.3周期检查前应先进行逐批检查,从逐批检查合格的批中抽取样本进行周期检查。6.4.4周期检查采用一次抽样方案,判别水平为Ⅲ,判定数组为2,其分类(以不合格品数计)、检查项目、不合格质量水平(RQL)按表4的规定。表4周期检查
检查分类
检查项目
判别水平
判定数组
全部合格
4.6、4.7
2[0,1]
YY1120—1999
6.4.5周期检查合格,必须是本周期内所有检查项目周期检查都合格否则就认为周期检查不合格(周期检查必须对4.10进行试验)。7标志,使用说明书
7.1标志
7.1.1每台口腔灯应固定块铭牌,铭牌上应有下列标志:a)制造厂名称和商标;
b)产品名称和型号。
7.1.2检验合格证上应有下列标志:a)制造厂名称;
b)产品名称;
c)检验员代号;
l)检验日期;
e)产品标准代号。
7.1.3包装箱上应有下列标志:
a)制造厂名称和地址;
b)产品名称或型号;
c)出广编号和出厂日期;
cl)净重、毛重,
e)体积(长×宽×高);
()产品注册号:
g)产品标准代号;
h)“小心轻放”、“向上”“怕湿”等字样或标志,应符合GB191中的规定。箱上的字样和标记应保证不因历时较久而模糊不清。7.2使用说明书
使用说明书的起草与表述应符合GB9969.1.GB9706.1—1995中6.8的规定,并应包括下列内容:
a)制造厂名称和地址:
b)产品标准代号;
)产品注册号。
8包装、运输、贮存
8.1包装
8.1.1每台口腔灯应附有检验合格证,使用说明书(使用说明书中必须标明口腔灯的使用电压)、装箱清单各一份,用防潮纸或塑料袋包扎,安放在箱内明显的位置。8.1.2每台口腔灯的包装箱应符合下列要求:a)口腔灯应用防潮用品包装,并有防潮、防雨装罩;b)口腔灯在箱内必须牢固定位,其接触面应垫有软性垫料,防止运输时松动或相互廉擦。8.2运输
运输要求按订货合同规定。
8.3贮存
包装后的口腔灯应贮存在相对湿度不超过80%,无腐蚀性气体通风良好的室内。5
中华人民共和国医药
行业标准
口腔灯
YY1120-1999
中国标准出版社出版
北京复兴门外三里河北街16号
邮政编码:100045
电话:68522112
中国标准出版社秦皇岛印刷厂印刷新华书店北京发行所发行各地新华书店经售版权专有不得翻印
开本880×12301/16印张3/4字数11千字2000年10月第一版2000年10月第一次印刷印数1-1000
标目423-61
小提示:此标准内容仅展示完整标准里的部分截取内容,若需要完整标准请到上方自行免费下载完整标准文档。