首页 > 医药行业标准(YY) > YY/T 0130-1993 医用X射线设备及用具标准体系表
YY/T 0130-1993

基本信息

标准号: YY/T 0130-1993

中文名称:医用X射线设备及用具标准体系表

标准类别:医药行业标准(YY)

标准状态:已作废

发布日期:1993-07-01

实施日期:1993-10-01

作废日期:2006-05-15

出版语种:简体中文

下载格式:.rar.pdf

下载大小:265021

相关标签: 医用 射线 设备 用具 体系

标准分类号

中标分类号:医药、卫生、劳动保护>>医疗器械>>C43医用射线设备

关联标准

出版信息

页数:平装16开, 页数:11, 字数:18千字

标准价格:10.0 元

相关单位信息

发布部门:国家医药管理局

标准简介

本标准适用于医用X射线设备、附属设备及其相配套的用具、装置。产品的设计、制造、质量管理等标准,可作为该标准体系表的补充和归宿。 YY/T 0130-1993 医用X射线设备及用具标准体系表 YY/T0130-1993 标准下载解压密码:www.bzxz.net

标准图片预览

YY/T 0130-1993 医用X射线设备及用具标准体系表
YY/T 0130-1993 医用X射线设备及用具标准体系表
YY/T 0130-1993 医用X射线设备及用具标准体系表
YY/T 0130-1993 医用X射线设备及用具标准体系表
YY/T 0130-1993 医用X射线设备及用具标准体系表

标准内容

中华人民共和国医药行业标准
医用X射线设备及用具标准体系表1主题内容与适用范围
1.1主题内容
YY/T 0130 - 93
本标准规定了医用X射线设备及用具标准的整体组成和层次结构,即医用X射线设备及用具的标摊体系表。
1.2适用范围
本标准适用于医用X射线设备、附属设备及其相配套的用具、装置。产品的设计、制造、质量管理等标准,可作为该标准体系表的补充和归宿。医用黑射线设备及用具标准体系表结构图2
医用X射线设备及用具通用标雅301.1医用X射线机产品401
电调锁
X射线源组件
连接组件
3标准明系表
高限发生器
明期制模
宋·擀
保持装
人射线酸片
荧光屏
3.1301.1医用X射线设备及用具通用标准,见表1。国家医药管理局1993-07-01批准330
服楼理
增感彝
电视系统
影像处理系统
相关标准301.2
防护器
谢装置
1993-10-01实施
标准名称
医用射线设备环境条件及试验方法
医用X射线设备标志、包装、运输和储存
医疗器械产品(商品)编号编制办法X射线类
医用诊断X射线机漏电流、接地电阻、绝缘耐压技术要求及试验方法医用诊断X射线机通用技术条件
医用X射线设备术语和符号
医用治疗X射线设备通用技术条件医用X射线设备质量管理
计算机X线体层摄影装置
X射线断层摄影装胃技术条件及试验方法
3.2301.2相关标准,见表2。
标准名称
逐批检查计数抽样程序及抽样表(适用于连续批的检查)
周期检查计数抽样程序及抽样表(适用于生产稳定性的检查
电气设备用图形符号
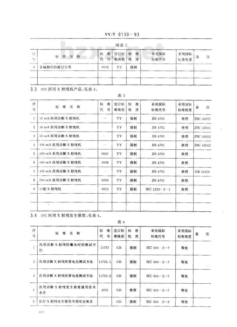
医疗器械油漆涂层分类、技术条件医疗器械油漆涂层测定方法
YY/T 0130—93
宜订标
宜订标
准级别
采用国际
标准代号
IEC 601~1
IEC 6011
IEC60127
JIS 4701
IEC788
IEC 601--- --. 8
USFDAAD. 39
IEC122321
JIS(sec)138
采用国际
标准代号
ISO2859
ISO2859
IEC416
采用国际
标准程度
采用国际
标准程度
Z1C43010
ZBC30012.3
ZBC:43004
标群名称
金属件的镀层分类
3.3401医用X射线机产品,见表3。序
标体名称
10送A医用诊断X射线机
30mA医用诊断X射线机
50mA医用诊断X射线机
100mA医用诊断X射线机
200mA医用诊断X射线机
300mA医用诊断X射线机
400mA医用诊断X射线机
500mA医用诊断×射线机
腔X射线机
YY/T 0130-93
续表2
3.4501医用X射线发生装置,见表委。序
标准名称
医用诊断X射线机曝光时间测试方法
医用诊断X射线机管电压测试方法医用诊断X射线机管电流测试方法医用诊断X射线发生装置通用技术条件
S治X射线发生装专用安全要求
11755:2
推级别
宣订标标
准级别
宣订标
催级别
采用菌际
标准代号
采用国际
标准代号
JIS4701
JIS4701
JIS4701
JIS4701
JIS4701
JIS 4701
JIS 4701
JIS4701
IFC 1223- 2 --1
采用国际
标代号
IEC 601 2--7
IEC 601-- 2--7
IEC 601 --- 2--7
IEC 601-- ---7
IEC 601 -2--8
采用国际
标准程度
采用国际
标准程度
采用国际
标准程度
ZBC:43011
ZBC43014
ZRC 43012
ZBC43013
GB10150
标准昌称
电容放电式Y射线发生装经专用安全要求
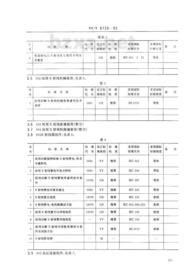
3.5502医用X射线机械装置.见表5。序
标准名称
医用诊断×射线机械装置通用技术条件
3.6503医用X射线影像装置(暂空)标
YY/T 0130--93
续表4
宦订标标准
准级别性
504医用X射线机附属装置(暂空)3.8
601X射线源组件,见表6。
标准名称
医用诊断旋转阳极X射线管电、热及负载特性
医用X射线管组件焦点特性
医用诊断X射线管组件通用技术条件
X射线管组件固有滤过
X射线管总规范
X射线管光、电性能测试方法
医用X射线管空白详细规范
医用诊断X射线管详细规范
医用诊断X射线可变限束器技术条件及试验方法
10X射线限束简
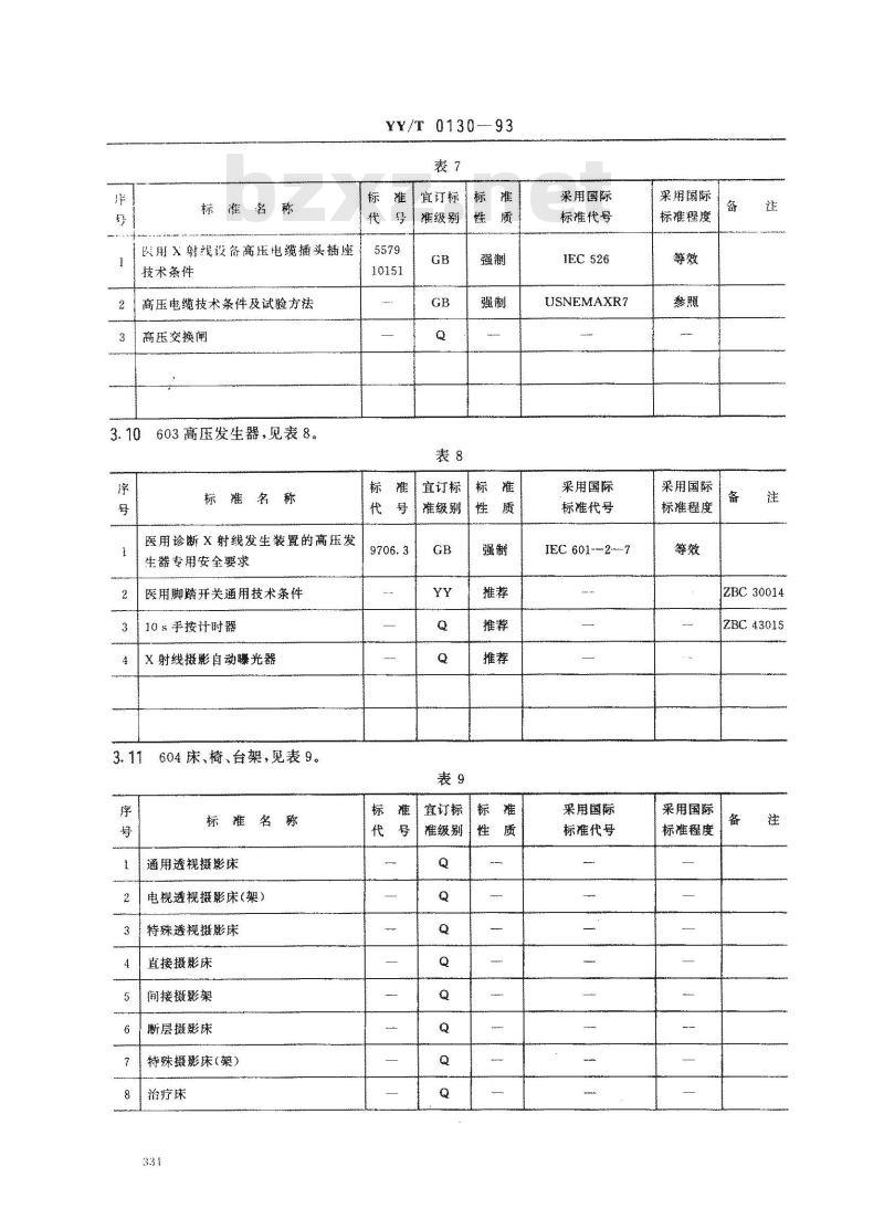
3.9602高压连接组件,见表7。
宜订标
准级别
宜订标
准级别
采用国际
标准代号
IEC 601 2 15
采用国际
标准代号
JIS4703
采用国际
标准代号
IEC613
IEC336
JEC367
JEC522
IEC 102
IEC 613,336,522
IEC102
IEC102
JIS4712
采用国际
标准程度
采用国际
标准程度
采用国际
标准程度
标崔名称
医用X射线设备高压电缆播头插座技术条件
高压电缆技术条件及试验方法
3高压交换闸
3.10603高压发生器,见表8。
标准名称
医用诊断X射线发生装置的高压发生器专用安全要球
医用脚踏开关通用技术条件
10%手按计时器
X射线摄影自动光器
604床、椅、台架,见表9。
标雅名称
通用透视摄影床
电视透视摄影床(架)
特殊透视摄影床
直接摄影床
间接摄影架
断层摄影床
特殊摄影床(架)
治疗床
YY/T 0130--93
宣订标
推级别
宜订标
灌级别
宜订标
采用国际
标准代号
IEC526
USNEMAXR7
采用国际
标准代号
IEC 601--2--7
采用国际
标准代号
采用国际
标推程度
采用国际
标摊程度
采用国际
标准程度
ZBC30014
ZBC 43015
标准名称
3.12605保持装置,见表10。
标准名称
天轨式保持装置
床式保持装置
天轨-床上式保持装置
(型臂
壁挂式保持装置
3.13606X射线胶片,见表11。
标准名称
医用X射线胶片
3.14607荧光屏,见表12。
标准名称
医用透视荧光屏
医用高亮度荧光屏
医用缩影荧光屏
3.15608增感屏,见表13。
YY/T 0130-93
续表9
推宜订标
准级别性
宜订标
宜订标
准级别
宜订标
雅级别
采用国际
标准代号
采用国际
标准代号
采用国际
标准代号
采用国际
标准代号
采用国际
标准程度
采用国际
标准程度
采用国际
标准程度
采用国际
标准程度
标准名称
医用增感屏通用技术条件
医用中速增感屏
3「医用高速增感屏
特种增感屏
3.16609电视系统,见表14。
标准名称
医用X射线影像增强器
医用X射线电视设备通用技术条件医用X射线电视设备测试方法
医用X射线影像增强器电视系统性能参数及测量方法
3.17610影像处理系统,见表15。序
标准名称
数字减影装置
数字照像装置
3.18611防护器具,见表16。
标准名称
医用X射线电离辐射防护通用要求2「医用诊断X射线防护标准
YY/T 013093
宜订标
准级别
宜订标
推级别
宜订标
准级别
宜订标
准级别
采用国际
标准代号
采用国际
标准代号
采用国际
标准代号
采用国际
标准代号
IEC (C.0)88
IEC407
采用国际
标准程度
采用国际
标准程度
采用国际
标准程度
采用国际
标准程度
标准名称
手术X射线机防护要求
手提式X射线机防护要求
治疗X射线机防护标准
医用X线防护装罩及用具
医用铅玻璃
铅帘、滤过板、防护板
医用治疗X线卫生防护规定
612配套装置,见表17。
标准名称
X射线摄影暗厘
防散射滤线栅
台式多位X射线滤线器
电动高压注射器
5快速洗片机
X射线胶片储片箱
医用X射线胶片干燥箱
X射线胶片观察灯
X射线记波摄影器
X射线胶片洗片架
X射线胶片洗片机免费标准bzxz.net
3.20613检测装置,见表18。
YY/T0130—93
续表16
宜订标
准级别
宜订标
准级别
采用国际
标准代号
IEC (C,0)88
IEC (C,0)88
IEC 601-2:8
JIS 4802...480
JIS4818
采用国际
标准代号
JIS4818
采用国际
标准程度
采用国际
标准程度
ZBC43001
ZBC43016
wS2308
ZBC43005
ZBC43002
标雄名称
谐振式旋转阳极X射线管转速测试仪
数亨式旋转阳极射线管转速测试夜
瞬时负荷压降测试仪
X射线测试卡
X射线电离室
理源内测试仪
Y射线综合测试仪
X射线机高压试仪
X射线机曝光时间测试仪
X射线机管电压测试仪
附加说明:
本标准由国家医药管理局提出。标
YY/T013093
宾订标
准级别
本标准由全国医用X线设备及用具标准化分技术委员会归口。本标推由辽宁省医疗器械研究所负责起草。本标准主要起草人王寿民。
采用国际
标准代号
采用国际
标准程度
小提示:此标准内容仅展示完整标准里的部分截取内容,若需要完整标准请到上方自行免费下载完整标准文档。