首页 > 医药行业标准(YY) > YY/T 0278-1995 根管充填器
YY/T 0278-1995

基本信息

标准号: YY/T 0278-1995

中文名称:根管充填器

标准类别:医药行业标准(YY)

标准状态:现行

发布日期:1995-11-14

实施日期:1996-05-01

出版语种:简体中文

下载格式:.rar.pdf

下载大小:107551

相关标签: 根管 充填器

标准分类号

中标分类号:医药、卫生、劳动保护>>医疗器械>>C33口腔科器械、设备与材料

关联标准

替代情况:替代ZB C33003-85

出版信息

出版社:中国标准出版社

页数:6页

标准价格:10.0 元

出版日期:1996-05-01

相关单位信息

起草人:何毓萍

起草单位:上海齿科医械厂

归口单位:国家医疗器械质量监督检验测试中心

提出单位:全国口腔材料和器械设备标准化技术委员会

发布部门:国家医药管理局

标准简介

本标准规定了根管充填器(以下简称充填器)的产品分类、技术要求、试验方法、检验规则、标志、包装、运输、贮存的要求。「本标准适用于充填器,该产品供根管充填时烫干根管壁,填塞药物及牙胶尖用。 YY/T 0278-1995 根管充填器 YY/T0278-1995 标准下载解压密码:www.bzxz.net

标准图片预览

YY/T 0278-1995 根管充填器
YY/T 0278-1995 根管充填器
YY/T 0278-1995 根管充填器
YY/T 0278-1995 根管充填器
YY/T 0278-1995 根管充填器

标准内容

YY/T0278--1995
本标准对ZBC33003--85《根管充填器》进行了修订。技术要求没作修改,主要根据GB/T1.1-1993《标准化工作导则第1单元:标准的起草与表述规则第1部分:标准编写的基本规定》,对原标准重新进行了编写。根管充填器是供口腔科治疗根管充填时烫干根壁,填塞药物及牙胶尖用。本标准从生效之日起,同时代替ZBC33003—85《根管充填器》。本标准由全国口腔材料和器械设备标准化技术委员会提出。本标准由国家医疗器械质量监督检验测试中心归口。本标准负责起草单位:上海齿科医械厂。本标准主要起草人:何毓萍。
1范围
中华人民共和国医药行业标准
根管充填器
Root-canal filling condenserYY/T 0278--1995
代替 ZBC33 003--85
本标准规定了根管充填器(以下简称充填器)的产品分类、技术要求、试验方法、检验规则、标志、包装、运输、存的要求。
本标准适用于充填器,该产品供根管充填时烫干根管壁,填塞药物及牙胶尖用。2引用标准
下列标准所包含的条文,通过在本标准中引用而构成为本标准的条文。本标准出版时,所示版本均为有效。所有标准都会被修订,使用本标准的各方应探讨使用下列标准最新版本的可能性。GB191—90包装储运图示标志
GB1220—92不锈钢棒
GB2828--87逐批检查计数抽样程序及抽样表(适用于连续批的检查)YY/T0149-93不锈钢医用器械耐腐蚀性能试验方法YY/T0281—1995口腔科器械连接牢固度试验方法ZBC33001-84手术器械标志
ZB C33 006-85
小八角柄尺寸和技术要求
3分类
3.1充填器的型式、基本尺寸和极限偏差应符合图1、图2及表1的规定。国家医药管理局1995-11-14批准116
1996-05-01实施
规格代号
YY/T0278—1995
基本尺寸
1、2、3号
极限偏差
3.2充填器的八角柄应符合ZBC33006中单A或单B4.5×100的规定。Dz
基本尺寸
4技术要求
4.1尺寸
YY/T0278—1995
充填器的头部尺寸应符合表1中D,的规定。4.2材料
充填器应以GB1220中规定的1Cr18Ni9材料制成。4.3韧性
充填器头部应有良好的韧性。
4.4连接牢固度
充填器头部与八角柄的连接应牢固,经拉拔试验后不应有松动现象。4.5表面粗糙度
充填器工作头表面粗糙度R之数值应不大于0.8μm,杆部表面粗糙度应不大于0.4μm。4.6耐腐蚀性能
充填器应有良好的耐腐蚀性能。4.7头部
充填器工作头应无锋梭、毛刺、裂纹,头部锥度应匀称。5试验方法
5.1尺寸检验
以通用或专用量具进行测量,应符合4.1的规定。5.2表面粗糙度检验
按样块比较法进行测试,应符合4.5的规定。5.3外观检验
以目力观察,应符合4.7的规定。5.4韧性试验
将充填器头部距头端20mm处,在半径为5mm的圆弧上作双向90°弯曲3周次,不得断裂。应符合4.3的规定。
5.5连接牢固度试验
按YY/T0281中的规定进行,将选荷旋钮调至满载荷1962N的位盘上,用1.5mm/min的速度在充填器的头部与柄部间施加轴向300N,保持5s,其连接处不应松动。应符合4.4的规定。5.6耐腐蚀性能试验
按YY/T0149第2章中C方法进行。应符合4.6的规定。6抽样
6.1提交验收
充填器应由制造厂技术检验部门进行检验,合格后方可提交验收。6.2提交检查
充填器必须成批提交检查,检查分为逐批检查(出广检查)。6.3逐批检查
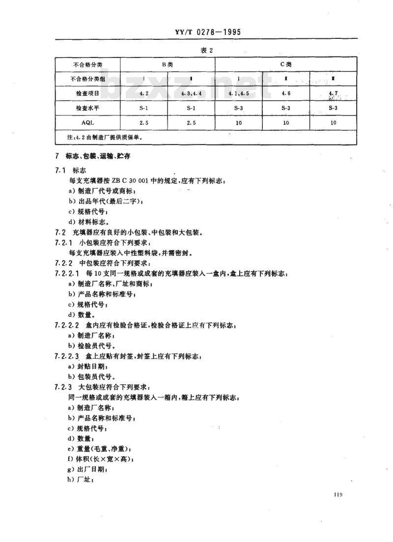
6.3.1逐批检查应按GB2828的规定进行。6.3.2抽样方案类型采用一次抽样,抽样方案严格从正常检查抽样方案开始,其不合格分类、检查项自、检查水平和AQL(合格质量水平)按表2的规定。118
不合格分类
不合格分类组
检查项目
检查水平
注:4.2由制造厂提供质保单。
7标志、包装、运输、贮存
7.1标志
YY/T 0278--1995
4.3、4.4
每支充填器按ZBC30001中的规定,应有下列标志:a)制造厂代号或商标;
b)出品年代(最后二字),
c)规格代号:
d)材料标志。
7.2充填器应有良好的小包装、中包装和大包装。7.2.1小包装应符合下列要求:
每支充填器应装入中性塑料袋,并需密封。7.2.2中包装应符合下列要求:
7.2.2.1每10支同一规格或成套的充填器应装入一盒内,盒上应有下列标志:a)制造厂名称、厂址和商标,
b)产品名称和标准号,
c)规格代号,
d)数量。
7.2.2.2盒内应有检验合格证,检验合格证上应有下列标志,a)制造厂名称;
b)检验员代号。
7.2.2.3盒上应贴有封签,封签上应有下列标志:a)封贴日期,
b)包装员代号。
7.2.3大包装应符合下列要求:
同一规格或成套的充填器装入一箱内,箱上应有下列标志,a)制造厂名称,
b)产品名称和标号,
c)规格代号,
d)数量,
e)重量(毛重、净重),
f)体积(长×宽×高)
g)出厂日期,
h)厂址,
YY/T0278-1995
i)“怕湿”等字样或标志,应符合GB191中的有关规定,箱上的字迹和标记应保证不因历时较久而模糊不清。免费标准下载网bzxz
7.3运输合同按定货合同的规定。7.4包装后的充填器应贮存在相对湿度不超过80%,无腐蚀气体和通风良好的室内。8保质期
充填器经包装后,在遵守贮存规则的条件下,应保证在一年半内不生锈。12
小提示:此标准内容仅展示完整标准里的部分截取内容,若需要完整标准请到上方自行免费下载完整标准文档。