首页 > 船舶行业标准(CB) > CB/T 3666-1995 大便池冲洗阀
CB/T 3666-1995

基本信息

标准号: CB/T 3666-1995

中文名称:大便池冲洗阀

标准类别:船舶行业标准(CB)

标准状态:现行

出版语种:简体中文

下载格式:.zip .pdf

下载大小:263434

相关标签: 冲洗阀

标准分类号

关联标准

出版信息

相关单位信息

标准简介

CB/T 3666-1995.
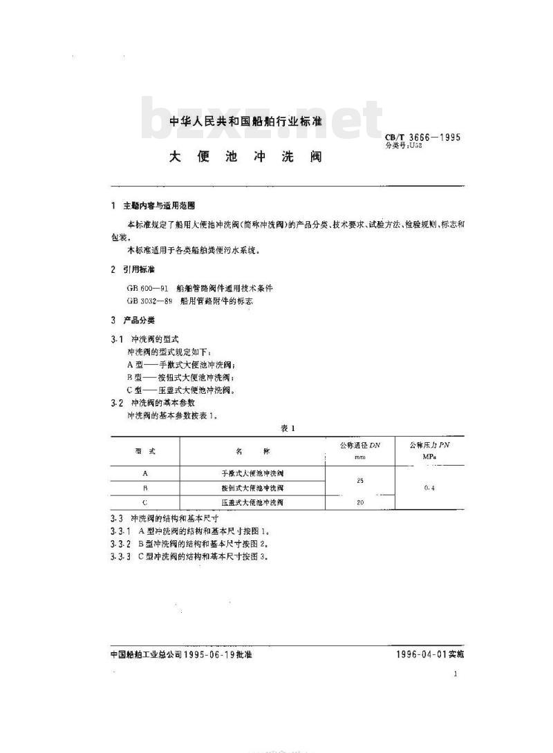
1主题内容与适用范围
CB/T 3666规定了船用大便池冲洗阀(简称冲洗阀)的产品分类技术要求,试验方法检验规则、标志和包装。
CB/T 3666适用于各类船舶粪便污水系统。
2引用标准
GB600--91船舶管路阀件通用技术条件
GB 3032-89船用管路附件的标志
3产品分类
3.1冲洗阀的型式
冲洗阀的型式规定如下:
A型一手 揿式大便池冲洗阀;
B型一按 钮式大便池冲洗阀;
C型一-压盖式大便池冲洗阀。
3.2冲洗 阀的基本参数
冲洗阀的基本参数按表1。.
3.3冲洗阀 的结构和基本尺寸
3.3.1 A型冲洗阀的结构和基本尺寸按图1。
3.3.2 B型冲洗阀的结构和基本尺寸按图2。
3.3.3 C型冲洗阀的结构和基本尺寸按图3。
3.4标记示例
公称通径DN为25mm、PN为0.4MPa按钮式大便池冲洗阀:
冲洗阀B CB/T 3666- -1995
4技术要求
4.1冲洗阀应符合本标准要求,并按规定批准的图样及文件制造。
4.2冲洗阀零件的外露表面应镀铬抛光,镀层厚度为9~12μm。
4.3冲洗阀的阀盘与阀座应在同一轴心线上,关闭时阀盘应完全落座。
4.4冲洗阀主要零 件的材料按表2。

标准图片预览

CB/T 3666-1995 大便池冲洗阀
CB/T 3666-1995 大便池冲洗阀
CB/T 3666-1995 大便池冲洗阀
CB/T 3666-1995 大便池冲洗阀
CB/T 3666-1995 大便池冲洗阀

标准内容

中华人民共和国船舶行业标准
CB/T 3666—1995
大便池冲洗阀
1995-06-19发布
中国船舶工业总公司发布
1996-04-01实施
中华人民共和国船舶行业标准
1 主题内容与适用范围
CB/T 3666-1995
分类丹:U52
本标准规定了船用大便池冲洗阀(简球冲洗阀)的产品分类,技术要求、试验方法,检验规则、标志和包装。
本标摊适用于各类船舶粪便污水系统。2引用标准
GB 600—91 船舶管路阀件通用技术条件GB3032—89船用管路附件的标志3产品分类
3.1冲洗阔的型式
冲洗阀的型式规定如下,
A 型——手撤式大便池冲洗阀;
B 型——按钮式大便池冲洗阀;
C型—
压盖式大便池冲洗阀。www.bzxz.net
3.2冲洗阀的基本参数
冲洗阀的基本参数按表1.
3.3冲洗阀的结构和基本尽寸
手撤式人便池冲洗随
按钮式大便池冲洗阀
玉益式大便池冲洗阀
3.3.1A型冲洗阀的结构和基本尺寸按图1。3. 3. 2B 型冲洗阀的结构和基本尺寸按图 2。3. 3. 3C 型冲洗阀的结构和基本尺寸按图 3.中国船舶工业总公司1995-06-19批准KAONIKAca-
公称通径DN
公称乐力PN
1996-04-01实施
CB/T 3666—1995
3.4标记示例
CB/T 3666—1995
公称通径DN为25mm、PN为0.4MPa按钮式大便池冲洗阅冲洗阀BCB/T3666—1995
4技术要求
4.1冲洗阀应符合本标准要求,并按规定批准的图样及文件制造。4.2冲洗阀零件的外露表面应镀铬抛光,镀层厚度为9~12μm。4.3冲洗阀的阀盘与阀座应在向一轴心线上,关闭时阀盘应完全落座4.4冲洗阀主要零件的材料按2。HYYKAONiKAca
零件名称
4.5其他技术条件接GB 600。
5试验方法
CB/T 36661995
铸硅黄
铸辐青铜
铸青铜
铝青匍
铸链黄削
碳紊弹黄钢丝
ZHSi8-3
2QSn5-5-5
QSn6. 5-0. 1
2QSn11-2
QA19 2
QSn6. 5.0. 1
ZHSi80-3
标准号
CB 883—83
GB523385
CB88323
GR 4429-84
Gl3 5233 85
CB 883--83
YE248—64
5.1冲洗阀的阀体和阀盖应进行强度试验,试验压力P一0.6MPa装配后应进行密封性试验,试验压力pm0.5MPa,持续5min,应无渗漏现象。5.2冲洗阀制成后应进行性能试验,试验时应满足下列要求:A型冲洗阀的开启和关闭应操作可靠。5,B型、C型冲洗阀应操作可靠,当工作压力不小于0.2MPa时,肩动后其连续冲水时间应在8~12s范画内
6检验规则
6.1冲洗阀的型式检验和出厂检验项目按表3规定。3
检验项目
铸件力学性能和化学成分分析
外规检验
强度和肃封试验
密封性检验
按 4. 1 ~ 4. 3 条规定
按5.1条规是
按 5. 2 条规定
接1.1条规定
出厂检验
6.2冲洗阀应遥个按表3规定检验合格,经检验部门验收后.方可出山厂标和包装
7.1冲洗阀的标志按GB3032。
7.2冲洗阀的包装按GH600。
型式险验
附加说明:
CB/T 3666—1995
本标准由全国船用机械标准化技术委员会管系附件分技术委员会提出。本标准由中国船舶工业总公司603所归口。本标准由求新造船厂、大连船舶设计研究所负责起草。本标准主要起草人戴维东。
本标准自实施之日起,GB 2500—81&船用大便池冲洗阀3作废。本标准有统一施工图纸提供。
KAoNiKAca-
小提示:此标准内容仅展示完整标准里的部分截取内容,若需要完整标准请到上方自行免费下载完整标准文档。