首页 > 船舶行业标准(CB) > CB/T 3693-1995 船用电磁摆
CB/T 3693-1995

基本信息

标准号: CB/T 3693-1995

中文名称:船用电磁摆

标准类别:船舶行业标准(CB)

标准状态:现行

出版语种:简体中文

下载格式:.zip .pdf

下载大小:565139

相关标签: 船用 电磁

标准分类号

关联标准

出版信息

相关单位信息

标准简介

CB/T 3693-1995.
1主题内客与适用范围
CB/T 3693规定了船用电磁摆(以下简称电磁摆)的分类技术要求.试验方法、检验规则、标志与包装。
CB/T 3693适用于陀螺罗经平台罗经和陀螺平台用电磁摆。
2引用标准
GB 12267- -90船用导 航设备遒用要求和试验方法
GB/T 13384-92机电产 品包装通用技术条件
3术语
3.1电磁摆
是一种能给出偏离地垂线倾角电信号的装置。
3.2 灵敏度
电磁擱的输出电压与其相对应的正,反向倾斜角度的比值的平均值。
3.3最大灵敏度
电磁摆的输出电压与其相对应的正、反向倾斜角度的比值的最大值。
3.4最小灵敏度
电磁摆的输出电压与其相对应的正、反向倾斜角度的比值的最小值。
4产品分类
电磁摆按使用对象分为:
a.陀螺罗经用电磁摆: .
h.平台 罗经用电磁摆;
e. 陀螺平台用电磁摆. .
5技术要求
5.1环境条件
5.1.1温度
电磁摆在环境温度为0~50C范围内应能正常工作。

标准图片预览

CB/T 3693-1995 船用电磁摆
CB/T 3693-1995 船用电磁摆
CB/T 3693-1995 船用电磁摆
CB/T 3693-1995 船用电磁摆
CB/T 3693-1995 船用电磁摆

标准内容

中华人民共和国船舶行业标准
CB/T 3693-.1995
船用电磁摆
1995-06-19发布
中国船舶工业总公司发布
1996-04-01实施
中华人民共和国船舶行业标准
1主题内容与适用范蹭
CB/r 3693--1995
分类学:065
本标准规定了船用电微摆(以下简称电磁摆)的分类、技术要求、就验方法,检验规则、标志与包装。本标催适乃予陀螺罗经、平台罗经和能螺平台府电感摆。2引用标准
GB 12267--90帮用导航设备通用要求和试验方法GB/TJ3354-92机电产品包装通用技术条件3术语
3.1电磁摆
是一钟能给出追最线倾角虐信守的装侵。3.2灵敏度
电黏摆的输出电与其相对应的正、反向倾斜癌度的比值的平值。3.3最大烫敏度
电磁握的输出电乐与其相对应的正、反向领斜角度的比值的最大值。3.4最小灵嫩度
电磁摆的输出电压与其相对应的正、反间顿斜角度的比值的最小值。4产品分类
电磁樱按使用对象分为:
陀操罗经用电磁撰
h平台罗经用电磁摆;
。陀了台用樱。
5热术要求
5.1环境条件
5.1.1温设
电微摆在坏境温度为0~50℃范围内应能正常工作。5. 1.2显度
电磁摆在环境温度为40上3℃,对湿度为(93±2)%茶件下应能正常工作。5.1.3派动(正弦)
电在承受表1的摄动条件下应能正常下,作,且不应有机械摄伤和破坏,紧周件、连接件不有松动和脱落、
中国船舶工业总公司1995-06-19批准1996-04-01实施
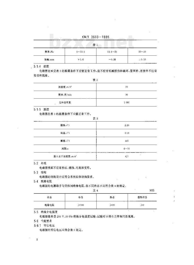
额率,H
振幅,mm
5.1.4颠震
CB/T 3693-1995
25~~50
电磁摆在承受表 2 的颠震条件下应能正常工作,且不应有机械损伤和破坏,紧周件、连接件不应有松动和脱落。
5-1.5摇摆
加速度,m/g\
额率.饮/train
总冲击次数
电摆在表3的摇摆条件下应能正常工作。横探,)
摇,)
摇,(°)
周期,
最人水平加速度,m/s
5.2外观
电磁摆表面不应有怖痕、锈蚀、毛刺和变形,5.3结构
电磁摆的结构设计应符合系统总体结构要求。5.4绝缘电阻
电磁摆的电源端子与壳体问绝缘电阻,在不同状态下应符合表4的规定。4
5.5绝缘介电强度
电磁摆能承受 200 V,50 Hz绝缘介电强度试验,试验时不得行击穿和闪烁现象,5.6州能要求
5.6.1零位电压
电磁摆的零位电压应符合表5规定。湿热状态
陀端罗经用电磁
5.6.2零位重复性
CB/T 3693
平台罗经用电磁摄
电磁摆的零位重复性应符合表6规定。表6
陷螺岁经用电磁摆
5.6.3灵敏度
电微摆的灵敏度应符合表7规定。陀螺罗经用电磁摆
5.6.4非灵敏区
电磁摆的非灵区应符合表8规定。能螺发经用电微膜
5.6.5最大工作角
电磁摆的最大工作角应符合表9 规定。陀螺罗经用中薇摆
5.6.6对称度
电磁摆的对称度应符合表10规定。倾斜范围
=5~±40
5.6.7非周期阻尼常数
平台罗经用电磁摆
平台罗经用电磁摆
平台罗经用电脑摄
平台罗经用电磁摆
10±10
陀端岁经月电磁摆
蛇螺平台月电磁摆
电磁摆的非周圳阻尼常数应符合表11规定。%
陀螺平台电磁摆
陀螺平台用电磁摄
险乎台用电磁摆
陀烯平台旧电磁摆
陀螺平台用电磁摆
下台罗经用电磁课
陀螺罗经用电磁摆
5.6.8线性
电磁摆的线性度应符合表12 规定。倾料范围
±5~±40
5.7抗磁场十扰
CB/T3693—1995
表 11
平台罗祭用电磁摆
100=15
陀密罗经用电磁摆
陀螺平台用中磁摆
陀螺平台电磁摆
平台罗经非电磁摆
电摆分别在承受南北,东西和垂套方间的80A/加的购匀恒定磁场时应能正常工作。6试验方法
6.1外观检验
用日测检验电磁摆外观,应符合第5.2条的规定。6.2.零位电压验
将电磁摆固定在测试台上,校调水平后,通以额定电压,调整电磁摆使其输出电最小,记下此时的偏转角α,作为测试零位角。待稳定后,使电磁摆以小于10的摆幅左右偏离测试零位角后迅速回到谢试零位角,记下此时的输出电压值。以此再复次,取其中最人电压值为零位电压,应符合第5.6.1条的相应规定。
6.3零位重复性检验
用 6-2 条方法测得零位出压后,断电 4~6 h,冉次按前述方法重新测定零位出压,两次零位出所所对应角度的差值应符合第 5. 6.2 条的相应规定。6.4灵敏度检验
以电磁摆在零位电压时测试台的倾斜角度为基准,按表13规定,向正,反两个方向谢节测试台的倾斜角度,测得每一倾斜角度相对应的正向输出电压V及反向输山电压V-·电磁摆灵敏度K按公式(1)~公式(3)计算,应符合第5.6.3条的规定。袋13
陀绳罗经网电磁揭
平台岁经用电磁摆
陀平台用电磁摆
俪斜角
K,+r
(2)
式中:n---
倾料角度测显次数;
正向输出电压,mV
V.,\--反向输出电压,mV;
4—正向倾斜角度.(\);
反向倾叙角度,(\);
CB/T 3693—1995
K,—正向倾叙时的灵敏度,mV/(\);K,——反向倾时的灵敏度,mV/(\)。6.5非灵区检验
n台 a-i
以电磁摆在等位电压时测试台倾斜角度为基准,分别向正反方向调节测试台的倾斜角度至电磁摆的出电压开始有变化时止。此时输出电所对应的正或反向倾斜角即为非灵敏区,均应符合第5.6.4条的相应规定。
6.6最大下作弟检验
将电磁按正、反向分别偏离零位,逐渐增大倾斜角至测出最大输出电压:V.|。最大I.作角*m按公式(4)计算,应符合第5.6.5条的规定。ma
式中:IVmxt
最大输出电压,mV;
K—电磁摆灵敏度mV/)。
6. 7对称度检验
以电磁摆零位电压为基准,向正、反两个方向调节测试台的倾斜度在6°角内每隔1°,在大于5°角后每隔5',直至最大T作角,记下每-倾斜角相对应的输山电压,对称度S按公式(5)和公式(6)计算,应符合第5. 6.6 条的相应规定。
式中:S—
K)\+(K)\+...+(K)+(K-.)
电磁摆的对称度,%;
-第个正倾斜角度时的灵敏度,mV/\):K+.-
第-个反尚倾斜角度时的灵度,mV/)K-t
第个正向倾斜角度时的灵缴度,mV/()K+a
第n个反向倾斜角度时的炎敏度,mV/()+倾斜角的调节饮数。
6. 8 非周期阻尼常数检验
+++( 6)
调整测试台,使电磁摆偏转到略大于大工作角某·位置,它输出压最大。待稳定后,迅速将电磁摆向电零位时所对应的角度复位并开始计时,当电磁摆的输出电斥下降至0.868V.时停止计时。记取此段时间数值。正、反向重复5次,取5次此段时间数值的平均值,该值应符合第5.6.7条的相应规定。
6. 9 线性度检验
以第6.7条方法取得最大灵敏度K和最小灵敏度Kmm,电磁摆的线性照mxaln按公式(6)~公式(8)计算,应符合第5.6.8条的相应规定。5
CB/T 3693—1995
最大灵敏度时的线性度,%;
式中,—
8ml最小灵敏度时的线性度,%,
Km——最大灵敏度,mV/();
最小灵敏度,mV/(\)。
(8)此内容来自标准下载网
6-10冷态绝缘电阻检验
用250V兆欧表测量电磁摆激磁绕和信号绕组对壳体的绝缴电阻,试验结界应符合表4中的规定。
6.11热态绝缘电阻检验
启动电磁摆达到热乎衡后关闭电源,立即用250V兆欧表测量激磁绕组和信号绕组对完体的绝缘电阻,试验结果应符合表4中的规定。6.12温度试验
试验按GB12267第14.1.1和14.3.1条方法进行。环境温度为0-~50±3℃,保温附间为1h,试验结果应符合5.1.1条的规定。
6.13显热试验
试验接GB12267第14.2.1条方法进行。保温时间为1l。试验结果应符合第5.1.2条的规定。6.14混热状态绝缘电阻捡验
在6.13条湿热试验结束片,关闭电源,擦干水迹,立即旧250V兆欧表测量敬磁绕组和信号绕组对壳体的绝缘电阻,试验结果应符合表4中的规定。6.15振动试验
按GB12267第14.4条方祛进行+试验结果应符合5.1.3条的规定。6. 16 频震试验
将电磁摆刚性固定在颠度台上,使之处于通电状态,检作屯磁摆,外观不应有机械损伤和破坏,紧固件,连接件不应有松动或脱将,性能符合要求后,颠震台以加速度,为70m/,冲击频率为30次/nin的近似半正弦波作垂向运动.待总冲击次数为1000次后,颠震台停止运动,试验结果应符合第5.1.4条的规定。
6.17摇摆试验
将电磁摆安装在摇摆台上。启动电磁摆,调整好零位,待稳定后,使操摆台台面按规定绕三根互相垂直轴同时进行简谐运动。附间为25 mi1,试验结果应符合第5. 1.5条的规是,6.18抗磁场干扰试验
电磁摆在正常T.作状态下启动,稳定后分别在东两、南北和垂盲方向通以磁场强度为80A/m的均匀恒定磁场,试验结果应符合第5.7条的规定。6.19绝缘介电强度试验
用绝缘介电强度专用测试仪(其颖率为45~62Hz.功率太小于500VA)。将电磁摆的源端了分别对荒体施压,试验起始电斥为50V.然后以10V/s的速度升至200V,持续1mitt,以同样的逆度降至50 V 断开电源,试验结果应符合第 5. 5 条的规定。7检验规则
电磁摆的检验分为出厂检验和型式检验。7.1!厂检验
CB/T 3693—1995
每台电磁摆都必须进行出厂检验。」检验项H及顺序按我14。表14
7.2型式检验
举位电压
位复性
灵嫩喔
非灵敏区
最人上作角
对称度
非声期所尼常数
线性度
冷态绝缘电阻
热态缩线电阻
鼎热状态绝缘电围
抗感场下扰
范缘介电强
技术要求
. 6. 7
型式检验只有在下列情况之一时进行。7.2.1
新产品进行定塑鉴建时;
试验方法
当产品老设计、1.监或所用材料有重大改变足以影响产品性能时;国家质量监督检验机构或使用方要求时产品转入批生产后.生产满200黛时;d.
长期停产后恢复生产及转产时。出厂险验
型式检验
7.2.2除定型鉴定外,提交型式检验的产品必须从出」检验合格的产品中任意抽取每次不少于3台。7.2.3型式检验项目及顺序按表14。7.2.4在检验过程中,如有一项不合格,允许分析原因,排除故障后重新进行该项目及与该项日有关的试验,合咨后再进行其他项月的试验。如故障不能排除,则拙取加估数量的产品重新进行该项目及与该项目有关的试验,合格后,对加倍抽取中的·台补做其他项目试验。若仍有不合格项月出现,则终止该批7
C/T 3693--1995
型式检验,并判为不合格。
7.2.5型式检验过程巾,因外界原因使其某一项目试验中断,则在外界原因增除后,从该项月开始继续做其项口的试验。
8标志与包装
8.1标志
电磁摆应有标志。标志可以是铭牌或在说明书中注明。内容至少应有产品型号、产品名称、生产编号、制造日划、制造厂名等内容,并留有打(印)检验标记的地方。8.2包装
8.2.1电磁摆的包装按GB/T13384的有关规定。8.2.2包装箱内应有产品合格证、装箱单,产品说明书、安装接线图等。附加说明:
本标准由中国船学工业总公司综合技术经济研究院提出,本标推由全国海泽船标准化技术委员会航海仪器分技术委员会归口。本标准由九江仪考」,综合技术经济研究院负责起草。本标准丰要起草人了恭米、陈关坤、梅端扬、杨正科。
小提示:此标准内容仅展示完整标准里的部分截取内容,若需要完整标准请到上方自行免费下载完整标准文档。