首页 > 船舶行业标准(CB) > CB/Z 254-88 初步设计、详细设计和生产设计相互衔接的基本要求
CB/Z 254-88

基本信息

标准号: CB/Z 254-88

中文名称:初步设计、详细设计和生产设计相互衔接的基本要求

标准类别:船舶行业标准(CB)

标准状态:现行

出版语种:简体中文

下载格式:.zip .pdf

下载大小:589400

相关标签: 初步设计 详细 设计 生产

标准分类号

关联标准

出版信息

相关单位信息

标准简介

CB/Z 254-88.
1主题内容与适用范围
CB/Z 254规定了船舶的初步设计、详细设计和生产设计三个设计阶段的衔接关系和各设计阶段的周期要求,以及生产设计对初步设计和详细设计的要求。
CB/Z 254适用于按初步设计、详细设计和生产设计王个设计阶段划分的船舶产品设计。
2引用标准
GB 3894. 1~3894.9船舶布咒图图形 符号
GB3895船舶甲板敷料和绝缘材料图形符号
GB4299船舶通风系统图形符号
GB 4791船舶管路附件图形符号
CB/Z 235船舶涂装设计技术要求
CB' 3243.1 船舶产品图样管理制度 图样和技术文件术语
CB' 3243.5 船舶产品图样管理制度 船舶设计图样和技术文件成售性
3术语
初步设计、详细设计和生产设计的术语按CB" 3243. 1的规定。
4初步设计 .详细设计和生产设计
4.1初步 设计是详细设计的依据,详细设计是生产设计的依据。三个设计阶段都存在着承上启下的延续性。
4.2初步 设计部门应向生产设计部门提供必要的图纸、并作技术交底。施工单位应会同初步设计、详细设计部门进行讨论,并向设计部门提供有关工艺资料,使船舶建造的工艺要求渗透到初步设计和详细设计中去。

标准图片预览

CB/Z 254-88 初步设计、详细设计和生产设计相互衔接的基本要求
CB/Z 254-88 初步设计、详细设计和生产设计相互衔接的基本要求
CB/Z 254-88 初步设计、详细设计和生产设计相互衔接的基本要求
CB/Z 254-88 初步设计、详细设计和生产设计相互衔接的基本要求
CB/Z 254-88 初步设计、详细设计和生产设计相互衔接的基本要求

标准内容

中国船舶工业总公司指导性技术文件CB/Z254--88
初步设计、详细设计和生产设计相互衔接的基本要求
198812-30发布
中国船舶工业总公司·发布
中国船舶工业总公司指导性技术文件初步设计,详细设计和生产设计相互衔接的基本要求
主题内容与适用范围
CB/Z 254—88
类:o1
本文件规定了船舶的初步设计,洋纽设计利生产设计一个设计阶段的衔接关系和各设计阶段的固要求.以及牛产设计讨刺涉设计和详细设计的要求。本文件适于按初步设计.许细设计和作产设计个设计险段划分的船的产品设计。2引用标准
GB3894.13891.9船所布管图图形符号(B3895射舶用坂蚊料和绝缘材料图形符号G12!船通风系统图形行号
GB17沙1舶崩管路附件图形符号
CB/Z 235舶除装设计技术要求
CB:324i.1韶舶产品图样管阻制度图样和技术文件术语(13、3213.6部前产品性样管理制度船舶设计图样程技术文件成套性3术语
制步设计,详细设计和生产设计的术语按(B*32-13:的现起4初步设计、详细设计和生产设计4. 1初设计是详细设计的依,详细设计是作产设汁的依据。个没计阶段都存在着承片下的延4.2祈设计部门应向生产设计部门提供必要的图纸,并诈技术交底,施工单位应会同初步改计、详细设计部门进行讨论,并向设计部门提供有关「艺资科,使船舶建造的T艺要求渗透到初步设计和详细设4.3初步设让阶段以确定船舶的卡要技术形态为上.尘产设计在机涉设计阶段稳透的内容,主要体现在独造方计和施「要须中。
4.4诈纫设是车初步设计的前提下.进·就各个方面的细则加以确定,为牛产设+创造条件,在图纸上正始!体地把设计与建造结全起长.并需考虑上厂的建脆能力、起吊设备和船舶残造的经济性4.5出\改汁在详细设计阶段的渗透内容+正要体现在各部分各系统的建造针船体结构形式和设冬,管忙乃的工艺性
4.B生产设汁是在企部技术形态已确定的基础上,按区域、按1艺阶段绘制工作阁表和提供生产信息支件。
4.了建造工艺的变更情况,作产设计部门这及时向详细设计部门反馈,以便尽快反映到详细设让图纸..
中国船舶工业总公司1988-12-30批准CB/Z 254—8
4.8在详细设计阶段,生产设计部门需派专业人员到讲缅设计部门,了解设计情说和熟悉设计图纸资料
5生产设计对初步设计和详细设计图纸的基本要求5.1树步设计和详细设计的供图范函按CB*3243.5的规是.5.2初步设计和详细设计所保用的图形符号、代号按GB3894,1-3891.9,GB3895.GH4299、心I4791的规定。以上标准未作规定的部分应与生产设计部门协商解决。5.3在初步设计和详细改计阶段中,要尽做到上设计阶段的图纸,能用」下一设计阶段5.4生产设计对初步设计、详细设计阶段所提供的各类图纸、文件利资料内窄的要求如下:a满足合同以及船东协设条款;
图纸必须具备完整性及必要工艺性+h.
图纸表达必须清晰准确、上要尺寸齐全,满足开展生产设计的要求:c
除验船机构规定送审部分图纸外,般均应一个系统·或一个装疑逆行整什,!·在表达形式d
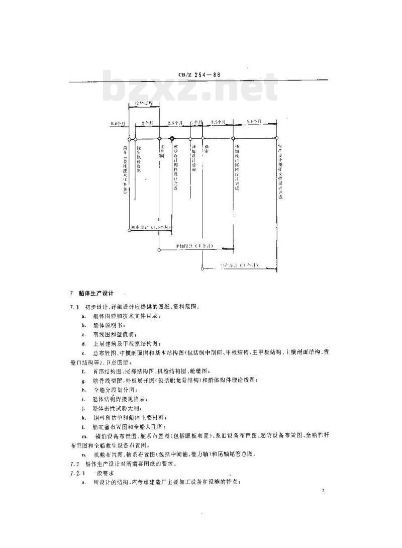
1.除「关键的技术性计算数据和图纸资料外,还必须对具体细节交待清楚;e:在图纸中有关工艺、结构方面内容应按施工丁艺绘制;t.详细设计的图纸必须经过船,机、电各专业的协调。6各设计阶段的进度要求
6.1初步设计周期为总设计周期的30%。6.2详细设计周期为总改计周期的50为,6.3生产设计周期为总设计期的50%。6.4各设计阶段应该丘相交及进行,详细设计与初步设计的交叉时间为总设计周期的10%,牛产设计与详细设计的交叉时间为总设计期的20%。如总设计周期为12个月,则初步设计、详组设计利生产设计的设计盾期川参照下相执行,6.5生产改计对所需图纸的时间要求6.5.1详细设计开始前.详细设计部门应与生产设计部门协商制订供图进度表。6.5.2合同生效到初步设计完成阶段,应为生产设计部门提供满足开展生产技术雅备,计划准备和工程控制备二方面工作的有关图纸资料6.5.3从详细设计图纸送市到图纸退审阶段应为生产设计部门提供有关图纸资料,以满足生产设计畏下列工作的需要。
1,船体生产设计、解体结构政样;h。船装生产设计:设绘内整装舱室布答图,设绘外愿装综合图,设绘管翻装综合图,编制涂装的油漆和稀释剂订购清单:
c,机装生产设让:设绘机装综合布置图,设绘轴系安装图;d。电装生产设计:设绘电装综合布置图;6.5.4从图纸让审起应在20%的总设计周期内,为牛产设计部门提供全面开展生产没计所需的全部图纸资料。
0.5个片
阿介一费托歧太江衍
2个月
提出报价资料
阿检洞
CB/Z 254—88
2.5个月
初水控计阁作设计院
初步让(3.5个H)
详投训法
2.5个小
栏圳设广片科政训劳议
船体生产设计
7.1初步设计,详细设计应提供的图纸,资料范,a.韶体图样和技术文件月求;
船体说明书:
功线图和型值表
作工设计闵指设供设计兴院
d、上层建筑及巾版空结图;
总布图、中横剖面和基本结构图(包括纵中剂面、甲板结构、主甲板结构、三横剖面结构、货舱口结构等)、节点图册;
首邮结构图、尾部结构图.机舱结树图、舱壁图,肪骨线型图,外板展开图(包括批龙骨结)和解体构件理论线图:全船分段划分图:
铅体结构炽接规格表:
报本密性试验大纲:
钢料随估单和船述士要材料;
船底布贸图和全船人孔修:
辅拍设各布性图、能系布置图(包括眼板布置)系泊设备布件图,起货设备布置图,全胎栏杆布图和全船救设备布置图:
机舱布置图、轴系布置图(包括中轴、推力轨)和居轴尾管总图。n.
7.2船体生产设让对所需要图纸的要求。7.2. 1
·股要求
所设计的结构,应考虑建造厂要加工设备和设施的特点;b。结构尺小宗整,非
川清晰、流整,
分段接缝危必须训确:
CB/Z 25488
板缝列清楚,节点标证清、克我,满足颈变要求的条补上,设计让所逆用的谢材,材必颁喉确,规格品种最少。7.2.2对分段划分的些表
分段划分除广专激明体建造艺外.店专意船装、机装、电紫牛心设计工准的要求.有表下品H
心组装即颈暂浓[诈的非表;
b分段则分图的内容应包指分段划处的安降、编划、外程尺十和丘址。2.3本组购图必须长就本纵向而前构件标价件的兴,版正心尺,法甲板.低部.侧肾架等.
7-2.4结构降质清晰表达树零简件的外划.构件天十、现务.在织、带两个间部成行是够的务安長适分段浩构的式科为容,可过度造门、离,船点,人礼等准询位置,12.5节点图的节点非节应齐个湾整,并附以代号调常将全船分段结构图需要评组绘制的品点集成图明.非按区城端制.如分为具底、凯呛,货能,上层遵筑、髓舰等7.2.6外板限图应而外板的排死引短材的尺卡以及的件板缝、扇部引强的板、水案腔华成求的鼓海底阔,分制夺的行留待是7.2.7中辅剂前图成院船体结均典型剂而.修1成表达任的件单:表提片式,标司均计1要使主及迷材料等级
上质建筑及引板站均图成技尽(的括各器中极整制·表医车产,示明门窗计等装7. 2. 8
29州外南件国小准游的:率
7.2.10超体洁购设摄现格专,清装明接时事相新你文的件的量或格8船装生产设计
利设开汇中成内图发更器家
各专业其间要的科限:
全卵鼠限:
总布价阁共态消格图,媚邪给数图、息部路构、提化筑受版密的构图、个段划分剂内邮装所靠费的主要图纸
脏率在险国:
其型本酷:
绝续单;
冷潜食调消风图性的术之件乱表空调制冷系流原慢询:
全解型载调叫车器进:
会部然通以图
外装所的的
h 提-
6 8 :
8. !. 4管纳所需要的正要[图纸:a,增体部分:中横部而图、点图册;CB/7. 254 -.- 88
b.验机部分:各系统管系原理图和布改经、各类箱拒包、机械设备认可图、船部分管系附件标埔则液作笔除件详图:
,装利抢准部分范车置图防火维均典型图,绝缘木简图,中援救料全船机械通风在尚图全帮门然而风布险,系汇设备布置图铺泊设务置图、全服技梯偿栏个置图、全门的有评图个人市计图、部范所设奇布格图、被原系经在留图改源理图:d,电(部券设在图、电缆图
8. 1.5除装所筛要的主要图缺:洲漆明圳表:
涂装说时
全册途表国表:
价诱涤装质让要求:
价科汀华路的
能室:
科学;
范蒙阁
昭表生,“设计对需要图综的深度要卡。8.2www.bzxz.net
长股各发装这的是发良中成整:h.
学率表叫尚期要学理、留件证小干公格制合是率正靠:表各围委素医符合受路剂者:的发来学常南评于表
要新到!中和或中最律的
22军市资成明的商武添宝的教试同六南产武天乐率民科装82兴本计年均客单提降间准情法,用冬附、天花被到街的的预新博8. 4m 动甲格 4 (胰
8.2.5动力许系度接照心辅各系经代导变号的非阀件附件科导的义,继而不传要附准的录等
86销理代关用传成给同院给个脂息&导美设备·库中管商是出径、闪rr,
6.2了油管热移管出普系新划表教期热能疫而热加供加热多数乐用接头台格和数质
8.2.8徐装主产股计讨所审要的很资提要实同主72我行。会视装出产设计
VR我摄迅的ta
是体都
中横剖面阁
9.1.2轮机部分
CB/Z 254—88
机舱布置图(包括机修间、物料间、烟窗内)机糖内管系原理图:
轮机说明书:
机械设备认可图《出订货部门向详细设计部门提供,再内详细设计部门向出产改计部门提供):排系置图;
机抢底钢板格栅扶梯布置示意图:汕水籍柜图;
机舱起吊设备布置图:
机舱通风管系布图:
E机改减速齿轮箱安装图;
轴系布置图和癌轴眠管总图:
轮机部分管系附件标准图册。
酒装和舱空部分
机舱上部室内外晒装布件图:
机舱部分消防用品布置图;
能系布置图:
机舱集控空术作隔音图。
9.1.4电气部分
电力设备布置图;
电力设备认可图(由订货部门向详细设计部门提供.再出详细设计部门向生产设计部门提供);机舱上干电缆走向图;
照明设备布置图(机舱部分)。
9.2机装生产设计对所需要图纸的深度要求。9. 2. 1 --般要求:
各类阁纸资料必须满足设绘综合布置图的要求;a.
b,机舱设备布害应有利管系布置和组戒管子单元;海水吸入阀的布,应考虑主机周围的管子遁道。9.2.2机舱布昏应用二维坐标表示设备的位置,并标明风管排气管走间;扶梯、格栅应表示在布置图E..
9.2.3各系统管系图纸应分别符合8.2.6~8,2.7条的规定。9.2.4机舱通风管系布置图、排气管系布置图需绘制出管系在机舱中的实际走,需准确地长达支架的位置,标出各种附件,对非标附件要绘制详图,排气管的包扎层需画出示意网,9.2.5机舱底花钢板、格栅、扶梯布置示意图应标出其具体场所.所需的材料、规络、数量并绘制典型联接图。
9.2.6机舱油水箱柜图应绘制铬柜的结构、外型尺寸,各座板、附件的位置、种类及标准,测出所需材料、数量等。
9.2.7主机及减速齿轮箱安装图需画出机座下复板、各种支摔布码、紧固件连接形式。对于正标准件需给出详图。
9.2.8轴系布置图需标明组成轴系的各部件、零件、标出各轴段的划分,系中心线布肾尺寸以及有关船体的结构与线型。
9.2.9轴管总图以总装图形式绘制,标零件和带件,并注明材料.数量、标准。6
10电装生产设计
CB/Z 254 -88
10.1韧步议计、详细设计应提供的图纸及资料。10. 1. 1
船体部分
总布图:
型线图和型值表
骨线型图
全解分段划分图
分段结构图:
纵中剖图和横剖面图;
[:质建筑及甲板室结构图。
舱室部分
舱率部分动削装部分图纸目录!各类舱室布置图:
房间家俱、门窗布置图:
防火结构典型图:
各层甲板硅酸钙板(或其他绝缘材料)布置结构图:典型木作结构图:
防火控制图:
全扶梯栏杆布管图。
轮机部分
轮机部分图纸H录:
凯舱布置图:
全船通风管系布图,
机舱控制撤测、报警系统图;
各动力系统传感器系统图:
机舱布置-传感器布置图;
汕水箱柜图;
各类设备基密图:
机舱格栅布胃图。
电气部分
电气图样和技术文件日录
电气说明书:
电气材料明细表利设备明细表:提供已认可设备有关资料;
电力一次系统图和电力二次系统图;全骺照明,航行、信号灯系统图
内部通讯设备系统图;
主下电缆走图:
电气设备综合布曾图:
驾驶室、海图室、报务室、机舱集控室等专业舱室布置图;航行设备系统图+
无线电装置系统图。
CB/Z254—88
10.2电装牛产设计对所需要图纸的深度要求,10.2.1般要求:
::详细设计图纸腔有利1全解电气安装区或划分和内场电气组装与配粪b。电设备的有置应考虑安企和安装、维修,处用的方便;c:电缆的追线应尽可能平肖易于安装继修;4在初步设计薪段的总布督中,应考您主下电缆的走向.以及电缆舱的位否大小。10.2.2电(材料明细表和电气设备明细表,外购设备需标明整机规格、型号、配套方式数量,生产!,船「白制设备需标明元器件规格、型号,数量和生产!。10.2.3电力务系统图分辰绘制,要有设备明细,并标明电缆编号、规格、设备位置10.2.4也设备综合布置图,需接层、按区域绘制,相对位置要准确.设备相互不碰撞,片有设备明细表
10.2.5主11缆走向图必须经过船、机、电各专业的技术协调附加说明:
本标准由造船T.艺专电组提出·山中国船舶F业总公司603研究所归11。本标准由中国船舶工业总公可第十一研究所、708研所.东造船厂,上游船厂、人连造解!负责起草。
本标准要起草人李绍东、王祥生、朱念华、两兆习继成。
小提示:此标准内容仅展示完整标准里的部分截取内容,若需要完整标准请到上方自行免费下载完整标准文档。