首页 > 其他行业标准 > HG/T 4606-2014等离子电视(PDP)滤光膜
HG/T 4606-2014

基本信息

标准号: HG/T 4606-2014

中文名称:等离子电视(PDP)滤光膜

标准类别:其他行业标准

英文名称:Plasma display panel (PDP) filter film

标准状态:已作废

发布日期:2014-05-06

实施日期:2014-10-01

作废日期:2017-05-12

出版语种:简体中文

下载格式:.pdf .zip

相关标签: 等离子 电视 滤光

标准分类号

标准ICS号:化工技术>>有机化学>>71.080.99其他有机化学

中标分类号:化工>>有机化工原料>>G15有机化工原料综合

关联标准

出版信息

出版社:化工出版社

页数:7页

标准价格:12.0

出版日期:2014-10-01

相关单位信息

起草人:邱桂花等

起草单位:天诺光电材料股份有限公司等

归口单位:全国光学功能薄膜材料标准化技术委员会

发布部门:中华人民共和国工业和信息化部

标准简介

本标准规定了等离子电视(Plasma display panel,简称PDP)滤光膜的结构、要求、试验方法、检验规则、标识、包装、运输和贮存。 本标准适用于无电磁干扰(Electromagnetic Interference,简称EMI)屏蔽层的各类等离子显示器用滤光膜。


标准图片预览

HG/T 4606-2014等离子电视(PDP)滤光膜
HG/T 4606-2014等离子电视(PDP)滤光膜
HG/T 4606-2014等离子电视(PDP)滤光膜
HG/T 4606-2014等离子电视(PDP)滤光膜
HG/T 4606-2014等离子电视(PDP)滤光膜

标准内容

ICS71.080.99
备案号:45264-2014
中华人民共和国化工行业标准
HG/T4606—2014
等离子电视(PDP)滤光膜
Plasmadisplaypanel(PDP)filterfilm2014-05-12发布
2014-10-01实施
中华人民共和国工业和信息化部发布前言
本标准按照GB/T1.1-2009给出的规则起草。本标准山中国有汕和化学工业联合会提出。本标准山全国光学功能薄膜材料标准化技术委员会(SAC/TC431)II。HG/T4606—2014
本标准起草单位:天诺光电材料股份有限公司、四川长虹电器股份有限公司、中国兵器工业集团第在三研究所。
本标准主要起草人:邱桂花、宋焰焰、潘晓刃、今斌、张瑞器、舒宝、丁名讯、个林。1
1范围
等离子电视(PDP)滤光膜
HG/T4606-—2014
本标准规定了等离子电视(plasmadisplaypanel,简称PDP)滤光膜(以下简称PDP滤光膜)的结构、要求、试验方法、检验规则、标识、包装、运输和存。本标准适用于无电磁下扰(electromagneticinterference,简称EMI)屏蔽层的各类等离子显示器用滤光膜。
规范性引用文件
下列文件对于本文件的应用是必不可少的。凡是注期的引用文件,仅注川期的版本适用于本文件。凡是不注期的别用文件,其最新版本(包括所有的修改单)适用于本文件。包装储运图示标志
GB/T191
GB/T2790胶粘剂180°剃离强度试验方法性材料对刚性材料
GB/T2828.1计数抽样检验程序按接收质量限(AQI)检索的逐批检验抽样计划GB/T6739
色漆和清漆铅笔法测定漆膜硬度GB/T25273
3结构
液品显示器(I.CD)用薄膜度测定方法积分球法
PDP滤光膜通常山保护膜、HC硬化层、PET基材、光学功能层(近红外吸收、氛黄光吸收和压敏胶)、离型膜等组成,其膜层结构图见图1。此外,根据不同的应用需求还可与电磁屏蔽层(FMI)、提高明牵对比度膜(CRF)等多种功能膜层组合搭配使川。2
说明:
1—保护膜;
2——HC硬化层;
3—PET基材;
4——光学功能层:
5——离型膜。
图1PDP滤光膜膜层结构图
4要求
4.1外观质量
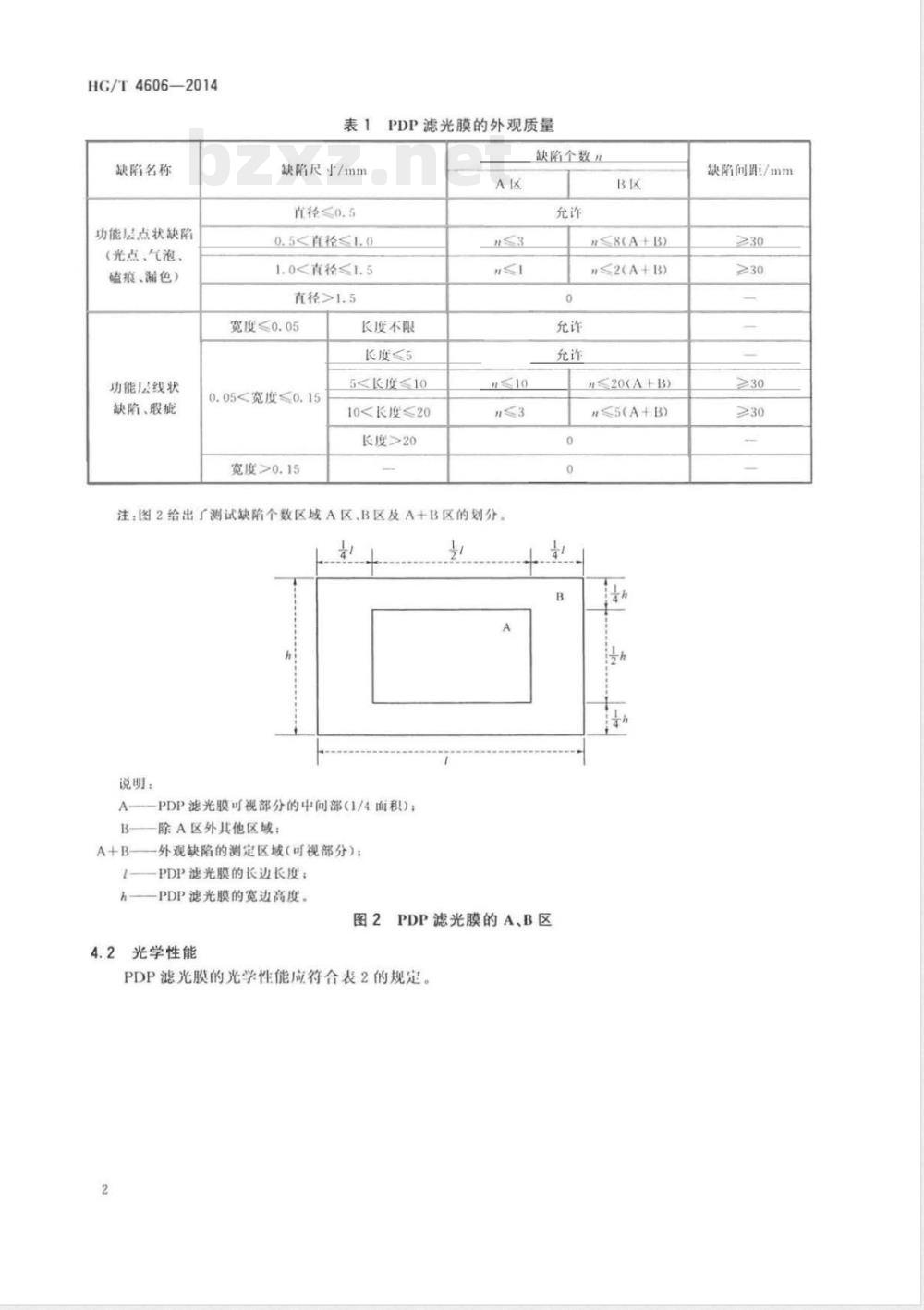
PDP滤光膜的外观质量应符合表1的规定。HG/T4606—2014
缺陷名称
功能层点状缺陷
(光点、气泡、
嗑衰、漏色)
功能层线状
缺陷、瑕疵
表1PDP滤光膜的外观质量
缺陷尺寸/mm
直径≤0.5
0.5<直径≤1.0
1.0<直径≤1.5
直径>1.5
宽度≤0.05
0.05<宽度≤0.15
宽度>0.15
长度不限
长度≤5
5<长度≤10
10<长度≤20
长度>20
注:图2给出了测试缺陷个数区域A区,B区及A+B区的划分。说明:
PDP滤光膜可视部分的中间部(1/4面积):除A区外共他区域:
外观缺陷的测定区域(可视部分);PDP滤光膜的长边长度;
PDP滤光膜的宽边高度。
缺陷个数儿
S8(A+B)
≤2(A+B3)
≤20(A+B)
\≤5(A+B)
图2PDP滤光膜的A、B区
4.2光学性能
PDP滤光膜的光学性能应符合表2的规定。2
缺陷间距订mm
总透过率(380nm~780nm)/%
可见光反射率(380nm~780nm)/%雾度/%
透射色坐工
透射色坐标y
近红外透过率/%
表面铅笔硬度
PDP滤光膜的光学性能
指标要求
依据设计需求
依据设计需求
PDP滤光膜的表而铅笔硬度应≥2H。剥离强度
PDP滤光膜剃离强度应符合表3的规定。表3
刹离强度/(N/25mm)
离型膜刺离强度/gf
保护膜剃离强度/gf
保护膜快速剃离强度/gf
耐候性能
PDP滤光膜的剥离强度
PDP滤光膜的耐候性能应符合表4的规定表4
高温耐候性
混热酮候性
高低温循环耐候性
紫外环境附候性
PDP滤光膜的耐候性能
指标要求
指标要求
H测外观无变化;
总透过率变化△T≤4.0%;
HG/T4606—2014
允许最大偏养值
可见光反射率变化△R≤0.5%;
850nm.950nm透过率变化△T≤3.0%:透射色坐标变化△r、Ay≤0.015。PDP滤光膜的其他要求,由供需双方协商确定。试验方法
试验环境
温度:23℃±5℃;
相对湿度:35%~75%。
样品测试之前,应在此环境条件下平衡放置2h。5.2外观质量的测定
5.2.1反射式检查法
在白色光源照射的角度中缓慢移动被检查样品,观察者在1m以内的离利用反射光检查样品有3
HG/T4606—2014
无缺陷。
5.2.2透射式检查法免费标准bzxz.net
将样品放置在光源1侧,缓慢移动被检样品,观察在1m以内的距离利用透射光检查样品有无缺陷。
5.3总透过率的测定
5.3.1PDP滤光膜单品测试方法
将术贴滤光膜的PDP模组在全自场下预热30min,在屏中央位置使用记号笔比照色彩分析仪或同等检测设备的圆形探头划一圆圈,利用色彩分析仪先测量出该圆圈处的亮度L1,然后将8cm×8cm左石大小滤光膜样品去除保护膜和离型膜后粘贴在屏圆圈处,样品应完全妆盖该圆圈,粘贴后不能有气泡,者有气泡应重新制作样片粘贴,再利用色彩分析仪测量贴膜后该圆圈处的亮度L2,按公式(1)计算得滤光膜总透过率T:
武中:
滤光膜总透过率:
圆圈处滤光膜样品去除保护膜和离型膜粘贴后模组的亮度:-圆圈处未贴PDP滤光膜的模组的亮度。5.3.2PDP滤光膜贴在模组上的测试方法(1)
在屏中央位置使用记号笔比照色彩分析仪或同等检测设备的圆形探头在滤光膜上划一圆圈,将PDP模组在全自场下预热30min,利用色彩分析仪先测量出该圆圈处的完度L1.然后利用刀片划开并撕去外切于该圆圈的方框处的PDP滤光膜,用酒精擦拭「净,再利用色彩分析仪测量撕膜后该圆圈处的亮度12按公式(2)计算得滤光膜总透过率T:T:
式中:
滤光膜总透过率;
1圆圈处贴有PDP滤光膜的模组的亮度;12
圆圈处撕去PDP滤光膜的模组的亮度。5.4可见光反射率的测定
取4cm×4cm左石大小滤光膜样品,去除保扩膜和离型膜,将胶膜层贴合在黑色背景上,利用分光光度计或同等检测设备测试表面硬化层的可见光反射率。5.5雾度的测定
测定方法按GB/T25273规定的方法执行。测试前应除去保护膜和离型膜。5.6透射色坐标的测定
5.6.1PDP滤光膜单品测试方法
将未贴滤光膜的PDP模组在全白场下预热30min,再将8cm×8cm左大小滤光膜样品去除保护膜和离型膜后粘贴在PDP模组屏中央位置,粘贴后的样品与模组间不能有气泡,若有气泡应重新制作样片粘贴,再利用色彩分析仪或同等检测设备测量贴膜样品的色坐标主、少。5.6.2PDP滤光膜贴在模组上的测试方法PDP模组先在全白场下预热30min,再在屏中央位置使用色彩分析仪或同等检测设备直接测量滤光膜的色坐标工、y。
5.7850nm950nm透过率的测定
取4cm×4cm左右大小滤光膜样品,去除保扩膜和离型膜,使用分光光度计或同等检测设备测出4
850nm、950nm处的透过率。
5.8表面铅笔硬度的测定
HG/T4606-—2014
测定方法按GB/T6739规定的方法执行,测试前应除保扩膜,负荷500g,测试5次,至少有3次合格
5.9剥离强度的测定
以等离子电视而板用光学玻璃为被粘材料,测定方法按GB/T2790规定的方法执行。压缴胶、离型膜和保护膜刺离强度测试速度为300mm/min,保扩膜快速刺离强度测试速度为30m/min。5.10耐候性能的测定
5.10.1高温耐候性测试
5.10.1.1反射率、850nm和950nm处的透过率的测试取20em×20cm左右大小PDP滤光膜样品。在试验斤始前,先测试样品的反射率、850nm和950nm处的透过率。再将剩余样品撕去保护膜送人环境试验箱,水平放置,试验条件:温度80℃士1℃,时间500h。试验结束后,将样品取出,再次测试PDP滤光膜的反射率、850nm和950nm处的透过率,计算耐候性试验前后各光学性能指标的变化值。5.10.1.2总透过率、色坐标的测试将滤光膜全尺寸产品贴到PDP屏「装配成PDP模组。在试验开始前,先斯去滤光膜保护膜,测试PDP滤光膜的总透过率、色坐标。再将PDP模组竖放人环境试验箱,试验条件:温度80℃士1℃、时间5OOh。试验结束后,将PDP模组取出,再次测试PDP滤光膜的总透过率、色举标,计算耐候试验前后各光学性能指标的变化值。5.10.2湿热耐候性测试
5.10.2.1反射率、850nm和950nm处的透过率的测试取20cm×20cm左石大小PDP滤光膜样品。在试验开始前,先测试样品的反射率、850nm和950nm处的透过率。再将剩余样品撕去保扩膜送人环境试验箱,水平放置,试验条件:温度60℃士1℃、相对湿度90%土5%、500h试验结束后,将样品取出再次测试PDP滤光膜的反射率、850nm租950nm处的透过率,计穿耐候性试验前后各光学性能指标的变化值。5.10.2.2总透过率、色坐标的测试将滤光膜全尺寸产品贴到PDP屏I开装配成PDP模组。在试验开始前,先撕去滤光膜保护膜,测试PDP滤光膜的总透过率、色坐标。再将PDP模组竖放人环境试验箱,试验条件:温度60℃士1℃、相对湿度90%土5%、500h。试验结束后,将PDP模组取出,再次测试PDP滤光膜的总透过率、色坐标,计算耐候性试验前后各光学性能指标的变化值。5.10.3高低温循环耐候性测试
5.10.3.1反射率、850nm和950nm处的透过率的测试取20cm×20cm左右大小PDP滤光膜样品。在试验开始前,先测试样品的反射率、850nm和950nm处的透过率。再将剩余样品撕去保扩膜送入环境试验箱,水平放置,试验条件:在温度一30℃±1℃保持60min,再在60min内将温度山-30℃±1℃升至60℃±1℃,后在60℃±1℃下保持60min,再在60min内将温度出60℃士1℃降至一30℃±1℃,此过程为一个循环,整个实验循环次数100次。试验结束后,将样品取出,再次测试PDP滤光膜的反射率,850nm和950nm处的透过率,计算耐候性试验前后各光学性能指标的变化值。5.10.3.2总透过率、色坐标的测试将滤光膜全尺寸产品贴到PDP屏上并装配成PDP模组。在试验始前,先斯去滤光膜保护膜,测试PDP滤光膜的总透过率、色坐标。再将PDP模组紧放入环境试验箱,试验条件:在温度一30℃士1℃保持60min,再在60min内将温度山一30℃土1℃升至60℃±1℃,后在60℃士1℃下保持60min,再在60min内将温度山60℃士1℃降至一30℃土1℃,此过程为一个循环,整个实验循环次数5
HG/T4606—2014
100次。试验结束后,将PDP模组取出,再次测试PDP滤光膜的总透过率、色坐标,计算耐候性试验前后各光学性能指标的变化值。
5.10.4紫外环境耐候性测试
在试验开始之前.应先测试PDP滤光膜单品样品的总透过率、反射率、色坐标、850nm利950nm处的透过率。再将A4大小PDP滤光膜样品放入紫外光耐气候试验箱,试验条件:温度60℃土1℃、UVA340lamp(0.77W)、试验时间100h试验结束后,将PDP滤光膜样品取出,再次测试PDP滤光膜样品的总透过率、反射率、色坐标、850nm和950nm处的透过率,计算耐候性试验前后各光学性能指标的变化值。
检验规则
检验分类
检验分为出厂检验和型式检验。6.2出厂检验
出厂检验项为外观、透过率、表面硬度、剥离强度。6.3型式检验
型式检验是对产品进行全而考核,即对本标准规定的全部要求进行检验。连续批量生产的产品应每年进行一次型式检验。值有下列情形之一者应进行型式检验:国家质量监件机构或行业主管部门提出型式检验要求;新产品或老产品转厂的试制、定型;结构、材料、工艺有较大改变,可能影响产品性能时;出厂检验结果与上次型式检验有较大差异时。6.4抽样方法与判定规则
抽样方法及判定规则按GB/T2828.1规定的正常检在一次抽样方案进行,检查水平为Ⅱ级,接收质量限(AQ1)为0.25。对抽检不合格项II需加倍抽样,若加倍抽样检验仍不合格,则判该批次不合格对不合格批次要进行返工,返工后再提交检验。7标识、包装、运输和购存
7.1产品内包装上应附有品合格证。合格证上应注明产品的名称、数量、规格、批号、生产日期,在内包装上应贴有合格证(产品类型、数量、规格、检验等)。产品外包装上应注明产品名称、数量、批号、生产I期、公司名称租地址等内容,以及小心轻放、防潮、防晒等标志,标识应执行标准GB/T191的规定7.2滤光膜包装件必须水平存放,避免折叠、弯曲、重压,同时应防潮、防晒、防震动,不应与有污染的物品及易燃物放在一起。
7.3完整包装的PDP滤光膜产品可用正常的海、陆、空交通工具运输,运输过程中应按包装标记规定存放。
7.4产品应贴存在温度15℃30℃、相对湿度20%~80%的环境中,贮存有效期为6个月。6
中华人民共和国
化工行业标准
等离子电视(PDP)滤光膜
HG/T4606—2014
出版发行:化学工业出版社
(北京市东城区青年湖南街13号邮政编码100011)北京科印技术咨询服务公司海淀数码印分部880mm×1230mm1/16印张头字数17.6千字2014年9月北京第1版第1次印刷
书号:155025·1706
购书咨询:010-64518888
售后服务:010-64518899
网址:htip://www.cip.com.cn凡购买本书,如有缺损质量问题,本社销售中心负费调换。定价:12.00元
版权所有
违者必究
小提示:此标准内容仅展示完整标准里的部分截取内容,若需要完整标准请到上方自行免费下载完整标准文档。