首页 >  船舶行业标准(CB) >  CB* 283-1984 箱柜手孔盖

基本信息

标准号: CB* 283-1984

中文名称:箱柜手孔盖

标准类别:船舶行业标准(CB)

标准状态:现行

发布日期:1984-10-15

实施日期:1986-01-01

出版语种:简体中文

下载格式:.rar.pdf

下载大小:1,003.61 KB

相关标签: 手孔

标准分类号

中标分类号:船舶>>舾装设备>>U26舱面属具

关联标准

替代情况:CB 283-75

出版信息

页数:4页

标准价格:8.0 元

出版日期:1986-01-01

相关单位信息

标准简介

CB* 283-1984 箱柜手孔盖 CB*283-1984

标准内容

全国船舶标准化技术委员会专业标准箱柜手孔盖
本标准适用于公称压力PN<0.3kgf/cm2[29.4kPa]的箱柜手孔盖。箱柜手孔盖的类型
一长圆形手孔盖;
一圆形手孔盖。bzxZ.net
2A型手孔盖尺寸按图1及表1。
1-座板;2一橡胶垫料,3把手,4-盖板,5一双头螺柱,6一六角螺母,7一垫图全国船舶标准化技术委员会1984→10-15发布CB*283--84
组别:26
代替CB283--75
1986-01-01实施
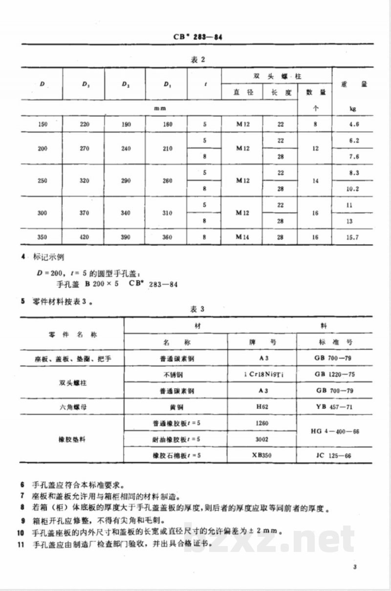
B型手孔盖尺寸按图2及表2。
CB*283—84
1座板;2-橡胶垫料:3—把手;4-盖板;5一双头螺柱;6一六角螺母,7一垫圈双
(个)
4.标记示例
D=200,t=5的圆型手孔盖:
手孔盖B200×5
零件材料按表3。
零件名称
座板、盖板、垫、把手
双头螺柱
六角蝶母
橡胶垫料
手孔盖应符合本标准要求。
CB*283—84
283—84
普通碳素钢
不锈钢
普通碳素钢
普通橡胶板t=5
耐油橡胶板1=5
橡胶石棉板1=5
座板和盖板允许用与箱柜相同的材料制造双
螺·柱
1Cri8Ni9Ti
标准号
GB70079
GB1220-75
GB700-79
YB457—71
HG4—400—66
JC125—66
若箱(柜)体底板的厚度大于手孔盖盖板的厚度,则后者的厚度应取等同前者的厚度。8
箱柜开孔应修整,不得有尖角和毛刺。9
手孔盖座板的内外尺寸和盖板的长宽或直径尺寸的允许偏差为土2mm。10
手孔盖应由制造厂检查部门验收,并出具合格证书。11
CB*283-84
手孔盖应与箱(柜)体一起进行强度和密封性试验。18在每个手孔盖盖板上应打上下列标志:具。型号或标记号;
b.检验合格印章。
14双头螺柱按GB898—76《双头螺柱(L,=1.25d)》。附加说明:
本标准由舱面属具组提出,由沪东造船厂归口。本标准由广州造船厂负责起草。本标准主要起草人郭金铃。
本标准首次发布于1964年。

小提示:此标准内容仅展示完整标准里的部分截取内容,若需要完整标准请到上方自行免费下载完整标准文档。

标准图片预览

CB* 283-1984 箱柜手孔盖 CB* 283-1984 箱柜手孔盖 CB* 283-1984 箱柜手孔盖 CB* 283-1984 箱柜手孔盖