首页 > 船舶行业标准(CB) > CB* 821-1984 低压管子螺纹接头
CB* 821-1984

基本信息

标准号: CB* 821-1984

中文名称:低压管子螺纹接头

标准类别:船舶行业标准(CB)

标准状态:现行

发布日期:1984-05-30

实施日期:1985-08-01

出版语种:简体中文

下载格式:.rar.pdf

下载大小:KB

相关标签: 低压 管子 螺纹 接头

标准分类号

中标分类号:船舶>>船舶管路附件>>U55船用管件

关联标准

替代情况:CB 821-75

出版信息

页数:19页

标准价格:15.0 元

出版日期:1985-08-01

相关单位信息

标准简介

CB* 821-1984 低压管子螺纹接头 CB*821-1984 标准下载解压密码:www.bzxz.net

标准图片预览

CB* 821-1984 低压管子螺纹接头
CB* 821-1984 低压管子螺纹接头
CB* 821-1984 低压管子螺纹接头
CB* 821-1984 低压管子螺纹接头
CB* 821-1984 低压管子螺纹接头

标准内容

全国船舶标准化技术委员会专业标准CB* 821-84
低压管子螺纹接头
1984-05-30发布
全国凯舶坛准化技术
装日人
1985-08~01实施
全国船舶标准化技术委员会专业标准低压管子螺纹接头
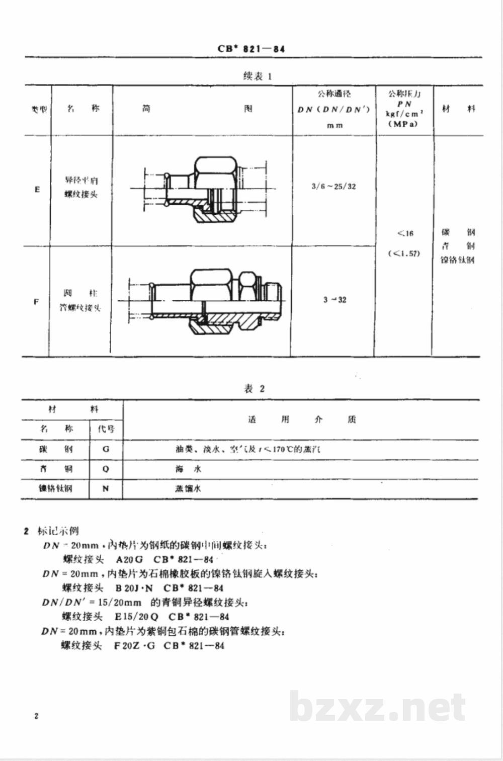
低压管子螺纹接头的类型和主要参数按表1、表2。表1
中间平肩
蝶纹接头
旋人半肩
螺纹接头
支管业所
螺纹接头
外套平前
螺纹接头
全国船舶标准化技术委员会1984-05-30发布公称通径
DN(DN/DN')
CB*821—84
组别:55
代替CB 821--75
公称压力
kgf/cm
(MPa)
镍铬银钢
1985-08-01实施
异经平府
螺纹接头
管螺纹接头
镍铬钛钢
标记示例
CB*821-84
续表1
公称通径
DN(DN/DN')
3/6~25/32
油类、淡水、空及1<170℃的蒸
蒸馏水
DN20mm·内垫片为钢纸的碳钢间螺纹接头:螺纹接头A20GCB*821-84
DN=20mm,内垫片为石棉橡胶板的镍铬钛钢旋入螺纹接头:螺纹接头B20J·NCB*82184
DN/DN=15/20mm的青铜异径螺纹接头:螺纹接头E15/20QCB*821-84
DN=20mm,内垫片为紫铜包石棉的碳钢管螺纹接头:螺纹接头F20Z·GCB*821-84
公称拆力
kgf/cm
镍铬铁钢
CB*821-84
低压管子娜纹接头的主要零件材料按表3。表3
平扇接头
异径肩接头
外套螺母
中间螺纹接头
旋人螺纹接头
支管螺纹接头
管螺纹接头
续路铁钢
石棉橡胶板
紫铜包石棉
有棉橡胶板
QA19-2
1Cr18Ni9Ti
标雄号
GB700—79
.YB458-71
GB1220—75
QB365 63
JC125—66
QB36563
JC125—66
CB*821-84
A型中间平肩螺纹接头的主要尺寸按图1和表4。扳手开口尺寸S,
M30×2wwW.bzxz.Net
M36×2
M42×2
M48×2
外形尺寸
扳手开口尺寸
镍铬钛钢
CB*821-84
5B型旋人平肩螺纹接头的主要尺寸按图2和表5。板手开口尺寸S,
M30×2
M36×2
M42×2
旋入螺纹端部
M10×1
M 14×1.5
M27×2
M33×2
M42×2
外形尺寸
板手开1尺寸
CB*82184
C型支管平肩爆纹接头的主要尺寸按图3和表6。6
扳手开口尺寸S,
R按管子
M30×2
M36×2
M42×2
M48×2
外形尺寸
扳手开口尺寸
镍铬钛钢
CB*82184
7D型外套平肩螺纹接头的主要尺寸按图4和1表7。图4
M30×2
M36×2
M42×2
M48×2
外形尺寸
扳手开
口尺寸
镶铬钛钢
CB*821-84
E型异径平肩螺纹接头的主要尺寸按图5和表8。图5
公称通径
M30×2
M36×2
M42×2
M48×2
外影尺寸
扳手开
日尺寸
镍铬钛钢
CB*821-84
F型柱管螺纹接头的主要尺寸按图6和表9。9
扳手开口尺寸S,
M30×2
M36×2
M42×2
M48×2
旋人螺纹端部
外形尺寸
扳手开尺寸
镍箭最
CB*821-84
平肩接头(01)的尺寸按图7和表10。10
其余V3
镍络钛钢
小提示:此标准内容仅展示完整标准里的部分截取内容,若需要完整标准请到上方自行免费下载完整标准文档。