首页 > 船舶行业标准(CB) > CB/T 3324-1995 钢质舾装件精度要求
CB/T 3324-1995

基本信息

标准号: CB/T 3324-1995

中文名称:钢质舾装件精度要求

标准类别:船舶行业标准(CB)

英文名称: Precision requirements for steel outfitting parts

标准状态:现行

发布日期:1995-12-19

实施日期:1996-08-01

出版语种:简体中文

下载格式:.rar.pdf

下载大小:4016535

相关标签: 钢质 舾装 精度

标准分类号

标准ICS号:造船和海上建筑物>>船舶和海上建筑物综合>>47.020.01造船和海上建筑通用标准

中标分类号:船舶>>船舶综合>>U06船舶工艺

关联标准

替代情况:CB* 3324-87

出版信息

出版社:中国标准出版社

页数:25页

标准价格:15.0 元

出版日期:1996-08-01

相关单位信息

起草单位:江南造船厂

归口单位:中国船舶工业总公司第十一研究所

提出单位:全国海洋船舶标准化技术委员会造船工艺分技术委员会

发布部门:中国船舶工业总公司

标准简介

本标准规定了船舶货舱口盖、门、窗、梯、杆等舾装件的制造和安装的精度要求。本标准适用于3000吨级及其以上的常规钢质海船,3000吨级以下的船舶和修理船舶可参照使用。 CB/T 3324-1995 钢质舾装件精度要求 CB/T3324-1995 标准下载解压密码:www.bzxz.net

标准图片预览

CB/T 3324-1995 钢质舾装件精度要求
CB/T 3324-1995 钢质舾装件精度要求
CB/T 3324-1995 钢质舾装件精度要求
CB/T 3324-1995 钢质舾装件精度要求
CB/T 3324-1995 钢质舾装件精度要求

标准内容

中华人民共和国船舶行业标准
CB/T 3324-1995
钢质装件精度
1995-12-19发布
中国船舶工业总公司发布
1996-08-01实施
中华人民共和国船舶行业标准
钢质装件精度
主题内容与适用范围
CB/T3324--1995
分类号:U06
代替CB*3324—87
本标准规定了船舶货舱口盖、门、窗、梯、杆等装件的制造和安装的精度要求。本标准适用于3000吨级及其以上的常规钢质海船,3000吨级以下的船舶和修理船舶可参照使用。
2引用标准
CB*3326集装箱导轨
3钢质风雨密货舱口盏制造和安装精度滚动式货舱口盖制造和安装的精度要求见表1。3.1
长度(整舱)
长度(单块)
舱口盖
盖板高度
对角线长度(整舱)
对角线长度(单块)
盖底面四角平面度(单块)
中国船舶工业总公司1995-12-19批准标准范围
充允许极限
1996-08-01实施
侧板、
端板及
顶板尺
寸偏差
中间接
头与水
密结构
尺寸偏
侧板下口垂向挠度
侧板下口横向弯曲度
端板下口垂向挠度
端板下口横向弯曲度
顶板平面度
盖板之间的间隙
预板上下错开
密封垫槽宽度
压紧条与密封垫中心
压紧条端面
侧板左右错开
密封垫槽高度
密封垫压缩量
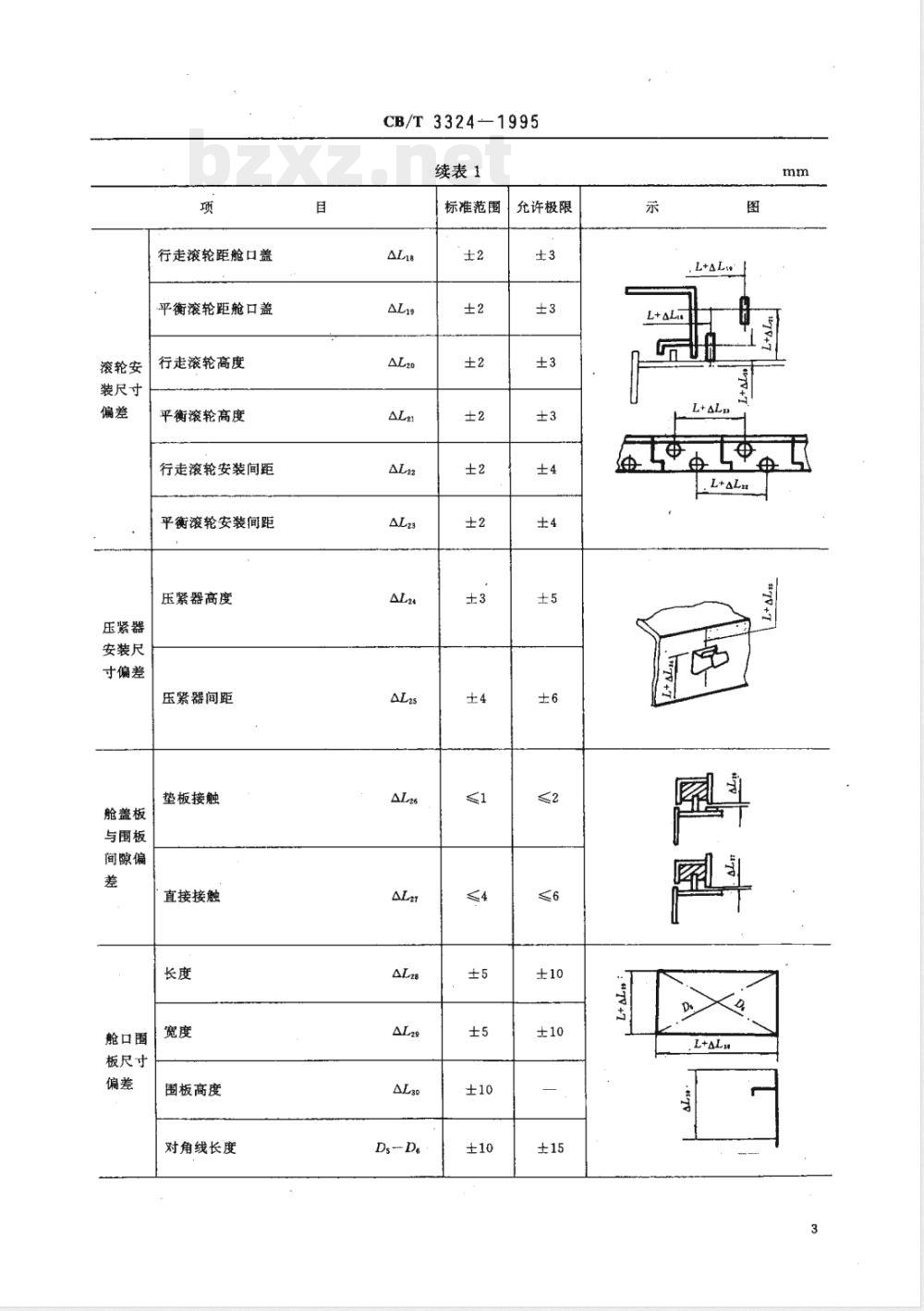
CB/T3324-1995
续表1
标准范围
允许极限
t为压紧
条厚度
滚轮安
装尺寸
压紧器
安装尺
寸偏差
舱盖板
与圃板
间隙偏
舱口團
板尺寸
行走滚轮距舱口盖
平衡滚轮距舱口盖
行走滚轮高度
平衡滚轮高度
行走滚轮安装间距
平衡滚轮安装间距
压紧器高度
压紧器间距
垫板接触
直接接触
围板高度
对角线长度
CB/T 3324-1995
续表1
标准范围
Ds-- De
允许极限
.L+aL..
舱口面
板尺寸
压紧条
安装尺
寸偏差
导轨、
导板安
装尺寸
端部面板平面度
侧部面板平面度
任何1m长的平面度(端、侧部面板)舱口面板四角平面度
压紧条与密封垫中心
长度方向水平度
宽度方向水平度
限位导轨与滚轮中心线
导板距舱口中心线
导板垂直度
注:①L、D为公称尺寸。
②*表示为密封垫压紧后尺寸偏差。CB/T3324—1995
续表1
标推范围
3.2折叠式货舱口盖制造和安装精度要求见表2。±3
长度(整舱)
长度(单块)
舱口盖
尺寸偏
盖板高度
对角线长度(整舱)
对角线长度(单块)
盖底面四角平面度(单块)
标准范围
允许极限
t为压紧
条厚度
允许极限
压紧条
侧板、
端板及
顶板尺
寸偏差
中间接
头与水
密结构
尺寸偏
滚轮安
装尺寸
侧板下口垂向挠度
侧板下口横向弯曲度
端板下口垂向挠度
侧板下口横向弯曲度
顶板平面度
盖板之间的间
顶板上下错开
密封垫槽宽度
压紧条与密封垫中心
压紧条端面
侧板左右错开
密封垫槽高度
密封垫压缩量
滚轮距舱口盖中心线
安装高度
CB/T3324-1995
续表2
标准范围
允许极限
t为压紧
条厚度
压紧器
安装尺
寸偏差
舱盖板
与圃板
间隙偏
板尺寸
舱口面
板尺寸
压紧条
安装尺
寸偏差
压紧器高度
压紧器间距
垫板接触
直接接触
对角线长度
端部面板平面度
侧部面板平面度
CB/T3324—1995
续表2
标准范围
任何1m长的平面度(端、侧部面板)舱口面板四角平面度
压紧条与密封垫中心
长度方向水平度
宽度方向水平度
允许极限
t为压
条厚度
中间铰
链与主
铰链的
安装位
置尺寸
主圆柱
体眼板
安装尺
寸偏差
CB/T3324—1995
续表2
标准范围
主铰链与舱口盖基线之间(长度、宽度方向)ALgl
中间铰链与舱口盖基线之间(长度、宽度方向)
主圆柱体眼板与舱口盖基线之间注:①L、D为公称尺寸。
②*表示为密封垫压紧后尺寸偏差。ALs2
3.3箱式货舱口盖制造和安装精度要求见表3。项
舱口盖
尺寸偏
侧板、
端板及
盖板挠
度尺寸
水密结
构尺寸
盖板高度
对角线长度
盖底面四角平面度
侧板下口垂向挠度
侧板下口横向弯曲度
端板下口垂向挠度
端板下口横向弯曲度
顶板平面度
密封垫槽高度
密封垫槽宽度
标准范围
允许极限
允许极限
压紧器
安装尺
寸偏差
舱盖板
与围板
舱口画
板尺寸
舱口面
板尺寸
压紧条
安装尺
寸偏差
压紧器高度
压紧器间距
垫板接触
直接接触
对角线长度
端部面板平面度
侧部面板平面度
CB/T3324-1995
续表3
标准范围
任何1m长的平面度(端、侧部面板)舱口面板四角平面度
压紧条与密封垫中心
压紧条长度方向水平度
压紧条宽度方向水平度
密封垫压缩量
允许极限
t为压紧
条厚度
舱盖上
集装箱
底脚偏
底脚之间长度方向偏差
底脚之间宽度方向偏差
底脚之间高度方向偏差
对角线长度
注:①L、D为公称尺寸。
CB/T 3324-1995
续表3
标准范围
②*表示为密封垫压紧后尺寸偏差。3.4横移式货舱口盖制造和安装精度要求见表4。±2
长度(整舱)
长度(单块)
舱口盖
尺寸偏
侧板、
端板及
项板尺
寸偏差
盖板高度
对角线长度(整舱)
对角线长度(单块)
盖底面四角平面度(单块)
侧板下口垂向挠度
侧板下口横向挠曲度
端板下口垂向挠度
端板下口横向挠曲度
项板平面度
Di- D2
标准范围
允许极限
允许极限www.bzxz.net
中间接
头与水
密结构
尺寸偏
滚轮安
装尺寸
压紧器
安装尺
寸偏差
舱盖板
与围板
间隙偏
盖板之间的间隙
项板上下错开
密封垫槽宽度
压紧条与密封垫中心
压紧条端面
侧板左右错开
密封挚槽高度
密封垫压缩量
滚轮距舱口盖中心线
滚轮安装高度
滚轮间隙
压紧器高度
压紧器间距
垫板接触
直接接触
CB/T3324-—1995
续表4
标准范围
允许极限
土t/2
t为压紧
条厚度
小提示:此标准内容仅展示完整标准里的部分截取内容,若需要完整标准请到上方自行免费下载完整标准文档。