首页 > 船舶行业标准(CB) > CB/T 3594-1994 船用空气管头
CB/T 3594-1994

基本信息

标准号: CB/T 3594-1994

中文名称:船用空气管头

标准类别:船舶行业标准(CB)

标准状态:现行

发布日期:1994-02-01

实施日期:1994-08-01

出版语种:简体中文

下载格式:.rar.pdf

下载大小:KB

相关标签: 船用 空气

标准分类号

标准ICS号:造船和海上建筑物>>船舶和海上建筑物综合>>47.020.90船用通风、空气调节和供热系统

中标分类号:船舶>>船舶管路附件>>U54船用通风附件

关联标准

替代情况:原标准号GB 1858-80

出版信息

出版社:中国标准出版社

页数:12页

标准价格:12.0 元

出版日期:1994-08-01

相关单位信息

起草人:苏春曦、吴绍曾

起草单位:广州造船厂等

归口单位:中国船舶工业总公司六○三所

提出单位:全国船用机械标准化技术委员会管系附件分技术委员会

发布部门:中国船舶工业总公司

标准简介

本标准规定了法兰连接尺寸按GB 569、GB 2501的船用油、水舱空气管头的产品分类、技术要求、试验方法、检验规则以及标志、包装。本标准适用于各类船舶和海上钻井平台用的油、水舱空气管头。 CB/T 3594-1994 船用空气管头 CB/T3594-1994 标准下载解压密码:www.bzxz.net

标准图片预览

CB/T 3594-1994 船用空气管头
CB/T 3594-1994 船用空气管头
CB/T 3594-1994 船用空气管头
CB/T 3594-1994 船用空气管头
CB/T 3594-1994 船用空气管头

标准内容

中华人民共和国船舶行业标准
CB/T 3594—94
船用空气管头
1994-02-01发布
中国船舶工业总公司发 布
1994-08-01实施
中华人民共和国船舶行业标准
气管头
1主题内容与适用范围
CB/T 3594--94
分类号:U54
本标准规定了法兰连接尺寸按GB569,GB2501的船用油、水舱空气管头(以下简称空气管头)的产品分类、技术要求、试验方法、检验规则、标志、包装、运输和贮存。本标准适用于各类船舶和海上钻并平台用的油、水舱空气管头。2引用标准
GB569船用法兰连接尺寸和密封面GB2501船用法兰连接尺寸和密封面(四进位)GB3032船舶管路附件的标志
3产品分类
3.1空气管头的型式规定如下:
A型—法兰连接尺寸按GB569的帽式空气管头;AS型-法兰连接尺寸按GB2501帽式空气管头;B型-
法兰连接尺寸按GB569的鹅颈式空气管头;BS型-
法兰连接尺寸按GB2501的鹅颈式空气管头,C型一法兰连接尺寸按GB569的测深兼透气空气管头;CS型
一法兰连接尺寸按GB2501的测深兼透气空气管头;法兰连接尺寸按GB569的浮简式油舱空气管头;法兰连接尺寸按GB2501的浮简式油舱空气管头;E型一法兰连接尺寸按GB569的浮简式水舱空气管头;ES型-
一法兰连接尺寸按GB2501的浮简式水舱空气管头;FS型—法兰连接尺寸按GB2501的浮球式油、水舱空气管头。3.2空气管头的基本参数按表1。表1
帽式空气管头
鹅颈式空气管头
测深兼透气空气管头
中国船舶工业总公司1994-02-01批准公称通径DN
50~250
50~100
适用范围
油、水舱空气管上端
1994-08-01实施
CB/T-3594—94
续表1
公称通径DN
浮筒式油舱空气管头
浮简式水舱空气管头
浮球式油、水舱空气管头wwW.bzxz.Net
50~350
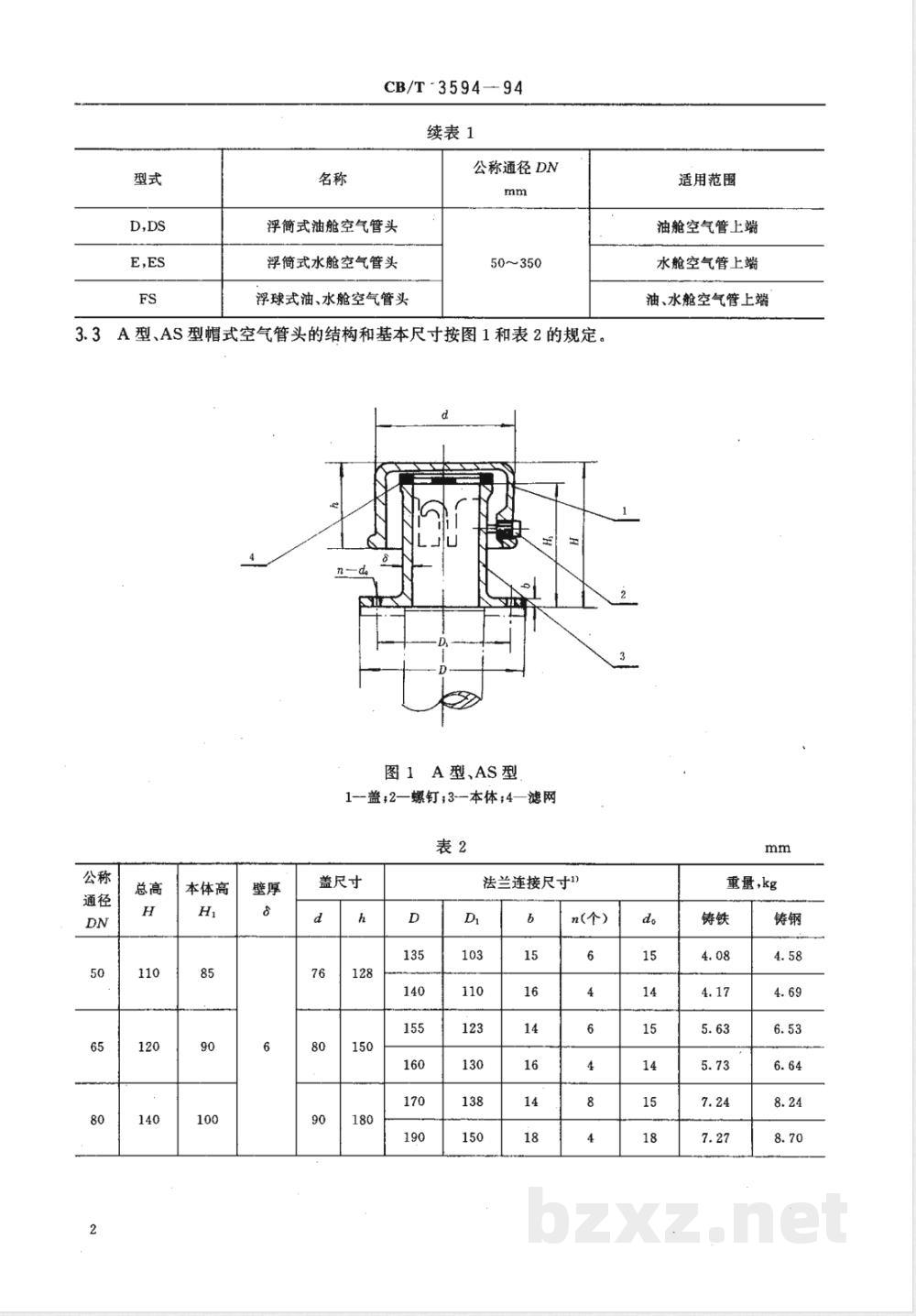
3.3A型、AS型帽式空气管头的结构和基本尺寸按图1和表2的规定。图1A型、AS型
1-盖;2—螺钉;3-本体;4—滤网表2
本体高
盖尺寸
法兰连接尺寸1)
n(个)
适用范围
油舱空气管上端
水舱空气管上端
油、水舱空气管上端
重量,kg
本体高
盖尺寸
CB/T3594--94
续表2
法兰连接尺寸1)
注:1)表中法兰尺寸栏内线上面值按GB569,下面值按GB2501的规定。n(个)
3.4B型、BS型法兰连接鹅颈式空气管头结构和基本尺寸按图2和表3的规定。图2B型、BS型
1头部;2-浮球,3-滤网;4—垫板;5—网孔板mm
重量,kg
公称通
圆球直径s
CB/T3594-94
法兰连接尺寸1)
中心距
螺栓孔
垫板厚
栅板厚
注:1)表中法兰连接尺寸栏内线上面值按GB569,下面值按GB2501的规定,导向筋
3.5C型、CS型测深兼透气空气管头结构和基本尺寸按图3和表4的规定。D
图3C型、CS型
1—链条,2-盖;3-本体
重量,kg
结构尺寸
CB/T3594-~94
法兰连接尺寸)
注:1)表中法兰尺寸栏内线上面值按GB569,下面值按GB2501的规定,n(个)
重量,kg
3.6D型、DS型,DN50、DN65mm浮简式空气管头结构和基本尺寸按图4和表5的规定。6
图4D型、DS型(DN50、DN65mm)o
1-上盖;2—本体,3--罩壳:4—浮子:5—导向螺栓;6—滤网铸钢
CB/T3594—94
D型、DS型,DN80~350mm浮简式空气管头结构和基本尺寸按图5和表5的规定。DA
图5D型、DS型(DN80~350mm)
1—上盖;2—本体,3-罩壳;4—浮子;5—导向螺栓6—滤网表5
结构尺寸
法兰连接尺寸1)
重量,kg
结构尺寸
CB/T3594—94
续表5
法兰连接尺寸1)
注:1)表中法兰尺寸栏内线上面值按GB569,下6
值按GB2501的规定
重量,kg
3.7E型、ES型,DN50、DN65mm浮筒式水舱空气管头结构和基本尺寸按图6和表5的规定。DN
图6E型、ES型(DN50、DN65mm)1—上盖;2-本体;3-罩壳;4-浮子;5—导向螺栓;6—滤网CB/T3594—94
E型、ES型,DN80~350mm浮简式水舱空气管头结构和基本尺寸按图7和表5的规定。DN
图·7E型、ES型(DN80~350mm)1一上盖;2-本体;3-罩壳;4—浮子;5—导向螺栓;6—滤网3.8FS型浮球式油舱、水舱空气管头结构及基本尺寸按图8和表6的规定。DV
图8FS型
1-本体;2—罩壳,3—浮球;4-密封环;5—滤网;6—上盖公称
结构尺寸
CB/T3594-94
法兰连接尺寸1)
注:1表中法兰连接尺寸符合GB2501中PN1.6MPa的规定。3.9标记示例:
公称通径为50mm,按GB569法兰连接尺寸和密封面铸钢帽式空气管头:空气管头A50GCB/T3594-94
重量,kg
公称通径为50mm,按GB2501法兰连接尺寸和密封面(四进位)的铸铁鹅颈式空气管头:空气管头BS50HTCB/T3594-94
公称通径为50mm,按GB2501法兰连接尺寸和密封面(四进位)的球墨铸铁浮简式油舱空气管头:
空气管头DS50QTCB/T3594—94
公称通径为50mm,按GB2501和密封面(四进位)法兰连接尺寸球墨铸铁浮球式油舱、水舱空气管头:
空气管头FS50QTCB/T3594—94
4技术要求
4.1空气管头主要零件的材料按表7的规定。型式
A、AS
B、BS
A、AS
E、ES
D、DS
零件名称
盖及本体
垫板,眼板
本体,上盖
浮子,浮球
导向螺栓
密封座
CB/T 3594-94
灰铸铁
铜丝网GFW
0.475/0.16
灰铸铁
阻燃玻璃钢
铜丝网GFW
0.475/0.16
碳素钢
灰铸铁
球墨铸铁
不锈钢
铝青铜
薄钢板
不锈钢板
铜丝网
丁腈橡胶
4.2空气管头的开关操作应轻便灵活,不得有卡阻现象。材
ZG200-400
QSn4-3
ZG200-400
Q235-A
QSn4-3
ZG200-400
QT400-15
0Cr26Ni5Mo2
QA19-2
Q235-A
0Cr26Ni5Mo2
HN8433
标准号
GB9439---88
GB11352—89
GB5330-—88
GB5233-85
GB 9439-88
GB772--86
GB5330--88
GB700--88
YB147—71
GB772—86
GB9439—88
GB1348-88
GB3280-—94
GB4429-84
GB700—88
GB3280—94
GB5330—88
GB7038—86
4.3铸钢和灰铸铁空气管头不加工的外表面应涂防锈漆,不得有漏涂,流痕和淤积现象。5试验方法和检验规则
5.1按4.1~4.3进行逐项检查合格后进行试验,5.2浮筒或浮球的空气管头,应进行浮球与阀座的密性试验。具体做法F型,FS型是除去网孔板,D型,DS型,E型,ES型,FS型是除去外罩加上盲板,在法兰处接-个容器使容器距地高度3m内灌满水,打开上盖观察浮筒,浮球和阀座接触,持续3min以后不得有成股水流漏出。10
小提示:此标准内容仅展示完整标准里的部分截取内容,若需要完整标准请到上方自行免费下载完整标准文档。