首页 > 商检行业标准(SN) > SN/T 1657.2-2005 进出口电动上具检验规程 第2部分:电链锯
SN/T 1657.2-2005

基本信息

标准号: SN/T 1657.2-2005

中文名称:进出口电动上具检验规程 第2部分:电链锯

标准类别:商检行业标准(SN)

标准状态:现行

发布日期:2005-09-30

实施日期:2006-05-01

出版语种:简体中文

下载格式:.rar.pdf

下载大小:84365

相关标签: 进出口 电动 检验 规程

标准分类号

标准ICS号:机械制造>>手持工具>>25.140.20电动工具

中标分类号:电工>>电气设备与器具>>K64电动工具

关联标准

出版信息

页数:8页

标准价格:14.0 元

相关单位信息

起草单位:国家认证认可监督管理委员会

标准简介

SN/T 1657.2-2005 进出口电动上具检验规程 第2部分:电链锯 SN/T1657.2-2005 标准下载解压密码:www.bzxz.net

标准图片预览

SN/T 1657.2-2005 进出口电动上具检验规程 第2部分:电链锯
SN/T 1657.2-2005 进出口电动上具检验规程 第2部分:电链锯
SN/T 1657.2-2005 进出口电动上具检验规程 第2部分:电链锯
SN/T 1657.2-2005 进出口电动上具检验规程 第2部分:电链锯
SN/T 1657.2-2005 进出口电动上具检验规程 第2部分:电链锯

标准内容

SN/T1657《进出口电动上具检验规程》由若十部分组成,其预计结构为:——第丨部分:通用要求
第2部分:电链锯
本部分为SN/T1657的第2部分,应与第丨部分配合使用。SN/T1657.2—2005
本部分增补或修改「第1部分的相应条款。其中第1部分中未涉及的条款在合理情况下适用。本部分由国家认证认可监督管埋委员会提出并归口,本部分起草单位:中华人民共和国浙江出人境检验检疫局本部分主要起草人:章俊欣、黄风需、许永利。木部分系首次发布的出人境检验检疫行业标准。SN/T 1657.2—2005
《进出口电动工具检验规程》是进出口电动工具检验的工作依据,对进出口电动工具检验起到指导和规范作用。
随着我国加人世界贸易组织(WTO)和《商检法》的修订,进出口商品检验工作模式发生了很大的变化,为适应形势和变化、国家检验检疫标准化主管部门组织建立了检验检疫标准体系。本部分属检验检疫标准体系的第四层(机电检验专业标准体系为第三层)一一个性标准.为电链锯检验特殊要求
1范围
进出口电动工具检验规程
第2部分:电链锯
本部分规定了进出口电链锯的质量要求、检验及判定,SN/T 1657.2—2005
本部分适用于由电网电源或电源设备供电的家用和类似用途的电链的进出口检验。2规范性引用文件
下列文件中的条款通过SN/T1657的本部分的引用而成为本部分的条款。凡是注日期的引用文件,其随后所有的修改单(不包括勘误的内容)或修订版均不适用于本部分,然而,鼓励根据本部分达成协议的各方研究是否可使用这些文件的最新版本,凡是不注口期的引用文件,其最新版本适用于本部分。
GB/T 2828.1、计数抽样检验程序第1部分:按接收质量限(AQL)检索的逐批检验抽样计划(GB/T 2828 1—2003.IS0) 2859-1:1999,IDT)GB3883.11991手持式电动工具的安全第一部分:一般要求(idt IEC 60745-1)GB3883.14—1993手持式电动工具的安全第二部分:电链锯的专用要求(idtIEC60745-3-13:1989)
GB4343.1电磁兼容家用电器、电动工.具和类似器具的要求第1部分:发射(GB4343.1-2003.CISPR14-1:2000,UDT)
GB17625.1电磁兼容限值谐波电流发射限值(设备每相输人电流≤16A)(GB17625.1—2003,IEC61000-3-2.2001,IDT)
SN/T0002进出口机电商品检验规程编写的基本规定3术语和定义
GB3883.1—1991、GB3883.141993和SN/T0002确立的以及下列术语和定义适用于本部分。3.1
抽样检验模式mode of sampling inspe按国家技术规范的强制性要求,对进出口商品逐批或抽批实施抽样、检验和检查的合格评定活动。3.2
型式试验模式modeof typetest
按规定的周期侬据国家技术规范的强制性要求进行型式试验,按现场检验规定对产品进行抽批检验,并对企业的质量管理体系实施监督的合格评定活动。3.3
符合性验证模式 mode of compliance verificatlon按国家技术规范的强制性要求,查验检验单证和凭证、货物是否相符,必要时可进行抽查检验,并实施监督的合格评定活动。
检验批 Inspection lot
为实施检验而汇集的同一规格、型号、在相同生产条件下生产的单位产品,简称批。SN/T 1657.2—2005
总要求bzxz.net
安全要求
电链锯的安全要求,应符合GB3883,1—1991和GB3883.11—1993的规定,适用时应考虑使用国家(地区)差异。
4.2电磁兼容性要求
电链锯的电磁兼容性要求,应符合GB4343.1和GB17625.1的规定,适用时应考虑使用国家(地区)差异。
5检验
5.1检验监管模式的选取
电链锯检验监管模式,可选取抽样检验模式、型式试验模式、符合性验证模式中的一种,5.2检验方式
不同的检验监管模式下的检验方式为:抽样捡验模式:抽批抽样俭验:
型式试验模式:型式试验和抽批开箱检验:符合性验证模式:证单\查验和抽批开箱检验。5.3型式试验
5.3.1抽样
从定型产品中随机抽取3~5台代表性样品进行检测。5.3.2检验内容和要求
5.3.2.1安全检测
按(GB3883.1—199)和(GJ33883.14—1993进行检测,适用时应考虑使用国家(地区)差异。5.3.2.2电磁兼容检测
按GB1343.1和GB17625.1进行检测、适用时应考虑使用国家(地区)差异。5.3.3结果判定
所有检测项月均合格,则判型式试验合格,否则为不合格。5.3.4不合格处置
判为型式试验不台格的,允许整改后重新提交检验,5.4抽样检验
5.4.1抽样
根据检验批的批量大小,按照 GB/T 2828. 1 中的特殊检验水平 S 3.选取相应的样本迹行抽样(见表1)。样本量大于批量时,刘该检验批进行全数检验。表 1样本量
501~1200
12C1~3200
3201~350CO
>3500C
1)证单指中国强制性认证证书及报告。2
检验水平
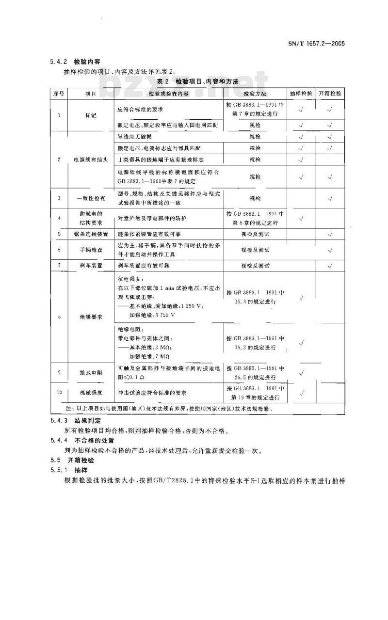
5.4.2检验内容
抽样检验的项日、内容及方法详见表2。表 2 检验项目、内客和方法
电源线和插头
一致性检查
防触电的
结构要求
锯条连接装置
手柄检查
剃车装置
绝缘要求
接地电阻
机械强度
检验或检在内容
应符合标准的要求
额定电压、额定凝率应与输人国电网匹配导线应无破损
额定电压,电流标志应与器具匹配1类器其的接地端子应有接地标志电源软线导线的标称横截面积应符合GB3883.1—1991中表7的规定
型号、规格、结构及关键元器件应与型式试验报告中所描述的一致
对意外触及带电部件的防护
链条张紧装置应有效可靠
应为主、辅于柄,具齐双予同时扶持的条件才能启动井操作工具
刹车装置应有效可靠
抗电强度:
在以下部位施加1min 试验电压,不应出现飞弧或击穿:
基术绝缘附加绝缘:1 250 V;
加强绝缘:3750V
绝缘电阻:
带电部件与壳体之间:
基本绝缘:2MO;
加强绝缘:?M只
检验方法
按GB3883.1—1991中
第7竞的规定进行
接GB 3883.11991 中
第8章的规定进行
视检及测试
视检及测试
视检皮测试
按GB3883.11991小
15.3的规定进行
按GB3883.1—1991中
15.2的规定进行
可触及金属部件与接地端子间的;接地电按 GB 3883. 1—1991 中阳0.1?
25. 5 的规定进行
冲击试验应符台标准的要求
接 GB 3883. 1
第 19 章的规定进行
注:以上项目如与使用国(池区)技术法规有差异,按使用国家(地区)技术法规检验,5.4.3结果判定
所有检验项目均合格,则判抽样检验合格,否则为不合格5. 4.4不合格的处置
判为抽样检验不合格的产品,经技术处理后、允许重新提交检验一次。5.5开箱检验
5.5.1抽样
SN/T 1657.2—2005
抽样检验
开箱检验
根据检验批的批量大小,按照GB/T2828.1中的特殊检验水平S-1选取相应的样本量进行抽样SN/T 1657.2—2005
(见表 1)。选取的样本量大于批量时,对该检验批进行全数检验。5. 5. 2检验内容
开箱检验的项月.内容及方法详见表2。5. 5. 3结果判定
所有检验项目均合格,则判开箱检验合格,否则为不合格。5. 5. 4 不合格的处置
判为开箱检验不合格的检验批,经技术处理后,允许重新提交检验一次。6合格批判定
无论采取何种检验监管模式,只有该模式中的全部检验合格,方可判定该批产品合格,否则判定该批产品不合格。
7不合批的处置
不合格的进口电链锯不得销售、使用;不合格的出电链锯不出口。8检验有效期
检验有效期为12 个月。
版权专有便权必究
书号:155066:2-16508
SN/T1657.2-2005
定价:
小提示:此标准内容仅展示完整标准里的部分截取内容,若需要完整标准请到上方自行免费下载完整标准文档。