首页 > 商检行业标准(SN) > SN/T 1669-2005 进出口汽车用电动冷却风扇检验规程
SN/T 1669-2005

基本信息

标准号: SN/T 1669-2005

中文名称:进出口汽车用电动冷却风扇检验规程

标准类别:商检行业标准(SN)

标准状态:现行

发布日期:2005-09-30

实施日期:2006-05-01

出版语种:简体中文

下载格式:.rar.pdf

下载大小:71429

相关标签: 进出口 汽车 电动 冷却 风扇 检验 规程

标准分类号

标准ICS号:道路车辆工程>>道路车辆内燃机>>43.060.30冷却系统、润滑系统

中标分类号:车辆>>汽车发动机>>T14润滑、冷却系统与加热装置

关联标准

出版信息

页数:7页

标准价格:12.0 元

相关单位信息

起草单位:国家认证认可监督管理委员会

标准简介

SN/T 1669-2005 进出口汽车用电动冷却风扇检验规程 SN/T1669-2005 标准下载解压密码:www.bzxz.net

标准图片预览

SN/T 1669-2005 进出口汽车用电动冷却风扇检验规程
SN/T 1669-2005 进出口汽车用电动冷却风扇检验规程
SN/T 1669-2005 进出口汽车用电动冷却风扇检验规程
SN/T 1669-2005 进出口汽车用电动冷却风扇检验规程
SN/T 1669-2005 进出口汽车用电动冷却风扇检验规程

标准内容

本标准由国家认证认可监督管理委员会提出并归口。本标准起草单位:中华人民共和国古林出人境检验检疫局。本标准主要起节人王朝、于开国。本标准系首次发布的出人境检验检疫行业标准。SN/T1669—-2005
SN/T1669—2005
逃出口汽车用电动冷却风扇检验规程》是逊出口汽车用电动冷却风嘲检验的工作依据,对进出口汽车用电动冷却风扇检验起到指导和规范作用。随着我国加人世界贸易组织(WTO)和《商检法》的修订,逊出口商品检验上作模式发生了很大的变化,为适应形势和变化,国家检验检疫士管部门组织建立了检验检疫标体系,本标准属检验检疫标准体系的第四层个性标推,为进出口汽车用电动冷却风扇检验要求,本标推依据GB/T1.1一2000《标推化工作导测第1部分标推的结构和编写规则”和SN/T 0002—2(K04&进出口机电商品检验规程编写的基本规定》的要求编写。1范围
进出口汽车用电动冷却风扇检验规程本标准规定『进出口汽车用电动冷却风扇的技术要求、检验及判定。本标准适用于额定电压为12 V的汽车用电动冷却风扇。对评价电动冷却风扇性能的各项参数的限定值,本标准不作规定。SN/T 1669—2005
本标推应与产品相关的技术条件一起使用,本标准未规定的其他要求,可参照产品相关的技术条件。
2规范性引用文件
下列文件中的条款通过本标推的引用而成为本标准的条款。凡是注日期的引用文件,其随后所有的修改单(不包括勘误的内容)或修订版均不适用于本标准,然而,鼓励根据本标推达成协议的各方研究是否可使用这些文件的最新版本。凡是不注日期的引用文件,其最新版本适用于本标。GB/T 2828. 1 计数抽样检验程序 第 1 部分;按接收质量限(AQL)检素的逐批检验抽样计划(GB/T 2828. 1 2003,IS0 2859-1:1999,IDT)GB/T2900.27电工术话小功率电动机GB/T5171小功率电动机通用技术条件GB 12350小功率电动机的安全要求3术语和定义
GB/T 2900,27 确立的以及下列术语和定义适用于本标准。3.1
抽样检验模式mode of sampling inspection按国家技术规范的强制性要求,对进出口商品遂批或抽批实施抽样,检验和检查的合格评定活动,3.2
符合性验证模式mode of compliance yerification按国家技术规范的强制性要求,查验检验单证和凭证、货物是否相符,必要时可进行抽查检验,并实施监督的合格评定活动
检验批inspectionlot
为实施检验而汇集的同一规格、型号,在同生产条件下生产的单位产品:简称批。4总要求
4.1安全要求
汽车用电动冷却风谢的安全要求,应符合GB12350和GB/T5171的规定,适用时应考崽相关国家(地区)差异。
4.2其他要求
汽车用电动冷却风扇的性能应符合用户相关技术要求。1
SN/T 1669—2005
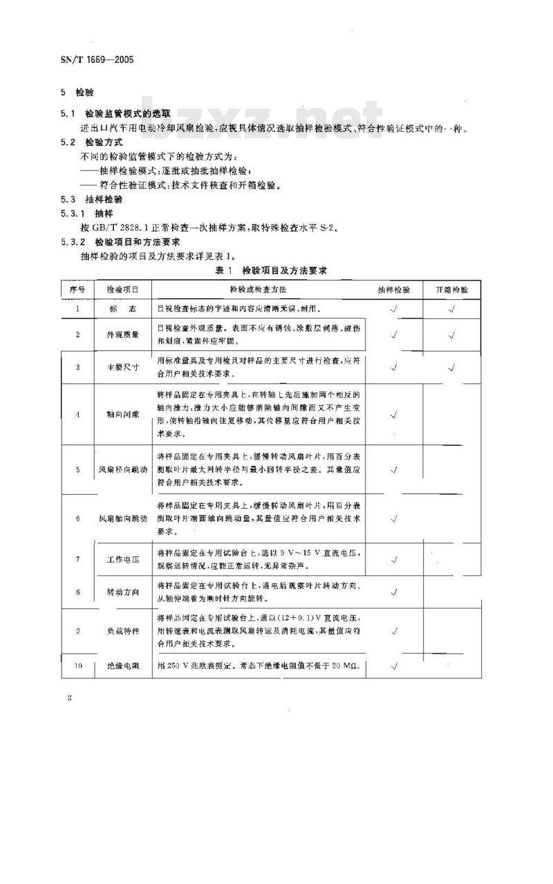
5检验
5.1检验监管模式的选取
进出口汽车用电动冷却风扇检验,应视具体情况选取抽样检验模式、符合性验证模式中的-种。5.2检验方式
不同的检验监管模式下的检验方式为:抽样检验模式:逐批或抽批抽样检验:符合性验证模式:技术文件核查和开箱检验。5.3抽样检验
5.3.1抽样
按 GB/T 2828.1正常检查一次抽样方案,取特殊检查水平 S-2。5.3.2检验项目和方法要求
抽样检验的项目及方法要求详见表 1。表 1检验项自及方法要求
检验项日
外观质量
主要尺寸
轴向间隙
检验或检查方法
日视检查标志的字迹和内容应消晰无误、耐用。日视检查外观质量。表面不应有锈蚀、涂敷尽剥落、碰伤和划痕,紧固件应牢固,
用标准量具及专用检且对样品的主要尽寸进行检查,成符合用户相关技术要求。
将样品固定在专用夹具t.,在转轴L先后施加两个相反的轴向推力,推力大小应能够消除轴向间随而又不产生变形,使转轴沿轴向往复移动,其位移垦应符合用户相关技术要求
将样品固定在专用夹具比,缓慢转动风扇叶片用百分表风扇径向跳动
测取叶片最大同转半径与最小回转半径之差。其量值应符合用户相关技术要求。
将样品固定在专历灾具上,缓馒转动风扇叶片,用百分表风扇轴向跳动
工作电压
转动方向
负载特性
绝续屯阻
测取叶片端面轴向跳动量,其量值应符合用户相关技术要求。
将样品固定在专用试验台 L,还以 0 V~15 V直流电压,观察运转情况,应能正常运转,无异常杂声。将样品固定在专用试验合七,通电后观察叶片转动方向。从轴伸端看为顺时针方向旋转。将样品固定在专用试验台上,通以(12+0.1)V直流电压,用转速表和电流表测取风扇转速及消耗电流,其量值底符合用户相关技术要求。
用250V兆欧表测定。常态下绝缘电阻值不低于20Mα,抓样检验
开箱检验
检验项目
电气强度
不平衡量
5.3.3结果判定
表1 (续)
检验或检查方法
首先将样品放入高温试验箱内升温,温度稳是 70℃后取出,即在电机绕组与机壳之间施加500V,50Hz正兹被试验电压。试验时,施加的电压应从试验电压全值的一半开始,增加至全值的时间应不小于1.05全值电压试验时间应持续 1 nin。 试验过程中,跳阐电流应不大于 10 mA。无闪络和击穿。
把样品固定在整机动衡机测取不平衡量,电机的剩余不平衡量应符合用户相关技术要求。将样品效置在消音室内,声级计探头距样品 1 11,测量值应符合用广相关技术要求,
所有检验项日均合格,则判抽样检验为合格,否则为不合格。5.3. 4不合格处置
SN/T 1669—2005
抽样检验
对不合格的汽车用电动冷却风扇应进行技术处理,并允许重新提交检验一次。5,4开箱检验
5.4.1抽样bZxz.net
按GB/T2828.1正常检查-次抽样方案,取特殊检查水平S45. 4.2检验项目和方法要求
开箱检验的项目及方法要求详见表1。5.4.3结果判定
开箱检验样品中发现不合格项,即判定该批产品开箱检验不合格。5.4.4不合格处置
判为开箱检验不合格的检验批,经技术处理后,允许重新提交检验一次,6合格批判定
开箱检验
无论采取何种检验监管模式,只有该模式中的全部检验合格,方可判定该批产品合格。否则,判定该批产品不合格。
7不合格批处置
不合格的出口产品不准出口,进口产品不允许销售和使用。8其他
本标谁规定的出口汽车用电动拎却风扇检验有效期为十二个月。
小提示:此标准内容仅展示完整标准里的部分截取内容,若需要完整标准请到上方自行免费下载完整标准文档。