首页 > 航天工业行业标准(QJ) > QJ 801A-1997 机床夹具零件及部件 导柱
QJ 801A-1997

基本信息

标准号: QJ 801A-1997

中文名称:机床夹具零件及部件 导柱

标准类别:航天工业行业标准(QJ)

标准状态:现行

发布日期:1997-03-10

实施日期:1997-10-31

出版语种:简体中文

下载格式:.rar.pdf

下载大小:198659

相关标签: 机床 夹具 零件 部件 导柱

标准分类号

标准ICS号:机械制造>>机床装置>>25.060.20分度和刀具/工件夹持装置

中标分类号:航空、航天>>航空器与航天器制造用设备>>V93夹具

关联标准

替代情况:QJ 801-1983

出版信息

页数:1页

标准价格:0.0 元

相关单位信息

标准简介

QJ 801A-1997 机床夹具零件及部件 导柱 QJ801A-1997 标准下载解压密码:www.bzxz.net

标准图片预览

QJ 801A-1997 机床夹具零件及部件 导柱

标准内容

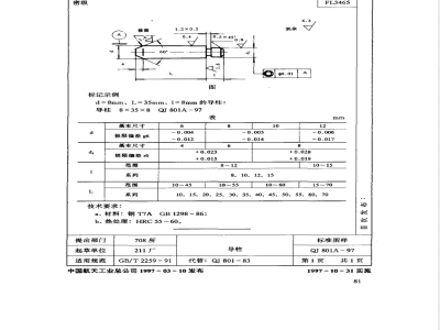
标记示例
0.5×450.8
d=8mm、L=35mm、1=8mm的导柱:导柱8×35×8
QJ801A-97
基本尺寸
极限偏差g6
基本尺寸
极限偏差16
技术要求:
8,10,12,15Www.bzxZ.net
10,15,20,25,30,35,
a.材料:钢T7A
GB1298-86;
b.热处理:HRC5560。
提出部门
起草单位
适用规范
708所
211厂
GB/T2259-91
代替:Q801-83
中国航天工业总公司1997-03-10发布10~60
FL3465
55,60,70
标准图样
QJ801A-97
第1页
共1页
1997-10-31实施
小提示:此标准内容仅展示完整标准里的部分截取内容,若需要完整标准请到上方自行免费下载完整标准文档。