首页 > 商检行业标准(SN) > SN/T 2188-2011 进出口涂料中有机锡的测定 气相色谱/质谱法
SN/T 2188-2011

基本信息

标准号: SN/T 2188-2011

中文名称:进出口涂料中有机锡的测定 气相色谱/质谱法

标准类别:商检行业标准(SN)

标准状态:现行

出版语种:简体中文

下载格式:.rar .pdf

下载大小:1738KB

相关标签: 进出口 涂料 有机 测定 相色谱 质谱法

标准分类号

关联标准

出版信息

相关单位信息

标准简介

SN/T 2188-2011 进出口涂料中有机锡的测定 气相色谱/质谱法 SN/T2188-2011 标准压缩包解压密码:www.bzxz.net

标准图片预览

SN/T 2188-2011 进出口涂料中有机锡的测定 气相色谱/质谱法
SN/T 2188-2011 进出口涂料中有机锡的测定 气相色谱/质谱法
SN/T 2188-2011 进出口涂料中有机锡的测定 气相色谱/质谱法
SN/T 2188-2011 进出口涂料中有机锡的测定 气相色谱/质谱法
SN/T 2188-2011 进出口涂料中有机锡的测定 气相色谱/质谱法

标准内容

中华人民共和国出入境检验检疫行业标准SN/T 2188—2011
进出口涂料中有机锡的测定
气相色谱/质谱法
Determination of organotin in coatings for import and export-Gaschromatography/massspectrometry2011-05-31发布
中华人民共和国
国家质量监督检验检疫总局
2011-12-01实施
本标准按照GB/T1.1—2009给出的规则起草。本标准由国家认证认可监督管理委员会提出并归口。SN/T2188—2011
本标准起草单位:中华人民共和国山东出人境检验检疫局、中华人民共和国深圳出入境检验检疫局。
本标准主要起草人:牛增元、叶曦雯、蔡发、罗、王新、高建国、李英。1
TTKANTKAca
1范围
进出口涂料中有机锡的测定
气相色谱/质谱法
SN/T2188—2011
本标准规定了涂料中二丁基锡、二丁基锡、三丁基锡、一苯基锡、二苯基锡、三苯基锡、三环已基锡、二辛基锡的气相色谱/质谱测定方法。本标准适用于涂料中8种有机锡的测定。2规范性引用文件
下列文件对于本文件的应用是必不可少的。凡是注日期的引用文件,仅注日期的版本适用于本文件。凡是不注日期的引用文件,其最新版本(包括所有的修改单)适用于本文件。GB/T6682分析实验室用水规格和试验方法(GB/T6682—2008.ISO3696:1987,MOD)3方法提要
试样经强阳离子交换固相萃取柱净化后·用四之基硼化钠衍生,气相色谱/质谱联用仪(GC/MS)测定和确证,外标法定量。
4试剂和材料
除非另有规定,仅使用分析纯试剂。水使用符合GB/T6682规定的二级水。4.1
四乙基硼化钠:纯度≥98%。
4.2乙酸乙酯:色谱纯。
甲醇:色谱纯。
正已烷:色谱纯。
氯化铵。
冰醋酸。
醋酸钠。
氢氧化钠。
4.9有机锡标准品:有机锡氯化物,纯度≥98%。4.10醋酸-醋酸钠缓冲溶液:1mol/L醋酸钠溶液.用冰醋酸调节至pH=4.75。四乙基硼化钠水溶液:质量分数为2%,当天配制。4.11
4.12氯化铵溶液:准确称取10.7g氯化铵固体(4.5),精确到0.01g.用87.5mL水溶解,移入250mL容量瓶中,甲醇(4.3)定容,混匀。4.13洗脱溶液:氯化铵溶液(4.12)+冰醋酸(4.6)=9+1。4.14氢氧化钠水溶液:2mol/L。4.15标准储备溶液:分别准确称取适量的每种有机锡标准品(4.9),用甲醇分别配制成质量浓度为1000μg/mL(以有机锡阳离子计)的标准储备液。冷冻保存。1
TYKASNTKACa
SN/T 2188—2011
4.16混合标准工作溶液:根据需要将标准储备溶液(4.15)用甲醇逐级稀释成适用浓度的混合标准工作溶液,方法的线性范围为(0.01~50)μg/mL。5仪器和设备
5.1气相色谱/质谱联用仪:配有电子轰击电离源(EI)。5.2分析天平:感量0.1mg。
5.3固相萃取柱:强阳离子交换(SCX)填料,100mg/3mL,玻璃柱管。5.4,超声波清洗器:工作频率40kHz。5.540mL棕色玻璃样品瓶。
6分析步骤
6.1提取、净化和衍生化
称取0.1g(精确至0.1mg)充分混匀的样品,加人乙酸乙酯(4.2)溶解并定容至50mL,混匀。移取1mL该溶液于100mL容量瓶中,加人9mL乙酸乙酯,用甲醇(4.3)定容至刻度,混勾,待净化固相萃取柱(5.3)分别用5mL甲醇、7mL洗脱溶液(4.13)和10mL甲醇活化。取10mL待净化样品溶液通过固相萃取柱上样,5mL甲醇淋洗,抽干2min,用7mL洗脱溶液洗脱,收集于棕色样品瓶(5.5)中。在收集的洗脱液中,加人1mL氢氧化钠溶液(4.14),混匀.再加入2mL四乙基硼化钠溶液(4.11),超声反应15min。加人2mL正已烷(4.4)涡旋萃取,静置分层后,取上层有机相进行色谱分析。6.2标准工作溶液的衍生化
取1mL混合标准工作溶液(4.16)于棕色样品瓶中,加人5mL醋酸-醋酸钠缓冲溶液(4.10),再加入2mL四乙基硼化钠溶液,超声反应15min。加人2mL正已烷,涡旋萃取,静置分层后,取上层有机相进行色谱分析。
6.3气相色谱/质谱测定(GC/MS)6.3.1气相色谱/质谱条件
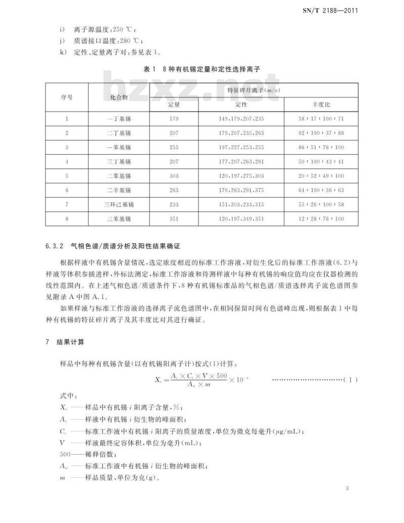
由于测试结果取决于所使用仪器,因此不可能给出气相色谱/质谱分析的通用参数。设定的参数应保证色谱测定时被测组分与其他组分能够得到有效的分离,下列给出的参数证明是可行的a)色谱柱:DB-5MS柱,30mX0.25mmX0.25μm;b)柱温:50℃,保持1min,以5℃/min升至185℃,保持1min,然后再以10℃/min升至280℃,保持5min;
进样口温度:280℃;
d)载气:氨气,流速为1.5mL/min;e)
进样量:1μL;
进样方式:不分流进样,1min后开阀;g)离子源:EI源;
h)扫描方式:选择离子监测模式:1)DB-5色谱柱是由Agilent公司提供的产品的商品名。给出这一信息是为了方便本标准的使用者,并不表示对该产品的认可。如果其他等效产品具有相同的效果,则可使用这些等效产品。2
TYKAONTKACa
离子源温度:250℃;
质谱接口温度:280℃:
定性、定量离子对:参见表1。
表18种有机锡定量和定性选择离子序号
化合物
丁基锡
二丁基锡
一苯基锡
三丁基锡
二苯基锡
二辛基锡
三环已基锡
三苯基锡
2气相色谱/质谱分析及阳性结果确证6.3.2
特征碎片离子(m/2)
149,179.207.235
179.207.235.263
197.227.253.255
177.207.263,291
120.197.275.303
179.263.291.375
151.203.233.315
120.197.349.351
SN/T 2188—2011
丰度比
58:17+100:71
92100:37:88
86+5176100
50:100:43:41
20:5249:100
64:100:36:63
55:26:100:58
12:28:76:100
根据样液中有机锡含量情况,选定浓度相近的标准工作溶液,对衍生化后的标准工作溶液(6.2)与样液等体积参插进样,外标法测定,标准工作溶液和待测样液中每种有机锡的响应值均应在仪器检测的线性范围内。在上述气相色谱/质谱条件下,8种有机锡标准品的气相色谱/质谱选择离子流色谱图参见附录A中图A.1
如果样液与标准工作溶液的选择离子流色谱图中,在相同保留时间有色谱峰出现,则根据表1中每种有机锡的特征碎片离子及其丰度比对其进行确证。结果计算wwW.bzxz.Net
样品中每种有机锡含量(以有机锡阳离子计)按式(1)计算:X,=AXC×V× 500
×10-4
式中:
样品中有机锡1阳离子含量,%;样液中有机锡衍生物的峰面积;.
........................1
标准工作液中有机锡i阳离子的质量浓度,单位为微克每毫升(μg/mL);样液最终定容体积,单位为毫升(mL);稀释倍数:
标准工作液中有机锡衍生物的峰面积;样品质量,单位为克(g)。
TY KANT KAca
SN/T 2188—2011
回收率
本方法对8种有机锡在1.68%、8.46%、16.84%三个水平的标准添加回收实验,回收率为87%~105%。
精密度
由5个实验室对3个水平的样品进行方法精密度试验,结果参见附录B中表B.1。TT KANr KAca
200000
一丁基锡;
二丁基锡:
-苯基锡:
三丁基锡:
二苯基锡:
二辛基锡:
三环己基锡:
三苯基锡。
附录A
(资料性附录)
标准溶液典型气相色谱/质谱选择离子流色谱图6
标准溶液的典型气相色谱/质谱选择离子流色谱图图A.1
TTKASNT KAca
SN/T2188—2011
40.007/nin
SN/T2188—2011
时录B
(资料性附录)
精密度数据
由5个实验室对3个水平的样品进行方法精密度试验,数据参见表B.1:表B.1
精密度数据
有机锡化合物
一丁基锡
二丁基锡
苯基锡
三丁基锡
二苯基锡
二辛基锡
三环已基锡
三苯基锡
水平(质量分数)
重复性限,
-TY KASNir KAca
再现性限R
SN/T 2188-2011
中华人民共和国出入境检验检疫行业标准
进出口涂料中有机锡的测定
气相色谱/质谱法
SN/T2188—2011
中国标准出版社出版
北京复兴门外三里河北街16号
邮政编码:100045
网址spc.net.cn
电话:6852394668517548
中国标准出版社秦皇岛印刷厂印刷开本880×12301/16
字数12千字
2011年10月第一版
2011年10月第一次印刷
印数1-1600
书号:155066·2-22479
TKANTKAca-
定价16.00元
11028812 /
小提示:此标准内容仅展示完整标准里的部分截取内容,若需要完整标准请到上方自行免费下载完整标准文档。