首页 > 汽车行业标准(QC) > QC/T 363-1999 盆型圆锥垫
QC/T 363-1999

基本信息

标准号: QC/T 363-1999

中文名称:盆型圆锥垫

标准类别:汽车行业标准(QC)

标准状态:现行

出版语种:简体中文

下载格式:.zip .pdf

下载大小:365996

相关标签: 圆锥

标准分类号

关联标准

出版信息

相关单位信息

标准简介

QC/T 363-1999.Bowl type conical washer.
1主要内容与适用范围
QC/T 363规定了盆形圆锥垫圈的型式、尺寸和技术条件。
QC/T 363适用于汽车上内饰护板、车箱软垫、驾驶室软垫、棉车棚及仪表板等紧固、装饰用的盆形圆锥垫器。
2引用标准
GB699-65优质碳素结构钢钢号和一-般技术条件
GB 700-79普通 碳素结构钢技术条件
JB2864--81汽车用电镀层和化学处理层
GB 98一x X止动 垫圈技术条件
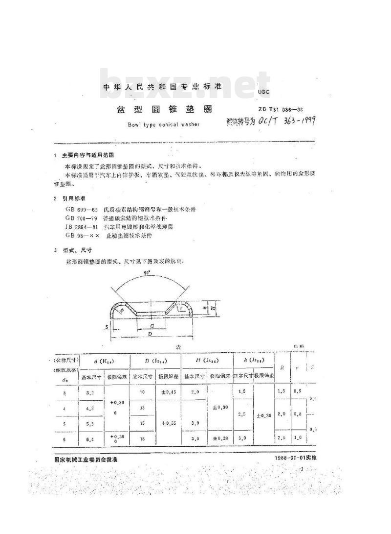
3型式,尺寸
盆形國锥垫圈的型式、尺寸见下图及表的规定。
4标记
公称尺寸d。= 6 mm盆形圆锥垫圈的标记示例:
垫圈6 ZB T31 036
5技术要求
5.1 材料: 08F,按GB 699规定,AsF按GB 700规定。
5.2表面镀层为镀锌D. Zn13或镀铬D、Cr1V, 按JB 2864规定。
5.3其他技术要求按GB 98规定。
附加说明:
本标准由中国汽车技术研究中心提出。
本标准由武汉汽车标准件研究所归口。
本标准由长春第一汽车制造厂汽车研究所负货起草。

标准图片预览

QC/T 363-1999 盆型圆锥垫
QC/T 363-1999 盆型圆锥垫
QC/T 363-1999 盆型圆锥垫
QC/T 363-1999 盆型圆锥垫
QC/T 363-1999 盆型圆锥垫

标准内容

中华民共租国专业标准
ZBT31036—88
调整转号为 Q/_363-1939
盆型圆锥垫圈
Bowl typeconicalwasher
1988-03-18发布
国家机械工业委员会
1988-07-01实施
中华人民共和国专业标准
盆型[
Bowl type conical washer
主要内容与适用范围
ZB T31 036-96
翼警转号为Qc/T363-7999
本标班规定了盆形圆能垫图的型式,尽寸和摄求条件。本标流适用予汽车上内缩护板、车箱软整、驾驶赛歌整、棉车栅及仪表极等紫固、熟作用的益形能势。
引用标准
GB699-65优质碳素结构编号和一般技术条件GB700-79普通碳素结构留技术条件IB2864-81汽华用电镀层和化学处现层GB98-××止动垫圈技术杂件
3型式、尺寸
盆形磁辑垫图的型式、尺寸见下图及表的规定,90
(公称尺寸)
<规效规格)
D(Isia)
非本尺寸极限偏差,基本尺寸
国家机械工业委员会批准
基本尺寸
h(Jsan)
极限偏票进本尺寸极限偏差
1988-07-01实施
ZBT31036-88
公称尺寸d。=6mm盆形围维垫图的标记示例:垫图6T31036
$技术要求
5.!材料:08F,按GB699定,AF按GB700规定。5.2表面镀层为镀D,Zh13或镀铬D、C11V,按JB2864规定。5.3其他技术要求按GB99规定。
附加说明:
本标准由中国汽车技术研究中心提出。本标准由武汉汽车标准件研统所归口。本标准由长春第一汽车润造厂汽车研究所负读起草。中作人民共和国
专业标推
盆型圆锥垫照
ZB T31 036—88
国家机械工业委员会标准化研究所出版(北京瑞华东路)
机截工业标准印剧厂印展www.bzxz.net
湖南城)
机板工业标准发行站发行
(湖南洪江市)
开本880×12301/15印张3/8字数3,8401988年12月第一版1988年12月第一次印期印效2,500
定价:0.50元
88--920
小提示:此标准内容仅展示完整标准里的部分截取内容,若需要完整标准请到上方自行免费下载完整标准文档。