首页 > 汽车行业标准(QC) > QC/T 405-1999 扩口式锥螺纹三通管接头体
QC/T 405-1999

基本信息

标准号: QC/T 405-1999

中文名称:扩口式锥螺纹三通管接头体

标准类别:汽车行业标准(QC)

标准状态:现行

出版语种:简体中文

下载格式:.zip .pdf

下载大小:637703

相关标签: 扩口式 螺纹 三通 管接头

标准分类号

关联标准

出版信息

相关单位信息

标准简介

QC/T 405-1999.Tapered thread branch tee-body.
1主题内容与适用范围
QC/T 405规定了扩口式锥螺纹三通管接头体的型式、尺寸和技术条件。
QC/T 405适用于以油、气为介质的管路系统。
2引用标准
ZBT0400260°牙型角英寸制锥螺纹
GB 5267螺纹固定件电镀层
GB 5653扩口式管接头技术条件
GB 196普遁螺纹基本尺寸
GB 197普通螺纹公差与配合
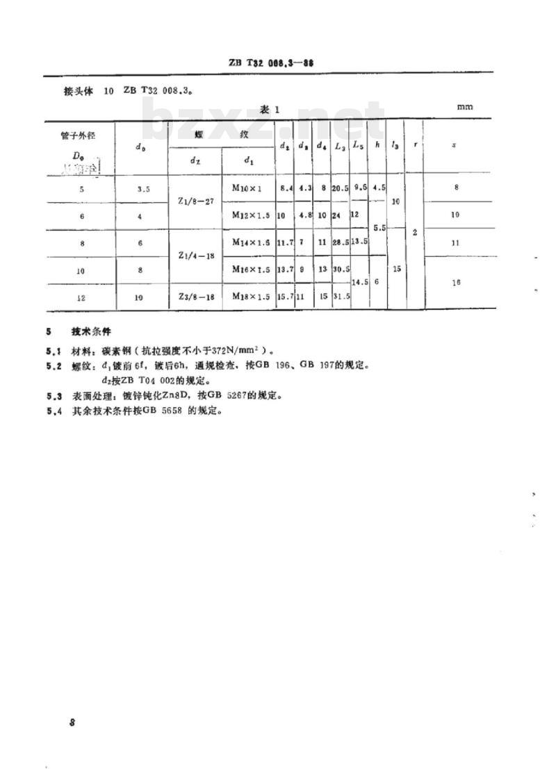
3型式及尺寸
扩口锥螺纹三通管接头体的型式尺寸见下图,并按下表的规定。
4标记
管子外径D。为10mm的扩口式锥螺纹三通管接头体的标记示例: .
5技术条件
5.1 材料:碳素钢(抗拉强度不小于372N/mm2 )。
5.2 螺纹: d,镀前6f,镀后6h,通规检查,按GB 196、 GB 197的规定。
dr按ZB T04 002的规定。
5.3 表面处理:镀锌钝化Zn8D,按GB 5267的规定。
5.4其余技术条件按GB 5658的规定。
A1
扩口式锥螺纹三通管接头体的装配关系见图A1,并按表A1的规定。
附加说明:
本标准由中国汽车技术研究中心提出,武汉汽车标准件研究所归口。
本标准由南京汽车制造厂负责起草。

标准图片预览

QC/T 405-1999 扩口式锥螺纹三通管接头体
QC/T 405-1999 扩口式锥螺纹三通管接头体
QC/T 405-1999 扩口式锥螺纹三通管接头体
QC/T 405-1999 扩口式锥螺纹三通管接头体
QC/T 405-1999 扩口式锥螺纹三通管接头体

标准内容

中华人民共和国专业标准
扩口式锥螺纹三通管接头体
Tapered thread branch tee-body主题内容与适用范围
本标准规定了扩口式锥螺纹三通管接头体的型式,尺寸和技术条件。本标准适用于以油、气为介质的管路系统。引用标准
ZBT0400260°牙型角英寸制锥螺纹GB5267
GB5653
型式及尺寸
螺纹固定件电镀层
扩口式管接头技术条件
普通螺纹基本尺寸
普通螺纹公差与配合
扩口锥螺纹三通管接头体的型式尺寸见下图,并按下表的规定。A
管子外径D。为10mm的扩口式维螺纹三通管接头体的标记示例:国家机械工业类员会1988-03-18批准UDC
QQ/T405-1999
ZB T32008.3-88
心心女年确认
1988-07-01实施
接头体Www.bzxZ.net
管子外径
技术条件
ZBT32008.3。
Z1/8-27
Z1/4-18
23/8-18
ZBT32008.3-88
5.1材料:碳素钢(抗拉强度不小于372N/mm2)。8.4
5.2螺纹:d,镀前6f,镀后6h,通规检查,按GB196、GB197的规定。dz按ZBT04002的规定。
5.3表面处理:镀锌钝化Zn8D,按GB5267的规定。5.4其余技术条件按GB5658的规定。8
ZBT32 008.3-88
附录A
装配关系
(参考件)
A1扩口式锥螺纹三通管接头体的装配关系见图A1,并按表A1的规定。2L
GB5648
管子外径 D。
基面距1
附加说明:
Z1/8-27
Z1/4~18
本标准由中国汽车技术研究中心提出,武汉汽车标准件研究所归口。本标准由南京汽车制造厂负责起草。12
Z3/8-18
25,404
iKAoNi KAca
小提示:此标准内容仅展示完整标准里的部分截取内容,若需要完整标准请到上方自行免费下载完整标准文档。