首页 > 其他行业标准 > YS/T 565-2010电池用锌板和锌带
YS/T 565-2010

基本信息

标准号: YS/T 565-2010

中文名称:电池用锌板和锌带

标准类别:其他行业标准

英文名称:Zinc plate and zinc strip for dry cell

标准状态:现行

发布日期:2010-11-22

实施日期:2011-03-01

出版语种:简体中文

下载格式:.pdf .zip

相关标签: 电池

标准分类号

标准ICS号:冶金>>有色金属产品>>77.150.60铅、锌和锡产品

中标分类号:冶金>>有色金属及其合金产品>>H62重金属及其合金

关联标准

替代情况:替代YS/T 565-2006

出版信息

出版社:中国标准出版社

页数:12页

标准价格:16.0

出版日期:2011-03-01

相关单位信息

起草人:林良智、陈建华

起草单位:佛山市三水广锌金属材料有限公司

归口单位:全国有色金属标准化技术委员会

提出单位:全国有色金属标准化技术委员会

发布部门:中华人民共和国工业和信息化部

主管部门:全国有色金属标准化技术委员会

标准简介

本标准规定了电池用锌板和锌带的产品分类、技术要求、试验方法、检验规则及标志、包装、运输、贮存和合同(或订货单)内容等。 本标准适用于制造锌-锰干电池负极焊接锌筒用锌板和锌带。
本标准代替YS/T565—2006《电池锌板》(原GB/T1978—1988)。本标准根据国际环保无危害要求及国家环保政策法令,参照欧盟第2006/66/EC号《电池、蓄电池、废电池及废蓄电池》指令,结合经生产验证的国内、国外相关科研成果进行了修订。附录A 等同采用法国标准NFA06-827:1968《锌合金的化学分析 分光光度法测定钛量》。
本标准与YS/T565—2006相比,主要变化如下:
———以锌铝钛镁合金取代了锌铅镉合金,对化学成分进行了重新规定;
———增加了电池用锌带,对其产品分类、技术要求、试验方法、检验规则等内容进行了相应规定;
———增加了对牌号和型号的命名;
———将杯突试验改为维氏硬度试验;
———对检验规则进行了修改;
———增加了附录A。
本标准附录A 为规范性附录。
本标准由全国有色金属标准化技术委员会提出并归口。
本标准由佛山市三水广锌金属材料有限公司负责起草。
本标准主要起草人:林良智、陈建华。
本标准所代替标准的历次版本发布情况为:
———YS/T565—2006。
下列文件中的条款通过本标准的引用而成为本标准的条款。凡是注日期的引用文件,其随后所有的修改单(不包括勘误的内容)或修订版均不适用于本标准,然而,鼓励根据本标准达成协议的各方研究是否可使用这些文件的最新版本。凡是不注日期的引用文件,其最新版本适用于本标准。
GB/T2828.1 计数抽样检验程序 第1部分:按接收质量限(AQL)检索的逐批检验抽样计划GB/T4340.1 金属维氏硬度试验 第1部分:试验方法
GB/T8888 重有色金属加工产品包装、标志、运输和贮存
GB/T12689.1 锌及锌合金化学分析方法 铝量的测定 铬天青S-聚乙二醇辛基苯基醚-溴化十六烷基吡啶分光光度法、CAS分光光度法和EDTA 滴定法
GB/T12689.3 锌及锌合金化学分析方法 镉量的测定 火焰原子吸收光谱法
GB/T12689.4 锌及锌合金化学分析方法 铜量的测定 二乙基二硫代氨基甲酸铅分光光度法、火焰原子吸收光谱法和电解法
GB/T12689.5 锌及锌合金化学分析方法 铁量的测定 磺基水杨酸分光光度法和火焰原子吸收光谱法
GB/T12689.6 锌及锌合金化学分析方法 铅量的测定 示波极谱法
GB/T12689.7 锌及锌合金化学分析方法 镁量的测定 火焰原子吸收光谱法
GB/T12689.10 锌及锌合金化学分析方法 锡量的测定 苯芴酮-溴化十六烷基三甲胺分光光度法

标准图片预览

YS/T 565-2010电池用锌板和锌带
YS/T 565-2010电池用锌板和锌带
YS/T 565-2010电池用锌板和锌带
YS/T 565-2010电池用锌板和锌带
YS/T 565-2010电池用锌板和锌带

标准内容

ICS77.150.60
中华人民共和国有色金属行业标准YS/T565-2010
代替YS/T565—2006
电池用锌板和锌带
Zincplateandzincstripfordrycell2010-11-22发布
中华人民共和国工业和信息化部2011-03-01实施
YS/T565—2010
本标准代替YS/T565—2006《电池锌板》(原GB/T1978—1988)。本标准根据国际环保无危害要求及国家环保政策法令,参照欧盟第2006/66/EC号《电池、蓄电池、废电池及废蓄电池》指令,结合经生产验证的国内、国外相关科研成果进行了修订。附录A等同采用法国标准NFA06-827:1968《锌合金的化学分析分光光度法测定钛量》。本标准与YS/T565一2006相比,主要变化如下:以锌铝钛镁合金取代了锌铅合金,对化学成分进行了重新规定;增加了电池用锌带,对其产品分类、技术要求、试验方法、检验规则等内容进行了相应规定;增加了对牌号和型号的命名;
将杯突试验改为维氏硬度试验;对检验规则进行了修改;
增加了附录A。
本标准附录A为规范性附录。
本标准由全国有色金属标准化技术委员会提出并归口。本标准由佛山市三水广锌金属材料有限公司负责起草。本标准主要起草人:林良智、陈建华。本标准所代替标准的历次版本发布情况为:YS/T565—2006。
1范围
电池用锌板和锌带
YS/T565—2010
本标准规定了电池用锌板和锌带的产品分类、技术要求、试验方法、检验规则及标志、包装、运输、贮存和合同(或订货单)内容等。
本标准适用于制造锌-锰干电池负极焊接锌简用锌板和锌带。2规范性引用文件
下列文件中的条款通过本标准的引用而成为本标准的条款。凡是注日期的引用文件,其随后所有的修改单(不包括勘误的内容)或修订版均不适用于本标准,然而,鼓励根据本标准达成协议的各方研究是否可使用这些文件的最新版本。凡是不注日期的引用文件,其最新版本适用于本标准。GB/T2828.1计数抽样检验程序第1部分:按接收质量限(AQL)检索的逐批检验抽样计划GB/T4340.1金属维氏硬度试验第1部分:试验方法GB/T8888重有色金属加工产品包装、标志、运输和贮存GB/T12689.1锌及锌合金化学分析方法铝量的测定铬天青S-聚乙二醇辛基苯基醚-溴化十六烷基吡啶分光光度法、CAS分光光度法和EDTA滴定法GB/T12689.3锌及锌合金化学分析方法量的测定火焰原子吸收光谱法
GB/T12689.4锌及锌合金化学分析方法铜量的测定二乙基二硫代氨基甲酸铅分光光度法、火焰原子吸收光谱法和电解法
5锌及锌合金化学分析方法
GB/T12689.5
收光谱法
GB/T12689.6
铁量的测定
锌及锌合金化学分析方法铅量的测定磺基水杨酸分光光度法和火焰原子吸示波极谱法
GB/T12689.7锌及锌合金化学分析方法镁量的测定火焰原子吸收光谱法GB/T12689.10锌及锌合金化学分析方法锡量的测定苯荡酮-漠化十六烷基三甲胺分光光度法
3产品分类
3.1牌号、型号、规格
锌板、锌带的牌号、型号和规格应符合表1的规定。地点
YS/T565—2010
3.2标记示例
表1锌板、锌带的牌号、型号、规格型号
厚度/
0.28~0.35
0.40~0.60
0.28~0.35
0.40~0.60
宽度/
100510
91~186
产品标记按产品名称、牌号、型号、规格和标准编号的顺序表示。标记示例如下:长度/
750~1200
105~3×105
示例1:牌号为DX,型号为B30,厚度为0.28mm,宽度为160mm,长度为1000mm的电池锌板,标记为:电池锌板DXB300.28X160X1000YS/T565—2010示例2:牌号为DX,型号D25,厚度为0.25mm,宽度为180mm,长度为200000mm的电池锌带,标记为:电池锌带DXD250.25×180×2000004
技术要求
4.1化学成分
YS/T565—2010
锌板、锌带的化学成分应符合表2的规定。表2
0.0010.05
锌板、锌带的化学成分
质量分数/
0.0005~0.0015
0.002~0.02
<0.004<0.002
≤0.0030.001
注1:元素含量为上下限者为合金元素,元素含量为单个数值者为杂质元素,单个数值者表示最高限量;注2:杂质总和为表中所列杂质元素实测值总和;注3:表中用“余量”表示的元素含量为100%减去表中所列元素实测值所得。2尺寸及其允许偏差
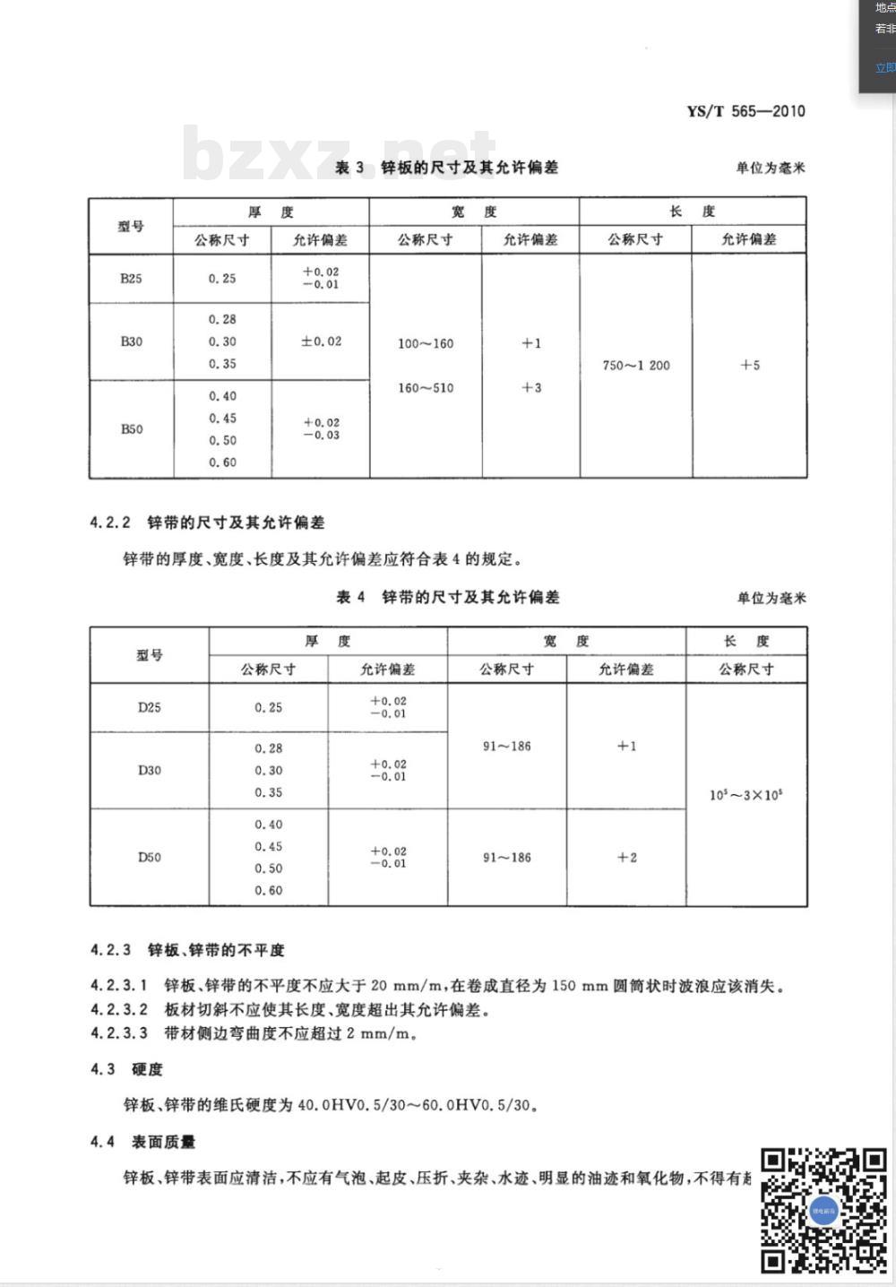
4.2.1锌板的尺寸及其允许偏差
锌板的厚度、宽度、长度及其允许偏差应符合表3的规定。2
公称尺寸
表3锌板的尺寸及其允许偏差
允许偏差
锌带的尺寸及其允许偏差
公称尺寸
100~160
160~510
允许偏差
锌带的厚度、宽度、长度及其允许偏差应符合表4的规定。表4锌带的尺寸及其允许偏差
公称尺寸
4.2.3锌板、锌带的不平度
允许偏差
公称尺寸
91~186
91~186
公称尺寸
YS/T565—2010
单位为毫米
750~1200
允许偏差
允许偏差
单位为毫米
公称尺寸
105~3×105
锌板、锌带的不平度不应大于20mm/m,在卷成直径为150mm圆简状时波浪应该消失。4.2.3.2板材切斜不应使其长度、宽度超出其允许偏差。4.2.3.3带材侧边弯曲度不应超过2mm/m。4.3硬度
锌板、锌带的维氏硬度为40.0HV0.5/30~60.0HV0.5/30。4.4表面质量
锌板、锌带表面应清洁,不应有气泡、起皮、压折、夹杂、水迹、明显的油迹和氧化物,不得有走地点
YS/T565—2010
允许偏差的划伤、凹坑、压人物、辊印和严重鳞印,边部应无裂边、卷边和明显的毛刺。4.5特殊要求
用户对电池锌板、锌带的质量有特殊要求时,可由供需双方商定。5试验方法
5.1化学成分仲裁分析方法
5.1.1铝(A1)含量的分析方法按GB/T12689.1的规定进行。5.1.2镁(Mg)含量的分析方法按GB/T12689.7的规定进行。5.1.3铅(Pb)含量的分析方法按GB/T12689.6的规定进行。镉(Cd)含量的分析方法按GB/T12689.3的规定进行。5.1.4
5.1.5铁(Fe)含量的分析方法按GB/T12689.5的规定进行。5.1.6铜(Cu)含量的分析方法按GB/T12689.4的规定进行。5.1.7
锡(Sn)含量的分析方法按GB/T12689.10的规定进行。5.1.8钛(Ti)含量的分析方法按附录A的规定进行。5.2尺寸及其允许偏差测量方法
5.2.1厚度、宽度和长度测量方法锌板、锌带的厚度在距边部不小于10mm处用相应精度的测量工具测量,长度和宽度用相应精度的测量工具测量。
5.2.2不平度测量方法
将锌板或裁剪为1000mm长的锌带放置在标准平台上,用相应精度的测量工具测量锌板或锌带同标准平台间最大间隙。
5.2.3带材侧边弯曲度测量方法
将裁剪为1000mm长的锌带放置在标准平台上,用相应精度的测量工具测量锌带侧边的弧形深度。
5.3硬度试验方法
锌板、锌带维氏硬度试验方法按GB/T4340.1的规定进行。5.4表面质量检验方法
锌板、锌带表面质量用目视进行检验。6检验规则
6.1检查和验收
6.1.1产品应由供方技术监督部门进行检验,保证产品质量符合本标准及合同(或订货单)的规定,并填写质量证明书。
6.1.2需方应对收到的产品按本标准的规定进行复检,如复检结果与本标准及合同(或订货单)不相符时,应在收到产品之日起一个月内,以书面形式向供方提出,由供需双方协商解决。如需作4
裁取样应由供需双方共同进行。6.2组批
YS/T565—2010
产品应成批提交检验,每批应由同一牌号、型号和规格组成,每批重量应不超过5000kg。6.3检验项目
每批产品应进行化学成分、尺寸及其允许偏差、硬度和表面质量的检验。6.4取样
产品的取样应符合表5的规定。
表5取样规定
检验项目
化学成分
尺寸及其允许偏差
维氏硬度
表面质量
6.5检验结果判定
取样规定
供方:1个试样/炉;
需方:锌板2张/批、锌带1卷/批。按照GB/T2828.1规定取样,检测水平Ⅱ或供需双方协商,接收质量限AQL=4.0。锌板,任取2张/批;
锌带,任取1卷/批。
按照GB/T2828.1规定取样,检测水平Ⅱ或供需双方协商,接收质量限AQL=4.0。6.5.1化学成分检验结果不合格,则判该批产品不合格。要求的章条号
试验方法的章条号
6.5.2硬度检验结果中有试样不合格,应从该批中随机抽取双倍数量的试样进行重复试验,重复试验结果全部合格,则判整批合格。若重复试验结果仍有试样不合格,则判该批产品不合格。或由供方逐件检验,合格者交货。
6.5.3尺寸及其允许偏差和表面质量不合格,按件判不合格。每批中不合格件数超出接收质量限时判整批不合格,或由供方逐件检验,合格者交货。7标志、包装、运输和购存
产品的标志、包装、运输、贮存及质量证明书按GB/T8888的规定进行。8合同(或订货单)内容
订购本标准所列材料的合同(或订货单)内应包括下列内容:a)产品名称;
b)牌号;
c)尺寸规格;
d)重量;
本标准编号;
本标准以外内容的协商结果。
YS/T565—2010
A.1范围
附录A
(规范性附录)
锌合金的化学分析
钛含量的测定分光光度法
本方法规定了锌及锌合金中钛含量的测定方法。本方法适用于锌及锌合金中钛含量的测定。测定范围:≤0.50%。A.2方法原理
用盐酸、硝酸、高氯酸溶解待测样品。在通过加人一氯乙酸缓冲溶液调节得到的pH值为2.9的介质中,钛与变色酸生成红色络合物。于分光光度计波长470nm处测量钛的吸光度。A.3试剂
除非另有说明,在分析中仅使用确认为分析纯的试剂和蒸馏水或去离子水或相当纯度的水。A.3.1盐酸(pl.19g/mL)优级纯;A.3.2硝酸(pl.42g/mL)优级纯;A.3.3高氯酸(pl.61g/mL)优级纯;A.3.4抗坏血酸溶液:20g抗坏血酸溶解于1000mL水中(使用当天配制)。A.3.5变色酸溶液:将6g变色酸溶解于少量水中(必要时过滤),将溶液移人100mL的容量瓶中,添加4g5g亚硫酸钠,加水定容至刻度,混匀(该溶液在避光条件下可保存2天)。A.3.6缓冲溶液(pH=2.9):将236g一氯乙酸溶解于300mL~400mL的水中,将50g氢氧化钠溶解于另一份300mL~400mL的水中,将两份溶液混合,定容于1000mL容量瓶中,混匀(该溶液必须用时现配)。
A.3.7钛标准溶液:该溶液可按以下方法1或方法2配制。A.3.7.1方法1
(甲)液:准确称取0.8340g化学上纯净干燥的钛酸酐[TiO2]置于铂锅中,加人8g~10g焦硫酸钾熔融。冷却后,加入45mL硫酸(1十1),加热使熔块溶解。稍冷。将溶液移入1000mL的容量瓶中,铂锅用硫酸(1十15)洗净。洗液并人容量瓶中,冷却后用硫酸(1十15稀释至刻度,摇匀。此溶液1mL含0.5mg钛。
(乙)液:精确吸取25mL(甲)液于500mL的容量瓶中,用水稀释至刻度,摇匀。此溶液1mL含0.025mg钛。
A.3.7.2方法2
准确称取0.1840g草酸钛钾[K.TiO(COO).]·2H2O溶解于10mL硫酸(1+1)中。移入1000mL的容量瓶中,用水稀释至刻度。摇匀。此溶液1mL含0.025mg钛。A.4仪器
分光光度计。
A.5分析步骤
YS/T565—2010
A.5.1称取试料1.000g(m。)置于250mL烧杯中,盖上表面皿,加人5mL盐酸(A.3.1),沸腾结束后,加入2mL硝酸(A.3.2),当反应结束后,加入10mL高氯酸(A.3.3),加热直至形成能够维持2min~3min的高氯酸烟雾。取下冷却,再加入50mL蒸馏水,加热沸腾使盐类溶解。放冷至室温后,移人200mL容量瓶中,用水稀释至刻度(V。),混勾。A.5.2吸取上述溶液10mL(V.)于100mL容量瓶中。按顺序加入以下试剂:(每加入一种试剂后摇荡容量瓶)10mL抗坏血酸溶液(A.3.4)、2mL变色酸溶液(A.3.5)、随后立即加入20mL缓冲溶液(A.3.6)、用水稀释至刻度、播匀,放置15min后,用2cm~3cm比色皿于分光光度计470nm波长处测定吸光度。与分析试料同时作空白试验。A.6标准曲线的绘制
准确吸取钛标准溶液(A.3.7)0mL、1.0mL、2.0mL、4.0mL、6.0mL、8.0mL、10.0mL于7个100mL容量瓶中,按顺序加人以下试剂:(每加人一种试剂后摇荡容量瓶)10mL抗坏血酸溶液(A.3.4)、2mL变色酸溶液(A.3.5)、随后立即加人20mL缓冲溶液(A.3.6)、用水稀释至刻度、摇匀,放置15min后,用2cm~3cm比色皿于分光光度计470nm波长处以空白为零点测定其吸光度,测得的吸光度为纵坐标,钛量为横坐标,绘制标准曲线。A.7分析结果的计算
按式(A.1)计算钛的质量分数WTi,数值以%表示。m.V。
m。Vx1000×100
式中:
以测得试料的吸光度自标准曲线上查得的钛量,单位为毫克(mg);试料的质量,单位为克(g);
试液总体积,单位为毫升(mL);Vi
分取试液体积,单位为毫升(mL)。·(A.1)
YS/T565-2010
打印日期:2011年2月24日F009
中华人民共和国有色金属
行业标准
电池用锌板和锌带
YS/T565-2010
中国标准出版社出版发行Www.bzxZ.net
北京复兴门外三里河北街16号
邮政编码:100045
网址www.spc.net.cn
电话:6852394668517548
中国标准出版社秦皇岛印刷厂印剧各地新华书店经销
开本880×12301/16
印张0.75
字数15千字
2011年1月第一版
2011年1月第一次印刷
书号:155066·2-21481定价16.00元如有印装差错
由本社发行中心调换
版权专有
侵权必究
举报电话:(010)68533533
小提示:此标准内容仅展示完整标准里的部分截取内容,若需要完整标准请到上方自行免费下载完整标准文档。