YS/T 23-2016
		    
	
		    
		    	基本信息
		    	标准号:
				
          		YS/T 23-2016
		    	
				
						    	中文名称:硅外延层厚度测定 堆垛层错尺寸法 
				标准类别:其他行业标准
				
		  
				
		   		   	 				  英文名称:Test method for thickness of epitaxial layers—Stacking fault size
			  			 
		   		   
		      				
				
				标准状态:现行
		    	发布日期:2016-04-05
		    	实施日期:2016-09-01
						    	出版语种:简体中文
				下载格式:.pdf .zip
								
				 				 相关标签:
		  				 外延
			  		 厚度
			  		 测定
			  		 堆垛
			  		 尺寸
			  		   
		   		   
				 
		     
			
			
			
			
		    
		    	标准分类号
		    	标准ICS号:冶金>>77.040金属材料试验
		    	中标分类号:冶金>>金属理化性能试验方法>>H21金属物理性能试验方法
						    			     
						
			
			
		    
			
			
		    
		    	出版信息
		    	出版社:中国标准出版社
		    			    	页数:12页
		    	标准价格:16.0
		    			    	出版日期:2016-09-01
  
		     
		    
		     
		    	相关单位信息
		    			    			    	起草人:马林宝、杨帆、葛华、刘小青、孙燕、徐新华
		    	起草单位:南京国盛电子有限公司、有研半导体材料有限公司、上海晶盟硅材料有限公司
		    	归口单位:全国有色金属标准化技术委员会(SAC/TC243)
		    	提出单位:全国有色金属标准化技术委员会(SAC/TC243)
				 发布部门:中华人民共和国工业和信息化部
				  主管部门:全国有色金属标准化技术委员会(SAC/TC243)
		     
			
			
			 
			
			
			 
		     
		    	标准简介
		    	
				
				本标准规定了利用堆垛层错尺寸法测量硅外延层厚度的方法。
本标准适用于在<111>、<100>和<110>晶向的硅单晶衬底上生长的2μm~120μm硅外延层厚度的测量。
				
		
				
		     
			
			
					
						 
						
						 
					    	标准内容
		    	
				
					
					ICS77.040
中华人民共和国有色金属行业标准YS/T23—2016
代替YS/T23—1992
硅外延层厚度测定
堆垛层错尺寸法
Test method for thickness of epitaxial layers-Stacking fault size2016-04-05发布
中华人民共和国工业和信息化部发布
2016-09-01实施
本标准按照GB/T1.1一2009给出的规则起草。YS/T23—2016
本标准代替YS/T23—1992《硅外延层厚度测定堆垛层错尺寸法》。本标准与YS/T23一1992相比,主要变动如下:
增加了“术语和定义”“干扰因素”(见第3章、第5章);一删除了非破坏性测试方法;
在第6章中增加了无铬腐蚀液B的配制(见6.9);修改了第7章测量仪器中的显微镜并去掉了测微标尺;在第8章中增加了试样制备方法二(见8.3);修改了第9章测量步骤;
修改了测量结果的计算公式,用显微镜图像处理技术的结果替代边长计算;增加了外延层厚度T和堆垛层错图形边长L的关系(见附录A)。本标准由全国有色金属标准化技术委员会(SAC/TC243)提出并归口。本标准起草单位:南京国盛电子有限公司、有研半导体材料有限公司、上海晶盟硅材料有限公司。本标准主要起草人:马林宝、杨帆、葛华、刘小青、孙燕、徐新华。本标准所代替标准的历次版本发布情况为:-YS/T23—1992。
1范围
硅外延层厚度测定
堆垛层错尺寸法
本标准规定了利用堆垛层错尺寸法测量硅外延层厚度的方法。YS/T23—2016
本标准适用于在<111)、<100和<110>晶向的硅单晶衬底上生长的2μm~120μm硅外延层厚度的测量。
2规范性引用文件
下列文件对于本文件的应用是必不可少的。凡是注日期的引用文件,仅注日期的版本适用于本文件。凡是不注日期的引用文件,其最新版本(包括所有的修改单)适用于本文件。GB/T14264半导体材料术语
GB/T14847
3术语和定义
重掺杂衬底上轻掺杂硅外延层厚度的红外反射测量方法GB/T14264界定的术语和定义适用于本文件。4方法提要
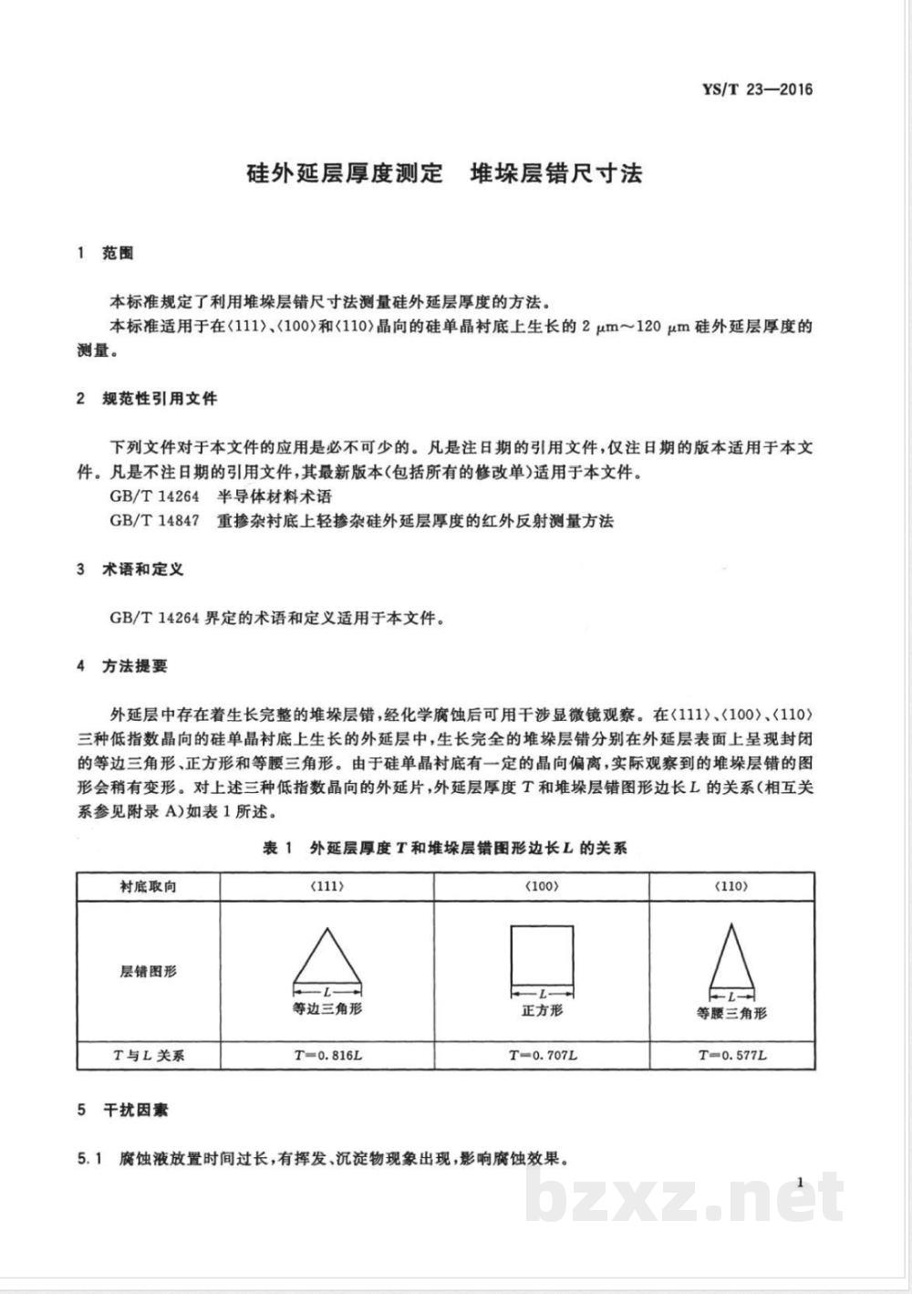
外延层中存在着生长完整的堆垛层错,经化学腐蚀后可用于涉显微镜观察。在《111》、《100》、《110)三种低指数晶向的硅单晶衬底上生长的外延层中,生长完全的堆垛层错分别在外延层表面上呈现封闭的等边三角形、正方形和等腰三角形。由于硅单晶衬底有一定的晶向偏离,实际观察到的堆垛层错的图形会稍有变形。对上述三种低指数晶向的外延片,外延层厚度T和堆垛层错图形边长L的关系(相互关系参见附录A)如表1所述。
表1外延层厚度T和堆垛层错图形边长L的关系村底取向
层错图形
T与L关系
5干扰因素
等边三角形
正方形
5.1腐蚀液放置时间过长,有挥发、沉淀物现象出现,影响腐蚀效果。《110)下载标准就来标准下载网
等腰三角形
YS/T23—2016
5.2堆垛层错边的宽度影响取值精度。5.3在电脑图像界面量取堆垛层错边长时存在操作差异。6试剂和材料
6.1三氧化铬,化学纯,固态。
6.2氢氟酸,化学纯。
硝酸,化学纯。
6.4乙酸,化学纯。
6.5硝酸银,分析纯,固态。
6.6去离子水。
6.7铬酸溶液,0.5g/mL:50g三氧化铬溶于80mL水中,稀释至100mL。6.8腐蚀液A:铬酸溶液(6.7):氢氟酸=1:1(体积比),使用前配制。6.9腐蚀液B:在氢氟酸:硝酸:乙酸:去离子水=1:2:4:2(体积比)溶液的基础上,按照0.01g/L~0.05g/L加人硝酸银,使用前配制。7设备和仪器
7.1具有图像处理功能的干涉显微镜(放大倍数≥200倍)。7.2耐酸镊子。
7.3氟塑料容器。
8试样制备
8.1按采用的腐蚀液不同,试样制备方法有两种,推荐使用试样制备方法二(8.3)。8.2试样制备方法一,按下列步骤进行:a)使试样外延层向上,放入氟塑料容器底部,于室温下注人腐蚀液A(6.8),使蚀液高于试样表面1cm,
试样腐蚀15s~30s后,迅速用水稀释腐蚀液,用镊子取出试样,用水洗净,干燥。记下腐蚀时间。
8.3试样制备方法二,按下列步骤进行:a)使试样外延层向上,放入氟塑料容器底部,于室温下注入蚀液B(6.9),使腐蚀液高于试样表面1cm,腐蚀过程中应连续不断的动氟塑料容器;b)
试样腐蚀1min~2min后,迅速用水稀释腐蚀液,用镊子取出试样,用水洗净,干燥。记下腐蚀时间。
9测量步骤
9.1将试样放在微分干涉显微镜载物台上,外延层面垂直于物镜。9.2测量应在外延片非边缘部位进行。在所选定位置的视场中,应选择几何尺寸最大、轮廊分明、生长完整的堆垛层错。调节显微镜的焦距至视场清晰,采集获取图像。9.3进人图像处理界面,在堆垛层错相应区域,测量其边长AB的距离L。示意图见图1。2
图1堆垛层错边长量取图
YS/T23—2016
9.4对<111>晶向的外延层,按9.3测量正三角形的3条边L1、L、L;对<100》晶向的外延层,按9.3测量正方形的4条边L、Lz、L、L;对<110>晶向的外延层,按9.3测量等腰三角形的底边L,即可。取边长的平均值,按外延层厚度T与堆垛层错图形边长L的关系计算厚度T。9.5至少另选两个位置,重复9.4测量,计算不同测试位置的外延层厚度,取其平均值。10测量结果的计算
10.1对于每一个测试位置,除《110晶向仅测量等腰三角形的底边外,以图形各边长度的总和除以该图形的边数,计算堆垛层错图形的平均边长工。对于<111)晶向,堆垛层错图形的平均边长L按式(1)计算:L=L+L,+L
对于<100)晶向,堆垛层错图形的平均边长工按式(2)计算:L=Li+L,+L,+L
对于<110晶向,堆垛层错图形的平均边长工按式(3)计算:L=L
10.2根据表1中外延层厚度T与堆垛层错图形边长L的关系计算厚度T。对<111>晶向,外延层第1个测试位置上外延层厚度T,按式(4)计算:Ti=0.816L
对<100)晶向,外延层第1个测试位置上外延层厚度T,按式(5)计算:T,=0.707L
对<110)晶向,外延层第1个测试位置上外延层厚度T,按式(6)计算:T,=0.577L
式中:
Ti一—第1个测试位置上的外延层厚度值,单位为微米(μm);L
一第1个位置上的堆垛层错图形边长的平均值,单位为微米(μm)。10.3按照10.1~10.2,测量试样的第2,3,,n个位置的边长,计算T2,T,,T.。10.4外延层厚度的平均值T按式(7)计算:T=(T+T,+T,+.+T)/n
式中:
测量的位置数。
10.5外延层的厚度T按式(8)计算:T=T+W
(1)
.(2)
(3)
(5)
·(7)
YS/T23—2016
式中:
W——被腐蚀的外延层厚度,单位为微米(μm)。被腐蚀的外延层厚度W按式(9)计算:W=rXt
式中:
r——腐蚀速率,单位为微米每秒(μm/s);t——腐蚀时间,单位为秒(s)。(9)
注:若不知道腐蚀速率,则应在与研究的试样具有相同导电类型、电阻率和晶向的外延材料上另做试验,依据GB/T14847进行测定后计算。
精密度
本方法对于厚度为2μm~120μm的硅外延片,采用腐蚀液A(6.8)制备试样在三个实验室的测量相对标准差为2%,采用腐蚀液B(6.9)制备试样在三个实验室的测量相对标准差为5%。12
试验报告
试验报告应包括下列内容:
a)样品编号;
衬底晶向;
外延层厚度;
当需要时,可报出测量位置及分布;本标准编号(YS/T23—2016);检验单位、检验者和检验日期。附录A
(资料性附录)
外延层厚度T和堆垛层错图形边长L的关系A.1《111)堆垛层错空间几何图形如图A1所示。B
图A.1《111)堆垛层错空间几何图形标准模型:正四面体A-BCD。
YS/T23—2016
参数定义:外延层厚度T即线段AO,用h表示;堆垛层错图形边长L即线段BC,用a表示。推导过程:正四面体A-BCD,AC=BC=BD=CD=a。侧面三个面均为正三角形,点O为正三角形BCD的中心即重心与垂心(三心合一),CO=/3/3BC=3/3a。
根据勾股定理,h=/6/3a,即T=0.816L。A.2《100)堆垛层错空间几何图形如图A.2所示。a
图A.2《100堆垛层错空间几何图形标准模型:五面体A-BCDE,底面为正方形BCDE,侧面四个面均为正三角形。参数定义:外延层厚度T即线段AO,用h表示;堆垛层错图形边长L即线段BC,用a表示。推导过程:正方形BCDE,BD=V2BC=V2a。侧面四个面均为正三角形,点O为正方形BCDE的中心,OD=1/2BD=/2/2a。根据勾股定理,h=/2/2a,即T=0.707L。5					
					
小提示:此标准内容仅展示完整标准里的部分截取内容,若需要完整标准请到上方自行免费下载完整标准文档。