首页 > 船舶行业标准(CB) > CB 3495.4-1992 船舶工业档案管理规则 经营、生产、技术
CB 3495.4-1992

基本信息

标准号: CB 3495.4-1992

中文名称:船舶工业档案管理规则 经营、生产、技术

标准类别:船舶行业标准(CB)

英文名称: Rules for the management of archives in the shipbuilding industry Operation, production, technology

标准状态:现行

发布日期:1992-11-03

实施日期:1993-05-01

出版语种:简体中文

下载格式:.rar.pdf

下载大小:2278724

相关标签: 船舶工业 档案管理 规则 经营 生产 技术

标准分类号

标准ICS号:综合、术语学、标准化、文献>>信息学、出版>>01.140.20 信息学综合、术语学、标准化、文献>>信息学、出版>>01.140.30行政管理、商业和工业文件

中标分类号:船舶>>船舶综合>>U01技术管理

关联标准

出版信息

页数:6页

标准价格:12.0 元

相关单位信息

标准简介

CB 3495.4-1992 船舶工业档案管理规则 经营、生产、技术 CB3495.4-1992 标准下载解压密码:www.bzxz.net

标准图片预览

CB 3495.4-1992 船舶工业档案管理规则 经营、生产、技术
CB 3495.4-1992 船舶工业档案管理规则 经营、生产、技术
CB 3495.4-1992 船舶工业档案管理规则 经营、生产、技术
CB 3495.4-1992 船舶工业档案管理规则 经营、生产、技术
CB 3495.4-1992 船舶工业档案管理规则 经营、生产、技术

标准内容

中华人民共和国船舶行业标准
船舶工业档案管理规则
经营、生产、技术
1主题内容与适用范围
CB3495.4—-92
分类号:U01
本标准规定了经营、生产、技术管理文件材料的归档范围、要求和档案的管理。本标准适用于船舶工业各企事业单位档案的管理。2引用标准
GB9705
GB/T11822
3术语
3.1经营管理档案
档案著录规则
文书档案案卷格式
科学技术档案案卷构成的一般要求船舶工业档案管理规则分类大纲及编号企事业单位在经营管理活动中形成的具有保存价值的文字、图表、声像等不同形式的历史记录。
3.2生产、技术管理档案
企事业单位在生产、技术管理活动中形成的具有保存价值的文字、图表、声像等不同形式的历史记录。
4归档范围及保管期限
4.1经营管理文件材料的归档范围及保管期限见表。中国船舶工业总公司1992-11-03批准1993-05-01实施
各类标准行业资料免费下载序号
计划统计
CB3495.4—92
a企事业管理、改革、升级、整顿的决定、规定、通知、请示与批复等b.现代化管理的文件材料
c.经济技术承包、考核等经营责任管理的规定、通知、请示与批复等d。管理制度、标准及有关的计划、总结、规定、通知、请示及批复等a.关于企事业发展规划,中长期计划的通知、报告、请示、批复等b.关于年度综合计划、经营、生产计划的通知、报告、请示、批复等c.各项管理的统计报表及统计分析材料d.工业普查的文件材料
a.上级关于生产经营的决定、规定、通告等b.本单位的经营方案及其制定过程中形成的文件精料c.投标、招标的文件材料
d.横向联合及合资经营的文件材料e.本单位产品在国内外市场占有率及分布情况的调查材料,国肉外市场对同类产品的品种、规格、质量、价格的要求及用户的反映f.新开发产品的原辅材料,燃料的来源和供应情况的市场调研及分析材料
g·本单位技术水平、生产能力与同行同业同类单位技术经济情况的对比材料
保管期限
年度以上的永久
季度、月份的短期
重要的长期
一般的短期
中标的长期
有参考价值的短期
在经营决策中起
主导作用的长期
在经营决策中有
参考价值的短期
整体的有历史意
义的永久
专业的有参考价
值的短期
各类标准行业资料免费下载(888.co1
序号类别
CB3495.4—92
续表1
归档范
a.销售计划、总结及成品出库、发货记录b.产品估价材料及其分析
c.经济协议、合同及其它洽谈材料重要的来往函电及处理记录等d.产品质量、数量及商标、包装等商务纠纷的处理、合同纠纷的法律仲裁材料、公证文件
e企业规模、生产和技术能力、产品等广告宣传报导材料f.产品用户台帐、对用户调查的记录、用户反馈的信息及其处理结果材料
g.对外贸易活动的文件材料
a.营业执照及其申办过程中形成的文件材料b.注册商标及其设计过程中形成的材料c.制造许可证及其申办过程中形成的文件材料d.等级证书
a财务工作条例、规定、细则、制度、办法等b.财务预算材料
c.财务计划、资金筹集及分配使用材料d.产品成本及分析材料、目标成本管理材料e.财税检查的有关材料
保管期限
涉外的永久
国内的长期
涉外的或部级及
以上批准的项目
部级以下批准的
项目长期wwW.bzxz.Net
本单位项目短期
涉外的、部级及以
上批准的项目永
部级以下批准的
项目长期
本单位项目短期
指令性计划产品
指导性计划产品
重要的长期
一般的短期
年度的综合的长期
专项的短期
年度的综合的长期
季度的专项的短期
重要产品长期
一般产品短期
各类标准行业资料免费下载类别
CB3495.4—92
续表1
a.上级关于物资供应、仓储管理、节约工作的计划、规定、通知b.本单位关于物资供应、调拨、积压物资处理的报告、计划统计报表、总结及请示与批复等
c.物资供应、调拨的协议、合同、单据d.仓储管理的有关材料
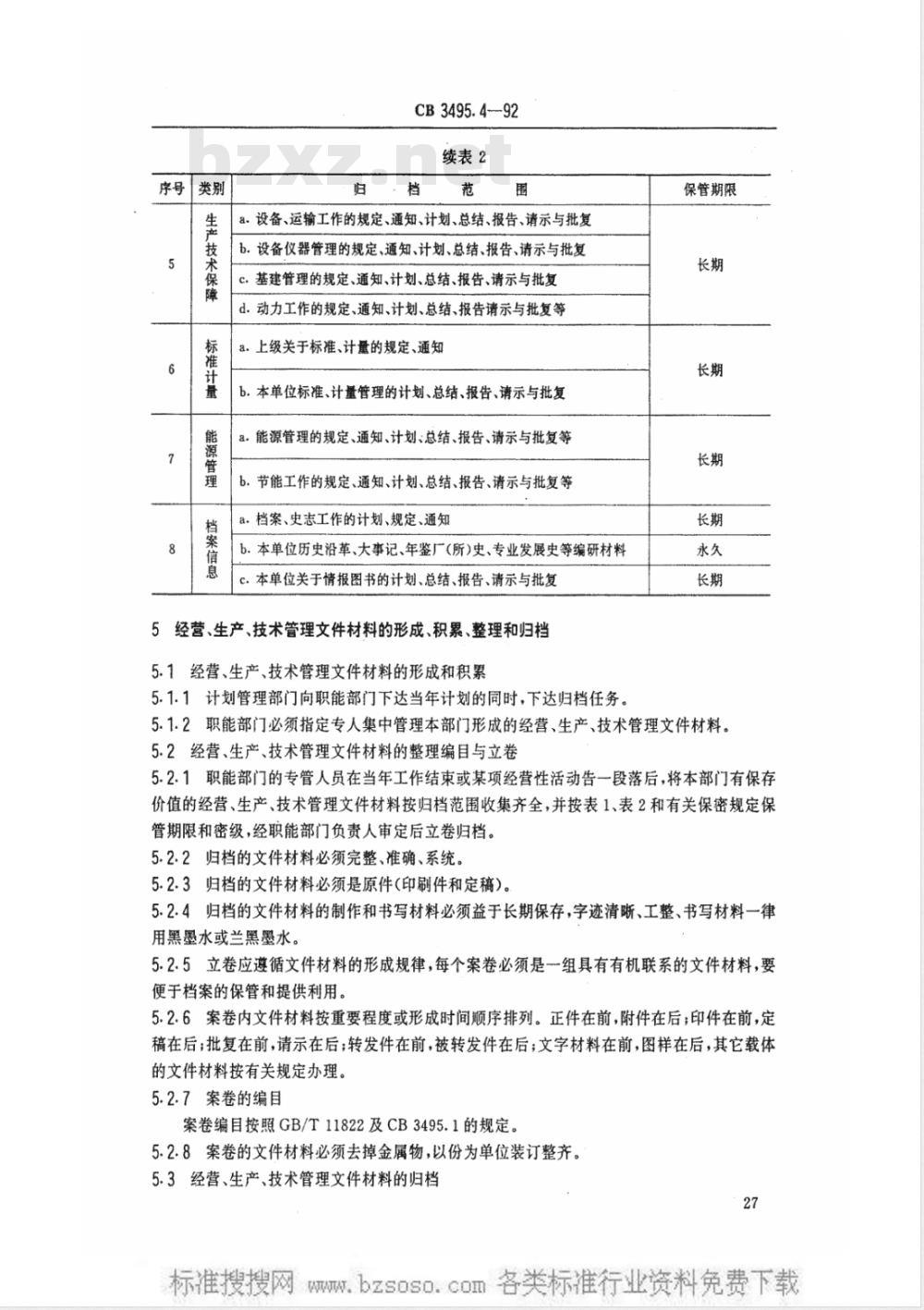
e.本单位节约工作形成的文件材料4.2生产、技术管理文件材料的归档范围及保管期限见表2表2
a.年度生产大纲
b.季度、月度作业计划
c.生产作业指令
d.生产调度记录
e。生产管理过程中具有保存价值的原始记录a.上级关于安全与文明生产的规定、通知围
b.本单位安全与文明生产的计划、总结、报告、请示及批复c.上级关于环保的规定、通知
d.本单位环保计划、总结、报告、请示与批复a.上级关于质量管理的规划、规定、通知b.本单位质量管理的规划、计划、总结、报告、请示及批复c.全面质量管理材料
d.重大质量事故处理报告、决定及有关材料a.上级关于设计、工艺、科研、技术改造、技术引进等技术管理的规定、通知
b.本单位设计工作、工艺工作的规定、计划、总结、报告、请示与批复C.本单位产品研制,工艺科研综合性的计划、总结、报告、请示与批复d.本单位技术改造、技术引进、技术措施、合理化建议、成果专利、“四新”推广等方面的计划、总结、报告、请示与批复保管期限
重要的长期
一般的短期
重要的长期
一般的短期
保管期限
各类标准行业资料免费下载/ww.17jzw.nc
www.3x888.con
序号类别
技术保
标准计量
能源管理
CB3495.4—92
续表2
归·档
尚范围
a.设备、运输工作的规定、通知、计划、总结、报告、请示与批复b.设备仪器管理的规定、通知、计划、总结、报告、请示与批复基建管理的规定、通知、计划、总结、报告、请示与批复d.动力工作的规定、通知、计划、总结、报告请示与批复等a.上级关于标准、计量的规定、通知b.本单位标准、计量管理的计划、总结、报告、请示与批复能源管理的规定、通知、计划、总结、报告、请示与批复等a.
节能工作的规定、通知、计划、总结、报告、请示与批复等b.
a.档案、史志工作的计划、规定、通知b.本单位历史沿革、大事记、年鉴厂(所)史、专业发展史等编研材料c.本单位关于情报图书的计划、总结、报告、请示与批复5经营、生产、技术管理文件材料的形成、积累、整理和归档5.1经营、生产、技术管理文件材料的形成和积累5.1.1计划管理部门向职能部门下达当年计划的同时,下达归档任务。保管期限
5.1.2职能部门必须指定专人集中管理本部门形成的经营、生产、技术管理文件材料。5.2经营、生产、技术管理文件材料的整理编目与立卷5.2.1职能部门的专管人员在当年工作结束或某项经营性活动告一段落后,将本部门有保存价值的经营、生产、技术管理文件材料按归档范围收集齐全,并按表1、表2和有关保密规定保管期限和密级,经职能部门负责人审定后立卷归档。5.2.2归档的文件材料必须完整、准确、系统。5.2.3归档的文件材料必须是原件(印刷件和定稿)。5.2.4归档的文件材料的制作和书写材料必须益于长期保存,字迹清晰、工整、书写材料一律用黑墨水或兰黑墨水。
5.2.5立卷应遵循文件材料的形成规律,每个案卷必须是一组具有有机联系的文件材料,要便于档案的保管和提供利用。
5.2.6案卷内文件材料按重要程度或形成时间顺序排列。正件在前,附件在后;印件在前,定稿在后;批复在前,请示在后;转发件在前,被转发件在后;文字材料在前,图样在后,其它载体的文件材料按有关规定办理。
5.2.7案卷的编目
案卷编目按照GB/T11822及CB3495.1的规定。5.2.8案卷的文件材料必须去掉金属物,以份为单位装订整齐。5.3经营、生产、技术管理文件材料的归档27
各类标准行业资料免费下载CB3495.4-92
5.3.1般的文件材料归档一份,重要的和日后使用频繁的材料可情增加副本。5.3.2.一般在项目完成的次年上半年内归档,对合同履约期跨年度的项目的文件材料在履约后归档。
5.3.3经营、生产技术管理文件材料归档齐全完整后,档案部门出具归档证明,计划管理部门依据档案部门的归档证明,决定经营生产技术项目是否结束,没有归档证明不予办理财务结算。
6经营、生产、技术管理档案的管理6.1管理原则
经营、生产、技术管理档案由档案部门集中统一管理。6.2分类编号
6.2.1分类、编号按照CB3495.1进行。6.2.2编目与编制检查工具
6.2.2.1编写总目录、分类目录、专题目录。6.2.2.2编写专题索引卡。
6.2.2.3按照GB3792.5编制著录卡。7经营、生产、技术管理档案的鉴定7.1鉴定小组由单位主管领导、职能部门领导、专业人员和档案管理人员组成。鉴定小组要制定鉴定计划。
7.2鉴定小组直接对经营生产技术管理档案进行鉴定,以案卷为单位填写档案鉴定表,注明鉴定意见,由鉴定小组负责人签名,并标注鉴定日期。鉴定工作结束,鉴定小组要写出鉴定报告。
7.3档案部门依据鉴定报告和档案鉴定表,调整继续保存的经营生产、技术管理档案的保管期限及密级。对需要销毁的档案,应编制档案销毁清册(密级档案经单位保密委员会审批),报送单位主管领导审查批准后,由两人监销,销毁清册要归档保存。7.4到保管期限的档案每五年鉴定一次。8经营、生产、技术管理档案的开发利用8.1建立借阅制度,严格审批手续,正确处理保密与利用的关系。8.2对经营生产技术管理档案进行加工、整理、编研,提供主动服务。根据需要,可编制下列参考资料:历年生产技术、经营管理的基础数字汇编、专题汇编或数据手册,本单位经营生产技术管理活动的文摘、市场信息或用户反馈信息汇编,国内外同行业经营、生产、技术管理情况介绍等。
8.3建立经营、生产、技术管理档案利用效果登记。28
各类标准行业资料免费下载www.17jzw.ne
www.3x888.con
附加说明:
CB3495.4-92
本标准由中国船舶工业总公司办公厅提出并归口。本标准由西安船舶设备工业公司负责起草。本标准主要起草人尉随和
俞锦文。
黄小琳
薛玉玺
袁学刚
各类标准行业资料免费下载
小提示:此标准内容仅展示完整标准里的部分截取内容,若需要完整标准请到上方自行免费下载完整标准文档。